Heat Pump
Installation and user manual
Nano Heat Pump
Thank you
Dear Customer,
Thank you for your purchase and for your confidence in our products.
These are the result of many years of research in the field of design and production of heat pumps for swimming pools. Our aim is to provide you with an exceptional high performance quality product.
We have produced this manual with the utmost care so that you get maximum benefit from your Poolex heat pump.
Please read carefully
These installation instructions are an integral part of the product.
They must be given to the installer and retained by the user.
If the manual is lost, please consult the website: www.poolex.fr
The instructions and recommendations contained in this manual should be read carefully and understood since they provide valuable information concerning the heat pump’s safe handling and operation. Keep this manual in an accessible place for easy future reference.
Installation must be carried out by a qualified professional person in accordance with current regulations and the manufacturer’s instructions. An installation error may cause physical injury to persons or animals as well as mechanical damage for which the manufacturer can under no circumstances be held responsible.
After unpacking the heat pump, please check the contents in order to report any damage.
Prior to connecting the heat pump, ensure that the information provided in this manual is compatible with the actual installation conditions and does not exceed the maximum limits authorized for this particular product.
In the event of a defect and/or malfunction of the heat pump, the electricity supply must be disconnected and no attempt made to repair the fault.
Repairs must be undertaken only by an authorized technical service organization using original replacement parts. Failure to comply with the above-mentioned clauses may have an adverse effect on the heat pump’s safe operation.
To guarantee the heat pump’s efficiency and satisfactory operation, it is important to ensure its regular maintenance in accordance with the instructions provided.
If the heat pump is sold or transferred, always make sure that all technical documentation is transmitted with the equipment to the new owner.
This heat pump is designed solely for heating a swimming pool. Any other use must be considered as being inappropriate, incorrect or even hazardous.
Any contractual or non-contractual liability of the manufacturer/distributor shall be deemed null and void for damage caused by installation or operational errors, or due to non-compliance with the instructions provided in this manual or with current installation norms applicable to the equipment covered by this document.
General
1.1 General Terms of Delivery
All equipment, even if shipped ‘free of carriage and packing’, is dispatched at the consignee’s own risk.
The person responsible for receiving the equipment must carry out a visual inspection to identify any damage to the heat pump during transport (refrigerant system, body panels, electrical control box, frame). He/she must note down on the carrier’s delivery note any remarks concerning damage caused during transport and confirm them to the carrier by registered letter within 48 hours.
The equipment must always be stored and transported vertically on a pallet and in its original packaging. If it is stored or transported horizontally, wait at least 24 hours before switching it on.
1.2 Safety instructions
WARNING : Please read carefully the safety instructions before using the equipment.
The following instructions are essential for safety so please strictly comply with them.
During installation and servicing
Only a qualified person may undertake installation, start-up, servicing and repairs, in compliance with current standards.
Before operating or undertaking any work on the equipment (installation, commissioning, usage, servicing), the person responsible must be aware of all the instructions in the heat pump’s installation manual as well as the technical specifications.
Under no circumstances install the equipment close to a source of heat, combustible materials or a building’s air intake.
If installation is not in a location with restricted access, a heat pump protective grille must be fitted.
To avoid severe burns, do not walk on pipework during installation, repairs or maintenance.
To avoid severe burns, prior to any work on the refrigerant system, turn off the heat pump and wait several minutes before placing temperature and pressure sensors.
Check the refrigerant level when servicing the heat pump.
Check that the high and low pressure switches are correctly connected to the refrigerant system and that they turn off the electrical circuit if tripped during the equipment’s annual leakage inspection.
Check that there is no trace of corrosion or oil stains around the refrigerant components.
During use
To avoid serious injuries, never touch the fan when it is operating.
Keep the heat pump out of the reach of children to avoid serious injuries caused by the heat exchanger’s blades.
Never start the equipment if there is no water in the pool or if the circulating pump is stopped.
Check the water flow rate every month and clean the filter if necessary.
During cleaning
Switch off the equipment’s electricity supply.
Close the water inlet and outlet valves.
Do not insert anything into the air or water intakes or outlets.
Do not rinse the equipment with water.
During repairs
Carry out work on the refrigerant system in accordance with current safety regulations.
Brazing should be performed by a qualified welder.
When replacing a defective refrigerant component, use only parts certified by our technical department.
When replacing pipework, only copper pipes conforming to Standard NF EN12735-1 may be used for repairs.
When pressure-testing to detect leaks:
To avoid the risks of fire or explosion, never use oxygen or dry air.
Use dehydrated nitrogen or a mixture of nitrogen and refrigerant.
The low and high side test pressure must not exceed 42 bar.
1.3 Water treatment
Poolex heat pumps for swimming pools can be used with all types of water treatment systems.
Nevertheless, it is essential that the treatment system (chlorine, pH, bromine and/or salt chlorinator metering pumps) is installed after the heat pump in the hydraulic circuit.
To avoid any deterioration to the heat pump, the water’s pH must be maintained between 6.9 and 8.0.
Description
2.1 Package contents
Heat pump Poolex Nano Action
2 hydraulic inlet/outlet connectors 32/38mm diameter
This installation and user manual
4 anti-vibration pads
2.2 General characteristics
A Poolex heat pump has the following features:
- CE certification and complies with the RoHS European directive.
- High performance with up to 80% energy savings compared to a conventional heating system.
- Clean, efficient and environmentally friendly R410A refrigerant.
- Reliable high output leading brand compressor.
- Wide hydrophilic aluminum evaporator for use at low temperatures.
- User-friendly intuitive control panel.
- Heavy duty shell, anti-UV treated and easy to maintain.
- Designed to be silent.
2.3 Technical specifications
Nano Action | ||
Air (1) 26°C | Heating power (W) | 2750 |
Consumption (W) | 580 | |
| COP (Coeff. of performance) | 4,75 | |
Air (1) 15°C | Heating power (W) | 2150 |
Consumption (W) | 540 | |
| COP (Coeff. of performance) | 4 | |
Electricity supply | 220-240V single-phase ~ 50Hz | |
| Maximum power (W) | 810 | |
Maximum current (A) | 3.62 | |
| Heating temperature range | 15°C~40°C | |
Operating range | 7°C~43°C | |
| Unit dimensions L × W × H (mm) | 404 x 282 x 385 | |
Unit weight (kg) | 17 | |
| Packaging dimensions L × W × H (mm) | 460 x 370 x 415 | |
Packaging weight (kg) | 19 | |
| Sound pressure level at 10 m (dBA) (3) | <32 | |
Hydraulic connection (mm) | PVC 32 / 38mm | |
| Heat exchanger | PVC tank and titanium heating coil | |
Min. water flow rate (m³/h) | 1,3 | |
| Compressor | GMCC | |
Compressor type | Rotary | |
| Refrigerant | R410A | |
Refrigerant content (kg) | 0,3 | |
| GWP | 2088 | |
Equivalent CO2 | 0,63 | |
| Waterproof IP | IPX4 | |
Load loss (mCE) | 0,8 | |
| Max. pool volume (m3) (4) | ≤20 | |
Control panel | Backlight LCD screen | |
| Mode | Heating | |
The technical specifications of our heat pumps are provided for information purposes only. We reserve the right to make changes without prior notice.
- Ambient air temperature
- Initial water temperature
- Noise at 10 m in accordance with Directives EN ISO 3741 and EN ISO 354
- Calculated for an in-ground private swimming pool covered with a bubble cover.
2.4 Unit dimensions
| Nano Action | |
| A | 385 |
| B | 404 |
| C | 282 |
| D | 51,5 |
| E | 140 |
2.5 Exploded view
| 1. Base plate 2. Compressor 3. Evaporator 4. Angular support 5. Low pressure switch 6. Top panel 7. Throttling parts 8. Flow switch | 9. Heat exchanger 10. Left side panel 11. Electrical control box 12. Fan support 13. Fan and motor 14. Front panel 15. Control panel 16. Fan protective grill |
Installation
The heat pump is very easy to install, only water and power need to be connected during installation.
3.1 Location
The heat pump should be located at least 2.5 meter away from the swimming pool.
Please comply with the following rules concerning the choice of heat pump location.
- The unit’s future location must be easily accessible for convenient operation and maintenance.
- It must be installed on the ground, laid ideally on a level concrete floor. Ensure that the floor is sufficiently stable and can support the weight of the unit.
- Check that the unit is properly ventilated, that the air outlet is not facing the windows of neighboring buildings and that the exhaust air cannot return.
In addition, provide sufficient space around the unit for servicing and maintenance operations. - The unit must not be installed in an area exposed to oil, flammable gases, corrosive products, sulfurous compounds or close to high frequency equipment.
- To prevent mud splashes, do not install the unit near a road or track.
- To avoid causing nuisance to neighbors, make sure the unit is installed so that it is positioned towards the area that is least sensitive to noise.
- Keep the unit as much as possible out of the reach of children.
Place nothing less than 1,50 m in front of the heat pump.
Leave 30 cm of empty space around the sides and rear of the heat pump.
Do not leave any obstacle above or in front of the unit!
3.2 Installation layout
The filter located upstream of the heat pump must be regularly cleared so that the water in the system is clean, thus avoiding the operational problems associated with dirt or clogging in the filter.
3.3 Hydraulic connection
Step 1
Screw the connectors to the heat pump
Step 2
Connect the water outlet pipe and the water intake pipe
3.4 Electrical connection
The heat pump electrical plug integrates a 10mA differential circuit breaker.
Before connecting your heat pump, please ensure that the plug is connected to the ground.
The filter pump should function at the same time as the heat pump. Therefore, you need to connect them to the same electrical circuit.
Use
4.1 Control panel
| 1. ON/OFF | 2. Heating | 3. Malfunction | 4. Defrost | 5. Fan |
| 6. Water pump | 7. Compressor | 8. Setting | 9. + | 10. – |
4.2 Heating Mode
WARNING: Before starting, ensure that the filtration pump is operating correctly.
Step 1 : Press
to switch on your pump.
Step 2 : Using buttons
and
select the required temperature.
EXAMPLE:
If the current temperature is 15°C, default setting temperature is 27° required temperature is 30°C.
Useful information about how the heating mode operates
When the incoming water temperature is less than or equal to the required temperature (setpoint temperature) -X°C, the heat pump will switch to heating mode. The compressor will stop when the temperature of the incoming water is greater than or equal to the required temperature (setpoint temperature).
Indicators for adjustment range X and Y
X : adjustable parameter from 1° to 15°C, default setting is 3°C. (Parameter N°6)
4.3 Status values and advanced settings
WARNING: This operation is used to assist servicing and future repairs.
The default settings should only be modified by an experienced professional person.
The system’s settings can be checked and adjusted via the remote control by following these steps
Step 1 : Keep pressing
until you enter the settings verification mode.
Step 2 : Press
and
for see the parameters.
Step 3 : Press
to select the setting to be modified.
Note, some settings cannot be modified. Consult the settings table for further information.
Step 4 : Press
and
to adjust the setting value.
Step 5 : Press
to set the new value.
Step 6 : Press
to return to the main screen.
Parameters table
N° | Description | Adjustment range | Factory setting | Remarks |
0 | Reserved – Do not adjust | 8~37°C | 12°C | Reserved |
| 1 | Default temperature | 15~40°C | 27°C | Adjustable |
2 | Defrost auto-activation time | 10~90 min | 40 min | Adjustable |
| 3 | Defrost activation temperature | -30~0°C | 0°C | Adjustable |
4 | Defrost deactivation temperature | 1~30°C | 2°C | Adjustable |
| 5 | Maximum defrost duration | 10~40 min | 30 min | Adjustable |
6 | Adjustment of temperature difference for restart | 2~10°C | 3°C | Adjustable |
| 7 | Automatic restart | 0 = OFF 1 = ON | 1 | Adjustable |
8 | Reserved – Do not adjust | 0 / 1 / 2 | 0 | Reserved |
| 9 | Reserved – Do not adjust | 0 / 1 | 0 | Reserved |
A | Reserved – Do not adjust | 8~60°C | 30°C | Reserved |
| B | Antifreeze protection – low air temperature | 0~15°C | 8°C | Ajustable |
C | Antifreeze protection – low water temperature | 2~14°C | 4°C | Ajustable |
| D | Reserved – Do not adjust | – | – | Reserved |
E | Reserved – Do not adjust | 0 / 1 | 0 | Reserved |
| F | Reserved – Do not adjust | 3~20°C | 5°C | Reserved |
H | Reserved – Do not adjust | 5~20°C | 13°C | Reserved |
| J | Reserved – Do not adjust | 65~90°C | 70°C | Reserved |
o | Water intake temperature | -9~99°C | Actual data | |
| P | Water outlet temperature | -9~99°C | Actual data | |
t | Coil temperature | -9~99°C | Actual data | |
| U | Ambient air temperature | -9~99°C | Actual data |
Operation
5.1 Operation
Conditions of use
For the heat pump to operate normally, the ambient air temperature must be between 7°C and 43°C.
Recommendations prior to start-up
Before activating the heat pump, please:
Check that the unit is stable.
Control the proper functioning of your electrical installation.
Check that the hydraulic connections are tight and that there is no leakage of water.
Remove any unnecessary object or tool from around the unit.
Operation
- Connect the unit power plug.
- Activate the circulating pump.
- Activate the unit’s power supply protection (differential switch and circuit-breaker).
- Activate the heat pump by pressing once on
. - Select the required temperature.
- The heat pump’s compressor will start up after a few moments.
All you have to do now is wait until the required temperature is reached.
WARNING: Under normal conditions, a suitable heat pump can heat the water in a swimming pool by 1°C to 2°C per day. It is therefore quite normal to not feel any temperature difference in the system when the heat pump is working. A heated pool must be covered to avoid any loss of heat.
Maintenance and servicing
6.1 Maintenance, servicing and winter storage
WARNING: Before undertaking maintenance work on the unit, ensure that you have disconnected the electrical power supply.
Cleaning
The heat pump’s casing must be cleaned with a damp cloth. The use of detergents or other household products could damage the surface of the casing and affect its properties.
The evaporator at the rear of the heat pump must be carefully cleaned with a vacuum cleaner and soft brush attachment.
Annual maintenance
The following operations must be undertaken by a qualified person at least once a year.”
Carry out safety checks.
Check the integrity of the electrical wiring.
Check the earthing connections.
Monitor the state of the pressure gauge and the presence of refrigerant.
Winter storage
Your heat pump is designed to operate in rainy weather conditions and withstand frost using a specially created anti-frost technology. However it is not recommended to leave it outside for long periods of time (eg over winter). After draining down the pool for the winter, store the heat pump in a dry place.
Repairs
WARNING: Under normal conditions, a suitable heat pump can heat the water in a swimming pool by 1°C to 2°C per day. It is therefore quite normal to not feel any temperature difference in the system when the heat pump is working. A heated pool must be covered to avoid any loss of heat.
7.1 Breakdowns and faults
In the event of a problem, the heat pump’s screen displays a fault symbol
instead of temperature indications. Please consult the table below to find the possible causes of a fault and the actions to be taken.
| Code | Fault | Possible causes | Action |
| P1 | Water intake temperature sensor malfunction | Sensor badly connected | Reconnect sensor |
| Sensor defective | Replace sensor | ||
| Defective control panel | Replace control panel | ||
| P2 | Water outlet temperature sensor malfunction | Same causes as P1 | Same actions as P1 |
| P3 | Evaporator temperature sensor malfunction | ||
| P5 | External temperature sensor malfunction | ||
| P7 | Antifreeze protection | Protection activated when the ambient temperature is too low. | No intervention is necessary |
| E6 | Low pressure protection | Insufficient refrigerant | Readjust the quantity of refrigerant |
| Pressure switch disconnected or defective | Reconnect or replace pressure switch | ||
| Defective control panel | Replace control panel | ||
| E3 | Flow sensor malfunction | Insufficient water in heat exchanger | Check your water circuit operation |
| Defective water flow sensor | Replace water flow switch | ||
| Defective control panel | Replace control panel |
Recycling
8.1 Recycling the heat pump
Your heat pump has reached the end of its life and you wish to dispose of it or to replace it. Do not throw it in the rubbish bin.
A heat pump must be disposed of separately with a view to its reuse, recycling or upgrading. It contains substances that are potentially hazardous to the environment but which will be eliminated or neutralized by recycling.
YOU HAvE THREE SOLUTIONS:
Warranty
9.1 General warranty conditions
The Poolstar Company guarantees the original owner against defective materials and faults in the manufacture of the Poolex Nano Action heat pump for a period of two (2) years.
The compressor is guaranteed for a period of five (5) years.
The titanium tube heat exchanger has a period of fifteen (15) years guarantee against chemical corrosion, except for frost damage.
The condenser’s other components are guaranteed for two (2) years.
The warranty becomes effective on the date of the first invoice.
The warranty does not apply in the following cases:
- Malfunction or damage arising from an installation, usage or repair that is not in compliance with the safety instructions.
- Malfunction or damage arising from a chemical agent that is unsuitable for the pool.
- Malfunction or damage arising from conditions that are unsuitable for the equipment’s purposes of use.
- Damage arising from negligence, accident or force majeure.
- Malfunction or damage arising from the use of unauthorized accessories.
Repairs undertaken during the warranty period must be approved prior to being carried out by an authorized technician. The warranty shall be null and void if the repair to the equipment is carried out by a person who is not authorized by the Poolstar company.
The guaranteed parts shall be replaced or repaired at Poolstar’s discretion. Defective parts must be returned to our workshops to be covered during the warranty period. The warranty does not cover labor costs or unauthorized replacements. The return of the defective part is not covered by the warranty.
Dear Sir/Madam,
Please spend a few minutes filling in the warranty registration card that you will find on our website: http://support.poolex.fr/
We thank you for your trust in our products.
Enjoy your swimming!
Your details may be treated in accordance with the Data Protection Act of 6 January 1978 and will not be divulged to any third party.
WARNING:
The contractual warranty cannot be validated with the installer or Poolstar unless your product has been registered on our website.
A. Appendices
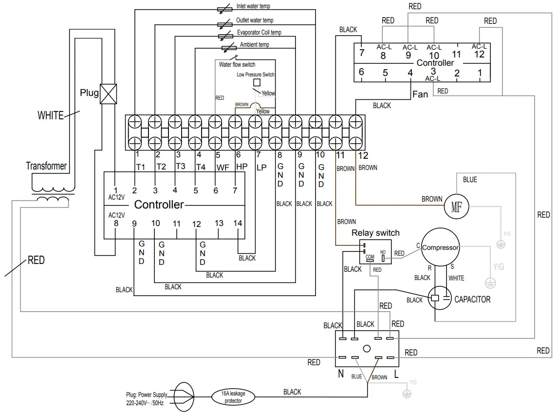
A.1 Wiring diagrams 
www.poolstar.fr
05/2018












