
Manual
SUN05/SUN08
SUN12

HEAT Sun Spring
Box content

Dimensions
SUN05 / SUN08

SUN12

Specifications
1.1 Performance data Sun Spring

| UNIT | SUN05 | SUN08 | |
| Advised Pool volume* | m3 | 12 | 25 |
| Operating air temperature | °C | 4 ~ 40 | |
| Air 27°C / Water 26°C / Humidity 80% | |||
| Heating Capacity | kW | 5,02 | 8,1 |
| Btu | 17129 | 27637 | |
| Consumed power | kW | 0,686 | 1,01 |
| COP | 7,31 | 7,96 | |
| Air 15°C / Water 26°C / Humidity 70% | |||
| Heating Capacity | kW | 3,64 | 5,8 |
| Btu | 12420 | 19790 | |
| Consumed power | kW | 0,639 | 0,972 |
| COP | 5,69 | 5,97 | |
| Power supply | 230V / 50Hz / 1 Phase | ||
| Electronic Controller | Colour LCD | ||
| Nominal Running current | A | 3,1 | 5,1 |
| Max Current | A | 5 | 7 |
| RCD – Rated current | A | 10 EU/UK/SWISS | 10 EU/UK/SWISS |
| RCD – Leakage current | mA | 30 | |
| Condensor | Titanium Heat Exchanger / NoFrost | ||
| Compressor quantity | 1 | 1 | |
| Compressor type | Rotary | Rotary | |
| Refrigerant | R32 | ||
| Refrigerant weight | kg | 0,45 | 0,74 |
| Fan quantity | 1 | 1 | |
| Fan power input | W | 70 | 80 |
| Fan rotary speed | RPM | 950 | 1200 |
| Fan direction | Vertical | ||
| Noise at 10m | dB(A) | 44,2 | 43,8 |
| Water connection | mm | 38 | 38 |
| Water flow range | m3/h | 3 – 12 | 4 – 12 |
| Unit net dimensions (L*W*H) | mm | See dimensions on p3 | |
| Unit shipping dimensions (L*W*H) | mm | 470x490x550 | |
| Net weight | kg | 24,7 | 32 |
| Shipping weight | kg | 25,7 | 33 |

| UNIT | SUN12 | |
| Advised Pool volume* | m3 | 38 |
| Operating air temperature | °C | 4 ~ 40 |
| Air 27°C / Water 26°C / Humidity 80% | ||
| Heating Capacity | kW | 12,2 |
| Btu | 41628 | |
| Consumed power | kW | 2,068 |
| COP | 5,9 | |
| Air 15°C / Water 26°C / Humidity 70% | ||
| Heating Capacity | kW | 9 |
| Btu | 30709 | |
| Consumed power | kW | 1,837 |
| COP | 4,9 | |
| Power supply | 230V / 50Hz / 1 Phase | |
| Electronic Controller | Colour LCD | |
| Nominal Running current | A | 9 |
| Max Current | A | 12 |
| RCD – Rated current | A | 16 EU/SWISS & 13 UK |
| RCD – Leakage current | mA | 30 |
| Condensor | Titanium Heat Exchanger / NoFrost | |
| Compressor quantity | 1 | |
| Compressor type | Rotary | |
| Refrigerant | R32 | |
| Refrigerant weight | kg | 0,95 |
| Fan quantity | 1 | |
| Fan power input | W | 80 |
| Fan rotary speed | RPM | 1200 |
| Fan direction | Vertical | |
| Noise at 10m | dB(A) | 44,7 |
| Water connection | mm | 38 |
| Water flow range | m3/h | 5 – 12 |
| Unit net dimensions (L*W*H) | mm | See dimensions on p3 |
| Unit shipping dimensions (L*W*H) | mm | 470x490x770 |
| Net weight | kg | 45,7 |
| Shipping weight | kg | 46,7 |
Preface
In order to provide our customers with high quality and reliability, this product has been made to strict production standards. This manual includes all the necessary information about installation, debugging, discharging, and maintenance. Please read this manual carefully before you open or maintain the unit. The manufacturer of this product can not be held responsible if someone is injured or the unit is damaged, as a result of improper installation or maintenance. It is vital that the instructions within this manual are adhered to at all times. The unit must be installed by a qualified person.
The heat pump will always perform very well, provided the following elements are present

Safety information
Please read these instructions carefully before using the heat pump and keep them for future reference:
- Always keep the unit upright. If the unit has been tilted or put on its side, wait for 24h before starting the heat pump.
- Put the unit on an fl at, a solid base. Tilting the heat pump to a max of 3° is accepted.
- Do not drop the heat pump.
- The heat pump must always be installed outdoors.
- Check if the voltage indicated on the heat pump corresponds to the local mains voltage before you connect the unit. Please find more information about the electrical connection in section 4.4
- Do not pull any electrical cable, sensor or tubing with unnecessary force.
- Do not wrap any cable around the heat pump.
- Do not use the heat pump in combination with a transformer.
- If the heat pump is damaged during transportation, it must be replaced, please contact your service center or similarly qualified persons in order to avoid a hazard.
- Always make sure the water connections of the heat pump are properly locked before you start using the machine.
- Never insert objects directly into the fan, as this will cause it to become blocked and damaged.
- The evaporator fi ns must not be damaged.
- This heat pump is not intended for use by persons with reduced physical, sensory or mental capabilities, or lack of experience and knowledge unless they have been given supervision or instruction concerning the use of the heat pump by a person responsible for their safety.
- Children should always be supervised to ensure that they do not play with the heat pump.
- Disconnect electricity when the heat pump is not in use and before cleaning.
- The heat pump should be serviced only by a qualified service person. Contact your nearest authorized service facility for examination, repair or adjustment.
- If the supply cord is damaged, it must be replaced by the manufacturer or your service agent, or a similarly qualified person in order to avoid a hazard.
- Please contact your dealer if your swimming pool heat pump is not working properly. There might be a leakage when the heat pump does not heat the swimming pool water. The R32 refrigerant gas is safe when there is a leakage although fire can occur when a flame, heating device, or stove gets in contact with the gas. Stop using
your swimming pool heat pump until a qualified service technician has confirmed that the leak has been repaired. - Make sure that there is a circuit breaker for the unit, lack of a circuit breaker can lead to electrical shock or fire.
- The heat pump is equipped with an overload protection system. It does not allow for the unit to start for at At least 3 minutes after a previous stoppage.
- The condensed water is not suitable for a potable water connection.
Preparing the heat pump for use
4.1 Typical set-up
4.1 Typical set-up
The factory provides the heat pump and connection kit. Other parts, including a contingent by-pass, must be provided by the user or installer. The heat pump should be located 2m (recommended) away from the swimming pool. The longer the distance from the pool, the greater the heat loss from the piping. The factory provides the heat pump and connection kit. Other parts, including a contingent by-pass, must be provided by the user or installer. The heat pump should be located 2m (recommended) away from the swimming pool. The longer the distance from the pool, the greater the heat loss from the piping.
Put the heat pump on an fl at, a solid base. Tilting the heat pump to a max 3° is allowed. Install silent blocks in order to avoid vibrations and noise.
All feeding of water treatment to the pool water has to be done downstream of the heat pump(2).
It is normal for the condensed water to come out of the heat pump. This is not a leak or fault with the unit. If the humidity is very high, the condensed water could be a number of liters a day. Please find more information about condensation in section 5.2.
Always keep the heat pump in an upright position. If the unit has been tilted, then wait for 24h before starting the heat pump.
It is recommended to install a by-pass for easy maintenance.
4.2 Water connection kit
The factory provides the water connecting kit. This kit consists of 6 parts, with parts 1 and 2 as the main parts. Parts 3 to 6 can be swapped so that the connection can be made according to the specific requirements of the pool. So in total, there are 4 possible options for connecting the water pipes, as shown below.

- Custom thread to connect part 2
- Custom thread to connect parts 1 & BSP G1 1/2” straight external pipe thread
- Hose connection diameter 38mm & diameter 32mm
- BSP G 1 1/2” straight internal pipe thread
- The diameter connection tube 50mm (metric)
- The diameter connection tube 48mm (imperial)

4.3 Installation of the tubing
The heat pump should be located 2m (recommended) away from the swimming pool. The longer the distance from the pool, the greater the heat loss from the piping. The piping to and from the heat pump needs to fit the chosen connections. The pipes can be glued, clamped or screwed onto these water connections and can be made out of hard or flexible PVC. Always install piping intended for swimming pool use and use the correct glue to put them together.

4.4 Electrical wiring
Always check if the voltage from the network corresponds with the operating voltage of the unit. Your typical swimming pool configuration can be controlled using a timer. Please contact your service center or similarly qualified persons to change the RCD into a standard electrical plug. A timer can be put in between the heat pump AND pool circulation pump once a standard electrical plug is installed. Using a timer; The heat pump and pool circulation pump will start up automatically as soon as power is broken and restored. The heat pump remembers its last status and starts up with the last remembered settings.
Although the heat pump is electrically isolated from the rest of the pool equipment, this only prevents the passage of electricity to or from the pool water. Grounding the unit is still required to protect yourself from short circuits inside the unit. Provide an adequate ground connection.
Test the RCD before usage as follows:
- Plug the RCD into a fi fixed socket
- Press the “RESET” button. The indicator should be “ON”.
- Press the “TEST” button. The indicator should be “OFF”.
- Press the “RESET” button again to start using the heat pump

You should always switch off the heat pump immediately when the RCD indicator is turned “OFF”. Be extremely careful when pressing “RESET” after a failure because there might still be a problem.
The controller of the Sun Spring heat pump has a memory so that the settings are retained even if the power is switched off and on. This makes it possible to operate the heat pump with a timer. The timer must be installed between the heat pump and the RCD plug, see picture. The installation must be carried out by a certified electrical installer in order to guarantee quality and safe operation.
Be aware of
5.1 Heat loss
The longer the distance from the pool, the greater the heat loss from the tubing. It is therefore recommended to place the pump as close to the pool as possible.
Several days will be needed to bring the temperature of the swimming pool water to its desired water temperature, depending on the initial water temperature, ambient, and pool volume.
A good pool cover and insulation of the tubing to and from the swimming pool and heat pump can reduce the warming up time considerably.
5.2 Condensation
As the heat pump cools down the air to about 10°C, water may condense on the fins of the evaporator. If the relative humidity is very high, this could be as much as several liters an hour. The water will run down the fi ns into the base pan and drain out through the hole at the bottom of the heat pump. Sometimes this condensation water is wrongly considered as swimming pool water. If desired the heat pump can be fitted with a clear vinyl tube, to divert the condensation water away from the heat pump.
TIP:
A quick way to verify that the water is condensation is to shut off the unit and keep the pool pump running. If the water stops running out of the base pan, it is condensation. AN EVEN QUICKER WAY IS TO TEST THE DRAIN WATER FOR CHLORINE – if there is no chlorine present, then it’s condensation.
Check regularly that the drainage is not clogged and that no condensation water remains in the heat pump.
5.3 Unobstructed space
A free area around the heat pump has to be kept clear from any object to get fresh air across the evaporator. Do not obstruct the fan.

5.4 Time delay of compressor
The heat pump is equipped with a 3-minute built-in solid-state restart delay once the compressor is turned off and a 1-minute built-in solid-state compressor running time. Both to protect control circuit components and to eliminate restart cycling and contactor chatter. This time delay will automatically restart the unit approximately 3 minutes after each control circuit interruption or after a compressor running period of 1 minute. Even a brief power interruption will activate the solid-state 3-minute restart delay and prevent the unit from starting until the 3-minute countdown is completed. Alarms or errors during time delay have no influence. Power interruptions during the delay period will cause a restart of the time delay.
Operation and Use
6.1 Before operation
The desired temperature can directly be set with the arrow keys. The setting will automatically be stored in memory. A choice can be made between °C and °F as follows:
- Enter the parameter menu by pushing the up and down buttons simultaneously.
- Go to the Fahrenheit parameter (P02) by pressing the up/down buttons.
- Press the on/off button to enter the parameter setting mode.
- Adjust the parameter to the desired value. When the parameter is set to 1, all temperatures should be at °F instead of °C.
- Press the on/off button to leave the parameter setting mode.
- Exit the parameter menu by pushing the up and down buttons simultaneously.
6.2 Initial startup
The following steps need to be taken at startup (after verification that all the connections are made to the according to specifications:
- Turn on the filter pump. Check for possible water leakage and water flow to and from the swimming pool.
- Put the power plug into the outlet and switch the heat pump ON. The unit will start after the time delay (see 5.4).
- Verify after a few minutes that the air exhausted by the heat pump is becoming cooler.
- Allow the unit and pool pump to run 24 hours per day until desired pool water temperature of +0,5°C is reached. When the set temperature is reached, the unit shuts off. The unit will automatically restart when the pool temperature drops 0,5°C below the set temperature.
6.3 General interface
The heat pump can be turned on or off with the ON/OFF button.
- When OFF the display is showing the following information:
– The indication ‘OFF’ at the location of the pool water temperature
– The temperature wanted for heating
– Eventual error messages - When ON the display is showing the following information:
– The temperature wanted for heating
– The pool water temperature
– The indication ‘Heating’ when the unit is heating the water
– A graphical representation of the water flow: the fl ow bar
The heat pumps have it best performance when the flow bar is in the green zone. The graph is only valid after at least 15 minutes of operation, as the operation of the pump takes some time to reach its optimum working balance.
The flow bar is a graphical representation of the water volume through the unit.

6.4 Parameter interface
By pressing UP & DOWN simultaneously the parameter interface we’ll be entered. Here all the parameters are shown and can be set by a qualified person in order to make the heat pump more efficient, depending on the specific conditions of the swimming pool. A complete list of parameters can be found in the parameters list, section 6.5.

6.5 Parameter list
| Parameter | Name | Min. | Max. | Factory | Description | PSWD |
| P1 | SW_VERSION | / | / | / | Software version | / |
| P2 | FAHRENHEIT | 0 | 1 | 0 | 0 is °C, 1 is °F | / |
| P3 | PSWD_1 | 0,0 | 999,0 | 0,0 | Password 1 | / |
| P4 | PSWD_2 | 0,0 | 999,0 | 0,0 | Password 2 | / |
| P5 | / | / | / | 40,0 | / | PPS PASSWORD |
| P6 | / | / | / | 4,0 | / | PPS PASSWORD |
| P7 | / | / | / | 2,5 | / | PPS PASSWORD |
| P8 | / | / | / | 10,0 | / | PPS PASSWORD |
| P9 | / | / | / | 0,5 | / | PPS PASSWORD |
| P10 | / | / | / | 10,0 | / | PPS PASSWORD |
| P11 | / | / | / | 5,0 | / | PPS PASSWORD |
| P12* | / | / | / | 100 | / | PPS PASSWORD |
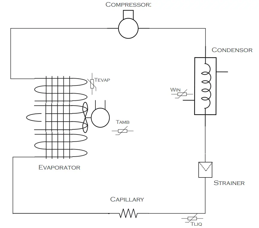
| TA | Ambient temperature | / | / | / | Value of the ambient temperature. | / |
| TIN | Water in temperature | / | / | / | Value of the water inlet temperature. | / |
| TLI | Liquid line temperature | / | / | / | Value of the gas temperature after the heat exchanger | / |
| TE | Evaporator temperature | / | / | / | Value of the evaporator temperature. | / |
* Only valid starting from software 3 (P1=minimum 3)
SET on the display highlights in the parameter menu when the parameters can be changed.
6.6 Error interface
When an issue is detected the heat pump will try to solve it by analyzing several parameters, restarting components, and bypassing electronics. An error is shown on the display when the program can not solve the issue.
The heat pump will stop working and can only be restarted by unplugging the RCD. If the pump still shows the error after that, please contact your service center or a similarly qualified person.
6.7 Error parameter interface
By pressing UP & DOWN simultaneously the Error parameter interface we’ll be entered. Here it is shown which specifi c errors have occurred. A complete list of errors can be found in the error list, section 6.8.
6.8 Error list
| Error name | Error parameter interface | Description | Effect / action |
| Ambient temperature error | ![]() | -The ambient temperature sensor is broken or disconnected. – E01 Total number of errors in the system(Min E01 max E04). | The heat pump will stop working and can only be restarted by unplugging the RCD. If the pump still shows the error after that, please contact your service center or a similarly qualified person. |
| Condensor water inlet temperature error | ![]() | – The evaporator temperature sensor is broken or disconnected. – E01 Total number of errors in the system(Min E01 max E04). | The heat pump will stop working and can only be restarted by unplugging the RCD. If the pump still shows the error after that, please contact your service center or a similarly qualified person. |
| Liquid line temperature error | ![]() | -The water inlet temperature sensor is broken or disconnected. – E01 Total number of errors in the system(Min E01 max E04). | The heat pump will stop working and can only be restarted by unplugging the RCD. If the pump still shows the error after that, please contact your service center or a similarly qualified person. |
| Evaporator temperature error | ![]() | -The liquid line temperature sensor is broken or disconnected. – E01 Total number of errors in the system(Min E01 max E04). | The heat pump will stop working and can only be restarted by unplugging the RCD. If the pump still shows the error after that, please contact your service center or a similarly qualified person. |
6.9 Troubleshooting guide
Improper installation will create an electrical hazard, which could result in death or serious injury to pool users, installers, or others due to electrical shock, and may also cause damage to property.
| Problem | Cause | Solution |
| Heat pump not running | 1. No electricity | 1. Switch on the electrical power |
| 2. Unit not turned on | 2. Switch on the heat pump | |
| 3. Wrong temperature setting | 3. Adjust the temperature setting | |
| 4. Time delay still activated | 4. Wait 3 min for the unit to start | |
| 5. Air temperature below 4°C | 5. Wait until the temperature has risen | |
| 6. Other | 6. See ‘error messages’ | |
| Insufficient heating | 1. Obstacles blocking airflow | 1. Remove obstacles |
| 2. Ice on the evaporator | 2. Pump will try to defrost itself |
DO NOT attempt to make any adjustments inside the heater.
Keep your hands and hair clear of the fan blades to avoid injury.
If you are not familiar with the pool filtering system and heater:
– Do not attempt to adjust or service without consulting your dealer, professional pool, or air conditioning contractor.
– Read the entire installation and users guide before attempting to use, service, or adjust the heater or pool filtering system
– Do not start the heat pump until 24 hours after installation to avoid damaging the compressor.
Turn off power to the unit prior to attempting service or repair.
Wiring diagrams
7.1 Wire control interface diagram Sun Spring

7.2 Piping diagram and definition Sun Spring

Maintenance and Inspection
– Check the water inlet and drainage often. The water and air inflow into the system should be sufficient so that its performance and reliability do not get compromised. You should clean the pool filter regularly to avoid damage to the unit caused by clogging of the filter.
– The area around the unit should be spacious and well ventilated as shown in section 5.3. Clean the sides of the heat pump regularly to maintain good heat exchange and to save energy.
– Check if all processes in the unit are operational.
– Check the power supply and cable connections regularly. Should the unit begin to function abnormally or should you notice a smell from an electrical component, arrange for timely repair or replacement.
– You should also purge the water if the unit will not work for an extended period of time. You should check all parts of the unit thoroughly and completely fill the system with water before turning it on again afterward.
If your heat pump has been stored for a long time, perform the following steps when re-starting the system:
- Inspect the system for any debris or damage to the case.
- Clean the evaporator fi ns with a soft cloth if necessary. Make sure the evaporator fi ns are clean. Blocking the air intake will cause insufficient operation and will result in lower production of heat.
- Check the fan for blockages.
- Connect the water inlet and outlet.
- Turn on the pool water circulation pump to start the water flow to the heat pump.
- Restore electrical power to the heat pump and press the reset button on the RCD.
8.1 Water chemistry
Special care should be taken to keep the chemical balance of your swimming pool within the following limits:
| Min. | Max. | |
| pH | 7,0 | 7,8 |
| Free chlorine (mg/l) | 0,5 | 1,5 |
| Salt (g/l) | 8 |
Failure to keep the swimming pool water between the above-mentioned limits will void the warranty.
When the concentration of one or more products mentioned above becomes too high, irrevocable damage to your heat pump may occur. Make sure that you always install water treatment equipment after the heat pump. When an automatic chemical feeder is installed in the plumbing, it must be installed downstream of the heat pump.
Winterizing
Winterizing option 1 – Indoor storage
We recommend storing Sun Spring heat pumps in a garage or shed for winter. Perform the following actions to completely drain the heat pump:
– Turn off the electrical power to the heat pump at the main breaker panel.
– Shut off the water supply to the heat pump.
– Disconnect the water inlet and outlet and let the water drain from the heat pump.
Winterizing option 2 – Outdoor storage
Although our Sun Spring heat pumps are protected against freezing, it is good practice to drain the complete installation. You also need a breathable cover to prevent trapping moisture and condensation. Which could cause rusting of your unit.
Perform the following actions to completely drain the heat pump:
– Turn off the electrical power to the heat pump at the main breaker panel.
– Shut off the water supply to the heat pump.
– Disconnect the water inlet and outlet and let the water drain from the heat pump.
– Re-connect the water inlet and outlet loosely to prevent debris from entering the connections.
Failure to winterize could cause damage to the heat pump and will void the warranty.
9.1 Spring startup
If your heat pump has been winterized, perform the following steps when starting the system in the spring:
– Inspect the system for any debris or structural problems.
– Connect the water inlet and outlet unions firmly.
– Turn on the filter pump to supply water to the heat pump.
– Restore electrical power to the heat pump and switch it ON.
Environment
This heat pump should not be put into the domestic waste at the end of its useful life but must be disposed at a central point for the recycling of electrical and electronic domestic applications. By doing this you will help to preserve the environment
Service
If you need service or information or if you have a problem, please contact your local dealer. If needed they will contact the manufacturer to solve your problem.
They are gladly willing to assist you!
You can find more information at www.duratech.be
Warranty
LIMITED WARRANTY
We warrant all parts to be free from manufacturing defects in materials and workmanship for a period of TWO years from the date of retail purchase. This warranty is limited to the first retail purchaser, is not transferable, and does not apply to products that have been moved from their original installation sites. The liability of the manufacturer shall not exceed the repair or replacement of defective parts and does not include any costs for labor to remove and reinstall the defective part, transportation to or from the factory,
and any other materials required to make the repair. This warranty does not cover failures or malfunctions resulting from the following:
- Failure to properly install, operate or maintain the product in accordance with our published “Installation & Instruction Manual” provided with the product.
- The workmanship of any installer of the product.
- Not maintaining a proper chemical balance in your pool [pH level between 7,0 and 7,8. Total Alkalinity (TA) is between 80 to 150 ppm. Free Chlorine between 0,5 – 1,2mg/l. Total Dissolved Solids (TDS) less than 1200 ppm. Salt maximum 8g/l]
- Abuse, alteration, accident, fire, flood, lightning, rodents, insects, negligence or acts of Gods.
- Scaling, freezing or other conditions causing inadequate water circulation.
- Operating the product at water flow rates outside the published minimum and maximum specifications.
- Use of non-factory authorized parts or accessories in conjunction with the product.
- Chemical contamination of combustion air or improper use of sanitizing chemicals, such as introducing sanitizing chemicals upstream of the heater and cleaner hose or through the skimmer.
- Overheating, incorrect wire runs, improper electrical supply, collateral damage caused by failure of O-rings, DE grids or cartridge elements, or damage caused by running the pump with insufficient quantities of water.
LIMITATION OF LIABILITY
This is the only warranty given by the Manufacturer. No one is authorized to make any other warranties on our behalf.
THIS WARRANTY IS IN LIEU OF ALL OTHER WARRANTIES, EXPRESSED OR IMPLIED, INCLUDING BUT NOT LIMITED TO ANY IMPLIED WARRANTY OF FITNESS FOR A PARTICULAR PURPOSE AND MERCHANTABILITY. WE EXPRESSLY DISCLAIM AND EXCLUDE ANY LIABILITY FOR CONSEQUENTIAL, INCIDENTAL, INDIRECT OR PUNITIVE DAMAGES FOR BREACH OF ANY EXPRESSED OR IMPLIED WARRANTY.
This warranty gives you specific legal rights, which may vary, by country.
WARRANTY CLAIMS
For prompt warranty consideration, contact your dealer and provide the following information: proof of purchase, model number, serial number and date of installation. The installer will contact the factory for instructions regarding the claim and to determine the location of the nearest service center.
All returned parts must have a Return Material Authorization number to be evaluated under the terms of this warranty.

Declaration of Conformity
Declarations of conformity covering this product are available for download from the House of Duratech website: www.duratech.be
Contact details
Propulsion Systems bv
Dooren 72
1785 Merchtem, Belgium
Tel +32 2 461 02 53
www.duratech.be
[email protected]




















