
Washing Machine
Instruction Manual

Model No. MWM710FL
MWM710FL-F
Safety Instructions
Your safety is of the utmost importance to our company. Please make sure that you read this instruction booklet before attempting to install or use the appliance. If you are unsure of any of the information contained in this booklet, please contact the Consumer service support hotline.
WARNING
Read and understand thoroughly these safety instructions before use. The items indicated here are very important safety precautions, which must be followed. We cannot be held liable for damage caused by non-compliance with the warning and safety instructions or resulting from incorrect use or operation.
Cleaning and user maintenance shall not be made by children without supervision. Children of less than 3 years should be kept away unless continuously supervised. The new hose-sets supplied with the appliance are to be used and the old hose sets should not be reused.
This appliance is not intended for use by persons (including children) with reduced physical, sensory or mental capabilities, or lack of experience and knowledge unless they have been given supervision or instruction concerning the use of the appliance by a person responsible for their safety. Children should be supervised to ensure that they do not play with the appliance. This appliance can be used by children aged 8 years and above and persons with reduced physical, sensory or mental capabilities or lack of knowledge if they have been given supervision or instruction concerning the use of the appliance in a safe way and understand the hazards involved. Children shall not play with the appliance. Cleaning and user maintenance shall not be made by children without supervision.
This appliance is intended to be used in household and similar applications such as:
- staff kitchen areas in shops, offices, and other working environments;
- farmhouses; -by clients in hotels, motels, and other residential type environments;
- bed and breakfasts type environments;
- areas for communal use in blocks of flats or in launderettes.
For washing machines having ventilation openings on the base, the washing machines cannot be washed on the carpet.
Before setting the washing machine, check it for any externally visible damage. Do not install or use a damaged washing machine. Before connecting the washing machine, ensure that the connection data on the plate(voltage and current)match the electricity supply. If in any doubt, consult a qualified electrician.
The electrical safety of this washing machine can only be guaranteed when continuity is complete between it and an effective earthing system that complies with current local and national safety regulations. It is most important that this basic safety requirement is present and regularly tested, and where there is any doubt the household wiring system should be inspected by a qualified electrician. The manufacturer cannot be held liable for the consequences of an inadequate earthing system. Do not connect the washing machine to the mains electricity supply by an extension lead. Extension leads do not guarantee the required safety of the appliance.

Unauthorized repairs could result in unforeseen dangers for the user, for which the manufacturer can not accept liability. Repairs should only be undertaken by an approved service technician. Ensure current is not supplied to the machine until after maintenance or repair work has been carried out.
If the connection cable is damaged or broken, it must only be replaced by an approved service technician to protect the user from danger. Faulty components must only be replaced by genuine manufacturer original spare parts. Only when these parts are fitted the safety standards of the machine can be guaranteed.
Note
THIS WASHING MACHINE MUST BE EARTHED.
Correct use
- To avoid the risk of personal injury or damage to the washing machine, do not install it in a place where it is damp and where it suffers from rainfall.
- Do not install the washing machine in a place where it suffers from the sun directly, in which plastic or components will be damaged. It will be shortened the life of your washing machine.
- Do not install the washing machine in a place where temperatures below freezing may occur. Frozen hoses may burst or split. The reliability of the electronic control unit may be impaired at temperatures below the freezing point.

- Do not shoot the washing machine with water when you clean it.
- Keep the washing machine away from fire or heat sources.
- Before using the washing machine for the first time, make sure that the transit bolts at the rear of the machine have been removed. During spinning, transit bolts that are still in place may result in damage to both the machine and adjacent furniture or appliances.
- Turn off the tap if the machine is to be left for any length of time (e.g. holiday), especially if there is no floor drain (gully) in the immediate vicinity.
- Take care to ensure that foreign objects (e.g. nails, pins, coins, paper clips) do not find their way into th emachine with the laundry. These may damage components of the machine (e.g. drum), which in turn can result in damage to the laundry.
- Do not wash water-repellent things(e.g. raincoats) with a washing machine.
- Only remove laundry from the washing machine once the drum has stopped turning. Reaching into a moving drum is extremely dangerous and could result in injury.
Safety with children
- Keep children away from the washing machine at all times. To avoid the risk of injury do not allow children to play on or near it or to play with its controls. Supervise children whilst you are using it.
- Older children may only use the washing machine if its operation has been clearly explained to them and they are able to use it safely, recognizing the dangers of misuse.
- For machines with a ‘porthole’ door, remember that the porthole glass will be hot when washing at very high temperatures. Do not let children touch it.

Parts and Features
Before Use

Note
Unscrew the drain pump filter to let the water run out when the machine is not used for a long time.

Note
The drawing of the machine in the manual is only used for instruction. It may vary in the mode you buy.
Installation
Backout packing
- Remove all the packing(including the foam base) or the vibration and noise may occur.
- Dispose of all the wrappage safety and keep them out of the reach of children. The danger of suffocation!
- It is normal that water drops appear on the packing plastic bag and the door glass, which are resulted from the water left in the tub for checking out.

Accessories
Make sure that you have received all of the items shown below.
Accessories | Name | Qty. | Accessories | Name | Qty. |
| Inlet hose | 1 | “U” piece | 1 | ||
| transit bolts caps | 4 | Manual | 1 |
Removing transit bolts
- Remove all the transit bolts at the back of the machine with tools.
- Plug the holes with the transit bolt caps supplied.

Note
Strong vibration, noise, or failures may occur if the transit bolts are not removed.
- Keep the transit bolts for future transportation. Whenever the machine is transported, the transit bolts must be refitted.
Installation place requirement
- A concrete floor is the most suitable installation surface for a washing machine, being far less prone to vibration during the spin cycle than wooden floorboards or carpeted surfaces.
- The machine must be level and securely positioned. The distance between the machine and the wall must be more than 10 cm.
- To avoid vibrations during spinning. the machine should not be installed on soft floor coverings.

Level adjustment
The machine must stand perfectly level on all four feet to ensure safe and proper operation. Incorrect installation may cause vibrations and noise and may cause the machine to move about.
To do these when the machine is not level:
- Using the spanner turn locknut in a clockwise direction. Then turn locknuts together with adjustable feet to unscrew.
- Hold adjust feet securely with a pipe wrench. Turn the locknut again using the spanner until it sits firmly up against the housing.

Note
Vibration and noise may occur if the locknuts do not sit firmly up against the houses.
Drain hose connection
- Direct into a sink
If the outlet spigot has not been used before, remove any blanking plug that may be in place.
Push the drain hose onto the spigot and secure it with a clip if required, ensure a loop is formed in the drain hose to prevent waste from the sink from entering the washing machine.
If required, the drain hose can be extended to a length of 4 m.
- Connected securely to a standpipe
Firstly form a hook at the end of the drain hose using the “U” piece supplied.
Place the drain hose into your standpipe, which should have an internal diameter of approximately 30mm thus ensuring there is an air break between the drain hose and standpipe.
When discharging into a standpipe ensure that the top of the standpipe is no more than 90cm and no less than 60cm above floor level.
Water inlet connection
Connect the inlet hose supplied with the machine to a tap with a 3/4″ thread.
Do not use previously employed hoses.
Installation should comply with local water authority and building regulations ‘ requirements.

When there is an inlet valve at the back of the machine, it must be connected to a cold water supply. If there are two inlet valves, one is connected to a cold water supply and the other is connected to a hot water supply. Follow the indication of the picture below to complete the connection.

Control Panel

Digital display: This icon shows the time, speed, rinse times, and Error codes.
Display
The display shows the current settings, options, or relevant information.
8:88 | The digital display can show: Programme duration (e.g.1:20)
|
| Delay time: the light under this icon will be lighting once the display shows the delay time. | |
| Door lock: the light under this icon will be lighting when the door lock is working. | |
| Child lock: the light under this icon will be lighting once the child lock function is selected. | |
| Washing phase: the light above this icon will flicker during the washing phase. | |
| Rinse phase: the light above this icon will flicker during the rinse phase. | |
| Spin and drain phase: the light above this icon will flicker during the spin and drain phase. |
Buttons
The following is the instruction for the buttons and their setting options.
- Power (
)
Press this button to turn the machine on or off. - Start/pause (
)
Press this button to start or pause a wash cycle. To reload the laundry during a wash cycle, press this button for 3 seconds, and the machine will drain if the water level is too high. The reload function is unavailable if the temperature of the water is too high. - Speed
Press this button repeatedly to change the spin speed. - Temp
Press this button repeatedly to change the wash temperature. - Rinse+
Press this button repeatedly to change the rinse times. - Delay
Press this button repeatedly to change the delay time. - Program
Press this button repeatedly to choose a different program. - Child lock (“Program”+“Speed”)
When the machine starts, press the “ Program ” and “ Speed ” buttons at the same time for a few seconds and the light under the icon “
” is lighting, then the function
works. Press the same buttons for a few seconds to cancel this function.
When the function works, all buttons are not available.
Note
For your safety, Do not press the “
” button and get out your clothes while the machine is running. Because the temperature of the water may be high and it may scald you. The door lock will open automatically at the end of a wash cycle while the temperature of the drum is cooling down.
Programs
Options and functions for programs
Program | Max.Load | Max Temp (℃) | Max Spin Speed(rpm) | Type of Wash and Recommendations | Washing Symbol |
| Mixed | 4 | 60 | 1200 | Lightly to normally soiled robust laundry made of cotton, linen, artificial fibers, and their blends. Only wash similar colors together in one wash load. | ![]() |
| Super Quick | 2 | 1200 | Small loads of items that require freshening up and which can be washed in a Cotton program. | ![]() | |
| 20℃ | 7 | 20 | 1200 | Cotton, linens, or cotton mix fabrics | ![]() |
| Eco 40-60 | 7 | 60 | 1200 | Normally soiled cotton laundry. Most favorable program in terms of combined water and energy consumption. The basis for the values indicated on the Energy Label. | ![]()
|
| Anti-Allergy | 4 | 90 | 1000 | This program may help with sterilization and disinfection. | ![]() |
| Synthetics | 3.5 | 60 | 1200 | Synthetic or mixed fabrics, underwear, colored garments, non-shrink z-shirts | ![]() |
| Delicates/Silk | 2 | 40 | 600 | Fine laundry made of delicate fabrics or silk, which needs gentle treatment | ![]() |
| Drum Clean | 0 | 90 | 600 | This program is used to clean the drum. Do not put any clothes into the drum while running this program. | |
| Rinse+Spin | 1200 | This program can be used for rinsing garments. Do not add any detergent. | |||
| Spin | 1200 | Separate spin for cotton and linen items. |
How to use a washer
Before washing clothes for the first time, you must run a complete cycle without clothes. To do these:
- Connect the power and turn on the tap.
- Press the button “
” to turn on the machine and choose the program “ 20℃ - Press the button “Start/Pause”.
It can remove the water which is left in the tub because of the manufacturer’s checking out.
Washing preparation
- Connect the inlet hose well and turn on the tap.
- After making sure the power socket is grounded reliably, insert the power plug into the power socket.
- Place the drain hose well.
Preparation of clothes
- Sort the laundry by color and by the care label. Most garments have a textile care label on the collar or side seam.

- Make sure all the pockets are empty, Foreign objects (e.g. nails, coins, paper clips, etc.) can cause damage to garments and components in the machine.
- Close any zips, fasten hooks and eyes, etc before washing.

- Dark textiles often contain excess dye and should be washed separately several times before being included in a mixed load. Always wash whites and coloreds separately.
- Badly soiled areas, stains, etc. should be pre-treated with liquid detergent, stain removers, etc.
- Turn over the clothes that pill easily and with the woolen surface before putting them into the machine.
Put clothes into the washer
Unfold the laundry and load it loosely in the drum. Mixing both large and small items gives better wash results and also helps distribute the load evenly during spinning. The most efficient use of energy and water is achieved when a full load is washed. However, do not overload as this causes creases and reduces cleaning efficiency.

Note
Make sure that no garments are nipped between the door and the seal.
Using the detergent drawer
- Open the drawer and add adequate detergent into the main wash compartment marked “
. - Add the fabric softener into the compartment marked
Do not exceed the maximum level mark. - Close the drawer.
The right amount to dispenser will depend on the following:
- The quantity of laundry
- The soiling level of the laundry – Lightly soiled
No visible dirt or stains. Possibly slight body odor. – Normally soiled
Visibly dirty and/or just a few slight stains. – Heavily soiled - Visible dirt and stains and/or dried on soiling. The water hardness level.

Note
It is recommended to use low foaming powder for all washing temperature programs.
Washing steps
- Turn on the water tap, and connect the power.
- Open the door, and put the cloth into the drum one by one.
- Close the door, and put a suitable amount of detergent and fabric softener into the dispenser, then close the drawer.
- Choose a program you need.
- Press “ Start/Pause” button to start the washing machine.
- When the cycle is finished, there is a warning tone sound.
Note
When the washing cycle is finished, the machine will change into standby mode. And the machine will be sleeping after 10 minutes without any control on the control panel.
Note
The machine is fitted with a balance control device, which ensures the machine is stable during the spin. To protect the machine, it will cut in if the laundry is not evenly distributed in the drum. The laundry is redistributed by reverse rotation of the drum. This may happen several times before the unbalance disappears and normal spinning can resume. If, after about 20 minutes, the laundry is still not evenly distributed in the drum, the machine will not spin. In this case, redistributed the load manually and reselect the spin program.
Door lock
- When the machine is started, the door lock is locked
- When the temperature inside the drum is above 60℃, the door lock is locked.
- When the water is above a certain level, the door lock is locked.
- When the washing cycle is finished, the door lock is unlocked.
Important:
Do not try to open the door when the washing cycle is not finished or the power supply is cut off during the washing cycle because the temperature may be high and you may be scalded.
Cleanness and Maintenance
Disconnect the machine from the mains electricity supply and withdraw the plug from the socket before cleaning the machine.
The washing machine must not be hosed down.
Cleaning the exterior
Clean the exterior with a mild non-abrasive cleaning agent or soap and water using a well-wrung-out cloth. Wipe dry with a soft cloth.
Do not use solvents, abrasive cleaners, glass cleaners, or all-purpose cleaning agents. These might damage plastic surfaces and other components because of the chemicals they contain.
The washing drum
Clean the drum every 3 months by using the “Drum Clean” program.
Cleaning the drawer
Remove detergent residues regularly. Clear the drawer following these:
- Pull out the drawer until a resistance is felt. Press down the release catch and at the same time pull the drawer right out of the machine.
- Remove the siphon from the compartment and clean it.
- Clean the dispenser using a brush and warm water.

Maintenance and Cleaning
Cleaning the drawer housing
Use a bottle brush to remove detergent residues inside the drawer housing.

Cleaning the water inlet filter
Use pointed nose pliers to withdraw the plastic filter.
Clean, put back secure. These filters should be checked every 6 months or so, or more often if there are frequent interruptions to the water supply.

Note
The filter must be put back in place after cleaning.
Cleaning the drain pump filter
![]() | ||
| 1. Disconnect the machine from the mains electricity supply and open the lower cover with a screwdriver. | 2. Place a container under the pump. Unscrew and remove the filter. | 3. Clean the filter carefully |
Important:
If the machine is exposed to temperatures below 0°C, certain precautions should be taken.
Note
The filter should be cleaned every 2 months or when there is a fault that the “E03 ” is on the screen.
Troubleshooting Guide
Problem | Error Code | Possible Cause | Solution |
| The water of the machine fills over time. | E01 | 1. Water tap is not open. 2. Drain hose is put down. 3. Water inlet valve is damaged. | 1. Open the water tap. 2. Hook up the hose. 3. Change the water inlet valve. |
| There is a Door lock alarm. | E02
| 1. The door is not locked well. 2. Garments are caught between the door and seal. 3. Door lock is damaged. | 1. Lock the door well. 2. Put the garment into the drum. 3. Change the door lock. |
| The machine drains over time.
| E03 | 1. The drain hose is squashed or kinked. 2. The drain pump filter is blocked. 3. The drainage system pipes are blocked. | 1. Check the drain hose. 2. Clean the filter. 3. Check the drainage system and clean it. |
| Water overflows the machine. / Water sensor works abnormally. | E04 | 1. The water inlet valve is damaged. 2. The connection between the water sensor and wire is not secure. 3. The water sensor is damaged. | 1. Change the water inlet. 2. Check the connection and ensure it is secure. 3. Change the water sensor. |
| The motor does not work. | E05
| 1. The connection between the motor and wire is not secure. 2. The motor is protected because of over-heat. 3. The motor is damaged. | 1. Check the connection and ensure it is secure 2. Check if the machine is overloaded. Switch off the machine, and retry when the motor becomes cool. 3. Change the motor. |
| There is a heater fault. | E06 | 1. The connection between the heater and wire is not secure. 2. The heater is damaged. | 1. Check the connection and ensure it is secure. 2. Change the heater. |
| There is a temperature sensor fault. | E07
| 1. The connection between the temperature sensor and wire is not secure. 2. The temperature sensor is damaged. | 1. Check the connection and ensure it is secure. 2. Change the temperature sensor. |
Parameters
| Model | MWM710FL |
| Power | 220-240V~,50Hz |
| Rated Power | 2100W |
| Water Pressure | 0.02-0.8Mpa |
| Net Weight /Gross Weight | 52kg/56kg |
| Outer dimension (WxDxH)mm | 595x410x845 |
Energy-efficient test program entrance guide:
Choose the program “ Eco 40-60 ”, select the temperature to 60 ℃, and rinse times to 3 times.
Data can vary from the nominal values given depending on water pressure, water hardness, water inlet temperature, room temperature, type and volume of load, fluctuations in the electricity supply, and any extra options selected.
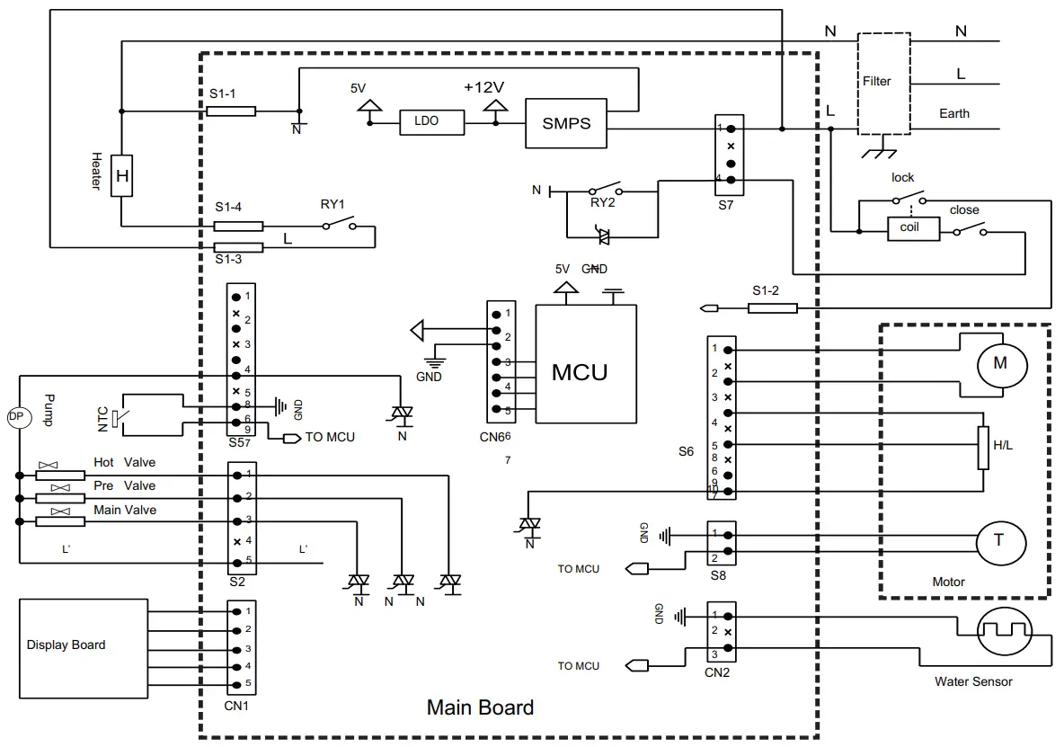
Electric Diagram

Correct Disposal of this product
This symbol is on the product, or in its packaging. indicates that this product may not be treated as household waste. Instead, it should be taken to the appropriate waste collection point for the recycling of electrical and electronic equipment, By ensuring this product is disposed of correctly. you will help prevent potential negative consequences for the environment and human health, which could otherwise be caused by the inappropriate waste handling of this product, For more detailed information about the recycling of this product, please contact your local council, your household waste disposal service, or the shop where you purchased the product.
Important:
If the machine is exposed to temperatures below 0°C, certain precautions should be taken.
- Turn off the water tap.
- Unscrew the inlet hose.
- Unhook the drain hose from the rear support and position the end of this hose and that of the inlet hose in a bowl. Run the spin program.
- Disconnect the appliance.
- Screw the inlet hose and reposition the drain hose.
- When you intend to start the machine up again, make sure that the room temperature is above 0°C.
WARRANTY
1.1 In this warranty:
1.1.1 Australian Consumer Law means the law as set out in Schedule 2 of the Competition and Consumer Act 2010;
1.1.2 Company means GSM Retail Australia Pty Ltd ABN 53 007 682 475 of 142-144 Fullarton Road, Rose Park SA 5067. Telephone 1300 373 199. Email [email protected];
1.1.3 Consumer means a “consumer” as that term is defined in Section 3 of the Australian Consumer
Law as the original purchaser of a Mistral product;
1.1.4 Consumer Guarantees means the guarantees under the Australian Consumer Law;
1.1.5 You mean the Consumer.
1.2 Nothing in this warranty affects any person’s rights under the Australian Consumer Law. The benefits to any Consumer under this warranty are in addition to the rights and remedies available under any Consumer Guarantees.
1.3 Subject to the other clauses of this warranty, the Company warrants to the Consumer that the Mistral product will be free of manufacturing defects and will perform to the Company’s specifications.
1.4 The benefit of this warranty extends only to the Consumer as the original purchaser of a Mistral product that is installed in a domestic household area.
*The warranty does not apply to Commercial and or industrial usage. *Please See 1.7.7 for additional information
1.5 This product comes with a 2-year in-home warranty, be sure to retain your user manual and receipt.
1.6 If within the Warranty Period a manufacturing defect is discovered in the Mistral product or it fails to perform to the Company’s specifications as a result of some defect in materials, components, or workmanship (Defect) then the Company will, at its option, repair the Mistral product or supply a replacement Mistral product free of charge. A replacement Mistral product may differ from the original product purchased by the Consumer.
1.7 This warranty will not apply to any Mistral product:
1.7.1 Installed by any person other than a qualified tradesperson; or
1.7.2 Subjected to misuse, neglect, negligence, or accidental damage; or
1.7.3 Operated in any way contrary to any operating or maintenance instructions; or
1.7.4 Improperly handled, installed, or maintained; or
1.7.5 Altered or modified prior to or after installation; or
1.7.6 Damaged directly or indirectly by power surges, electrical storm damage, or connection to the incorrect power supply
1.7.7 Industrial and or Commercial usage is inclusive of staff areas in office/shop environments, hotel/motels, or other similar accommodation or rental type properties including Bed and Breakfast establishments.
1.8 You must provide proof of your purchase of the Mistral product and the date of purchase in order to obtain the benefit of this warranty.
1.9 Mistral product by the Company (whether it is the original or a repaired and/or a replacement Mistral product) and for any other expenses you incur in claiming under this warranty.
The Australian consumer law requires the following statement with this product
Our goods come with guarantees that cannot be excluded under the Australian Consumer Law. You are entitled to a replacement or refund for a major failure and for compensation for any other reasonably foreseeable loss or damage.
You are also entitled to have the goods repaired or replaced if the goods fail to be of acceptable quality and the failure does not amount to a major failure.
DO NOT SEND IN THIS WARRANTY
Fill out the following details and file them with your purchase invoice.
RETAIN & FILE WITH YOUR RECEIPT
Your Purchase Receipt/Invoice is proof of date of purchase. If you are unable to establish the date of purchase, if the fault is not covered by this warranty, or if the product is found to be in working order, you will be required to bear all service call charges. GSM Retail Australia Pty Ltd reserves the right to discontinue items, modify designs and change specifications without incurring obligation. Whilst every effort is made to ensure that descriptions, specifications, and other information in this publication is correct, no warranty is given in respect thereof and the Company shall not be liable for any errors therein.
- Purchased from:
- Co. Name:
- Address:
- Date of Purchase:
- Serial number:
NOTE: Consistent with our continuing product development policy, improvements may have been made which render the contents of this packaging slightly different from that shown.
FOR WARRANTY SERVICE CALL 1300 373 199 (AUSTRALIA) or 0800 764 912 (NEW ZELAND) TO CONNECT YOU TO THE NEAREST AUTHORISED SERVICE CENTRE
![]()

Thank you.
Thank you for choosing a quality Mistral appliance.
Mistral prides itself on affordable living making sure there is no compromise in your favorite room… The Kitchen.
This product comes with a 2-year in-home warranty, be sure to retain your user manual and receipt.
For all warranty and technical queries please phone:
1300 373 199 AUST
0800 764 912 NZ

GSM Retail Australia Pty Ltd ABN: 53 007 582 475
For Warranty and technical queries: 1300 373 199 Aust Or 0800 764 912 NZ
Model: MWM710FL, MWM710FL-F


























