ASUS Prime B550M-K AMD Micro ATX Motherboard

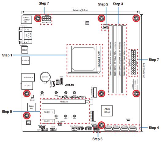
Motherboard Layout

Australia statement notice
From 1 January 2012 updated warranties apply to all ASUS products, consistent with the Australian Consumer Law. For the latest product warranty details please visit http://www.asus.com/support/. Our goods come with guarantees that cannot be excluded under the Australian Consumer Law. You are entitled to a replacement or refund for a major failure and compensation for any other reasonably foreseeable loss or damage. You are also entitled to have the goods repaired or replaced if the goods fail to be of acceptable quality and the failure does not amount to a major failure.
If you require assistance please call ASUS Customer Service 1300 2787 88 or visit us at http://www.asus.com/support/
India E-waste (Management) Rule 2016
This product complies with the “India E-Waste (Management) Rules, 2016” and prohibits the use of lead, mercury, hexavalent chromium, polybrominated biphenyls (PBBs) and polybrominated diphenyl ethers (PBDEs) in concentrations exceeding 0.1% by weight in homogenous materials and 0.01 % by weight in homogenous materials for cadmium, except for the exemptions listed in Schedule II of the Rule.
Install the CPU

Type 1

Type 2

NOTE: Remove the screws and the retention module only. Do not remove the plate on the bottom.
Install Memory Modules

Install Storage Devices

Install Expansion Card(s)

Install the System Panel Connector

Install ATX Power Connectors

Connect Input/Output Devices

OS and Drivers
Power on the system and install the operating system and drivers

INSTALLATION
- Gather All Necessary Components
Make sure you have all the necessary components for the installation, including the motherboard, CPU, RAM, power supply unit, storage device, case, and any other components you plan to install. - Prepare the Case
Remove the side panel of the case, and then install any necessary standoffs to the motherboard tray. The standoffs will be used to secure the motherboard to the case. - Install the CPU
Open the CPU socket on the motherboard and gently place the CPU into the socket. Make sure the CPU is aligned correctly, and then secure it in place by lowering the CPU retention arm. - Install the RAM
Locate the RAM slots on the motherboard and press the RAM into the slots until it clicks into place. Make sure the clips on the sides of the slots snap back into place to secure the RAM. - Install the Motherboard
Carefully align the motherboard with the standoffs and gently lower it into place. Secure the motherboard to the case using screws. - Connect the Power Supply Unit
Connect the main 24-pin power connector and the 8-pin CPU power connector to the corresponding connectors on the motherboard. - Connect Other Components
Connect any other components to the motherboard, including the storage devices, graphics card, and any other expansion cards. - Connect the Front Panel Cables
Connect the cables from the front panel of the case to the corresponding headers on the motherboard, including the power switch, reset switch, power LED, and HDD LED. - Power On the System
Connect the power cable to the power supply unit and then turn on the system. If everything is connected properly, the system should power on and the BIOS should appear on the screen. - Install the Operating System
Insert the operating system installation media and follow the prompts to install the operating system.
FAQ’s
The ASUS Prime B550M-K is a micro ATX motherboard, which measures 9.6 x 9.6 inches.
The ASUS Prime B550M-K is compatible with AMD Ryzen 5000, 4000 G-Series, 3000, and 3000 G-Series desktop processors.
The ASUS Prime B550M-K has two DDR4 DIMM slots, which support up to 64GB of system memory.
The ASUS Prime B550M-K supports DDR4 memory speeds up to 4400MHz.
The ASUS Prime B550M-K has one PCIe 4.0 x16 slot and one PCIe 3.0 x16 slot (x4 mode).
The ASUS Prime B550M-K supports M.2 storage devices and SATA III 6Gb/s storage devices.
The ASUS Prime B550M-K supports M.2 storage devices up to 110mm in length and up to 2TB in capacity.
The ASUS Prime B550M-K has Gigabit Ethernet LAN and Realtek RTL8111H network controller.
The ASUS Prime B550M-K has Realtek ALC887 7.1 Surround Sound High Definition Audio CODEC.
The ASUS Prime B550M-K has six USB 3.2 Gen 1 Type-A ports and four USB 2.0 ports.
Yes, the ASUS Prime B550M-K supports AMD CrossFireX technology, which allows you to use multiple AMD graphics cards in your system for improved gaming performance.
The ASUS Prime B550M-K motherboard uses a UEFI BIOS, which provides a more user-friendly interface than traditional BIOS.
No, the ASUS Prime B550M-K motherboard does not have built-in Wi-Fi. However, you can add a Wi-Fi adapter to one of the available PCIe slots if you need wireless connectivity.
The ASUS Prime B550M-K has a 6+2 power phase VRM design, which provides stable power delivery to the CPU and allows for easy overclocking.
Yes, you can update the BIOS of the ASUS Prime B550M-K motherboard using the ASUS EZ Flash 3 utility in the BIOS or the ASUS AI Suite 3 software in Windows.
Download The PDF Link: ASUS Prime B550M-K AMD Micro ATX Motherboard Quick Start Guide




















