ASUS PRIME B550M-A AC Motherboard User Guide

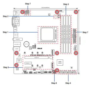
Install the CPU


Step 2
Install the CPU fan


NOTE: Remove the screws and the retention module only. Do not remove the plate on the bottom.
Step 4
Install storage devices

Step 5
Install Expansion card(s)

Step 6
Install System Panel Connectors

Step 7
Install ATX Power Connectors

Step 8
Connect Input/Output devices

Step 9
Power on the system and install the operating system and drivers

Motherboard Layout

Australia statement notice From 1 January 2012 updated warranties apply to all ASUS products, consistent with the Australian Consumer Law. For the latest product warranty details please visit htto://www.asus.com/supoort/. Our goods come with guarantees that cannot be excluded under the Australian Consumer Law. You are entitled to a replacement or refund for a major failure and compensation for any other reasonably foreseeable loss or damage. You are also entitled to have the goods repaired or replaced if the goods fail to be of acceptable quality and the failure does not amount to a major failure.
If you require assistance please call ASUS Customer Service 1300 2787 88 or visit us at htto://www.asus.com/support/
India E-waste (Management) Rule 2016
This product complies with the “India E-Waste (Management) Rules, 2016” and prohibits the use of lead, mercury, hexavalent chromium, polybrominated biphenyls (PBBs), and polybrominated diphenyl ethers (PBDEs) in concentrations exceeding 0.1% by weight in homogenous materials and 0.01 96 by weight in homogenous materials for cadmium, except for the exemptions listed in Schedule II of the Rule.
Q16551
First Edition
April 2020 Copyright © ASUSTeK Computer Inc.
All Rights Reserved
PRODUZIDO NO
IMPRESS NA CHINA




















