Motherbord
PRIME b760M-K
Quick start guide
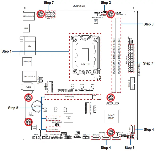
Motherboard Layout

Step 1
Install the CPU

Step 2
Install the CPU fan
Step 3
Install memory modules
Step 4
Install storage devices
Step 5
Install expansion card(s)
Step 6
Install the system panel connector
Step 7
Install ATX power connectors
Step 8
Connect input/output devices
Australia Statement Notice
From 1 January 2012 updated warranties apply to all ASUS products, consistent with the Australian Consumer Law. For the latest product warranty details please visit https://www.asus.com/support/. Our goods come with guarantees that cannot be excluded under the Australian Consumer Law. You are entitled to a replacement or refund for a major failure and compensation for any other reasonably foreseeable loss or damage. You are also entitled to have the goods repaired or replaced if the goods fail to be of acceptable quality and the failure does not amount to a major failure. If you require assistance please call ASUS Customer Service 1300 2787 88 or visit us at https://www.asus.com/support/.
India RoHS
This product complies with the “India E-Waste (Management) Rules, 2016″and prohibits use of lead, mercury, hexavalent chromium, polybrominated biphenyls (PBBs) and polybrominated diphenyl ethers (PBDEs) in concentrations exceeding 0.1% by weight in homogenous materials and 0.0196 by weight in homogenous materials for cadmium, except for the exemptions listed in Schedule II of the Rule.
Tiirkiye RoHS
AEEE Yenetmelrgine Uygundur
HDMI Trademark Notice
The teams HDMI, HDMI High-Definition Mul-timedia Interface, HDMI Trade dress, and the HDMI Logo are trademarks or registered trade-marks of HDMI Licensing Administrator, Inc
021845
First Edition
April 2023
Copyright © ASUSTeK Computer Inc.
All Rights Reserved


















