INSTALLATION & OPERATION
INSTRUCTIONS
70cm Gas Cooktop
Model No.
BGT705X BGT705X-W BGT705X-F
Important Safety Instructions
Warning
General Safety
- The appliance may only be installed and connected by licensed gasfitters / authorized persons.
- Built-in appliances may only be used after they have built into suitable built-in units and work surfaces that meet local authority standards.
- Repairs to the appliance must only be carried out by trained registered authorized service persons / engineers.
- The technical and identification data for the hob is located on the reference data plate fixed to the underside of the appliance.
- This reference data plate must be consulted before making the electrical connections.
- The electrical connections must be made by specialist installers to the legal and regulatory, requirements in each country.
- If the cable is damaged in any way it must be replaced by the manufacturer or after sale service or by authorized technical staff, to avoid hazard.
- DO NOT USE OR STORE FLAMMABLE MATERIALS NEAR THIS APPLIANCE.
- DO NOT SPRAY AEROSOLS IN THE VICINITY OF THIS APPLIANCE WHILE IT IS IN OPERATION.
- DO NOT MODIFY THIS APPLIANCE.
- DO NOT USE THIS APPLIANCE AS A SPACE HEATER.
Correct Use
- People (including children) who, because of their physical, sensory or mental capabilities or their inexperience or ignorance are not able to use the device safely, should not use this device without supervision or instruction by a responsible person.
- This appliance should be used only for normal domestic cooking and frying of food.
- The appliance must not be used as a work surface or as a storage surface.
- Additions or modifications to the appliance are not permitted.
- Do not place or store flammable liquids, highly inflammable materials or fusible objects (e.g., plastic film, plastic, aluminum) on or near the appliance.
- Do not heat an empty pan on the appliance.
Children’s Safety
- The cooking zones will become hot when you cook. Therefore, always keep small children away from the appliance.
- The appliance is not intended for use by young children or infirm persons without supervision.
- Young children should be supervised to ensure that they do not play with the appliance.
Safety During Use
- There is the risk of burns from the appliance if used carelessly.
- Cables from electrical appliances must not touch the hot surface of the appliance or hot cookware.
- Overheated fats and oils can ignite very quickly. Warning! Fire hazard!
- Switch the cooking zones off after each use.
- Users with implanted pacemakers should keep their upper body at least 30 cm from cooking zones that are switched on.
- Risk of burns! Do not place objects made of metal, such as knives, forks, spoons and saucepan lids on the cooking surface, as they can get hot.

- Special conditions, which shall be avoided, e.g., marine environment, and any conditions necessary to ensure optimum performance.
- The appliances can be used in freezing conditions.
Safety Instructions
Safety When Installation
- DO NOT USE OR STORE FLAMMABLE MATERIALS NEAR THIS APPLIANCE.
- DO NOT SPRAY AEROSOLS IN THE VICINITY OF THIS APPLIANCE WHILE IT IS IN OPERATION.
- WHERE THIS APPLIANCE IS INSTALLED IN MARINE CRAFT OR CARAVANS, IT SHALL NOT BE USED AS A SPACE HEATER.
- This hotplate must be installed in accordance with:
AS/NZS5601 – Gas Installations (for Australia) – current edition NZS 5261 – Code of Practice for the Installation of Gas Burning Appliances and Equipment (for New Zealand) This standard may not be now current!!
Local gas fitting regulations AS/NZS 3000 – Electrical Installations (Wiring Rules)
Building codes
Any other relevant statutory regulations. - Check the gas type label on the underside of the hotplate, adjacent to the gas connection to ensure it corresponds to the installation gas supply. If in doubt, contact the supply authority.
- The power supply cord (supplied) must not touch against any hot surfaces and must be placed so that its temperature does not exceed 75 degrees at any point along its length.
- After connecting to gas, check for leaks using soapy solution, never a naked flame.
- Where a flexible hose assembly is used, ensure it is approved to AS/NZS 1869, Class B 10mm diameter and no more than 1.0metre in length. Any hose assembly used must be restrained from accidental contact with the flue outlet of an under-bench oven.
How To Avoid Damage to The Appliance
- Do not use the cooking zones with empty cookware or without cookware.
- The ventilation gap of 5mm between the worktop and front of the unit underneath it must not be covered.
- DO NOT MODIFY THIS APPLIANCE.
Safety When Cleaning
- For cleaning, the appliance must be switched off and cooled down.
- For safety reasons, the cleaning of the appliance with steam jet or high-pressure cleaning equipment is not permitted.
Disposing Of the Device
When disposing of the device, do not bring it to regular municipal waste containers. Instead, bring it to electrical and electronic waste recycling and reuse center. A relevant label has been put on the device, its instructions manual, or the package. The device has been manufactured of recyclable material.
![]()
Product Description
| No. | Model | Burner* | FSD | Pan supports | Knob position | Total gas consump tion | Overview | |
| 1 | *BGT705X and all variations of ‘,lode’ | 1W+1R +2SR+1A | With | 2 types for option | Front | LPG: 39.6MJ/h | ![]() | |
| NG: 39.0MJ/h | ||||||||
*Note:
For burner: W=Triple Ring Wok burner, R=Rapid burner, SR=Semi-Rapid burner, A=Auxiliary burner
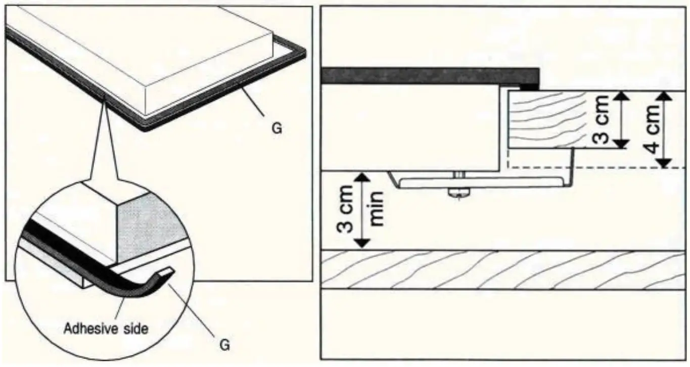
NOTE: On completion of the installation of the cooktop to the kitchen bench, the distance from benchtop surface to the highest part of any trivet is 47mm as shown in illustrations.
![]()
| Accessory Name | Picture ( for reference only, physical unit maybe different) | Quantity |
| User Manual | 1 | |
| Sealing tape | 1 roll | |
| Additional labels | You have additional rating label in accessory bag, suggest attach it onto a surface where it can be read e.g., inside surface of adjacent cupboard | 1 set |
| Installation clip | 4 sets | |
| Screws ST4.2×24 | 4 pcs | |
| LPG Injectors | 4 pcs | |
| Elbow &Washers | 1 Elbow, 3 washers | |
| Natural gas regulator | 1 |
Technical Specifications
| Model | Product Dimensions (h x w x d) mm | Cut-out Size ( w x d)mm | Electrical Connection | Rated Input Power |
| *BGT705X and all variations of model | 85x680x500 | 552 x 470 | 220-240V/50Hz | 0.5W |
Installation
Before Installation:
- Before cutting into any bench tops, ensure the minimum clearances to walls, adjacent surfaces and overhead surfaces required by the relevant gas appliance installation code (see above) will comply.
Dimensions are specified in millimeters (mm)
Overhead cupboards and range hood = 650 mm.
Side and rear clearance = 200 mm to any burner edge.
Overhead exhaust/ceiling fan = 750 mm
Horizontal surfaces adjacent the hob = less than or equal to the hob height.
Ensure there is sufficient clearance to fit the regulator and/or flexible hose connection with the hotplate in the installed position.
Before the appliance is installed into the cabinet, please make sure any transit protection is removed.
NOTE: This appliance is built in appliance, the immediate surrounds of the appliance material must be non-combustible materials or combustible material.
When you have installed the hob, make sure that
- The GPO (general purpose outlet) must always be in an accessible position.
- The supply connection point, test point and natural gas regulator adjustment screw (for Natural gas installation) are accessible for testing and/or adjustment with the hotplate in the installed position.
TO BE INSTALLED ONLY BY AN AUTHORIZED PERSON.
1. Cupboard Cutting
2. Place Burner Box
Apply the adhesive sealing tape to the underside lip of the burner box. Shown at G opposite.
Place burner box into cutout hole and fit clamping brackets to clamp the hotplate to the bench.
3. Fit Burners and Trivet.
Replace burners and ensure they are correctly repositioned over the ignitor (S) and thermocouple (T). The ignitor (S) must be clean for trouble free sparking. Test burner ignition and burner flame for correct operation, if burner is placed correctly, it will not rotate on its supports.
The Triple Ring (Wok) burner (diagrams below) does not fit over the igniter or thermocouple but must be placed on its supports. Make sure trivet is fitted onto its locator on burners and can’t rotate after assembled. 
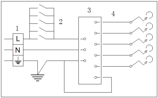
3. Electrical Connection
Install a 10 amp general purpose outlet (GPO) in accordance with relevant electrical standards and/or codes of practice applicable.
After having installed the hotplate, the GPO must always be in an accessible position. 
Wiring diagram
4. Gas Connection
Install in accordance with relevant gas standards and/or codes of practice applicable.
Connect the elbow fitting to the appliance gas manifold connection, and check that seals between the elbow and manifold connection are in place and in good condition.
- For Natural gas: connect the natural gas appliance regulator (pictured opposite) with integral test point using approved gas thread tape or compound to the elbow fitting.
- For Universal LPG: see page 11
![]()
Ensure the supply connection point, test point and natural gas regulator adjustment screw (for Natural gas installation) are accessible for testing and/or adjustment with the hotplate in the installed position. Where a flexible hose assembly is used, ensure it is approved to AS/NZS 1869, Class B. Any hose assembly used must be restrained from accidental contact with the flue outlet of an under-bench oven. This hose assembly shall be suitable for connection to a fixed consumer piping outlet located as follows:
Hotplates at a point 800 mm to 850 mm above the floor and in the region outside the width of the appliance to a distance of 250 mm. 
Note: Hose diameter 10mm, Length 1000mm (Maximum)
After connecting to gas, check for leaks using soapy solution, never a naked flame. ![]()
Fit the duplicate data plate (supplied in separate bag) on a surface adjacent to the hotplate, for example, the inside of the cupboard door so it is clearly visible for any service technician.
SETTING THE GAS PRESSURE:
Fit a manometer with a 6 mm rubber hose to the test point on the regulator (for natural gas).
Light Triple Ring and Auxiliary burner on and adjust test point pressure to 1.00 kPa. Turn the two burners off and on again and recheck the pressure is same as set previously or adjust as required.
TEST FOR CORRECT OPERATION:
After installation and adjusting burner pressure using test point, each burner ignition and operation must be tested individually and with all burners operating. This testing must be done by the installer before leaving.
Natural Gas (the appliance test point is located at the regulator)
The supplied regulator must be fitted to the appliance inlet connection. Gas pressure must be adjusted to 1.0 kPa when approximately 50% of the burners are on high flame. 
- Test point location
- Gas inlet pipe
- Elbow
- Regulator
Universal LPG (the appliance test point is located at the injector)
Gas pressure must be checked to confirm the appliance operating pressure is 2.75 kPa, the appliance test point is the rapid burner injector as shown below.
- Disconnect power.
- Light the auxiliary burner and set to high flame. Ensure all other burners are off.
- Zero manometer, then apply flexible tubing to seal over the Rapid burner injector, hold securely in place and check the gas pressure by pressing in the corresponding burner control knob in, then turning to high flame position.
- If the pressure is 2.75 kPa, reassemble the burner and perform the final checks as per this instruction manual.
- If the pressure is not 2.75 kPa, disconnect the appliance and check/adjust/replace the LPG cylinder regulator(s) as appropriate in accordance with AS/NZS 5601

Alternative: If the appliance Is supplied with an LPG test point adapter; then this component maybe fitted to the inlet connection for the purpose of a test point.
ADJUSTING THE BURNER MINIMUM FLAME HEIGHT:
NOTE: This adjustment can only be performed by the installer or an authorized service personnel.
The minimum burner flame is factory adjusted for the gas type stated on the gas type label adjacent to the gas connection and should not require adjustment. Adjustment may be required if the hotplate has been converted from Natural gas to Universal LPG or vice versa.
GAS CONVERSION INSTRUCTIONS:
The manufacturers servicing instructions detail how authorized personnel may convert the hotplate from Natural gas to Universal LPG or from Universal LPG to Natural gas. Contact the manufacturer or agent as required.
For model *BGT705X and all variations of model:
| ADJUSTED FOR NATURAL GAS 1.0kPa | ||
| NOZZLES DIAMETER | mm | Gas consumption, MJ/h |
| WOK | 1.70 | 13.0 |
| Rapid | 1.40 | 10.0 |
| SEMI RAPID | 1.10 | 6.0 |
| AUXILIARY | 0.90 | 4.0 |
| Replacement of the nozzles must be performed by a qualified person. Once the nozzles have been replaced this label must be affixed to the name plate of the appliances. | ||
| Natural Gas regulator is to be fitted and adjusted | ||
| ADJUSTED FOR ULPG 2.75KPa | ||
| NOZZLES DIAMETER | m m | Gas consumption, MJ/h |
| WOK | 0.98 | 13.0 |
| Rapid | 0.90 | 10.0 |
| SEMI RAPID | 0.7 | 6. |
| AUXILIARY | 0.55 | 4.0 |
| Replacement of the nozzles must be performed by a qualified person. Once the nozzles have been replaced this label must be affixed to the name plate of the appliances. | ||
| Change the NG regulator to LPG by a qualified person. | ||
Start Using Your Appliance
BGT705X*

| Description | Explanation |
| Zone indicators | These show which zone is under control. |
| Flame power | Flame power of the zones |
The hotplates are fitted with mains powered electronic spark ignitors, so must be connected to mains power supply (i.e., nominal 220~240 V ac) to operate. If power is not available, the hotplate will still work but the burners will have to be lit with a match or similar.
Depressing the gas control knob of any burner will activate the spark ignition for all burners. To light the burner, turn the gas control knob to the High Flame setting of the burner to be lit, while at the same time depressing the gas control knob to activate the spark ignition.
Once the burner is alight continuing to depress the gas control knob for 5 – 10 seconds to allow the flame safeguard to activate. If when you release the gas control knob, the burner flame goes out the flame safeguard has not heated up enough so repeat the ignition procedure after waiting 1 minute for gas to disperse. If problems with burner lighting persist, refer to the TROUBLESHOOTING section of these instructions.
If power is not available, light a match or similar, then turn the gas control knob for the burner to be lit, to the High Flame setting. Once again if problems with burner lighting persist, refer to the TROUBLESHOOTING section of these instructions.
When burner lights, adjust desired flame height. On finishing, turn control knob to off position marked with a black DOT.
BURNER AND UTENSIL CHOICE
The maximum utensil (pan) diameters in millimeters (mm) for each burner are:
- For Natural Gas hotplates
Auxiliary (small) and Semi-Rapid (medium) = 195 mm
Rapid (large) = 230 mm
Triple ring (wok) = 270 mm - For Universal LPG hotplates
Auxiliary (small), Semi-Rapid (medium) and Rapid (large) = 195 mm
Triple ring (wok) = 230 mm
The minimum utensil (pan) diameters in millimeters (mm) for each burner are:
Auxiliary (small) = 80 mm and Semi-Rapid (medium) = 140 mm
Rapid (large) and Triple ring (wok) = 195 mm
For best efficiency and to ensure utensil handle does not overheat, place the utensil centrally on the burner and adjust the flame height so all the flame remains under the utensil.
Maintenance & Troubleshooting
Cleaning and maintenance should be carried out with the appliance cold especially when cleaning the enameled parts. Avoid leaving alkaline or acid substances (lemon juice, vinegar etc.) on the surfaces.
STAINLESS STEEL
The stainless-steel hob of the hotplate must be cleaned regularly (e.g. weekly) to ensure long life expectancy of the hotplate.
Ensure hotplate has cooled. Wash down with warm soapy water and rinse with clean water.
Dry with a clean, soft cloth. A specialized stainless steel cleaning fluid may be used.
NOTE: Ensure that wiping is done along with the grain of the stainless steel to prevent any unsightly crisscross scratching patterns from appearing.
TRIVETS (UTENSIL SUPPORTS)
Enameled parts must only be washed with a sponge and soapy water or with non-abrasive products. Rinse with clean water. Dry with a clean, soft cloth.
BURNERS
Remove trivets from hob. Ensure burners are cool. Remove the burners enameled cap (C) and aluminum burner crown (F).
Wash down with warm soapy water and rinse with clean water. Dry with a clean, soft cloth.
Use a cotton bud, toothbrush, or some other item to clean out any incrustations or dirt from the four holes marked(H)
Replace burners and ensure they are correctly repositioned over the igniter (S) and thermocouple (T). The igniter (S) must be clean for trouble free sparking. Test burner ignition and burner flame for correct operation.
The Triple Ring (Wok) burner (diagrams below) does not fit over the igniter or thermocouple but must be placed on its supports. If burner is placed correctly it will not rotate on its supports.

(b) removal of components for service—
(ii) pilot and flame safeguard;
(iii) ignition system;
(ix) thermocouple;
(v) gas control;
(vii) hotplate top;
(c) parts replacement—
(iv) electronic ignition;
(d) adjustments—
(iv) ignition (spark gap);
TROUBLESHOOTING
Servicing of the hotplates must only be done by an authorized service representative (see back of this booklet) and the hotplate must not be modified. Power must be disconnected before any servicing or maintenance is conducted.
DO NOT MODIFY THIS APPLIANCE.
It is recommended the hotplate serviced by an authorized person at least every 2 years. This service is not covered by warranty.
Abnormal conditions include:
- Excessively yellow or shooting flame type.
- Flame lifting off the burner ports.
- Flame lighting back into the burner (normally associated with a popping sound).
- Objectionable odor of the flame’s combustion products.
Should a faulty condition develop in the hotplate that is not described above, refer to the following table first for possible causes and remedies prior to contacting an authorized service representative. Servicing beyond the remedies listed shall only be undertaken by an authorized service representative.
| FAULT | POSSIBLE CAUSE | REMEDY |
| No spark when gas control knob depressed. | No power. | Check plugged in and switched on. Check mains circuit breaker. |
| Loose sparker cable. Burner not aligned properly. | Call authorized representative. Remove and re-fit burner. | |
| Burner not lighting when spark ignition working. | Gas supply off. Burner not aligned properly. | Check gas supply valve on. Remove and re-fit burner. |
| Burner ports blocked. | Remove, clean and replace burner. | |
| Burner goes out when control knob released. | Flame safeguard not activated. to activate. | Re-light, allow more time for flame safeguard |
| Flame safeguard faulty connection or broken. | Call authorized representative. | |
| Uneven flame pattern or slight flame lifting. | Burner ports blocked. | Remove, clean and replace burner. |
| At minimum flame setting the flame is too high. | Turndown control setting incorrect. | Call authorized representative. |
| Small flame on High setting. | Regulator faulty. | Call authorized representative. |
| Gas supply pressure low. | Call authorized representative. | |
| Incorrect injector fitted. Blocked injector or gas supply tube. Incorrect utensil size. | Call authorized representative. Call authorized representative. Refer to operating instructions utensil choice. | |
| Flame too high on High setting. | Regulator faulty. | Call authorized representative. |
| Incorrect injector fitted. | Call authorized representative. | |
| Incorrect utensil size. | Refer to operating instructions utensil choice. |
WARRANTY
1.1 In this warranty:
1.1.1 Australian Consumer Law means the law as set out in Schedule 2 of the Competition and Consumer Act 2010;
1.1.2 Company means GSM Retail Australia Pty Ltd ABN 53 007 682 475 of 142-144 Fullarton
Road, Rose Park SA 5067. Telephone 1300 373 199. Email [email protected]
1.1.3 Consumer means a “consumer” as that term is defined in Section 3 of the Australian Consumer Law as the original purchaser of a Bellini product
1.1.4 Consumer Guarantees means the guarantees under the Australian Consumer Law.
1.1.5 You mean the Consumer.
1.2 Nothing in this warranty affects any person’s rights under the Australian Consumer Law. The benefits to any Consumer under this warranty are in addition to the rights and remedies available under any Consumer Guarantees.
1.3 Subject to the other clauses of this warranty, the Company warrants to the Consumer that the Bellini product will be free of manufacturing defects and will perform to the Company’s specifications.
1.4 The benefit of this warranty extends only to the Consumer as original purchaser of a Bellini product which is installed in a domestic household area.
*The in-Home warranty does not apply to Commercial and or industrial usage. *Please See 1.7.7 for additional information
1.5 This warranty commences on the date of purchase of the Bellini product by the Consumer and continues for the benefit only of the Consumer until the expiry of three (3) year (Warranty Period).
1.6 If within the Warranty Period a manufacturing defect is discovered in the Bellini product or it fails to perform to the Company’s specifications as a result of some defect in materials, components or workmanship (Defect) then the Company will, at its option, repair the Bellini product or supply a replacement Bellini product free of charge. A replacement Bellini product may differ from the original product purchased by the Consumer.
1.7 This warranty will not apply to any Bellini product:
1.7.1 Installed by any person other than a qualified tradesperson; or
1.7.2 Subjected to misuse, neglect, negligence or accidental damage; or
1.7.3 Operated in any way contrary to any operating or maintenance instructions; or
1.7.4 Improperly handled, installed or maintained; or
1.7.5 Altered or modified prior to or after installation; or
1.7.6 Damaged directly or indirectly by power surges, electrical storm damage or connection to incorrect power supply
1.7.7 Industrial and or Commercial usage is inclusive of staff areas in office/ shop environments, hotel/ motel or other similar accommodation or rental type properties including Bed and Breakfast establishments.
The Australian Consumer Law requires the inclusion of the following statement with this warranty:
Our goods come with guaranteed that cannot be excluded under the Australian Consumer Law. You are entitled to a replacement or refund for a major failure and for compensation for any other reasonably foreseeable loss or damage.
You are also entitled to have the goods repaired or replaced if the goods fail to be of acceptable quality and the failure does not amount to a major failure.
IN ORDER TO MAKE A CLAIM UNDER THIS WARRANTY THE CONSUMER MUST CALL 1300 373 199 (AUSTRALIA) OR 0800 764 912 (NEW ZEALAND) TO CONNECT TO THE NEAREST AUTHORISED CENTRE
1.8 You must provide proof of your purchase of the Bellini product and the date of purchase in order to obtain the benefit of this warranty.
1.9 If you live outside the service area of the Company or one of its service agents, this warranty does not cover the cost of transport of the Bellini product for service nor the service agent’s traveling costs to and from your home.
1.10 If you are required to transport the Bellini product to the Company or its service agent, you must ensure it is safely disconnected by a qualified tradesman and securely packed and insured. The Company does not accept any responsibility for loss or damage of the Bellini product prior to it being received by the Company or its service agent.
1.11 You will be responsible for all costs of returning a Bellini product to the Company and for redelivery of the Bellini product by the Company (whether it is the original or a repaired and/or a replacement Bellini product) and for any other expenses you incur in claiming under this warranty.
1.12 The Company or its service agent will examine any Bellini product and if the Company determines that it is defective through no fault of the Owner and is otherwise undamaged, the Company will repair or replace the Bellini product in accordance with this warranty.
DO NOT SEND IN THIS WARRANTY Fill out the following details and file with your purchase invoice.
RETAIN & FILE WITH YOUR RECEIPT
Your Purchase Receipt/Invoice is proof of date of purchase. If you are unable to establish the date of purchase, or if the fault is not covered by this warranty, or if the product is found to be in working order, you will be required to bear all service call charges.
GSM Retail Australia Pty Ltd reserves the right to discontinue items, modify designs and change specifications without incurring obligation.
Whilst every effort is made to ensure that descriptions, specifications and other information in this publication is correct, no warranty is given in respect thereof and the company shall not be liable for any errors therein.
Purchased
from: Co.
Name:
Address:
Date of Purchase:
Serial number:
NOTE: Consistent with our continuing product development policy, improvements may have been made which render the contents of this packaging slightly different to that shown.
FOR WARRANTY SERVICE CALL 1300 373 199 (AUSTRALIA) OR 0800 764 912 (NEW ZEALAND) TO CONNECT YOU TO THE NEAREST AUTHORISED SERVICE CENTRE
Thank you
Thank you for choosing Bellini App liances.
Bellini appliances carry a 3 year In Home warranty, be sure to retain your installation and user manual and receipt.
For all warranty and technical queries please contact Australia 1300 3 73 199
New Zealand 0800 764 912
GSM Retail Australia Pty Ltd ABN: 53 007 582 475
For Warranty and technical queries: 1300 373 199 Aust OR 0800 764 912 NZ
Model: BGT705X FINELINE: 70cm Gas Cooktop
Gerard Sourcing & Manufacturing
GSM RETAIL AUSTRALIA PTY LTD
The GSM Retail Australia Pty Ltd Group Companies has a policy of continual improvement throughout the
product range. As such the unit contained within may differ slightly from the unit illustrated on the pack.
MADE IN CHINA for the GSM Retail Australia Pty Ltd. Group Companies

















