
INSTALLATION & OPERATION
INSTRUCTIONS
Black Glass Top Surface Built-in Gas Cooktop
Model No.
BDG604G, BDG604G-F FINELINE: 5102880 Aus/NZ
BDG302WG, BDG302WG-F FINELINE: 5102875 Aus Only
BDG301G, BDG301G-F FINELINE: 5102876 Aus Only
GSM Retail Australia Pty Ltd ABN: 53 007 582 475
For Warranty and technical queries: 1300 373 199 Aust OR 0508123108 NZ www.belliniappliances.com.au
Model: BDG604G Fineline: 5102880 Aus/NZ 60cm Glass Gas Cooktop
Model: BDG302WG Fineline: 5102875 Aus 30cm Glass Gas 2 Burner Cooktop
Model: BDG301G Fineline: 5102876 30cm Glass Gas 1 Burner Cooktop
Thank you
Thank you for choosing Bellini Appliances. Bellini prides itself on `affordable living’ making sure there is no compromise in your favorite room … The Kitchen All Bellini appliances carry a 3 year In Home warranty, be sure to retain your installation and user manual and receipt.
For all warranty and technical queries please contact 1300 373 199
Safety Instructions
This manual explains the proper installation and use of your appliance, please read it carefully before using it even if you are familiar with the product. The manual should be kept in a safe place for future reference. In case of failure, only the Authorized Technical Service may repair this hob. Otherwise, the guarantee will be null and void. All Bellini Appliances are for domestic use only.
Warning
General Safety
- An authorized service person must install this appliance and MUST provide a Certificate Of Compliance. This certificate should be retained along with your proof of purchase.
- Built-in appliances may only be used after they have been built into suitable built-in units and work surfaces that meet local authority standards.
- In the event of faults with the appliance or damage to the glass-ceramic(cracks, scratches or splits), the appliance must be switched off and disconnected from the electrical supply, to prevent the possibility of an electric shock.
- Repairs to the appliance must only be carried out by trained registered authorized service persons/engineers.
- The technical and identification data for the hob is located on the reference data plate fixed to the underside of the appliance.
- This reference data plate must be consulted before making the electrical connections.
- The electrical connections must be made by specialist installers to the legal and regulatory, requirements in each country.
- If the cable is damaged in any way it must be replaced by the manufacturer or after-sale service or by authorized technical staff, to avoid hazard.
Correct Use
- People (including children) who, because of their physical, sensory or mental capabilities or their inexperience or ignorance are not able to use the device safely, should not use this device without supervision or instruction by a responsible person.
- This appliance should be used only for normal domestic cooking and frying of food.
- The appliance must not be used as a work surface or as a storage surface.
- Additions or modifications to the appliance are not permitted.
- Do not place or store flammable liquids, highly inflammable materials or fusible objects (e.g. plastic film, plastic, aluminum) on or near the appliance.
- Do not heat an empty pan on the appliance.
Children’s Safety
- The cooking zones will become hot when you cook. Therefore, always keep small children away from the appliance.
- The appliance is not intended for use by young children or infirm persons without supervision.
- Young children should be supervised to ensure that they do not play with the appliance.
Safety During Use
- Remove stickers and film from the glass surface.
- There is the risk of burns from the appliance if used carelessly.
- Cables from electrical appliances must not touch the hot surface of the appliance or hot cookware.
- Overheated fats and oils can ignite very quickly. Warning! Fire hazard!
- Switch the cooking zones off after each use.
- Users with implanted pacemakers should keep their upper body at least 30 cm from cooking zones that are switched on.
- Risk of burns! Do not place objects made of metal, such as knives, forks, spoons, and saucepan lids on the cooking surface, as they can get hot.

Safety When Installation
- Do not use or store flammable materials in the appliance storage drawer or near this appliance.
- Do not spray aerosols in the vicinity of this appliance while it is in operation.
- This appliance shall not be used as a space heater. This hotplate must be installed in accordance with:
AS 5601 – Gas Installations (for Australia) current edition
NZS 5261 Code of Practice for the Installation of Gas Burning Appliances and Equipment (for New Zealand) This standard may not be now current!! Local gas fitting regulations
AS/NZS 3000 Electrical Installations (Wiring Rules) Building codes Any other relevant statutory regulations. - Check the gas type label on the underside of the hotplate, adjacent to the gas connection to ensure it corresponds to the installation gas supply. If in doubt contact the supply authority.
- The power supply cord (supplied) must not touch against any hot surfaces and must be placed so that its temperature does not exceed 75 degrees at any point along its length. After connecting to gas, check for leaks using the soapy solution, never a naked flame.
- Where a flexible hose assembly is used, ensure it is approved to AS/NZS 1869, Class B 10mm diameter and no more than 1.0metre in length. Any hose assembly used must be restrained from accidental contact with the flue outlet of an under-bench oven.
How To Avoid Damage To
- The Appliance The glass surface can be damaged by objects falling onto it.
- The edge of the glass-ceramic can be damaged by being knocked by the cookware.
- Cookware made of cast iron, cast aluminum or damaged bottoms can scratch the glass surface if pushed across the surface.
- Objects that melt and things that boil over can burn onto the glass surface and should be removed straight away.
- Do not use the cooking zones with empty cookware or without cookware.
- To avoid damaging cookware and glass ceramics, do not allow empty saucepans or frying pans to keep heating by the hob.
- The ventilation gap of 5mm between the worktop and front of the unit underneath it must not be covered. Do not modify this appliance.
Safety When Cleaning
- For cleaning, the appliance must be switched off and cooled down.
- For safety reasons, the cleaning of the appliance with steam jet or high-pressure cleaning equipment is not permitted.
Disposing Of The Device
When disposing of the device, do not bring it to regular municipal waste containers. Instead, bring it to electrical and electronic waste recycling and reuse center. A
relevant label has been put on the device, its instructions manual, or the package. The device has been manufactured of recyclable material. By bringing old devices to a recycling collection center, you show that you care about nature. Ask your local environmental care authority for information on the location of such facilities.
Product Description

| Accessory alkiilla User Manual | Picture ( for reference only, the physical unit may be different) | Quantity | |
| 1 | |||
| Sealing tape | 1 roll | ||
| Additional labels | You have an additional rating label in the accessory bag, suggest attaching it onto a surface where it can be read e.g. inside the surface of an adjacent cupboard | 1 set | |
| Installation clip | for BDG302WG(-F)613DG301G(-F) for BDGI304G(-F)![]() | 4 sets | |
| Screws ST4.2×24 | ![]() | 5 for BDG604G(-F) and BDG302WG(-F)&BDG301G(-F) | |
| LPG Injectors | ![]() | BDG604G(-F) | 0.55mmx1. 0.7mmx2.0.98mmxi |
| BDG302WG(-F) | 0.7mmxl. 0.98mmx1 | ||
| BDG301G(-F) | 0.98mmx1 | ||
| Elbow&Washers | ![]() | 1 Elbow, 3 washers | |
| Natural gas regulator | ![]() | 1 | |
| Test point adapter | ![]() | 1 | |
Technical Specifications
| Model | Product Dimensions (hxwxd) mm | Cut-out Size(wed)mm | App’x net weight | Electrical Connection | Rated Input Power |
| BDG604G(-F) | 105x584x510 | 552 x 470 | 12.7Kgs | 220-240V/50Hz | 0.5W |
| BDG302WG(-F) | 100x300x510 | 266 x 478 | 7 Kgs | 220-240V/50Hz | 0.5W |
| BDG301G(-F) | 100x300x510 | 266 x 478 | 6 Kgs | 220-240V/50Hz | 0.5W |
Installation
Before Installation:
Before cutting into any benchtops, ensure the minimum clearances to walls, adjacent surfaces and overhead surfaces required by the relevant gas appliance installation code (see above) will comply.
Dimensions are specified in millimeters (mm)
Overhead cupboards and range hood = 650 mm.
Side and rear clearance = 200 mm to any burner edge.
Overhead exhaust/ceiling fan = 750 mm
Horizontal surfaces adjacent to the hob = less than or equal to the hob height.
Ensure there is sufficient clearance to fit the regulator and/or flexible hose connection with the hotplate in the installed position.
When you have installed the hob, make sure that
- The GPO(general purpose outlet) must always be in an accessible position.
- The supply connection point, test point and natural gas regulator adjustment screw (for Natural gas installation) are accessible for testing and/or adjustment with the hotplate in the installed position.
TO BE INSTALLED ONLY BY AN AUTHORIZED PERSON.
Cupboard Cutting
Benchtop thickness, 30 40 mm (3 4 cm).
2. Place Burner Box
Apply the adhesive sealing tape to the underside lip of the burner box. Shown at G opposite.
Place burner box into cutout hole and fit clamping brackets to clamp the hotplate to the bench.
Installation of clips:
step 1- put the clip inside the edge of the hole(image 1)
step 2- fix the installation bracket with a screw(image 2)
3. Fit Burners And Trivet
Replace burners and ensure they are correctly repositioned over the ignitor (S) and thermocouple (T). The ignitor (S) must be clean for trouble free sparking. Test burner ignition and burner flame for correct operation, If the burner is placed correctly it will not rotate on its supports..
The Triple Ring (Wok) burner (diagrams below) does not fit over the igniter or thermocouple but must be placed on its supports. Make sure trivet is fitted onto its locator on burners and can’t rotate after assembly.
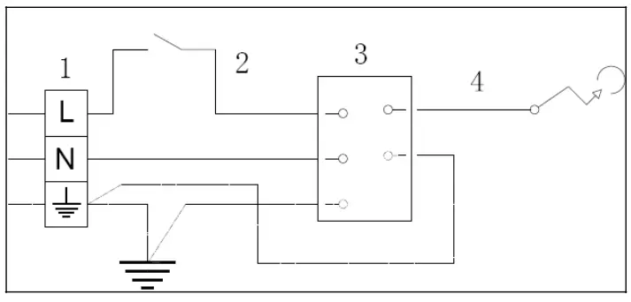
4. Electrical Connection
Install a 10 amp general purpose outlet (GPO) in accordance with relevant electrical standards and/or codes of practice applicable. The power supply cord (supplied) must not touch against any hot surfaces and must be placed so that its temperature does not exceed 75oC at any point along its length. After having installed the hotplate, the GPO must always be in an accessible position.

Wiring diagram for BDG301G(-F)
5. Gas Connection
Install in accordance with relevant gas standards and/or codes of practice applicable. Connect the elbow fitting to the appliance gas manifold connection, and check that seals between the elbow and manifold connection are in place and in good condition.
- For Natural gas: connect the natural gas appliance regulator (pictured opposite) with an integral test point using approved gas thread tape or compound to the elbow fitting.
- For Universal LPG: connect the brass test point adaptor (pictured opposite) using approved gas thread tape or compound to the elbow fitting.

Ensure the supply connection point, test point, and natural gas regulator adjustment screw (for Natural gas installation) are accessible for testing and/or adjustment with the hotplate in the installed position. 
Where a flexible hose assembly is used, ensure it is approved to AS/NZS 1869, Class B. Any hose assembly used must be restrained from accidental contact with the flue outlet of an under-bench oven. This hose assembly shall be suitable for connection to a fixed consumer piping outlet located as follows: Hotplates at a point 800 mm to 850 mm above the floor and in the region outside the width of the appliance to a distance of 250 mm.
After connecting to gas, check for leaks using the soapy solution, never a naked flame.
Inlet connection region for flexible hose
Fit the duplicate data plate (supplied in a separate bag) on a surface adjacent to the hotplate, for example, the inside of the cupboard door so it is clearly visible for any service technician.
SETTING THE GAS PRESSURE:
Fit a manometer with a 6 mm rubber hose to the test point on the regulator (for natural gas).
For the Model BG604G(-F),
light Triple Ring and Auxiliary burner on and adjust test point pressure to 1.00 kPa. Turn the two burners off and on again and recheck the pressure is the same asset previously or adjust as required.
For all the other models,
light all burners on and adjust test point pressure to 1.00 kPa. Turn burners off and on again and recheck the pressure is the same asset previously or adjust as required.
TEST FOR CORRECT OPERATION:
After installation and adjusting burner pressure using test point, each burner ignition and operation must be tested individually and with all burners operating. This testing must be done by the installer before leaving.
ADJUSTING THE BURNER MINIMUM FLAME HEIGHT: NOTE:
This adjustment can only be performed by the installer or an authorized service personnel. The minimum burner flame is factory adjusted for the gas type stated on the gas type label adjacent to the gas connection and should not require adjustment. Adjustment may be required if the hotplate has been converted from Natural gas to Universal LPG or vice versa.
GAS CONVERSION INSTRUCTIONS:
The manufacturer’s servicing instructions detail how authorized personnel may convert the hotplate from Natural gas to Universal LPG or from Universal LPG to Natural gas. Contact the manufacturer or agent as required.
| Model BDG604G(-F) | NATURAL GAS | UNIVERSAL LPG | ||||
| Injector Dia(mm) | MJ/h | Test point kPa | Injector Dia(mm) | MJ/h | Test point kPa | |
| Auxiliary Semi rapid x2 Wok | 0.9 1.1 1.7 | 4 6 12.5 | 1 1 1 | 0.55 0.7 0.98 | 3.2 5.5 10.8 | 2.75 2.75 2.75 |
| TOTAL NHGC | 28.5 | 25 | ||||
| Model BDG302WG(-F) | NATURAL GAS | UNIVERSAL LPG | ||||
| Injector Dia(mm) | MJ/h | Test point kPa | Injector Dia(mm) | MJ/h | Test point kPa | |
| Semi rapid Wok | 1.1 1.7 | 6 12.5 | 1 1 | 0.7 0.98 | 5.5 10.8 | 2.75 2.75 |
| TOTAL NHGC | 18.5 | 16.3 | ||||
| Model BDG301G(-F) | NATURAL GAS | UNIVERSAL LPG | ||||
| Injector Dia(mm) | MJ/h | Test point kPa | Injector Dia(mm) | MJ/h | Test point kPa | |
| Wok | 1.7 | 12.5 | 1 | 0.98 | 10.8 | 2.75 |
| TOTAL NHGC | 12.5 | 10.8 | ||||
Start Using Your Appliance
The hotplates are fitted with mains-powered electronic spark ignitors, so must be connected to the mains power supply (i.e. nominal 230 V ac) to operate. If power is not available, the hotplate will still work but the burners will have to be lit with a match or similar.
Depressing the gas control knob of any burner will activate the spark ignition for all burners. To light the burner, turn the gas control knob to the High Flame setting of the burner to be lit, while at the same time depressing the gas control knob to activate the spark ignition.
Once the burner is alight continue to depress the gas control knob for 5 10 seconds to allow the flame safeguard to activate. If when you release the gas control knob, the burner flame goes out the flame safeguard has not heated up enough so repeat the ignition procedure after waiting 1 minute for gas to disperse. If problems with burner lighting persist, refer to the TROUBLESHOOTING section of these instructions.
If power is not available, light a match or similar, then turn the gas control knob for the burner to be lit, to the High Flame setting. Once again if problems with burner lighting persist, refer to the TROUBLESHOOTING section of these instructions.
When burner lights, adjust the desired flame height. On finishing, turn the control knob to off position marked with a black DOT.
BURNER AND UTENSIL CHOICE
Depending on the hotplate model, the burner choices are:
BDG604G(-F): Auxiliary (small), Semi-Rapid x2 (medium), and Wok (triple ring) burners.
BDG302WG(-F): Semi-Rapid (medium), Wok (triple ring)
BDG301G(-F): Wok (triple ring)
The maximum utensil (pan) diameters in millimeters (mm) for each burner are:
1. For Natural Gas hotplates
Auxiliary (small) and Semi-Rapid (medium) = 195 mm
Rapid (large) = 230 mm Triple ring (wok) = 270 mm
2. For Universal LPG hotplates
Auxiliary (small), Semi-Rapid (medium) and
Rapid (large) = 195 mm Triple ring (wok) = 230 mm
The minimum utensil (pan) diameters in millimetres (mm) for each burner are:
Auxiliary (small) = 80 mm and Semi-Rapid (medium) = 140 mm
Rapid (large) and Triple ring (wok) = 195 mm
For best efficiencies and to ensure the utensil handle does not overheat, place the utensil centrally on the burner and adjust the flame height so all the flame remains under the utensil.
Do not place anything, eg. flame tamer, asbestos mat, between pan and pan support as serious damage to the appliance may result.
Do not remove the pan support and enclose the burner with a wok stand as this will concentrate and deflect heat onto the hotplate
Do not use large pots or heavy weights which can bend the pan support or deflect flame onto the hotplate.
Locate the pan centrally over the burner so that it is stable and does not overhang the appliance.
Use only wok support supplied or recommended by the manufacturer of the appliance.
NOTE: Enclosure may be circular or square
Maintenance & Troubleshooting
Warning: To maintain safe operation, it is highly recommended that this appliance be inspected and serviced every two years by an authorized service person. Cleaning and maintenance should be carried out with the appliance cold, especially when cleaning the enameled parts. Avoid leaving alkaline or acid substances(lemon juice, vinegar etc.) on the surfaces.
STAINLESS STEEL
The stainless steel hob of the hotplate must be cleaned regularly (e.g. weekly) to ensure the long life expectancy of the hotplate. Ensure the hotplate has cooled. Wash down with warm soapy water and rinse with clean water. Dry with a clean soft cloth. A specialized stainless steel cleaning fluid may be used.
NOTE: Ensure that wiping is done along with the grain of the stainless steel to prevent any unsightly crisscross scratching patterns from appearing.
TRIVETS (UTENSIL SUPPORTS)
Enameled parts must only be washed with a sponge and soapy water or with non-abrasive products. Rinse with clean water. Dry with a clean soft cloth.
BURNERS
Remove trivets from the hob. Ensure burners are cool. Remove the burner’s enameled cap (C) and aluminum burner crown (F).
Wash down with warm soapy water and rinse with clean water. Dry with a clean soft cloth.
Use a cotton bud, toothbrush, or some other item to clean out any incrustations or dirt from the four holes marked(H)
Replace burners and ensure they are correctly repositioned over the igniter (S) and thermocouple (T). The igniter (S) must be clean for trouble-free sparking. Test burner ignition and burner flame for correct operation.
The Triple Ring (Wok) burner (diagrams below) does not fit over the igniter or thermocouple but must be placed on its supports. If the burner is placed correctly it will not rotate on its supports.
TROUBLESHOOTING
Servicing of the hotplates must only be done by an authorized service representative (see back of this booklet) and the hotplate must not be modified. Power must be disconnected before any servicing or maintenance is conducted.
It is recommended the hotplate be serviced by an authorized person at least every 2 years. This service is not covered by warranty.
Abnormal conditions include:
- Excessively yellow or sooting flame type.
- Flame lifting off the burner ports.
- Flame lighting back into the burner (normally associated with a popping sound).
- The objectionable odor of the flames combustion products.
Should a faulty condition develop in the hotplate that is not described above, refer to the following table first for possible causes and remedies prior to contacting an authorized service representative. Servicing beyond the remedies listed shall only be undertaken by an authorized service representative.
| FAULT | POSSIBLE CAUSE | REMEDY |
| No spark when gas control knob depressed. Burner not lighting when spark ignition working. Burner goes out when the control knob is released. | No power. | Check plugged in and switched on. Check the mains circuit breaker. |
| Loose sparker cable. | Call authorized representative. | |
| The burner is not aligned properly. | Remove and re-fit the burner. | |
| Gas supply off. | Check gas supply valve on. | |
| The burner is not aligned properly. | Remove and re-fit the burner. | |
| Burner ports blocked. | Remove, clean, and replace the burner. | |
| Flame safeguard not activated. | Re-light, allow more time for flame safeguard to activate. | |
| Flame safeguards faulty connection or broken. | Call authorized representative. | |
| Uneven flame pattern or slight flame lifting. | Burner ports blocked. | Remove, clean, and replace the burner. |
| At minimum flame setting the flame is too high. Small flame on High setting. Flame too high on High setting. | Turndown control setting incorrect. | Call authorized representative. |
| The regulator is faulty. | Call authorized representative. | |
| Gas supply pressure is low. | Call authorized representative. | |
| Incorrect injector fitted. | Call authorized representative. | |
| Blocked injector or gas supply tube. | Call authorized representative. | |
| Incorrect utensil size. | Refer to operating instructions utensil choice. | |
| Regulator is faulty. | Call authorized representative. | |
| Incorrect injector fitted. | Call authorized representative. | |
| Incorrect utensil size. | Refer to operating instructions utensil choice. |
WARRANTY
1.1 In this warranty:
1.1.1 Australian Consumer Law means the law as set out in Schedule 2 of the Competition and Consumer Act 2010;
1.1.2 Company means GSM Retail Australia Pty Ltd ABN 53 007 682 475 of 142-144 Fullarton Road, Rose Park SA 5067. Telephone 1300 373 199. Email [email protected];
1.1.3 Consumer means a “consumer” as that term is defined in Section 3 of the Australian Consumer Law as the original purchaser of a Bellini product;
1.1.4 Consumer Guarantees means the guarantees under the Australian Consumer Law;
1.1.5 You mean the Consumer.
1.2 Nothing in this warranty affects any person’s rights under the Australian Consumer Law. The benefits to any Consumer under this warranty are in addition to the rights and remedies available under any Consumer Guarantees.
1.3 Subject to the other clauses of this warranty, the Company warrants to the Consumer that the Bellini product will be free of manufacturing defects and will perform to the Company’s specifications.
1.4 The benefit of this warranty extends only to the Consumer as the original purchaser of a Bellini product that is installed in a domestic household area. *The in Home warranty does not apply to Commercial and or industrial usage. *Please See 1.7.7 for additional
information
1.5 This warranty commences on the date of purchase of the Bellini product by the Consumer and continues for the benefit only of the Consumer until the expiry of three (3) years (Warranty Period).
1.6 If within the Warranty Period a manufacturing defect is discovered in the Bellini product or it fails to perform to the Company’s specifications as a result of some defect in materials, components, or workmanship (Defect) then the Company will, at its option, repair the Bellini product or supply a replacement Bellini product free of charge. A replacement Bellini product may differ from the original product purchased by the Consumer.
1.7 This warranty will not apply to any Bellini product:
1.7.1 Installed by any person other than a qualified tradesperson; or
1.7.2 Subjected to misuse, neglect, negligence, or accidental damage; or
1.7.3 Operated in any way contrary to any operating or maintenance instructions; or
1.7.4 Improperly handled, installed or maintained; or
1.7.5 Altered or modified prior to or after installation; or
1.7.6 Damaged directly or indirectly by power surges, electrical storm damage or connection to the incorrect power supply
1.7.7 Industrial and or Commercial usage is inclusive of staff areas in office/ shop environments, hotel/ motel, or other similar accommodation or rental type properties including Bed and Breakfast establishments.
The Australian Consumer Law requires the inclusion of the following statement with this warranty:
Our goods come with guarantees that cannot be excluded under the Australian Consumer Law. You are entitled to a replacement or refund for a major failure and for compensation for any other reasonably foreseeable loss or damage. You are also entitled to have the goods repaired or replaced if the goods fail to be of acceptable quality and the failure
does not amount to a major failure.
IN ORDER TO MAKE A CLAIM UNDER THIS WARRANTY THE CONSUMER MUST CALL 1300 373 199 (AUSTRALIA) OR 0508 123 108 (NEW ZEALAND) TO CONNECT TO THE NEAREST AUTHORISED CENTRE
1.8 You must provide proof of your purchase of the Bellini product and the date of purchase in order to obtain the benefit of this warranty.
1.9 If you live outside the service area of the Company or one of its service agents, this warranty does not cover the cost of transport of the Bellini product for service nor the service agent’s travel costs to and from your home.
1.10 If you are required to transport the Bellini product to the Company or its service agent, you must ensure it is safely disconnected by a qualified tradesman and securely packed and insured. The Company does not accept any responsibility for loss or damage of the Bellini product prior to it being received by the Company or its service agent.
1.11 You will be responsible for all costs of returning a Bellini product to the Company and for redelivery of the Bellini product by the Company (whether it is the original or a repaired and/or a replacement Bellini product) and for any other expenses you incur in claiming under this warranty.
1.12 The Company or its service agent will examine any Bellini product and if the Company determines that it is defective through no fault of the Owner and is otherwise undamaged, the Company will repair or replace the Bellini product in accordance with this warranty.
DO NOT SEND IN THIS WARRANTY
Fill out the following details and file with your purchase invoice.
RETAIN & FILE WITH YOUR RECEIPT
Your Purchase Receipt/Invoice is proof of date of purchase. If you are unable to establish the date of purchase, or if the fault is not covered by this warranty, or if the product is found to be in working order, you will be required to bear all service call charges. GSM Retail Australia Pty Ltd reserves the right to discontinue items, modify designs and change specifications without incurring obligation. Whilst every effort is made to ensure that descriptions, specifications, and other information in this publication is correct, no warranty is given in respect thereof and the Company shall not be liable for any errors therein.
Purchased from:……………………..
Co. Name:………………………………………
Address:………………………………..
Date of Purchase:……………………………………..
Serial number:……………………………………
NOTE: Consistent with our continuing product development policy, improvements may have been made which renders the contents of this packaging slightly different to that shown.
FOR WARRANTY SERVICE CALL 1300 373 199 (AUSTRALIA) OR 0508 123 108 (NEW ZEALAND) TO CONNECT YOU TO THE NEAREST AUTHORISED SERVICE CENTRE
GSM RETAIL AUSTRALIA PTY LTD
The GSM Retail Australia Pty Ltd Group Companies has a policy of continual improvement throughout the product range.
As such the unit contained within may differ slightly from the unit illustrated on the pack.
MADE IN CHINA for the GSM Retail Australia Pty Ltd. Group Companies

























