Honeywell C7189A Wall Mount Temperature Sensor Installation Guide
APPLICATION
The C7189 Wall Mount Temperature Sensor provides the input required by the PC8900 Perfect Climate® Comfort Center with the W8900 Remote Module to sense temperature in indoor air spaces.
SPECIFICATIONS
Operating Ambient Temperature Range: 40 to 95°F (4.4°C to 35°C)
Humidity Setting Range: None
Operating Relative Humidity: 5% to 95% noncondensing
Finish: White
Dimensions in Inches (millimeters): 2 3/4 (70) width x 4 5/8 (117) height x 1 1/16 (27) depth
Accessories: 202689A Mounting Plate Assembly used to cover marks left on the wall by the old thermostat
INSTALLATION
When Installing this Product…
- Read these instructions carefully. Failure to follow them could damage the product or cause a hazardous condition.
- Check the ratings given in the instructions and on the product to make sure the product is suitable for your application.
- Installer must be a trained, experienced service technician.
- After installation is complete, check out product operation as provided in these instructions
CAUTION:
Disconnect power supply before connecting wiring to prevent electrical shock or equipment damage.
Location and Mounting
Locate the C7189 Wall Mount Temperature Sensor where the setting will not be subjected to tampering.
- Choose a location for the sensor on an inside wall about 5 ft (1.5 m) above the floor. A horizontally mounted standard 2 x 4 in. (51 x 102 mm) junction box can also be used at the selected location for the C7189.
- Be sure that the wire distance between the C7189 and the W8900 does not exceed 200 feet.
- Make sure that there is good air circulation at average temperature at the chosen location. Avoid the following locations because they can introduce errors in sensor measurements. See Fig.
Hot areas caused by:- Concealed pipes or ducts.
- Drafts from fireplaces or other heat sources.
- Convection or radiant heat from the sun or electrical equipment.
Cold areas caused by: - Concealed pipes or ducts.
- Drafts from windows and doors
- Unheated areas on the other side of the wall location.
Dead air areas: - Behind doors, furniture and curtains.
- In corners and alcoves.
- Mark the area on the wall where the C7189 Sensor or junction box will be mounted.
- Run cable to a hole at the selected wall location. Pull approximately 3 inches of wire through the opening. Color-coded, 18 gauge thermostat wire is recommended.
NOTE: If the old thermostat has left marks on the wall that are not covered by the C7189, order part no. 202689A Mounting Plate Accessory to mount between the wall and the C7189.
RECYCLING NOTICE
If this control is replacing a control that contains mercury in a sealed tube, do not place your old control in the trash.
Contact your local waste management authority for instructions regarding recycling and the proper disposal of any control containing mercury in a sealed tube.
If you have questions, call Honeywell Inc. at 1-800-468-1502, Monday through Friday, 7:00am to 5:30pm.
Wiring
CAUTION:
Keep wiring at least one foot away from large inductive loads such as motors, line starters, lightning ballasts, and large power distribution panels. Failure to follow these wiring practices can introduce electrical interference (noise), which can cause erratic system operation. Use shielded cable to reduce interference when rerouting is not possible. Ground the shielded cable to the GND terminal on the W8900.
Important:
Erratic temperature readings from a sensor can occur as a result of any of the wiring practices described below. These practices must be avoided to assure proper operation. Use shielded cable to reduce interference if rerouting of sensor wiring is not possible.
- Do not route temperature sensor wiring with building power wiring, next to control contactors or near light dimming circuits, electric motors or welding equipment.
- Avoid poor wiring connections.
- Avoid intermittent or missing building earth ground.
CAUTION:
Disconnect power supply before connecting to wiring to prevent electrical shock or equipment damage.
Wiring must comply with applicable codes, ordinances and regulations.
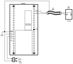
- Wire the C7189 Sensor to the W8900 Remote Module terminals S1 and S. For an example of general wiring of the C7189, see Fig. 2.
- Push excess wire back into the hole. Plug the hole using no hardening caulk, putty or insulation to prevent drafts from affecting performance.
- Remove C7189 cover. Mount the C7189 to the wall or junction box using the screws and
- anchors provided.
- Level the C7189 for appearance only. Device will function properly even when not level.
- Install C7189 cover.
Fig. 1. Typical Location for C7189 Sensor.


- (1) POWER SUPPLY. PROVIDE DISCONNECT MEANS AND OVERLOAD PROTECTION AS REQUIRED
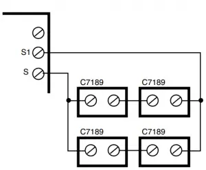
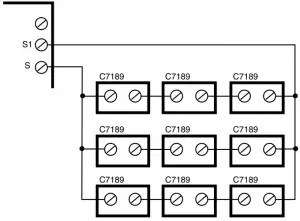
- (2) IF MORE THAN ONE C7189 REMOTE SENSOR IS REQUIRED, REFER TO FIGURE BELOW.
- (3) IF SHIELDED CABLE IS REQUIRED, GROUND TO GND TERMINAL ON W8900.
- (4) SENSORS MUST BE ARRANGED IN THIS NUMBER AND CONFIGURATION FOR PROPER OPERATION.
Fig. 2. Wiring Diagram for the C7189 Sensor to the W8900 Remote Module.

OPERATION
The C7189 Wall Mount Temperature Sensor converts room temperature to a resistance that the controller can interpret. The C7189 has a negative temperature coefficient (NTC), which means that the resistance decreases as the temperature increases. Fig. 3 shows how sensor resistance decreases by 19 ohms per degree Fahrenheit.
The C7189 can be used to control as one remote sensor, as a temperature averaging network with the PC8900, or with multiple C7189 Sensors connected as shown in Fig. 2.
CHECKOUT
Allow the C7189 Wall Mount Temperature Sensor to soak in the air moving through the room for a minimum of five minutes before taking a resistance measurement. With an accurate thermometer (±1°F [0.5°C]), measure the temperature at the sensor location, allowing time for the thermometer to stabilize before reading. Remove one wire from one of the C7189 wiring terminals. Use an ohmmeter to measure the resistance across the sensor. Then verify sensor accuracy with the temperature/resistance curve of Fig. 3.
Fig. 3. C7189 Sensor Resistance vs. Temperature Performance Characteristics.
- RESISTANCE DECREASES 18.6 OHMS PER 1°F CHANGE OR 33.4 OHMS PER 1°C CHANGE.
CALIBRATION
The C7189 Remote Sensor is calibrated at the factory and cannot be recalibrated in the field.
| ROOM TEMPERATURE | OHMS OF RESISTANCE | |
| °F | °C | |
| 46 | 7.8 | 2131 to 2094 |
| 48 | 8.9 | 2094 to 2057 |
| 50 | 10.0 | 2057 to 2019 |
| 52 | 11.1 | 2019 to 1982 |
| 54 | 12.2 | 1982 to 1945 |
| 56 | 13.3 | 1945 to 1908 |
| 58 | 14.4 | 1908 to 1871 |
| 60 | 15.6 | 1871 to 1833 |
| 62 | 16.7 | 1833 to 1796 |
| 64 | 17.8 | 1796 to 1759 |
| 66 | 18.9 | 1759 to 1722 |
| 68 | 20.0 | 1722 to 1685 |
| 70 | 21.1 | 1685 to 1647 |
| 72 | 22.2 | 1647 to 1610 |
| 74 | 23.3 | 1610 to 1573 |
| 76 | 24.4 | 1573 to 1536 |
| 78 | 25.6 | 1536 to 1499 |
| 80 | 26.7 | 1499 to 1461 |
| 82 | 27.8 | 1461 to 1424 |
| 84 | 28.9 | 1424 to 1387 |
| 86 | 30.0 | 1387 to 1350 |
| 88 | 31.1 | 1350 to 1313 |
| 90 | 32.2 | 1313 to 1275 |
| 92 | 33.3 | 1275 to 1238 |
| 94 | 34.4 | 1238 to 1201 |
| 96 | 35.6 | 1201 to 1164 |
| 98 | 36.7 | 1164 to 1127 |
| 100 | 37.8 | 1127 to 1089 |
Home and Building Control
Honeywell Inc. 1985 Douglas Drive Golden Valley, MN 55422
Home and Building Control
Honeywell Limited-Honeywell 740 Ellesmere Road
Scarborough, Ontario M1P 2V9



















