
Combi Port / Aqua Port INS
Quick guide

![]() |
SD0000204
1 Installation
1.1 General information
| Warning! | |
| Risk of electric shock if touching the components! The unit operates with a 230 V AC voltage. |
| Warning! | |
| Risk of electrical shock! Electrical installation and service behind secured 230 V AC covers must be carried out under the supervision of a qualified electrician. |
| Warning! | |
| Uponor system power supply: 230 V AC, 50 Hz In case of emergency, immediately disconnect the power. |
| Warning! | |
| Prior to any work on the controller or the components connected to it, switch off the controller according to the regulations. |
| Warning! | |
| The fittings are under pressure. Escaping pressurized media can cause serious injury such as scalding or eye damage. Depressurise the system before performing any installation work. For retrofits to an existing system: Drain the system or close the supply lines of the section and depressurise it. |
| Warning! | |
| Risk of injury due to the heavy weight of the unit: Do not perform the installation alone. Always wear safety shoes during the assembly. The unit can be of considerable weight, depending on the configuration. If the station falls over, this could lead to injuries, particularly to the feet. |
| Caution! | |
| Leaks in the unit may occur during transport or installation. Check the nuts to ensure that they are properly tightened before the connection to avoid property damages. |
Before installing the heat interface unit ensure that:
- the primary pipes are laid in the building site.
- the primary pipe installation is flushed and checked for leaks
- the power and ground cables are routed to the installation site.
- the unit is installed in a dry and frost-free room with an ambient temperature lower than +40 °C.
- the unit is mounted upright (not inclined, upside down or lying down).
- the unit is always easy to access even after the assembly.

Illustrations related to the different sections below are available in the end of this document.
1.2 Heat interface unit
| Note | |
| See the dimensional drawings for measurements. All dimensions are given in mm. |
- Mark where to drill the holes.
- Drill the holes.
- Fix the HIU to the wall using the provided material.
1.3 Components
Strainer
| Caution! | |
| Lock the unit and relieve the pressure before any work with the strainer. |
The strainer collects dirt and its filter can be removed for inspection and cleaning.
Heat meter distance piece
| Note | |
| The distance pieces are not suitable for continuous operation. |
Heating pump
| Note | |
| It is recommended that the pump runs at constant pressure when used for underfloor heating. The factory setting of the pump is not set to constant pressure and must therefore be changed |
The pump (Grundfos UPM3) has to be set to the constant pressure modus (Δp-c) to enable an optimal operation of the underfloor heating system.
The settings are done on the pump house as described in the installation and operation manual.
1.4 Hydraulic installation
| Warning! | |
| Leaking connections can cause personal injury and property damages. |
| Note | |
| Install the pipes in accordance with planning documentation. |
Connect the primary supply lines with the corresponding ¾” ball valves at the HIU.
1.5 Electrical installation
| Warning! | |
| Required electrical connections and installations, commissioning and maintenance must only be performed by an authorised person in accordance with local standards and regulations. |
| Warning! | |
| Establish equipotential bonding by using a copper equipotential bonding conductor (cross-section at least 6 mm²). Connect the earthling clamp to a suitable equipotential bonding rail in the building. |
1.6 Filling and flushing
Fill and flush the system according to local regulations and standards.
1.7 Tightness testing
| Warning! | |
| Leaking connections can cause personal injury and property damages. |
| Caution! | |
| Pressure leaks may occur even at normal operating pressure, and must be fixed immediately. |
Minimum 2 hours
According to local standards and regulations
1.8 Commissioning and hand over
| Caution! | |
| Improper commissioning can lead to property damage. |
Complete commissioning by following these steps:
- Check the settings.
- Complete the acceptance/commissioning protocol.
- Hand over the documentation and protocol to the homeowner.

1.2
SI0000335
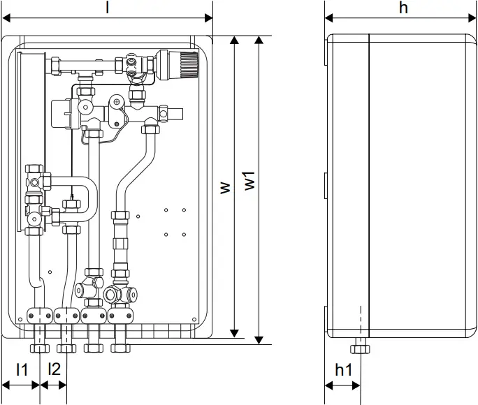
Uponor Aqua Port INS

ZD0000072
| l | l1 | l2 | w | w1 | h | h1 |
| 390 mm | 70 mm | 50 mm | 560 mm | 578 mm | 280 mm | 67 mm |
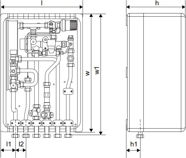
Uponor Combi Port INS

ZD0000071
| l | l1 | l2 | w | w1 | h | h1 |
| 390 mm | 70 mm | 50 mm | 560 mm | 578 mm | 280 mm | 67 mm |
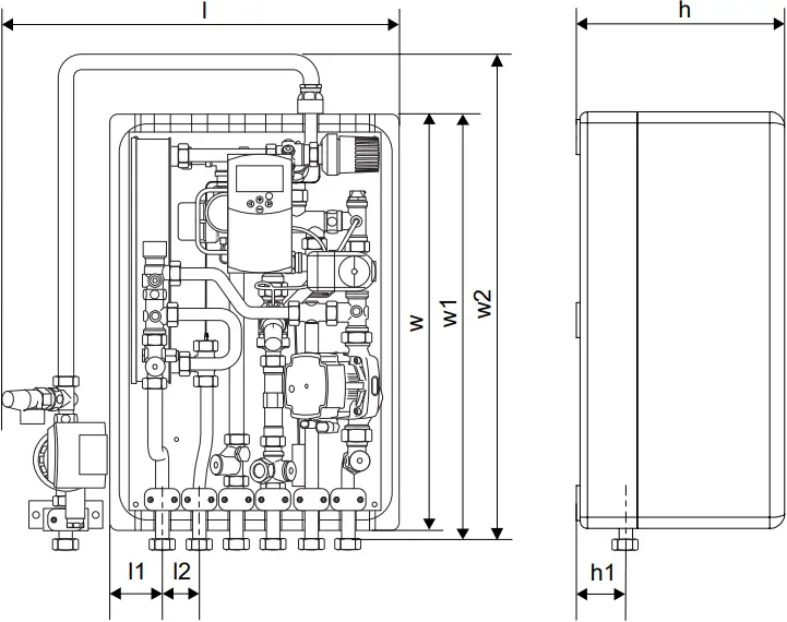
Uponor Combi Port INS UFH with circulation and Uponor Smatrix

ZD0000070
| l | l1 | l2 | w | w1 | w2 | h | h1 |
| 430 mm | 70 mm | 50 mm | 560 mm | 578 mm | 678 mm | 280 mm | 67 mm |

1.2

1.3 A

1.3 B

1.4
Uponor Combi Port INS UFH

- Uponor Smatrix Wave
- Uponor Smatrix Move

Uponor GmbH
Industriestraße 56,
D-97437 Hassfurt, Germany
1121290 v2_03_2023_INT
Production: Uponor/SDE
Uponor reserves the right to make changes, without prior notification, to the specification of incorporated components in line with its policy of continuous improvement and development.























