ROBE PATT 2013 EU Products Lighting

The PATT 2013 is a 750W tungsten softlight housed in a sleek spun aluminium body which maximises its curves to look as good on stage as the performers it illuminates.
Safety and operating instructions
The manufacturer will not accept liability for any resulting damages caused by the non-observance of this manual or any unauthorized modification to the device. Please consider that damages caused by manual modifications to the device are not subject to warranty. During the operation the housing becomes very hot (up to 160°C). Allow the device to cool approximately 40 minutes prior to manipulate with it. Min. distance from flammable materials to all exterior surfaces of the luminaire is 0.5m Make sure that the available voltage is not higher than stated on the device. Make sure that the power cord is never crimped or damaged by sharp edges. Check the device and the power-cord from time to time. Always disconnect from the mains, when the device is not in use or before cleaning it. This device falls under protection class I and therefore must be earthed. The electric connection, repairs and servicing must be carried out by a qualified employee. During the initial start-up some smoke or smell may arise. This is a normal process and does not necessarily mean that the device is defective. Do not touch the device’s housing bare hands during its operation (housing becomes hot)! For replacement use lamp of the same type and rating only. Disconnect the device from mains before re-lamping or any maintenance/cleaning operations. Allow to cool cca 40 minutes.
CAUTION ! EYE DAMAGES ! Avoid looking directly into the light source This device was designed for indoor use only. This device is for professional use only. It is not for household use. When choosing the installation spot, please make sure that the device is not exposed to extreme heat, moisture or dust !
The device never must be covered with cloth or other materials during its operation
Only operate the fixture after having checked that the housing is firmly closed and all screws are tightly fastened
Technical specifications
- Mains input: 115 V for HPL 750/115 V LAMP
- 120 V for HPL
- 750/120 V LAMP
- 230 V for HPL
- 750/230 V LAMP
- 240 V for HPL
- 750/240 V LAMP
- Frequency: 50-60Hz
- Max. power consumption: 750W
- Lamp base: G 9,5 Special (with heat sink)
- Life time: 1500 hrs
- Cooling: convection
- Max. Surface temperature: 160°C
- Min. distance from flammable materials: 0.5 m
- Min. distance of illuminated objects: 3 m
- Max. ambient operating temperature: 45°C
- Weight: 7.2kg
- Beam angle: 17°(@1/2 beam), 75° (@1/10 beam)
- Mounting Points: Mounting horizontally or vertically via mounting yoke
- (360° tilt range)
- Rigging: M12 mounting for clamp or spigot.
- Operation position: any
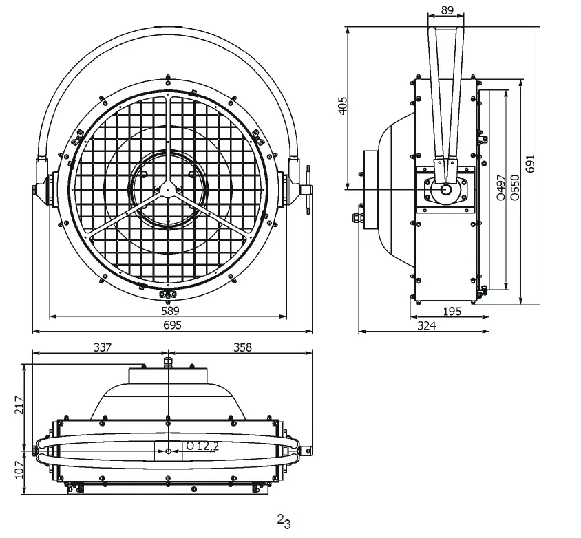
- Dimensions (mm): 2

Beam distribution
Installing the fixture
The fixture has to be rigged to the truss or fastened to the floor stand via the mounting yoke only. The hole of diameter of 12.2 mm in the yoke serves for screwing the yoke to the clamp or to the spigot (the spigot has to be inserted into floor stand and secured).
Always check the fixture is installed safely without a possibility to tilt it over.
For overhead installation the PATT 2013 has to be always secured to the truss by means of a safety wire (that can hold at least 10 times the weight of the fixture) which is fastened to the truss and around mounting yoke of the PATT 2013.
Install a cord cap on the power cable to allow connection to power outlets, install a grounding-type (earthed) plug, following the plug manufacturer’s instructions.
The cores in the power cable are coloured according to the following table.
Core Connection Plug Terminal Marking
Brown Live L
Light blue Neutral N
Yellow/Green Earth
This device falls under class one and must be earthed (grounded)!
Replacing the lamp
Unplug from mains before installing the lamp! Allow the device to cool approximately 40 minutes prior to manipulate with it
- Unscrew four securing screws (1) and remove the front sieve cover (2).
- Unscrew two crews (3) which hold lamp base securing plate (4) and pull the lamp (5) up from the lamp holder.
- Holding the new lamp by its ceramics base, gently insert the lamp to the lamp socket.
Make sure that the lamp is installed tightly into the lamp socket.Do not install a lamp with a higher wattage than stated in technical specifications of the fixture. Do not touch the glass bulb bare hand during the installation! - Screw the lamp base securing plate (4) back.
- Place the front sieve cover (2) and screw the four screws (1).
Optional accessories
(P/N 10980374) Tripod for PATT 2013/2017, pixelPATT
(P/N 1098 0259) Floor Stand for PATT 2013, picklePATT
(P/N 1098 0260) Spigot for PATT 2013/2017/picklePATT, pixelPATT
(P/N 14080053) Lamp HPL750 240V
Copyright © 2016-2022 Robe Lighting – All rights reserved Specifications are subject to change without notice. May 31, 2022 Made in ROBE Lighting s.r.o., 






















