SINED CALDO-VETRO-NERO-2000 W20A12GR-LG Outdoor Heating User Manual
Infrared overview
- CALDO-VETRO-NERO-2000 W20A12GR-LG

- CALDO-IRA-INOX-2000 W20A12MR-LG


The photo is only indicative, the real device may appear slightly different in color.
IMPORTANT INFORMATION
Please read the operating instructions carefully before installing and using the infrared heater. This user manual contains important information about your safety, as well as recommendations for proper use and maintenance.
Keep the operating manual together with the warranty certificate, the sales receipt and, if possible, the cardboard packaging and packing material. The infrared lamp you have purchased may be somehow different from the one described in the manual, but this does not affect how it is used and how it works.
Important precautions and instructions provided in this owner’s guide do not include all possible ways and situations you may encounter. You must understand that common sense, prudence and care are factors that cannot be “built into” any product
SAFETY INSTRUCTIONS
- Read the instructions before installation and use. Certain precautions must be observed when using the infrared heater. Improper operation without observing the precautions may cause damage to the health of the user and other persons as well as damage to their property.
- Installation and electrical connection must be performed by a qualified electrician.
- Use only the voltage indicated on the heater nameplate.
- Connect the unit only to a properly installed power outlet with ground contact.
- The heater must be connected to the power supply with a2-pole circuit breaker.
- It is strongly recommended to use a 30mA differential switch.
- The unit must be handled with care and avoid vibration or shock.
- Do not use the device in areas where gasoline, paint, or other flammable liquids are used or stored.
- Do not use the apparatus in areas where there is a particular risk of explosion.
- Do not use the unit in a construction site, greenhouse, barn, or stable where there is flammable dust.
- Do not use the unit as a sauna heater.
- Do not use this unit where animals reproduce or grow.
- WARNING: To avoid burns, do not touch the surface of the unit with your hands or other body parts.
- Do not place any clothing, towels or the like on top of the heater to dry. Risk of overheating and fire
- Do not leave the heater unattended during use.
- Do not use this heater on a wet surface, or where it may fall or be pushed into water.
- Do not touch a device that has fallen into water. Turn off the power and unplug immediately.
- If the power cord is damaged, it must be replaced by the manufacturer, its service agent or similarly qualified persons to avoid danger.
- If the heater is defective, it must be checked and repaired by the manufacturer, its service agent or similarly qualified persons to avoid danger.
- CAUTION: The heater must not be used if the glass panels are damaged.
- Do not use the device with wet hands.
- Use this unit only as described in this manual. Any other use is not recommended by the manufacturer and may cause fire, electric shock, or injury.
- Do not use abrasive cleaning products on this device. Clean with a damp (not wet) cloth rinsed only with warm water and soap. Always remove the power plug from the mains before cleaning.
- The heater must be installed at least 2.2 m above the floor when the heater is wall- mounted.
- The heater must not be immediately under an electrical outlet. The power outlet must not be located on the back of the heater. They should be located outside the physical footprint of the units to minimize heat buildup behind the heater. The installation should have a disconnect mechanism on all poles with a contact distance of at least 3 mm. The all-pole disconnect mechanism must be installed less than 1.8 m above the floor.
- The heater must be installed so that switches and other controls cannot be touched by a person in the bathtub or shower.
- Do not connect the unit to the power source until it has been installed in its final position and adjusted to the position where it will be used.
- Do not work with the cable wound in a spiral as this could cause heat build-up, which could be dangerous.
- We do not recommend the use of an extension cord with this device.
- Do not allow the cable to come into contact with heated surfaces during operation.
- Do not pass the feeding cord under carpets, rugs, runners, etc.. Place the cord away from areas where it may trip.
- Children under 3 years of age should be kept away, unless they are continuously supervised.
- Children between the ages of 3 and 8 years old should turn the unit on and off only if it has been placed or installed in the intended normal operating position and has received supervision or instructions on how to operate the unit safely and understand the hazards involved. Children 3 years and under must not connect, adjust and clean the appliance or perform user maintenance.
- This appliance may be used by children 8 years of age and older and by persons with reduced physical, sensory or mental capabilities or lack of experience and knowledge, if they have received supervision or instructions on how to use the appliance safely and understand the dangers. Children should not play with the appliance. Cleaning and maintenance of the appliance must not be carried out by children without supervision.
- The device is intended exclusively for the purpose described in the operating instructions.
- Do not use the device or any part of it outside of its intended use to avoid risks.
- The use of accessories not recommended or not sold by the manufacturer of the equipment may cause a risk of injury to persons.
- CAUTION: Some parts of this product may become very hot and cause burns. Special attention should be paid to children and vulnerable people.
- CAUTION: This heater is not equipped with a room temperature control device. Do not use this heater in small rooms when occupied by people who are unable to leave the room alone, unless constant supervision is provided
Specification
| Model | CALDO-VETRO-NERO-2000 | CALDO-IRA-INOX-2000 |
| W20A12GR-LG | W20A12MR-LG | |
| Voltage | 230-240V~, 50-60Hz | 230-240V~, 50-60Hz |
| Power(W) | 2000 | 2000 |
| Installation | wall or ceiling mounting | wall or ceiling mounting |
| Product Size (mm) | 742*110*139 | 742*110*139 |
| Insulation | Classe I | Classe I |
| Water proof | IP65 | IP65 |
Installation
These heaters are specifically designed for installation and use in outdoor environments such as verandas, terraces, patios, backyards, porches, gazebos and outdoor areas
Safety distances required for wall mounting
- Caution: The unit should only be operated in a horizontal position with a maximum slope of ±5°.
- Never install the unit on a flammable surface (plastic, nylon, cardboard, etc.).
- Install the device at a minimum distance of
- 2.2 m above ground
- 0.5 m from the walls
- 0.2 m from ceiling
- 1.5 m from fuels like tents
- 1 m from people or animals

Safety distances required for ceiling installation


Installation for wall and ceiling mounting:
Install the wall or ceiling mounting bracket, with 4 screws ST5 x 35mm (not supplied) and 4 plastic plugs (not supplied);
Select the desired angle, insert the slot of the adjustable bracket, on the stop of the fixing bracket;
Secure the fixing bracket and the adjustable bracket with 2 Philips Bolt M6x16 screws and wing nut;
- CALDO-VETRO-NERO-2000 W20A12GR-LG


- CALDO-IRA-INOX-2000 W20A12MR-LG

NOTE:
- Depending on the material and design of the structural elements of the ceiling or wall, the heater must be fixed with the correct fasteners. The heater can weigh up to 5.5 kg. Kg, the installation site must be able to support 5 times the weight of the heater.
- It is the installer’s responsibility to choose the correct wall or ceiling mounting.
How to operate Instructions for operation:
- CALDO-VETRO-NERO-2000 W20A12GR-LG
- Black ceramic glass panel
- ON/OFF main power switch
- Power cable
- Brackets for wall or ceiling mounting
- Infrared remote control

- CALDO-IRA-INOX-2000 W20A12MR-LG
- Aluminum grill
- ON/OFF main power switch
- Power cable
- Brackets for wall or ceiling mounPng
- Infrared remote control

- The distance between the heater and the remote control should be less than 3 meters and the remote control should be pointed directly at the receiver.
- ATTENTION! The receiver is located near the viewing area and cannot be seen with the naked eye.

- Connect the heater to a 230-240V~ 50-60Hz power outlet. Set the rocker switch to position I: the heater will start operating. Warning: The remote control cannot operate the heater at this stage.
- Insert 2 AAA batteries not included in the infrared remote control. Set the rocker switch to the O position: the heater is off.
- Connect the heater to a 230-240V~ 50-60Hz power outlet. Set the rocker switch to position II, the heater will start in Standby mode, at this time the “- -” symbol will flash to indicate that the unit is in Standby mode.

- Press the “ON” KEY on the remote control, the heater starts operating at high power (P3);

- Press the “LOW”, “MED”, and “HIGH” buttons on the remote control, the heater will operate with the LOW and MED, HIGH power settings, and the “P1” “P2” “P3” symbol will be shown on the display area.

(below setting
(MED setting)
(HIGH setting)
P1: 33% of rated power;
P2: 66% of rated power
P3: 100% of rated power
- TIMER FUNCTION.
- The heater is equipped with a programmable timer that automatically puts the heater into Standby mode after 1, 2, 3, 4 … max. 13 hours of operation. To activate the timer, point the remote control directly at the receiver and press the “1 hr” button. 01″ will be shown on the display area as shown below. this will cause the heater to automatically go into Standby mode after 1 hour of operation. Once in Standby mode, the “- -” symbol will flash.


To set the 13-hour timer, point the remote directly at the receiver and then press 1 2 4 6 on the remote, “13” will be indicated on the display area. This will automatically put the heater into Standby mode after 13 hours of operation. Once in Standby mode, the “- -” symbol will flash.

ATTENTION:- During the running time of the timer, the number on the display shows the remaining time. Example Fox, the 13-hour timer is activated, the display shows “11” after 2 hours of operation;
- During the running time of the timer, the display will show the working power and the remaining timer alternately;
- Deactivate or reprogram the timer.
If the timer is activated, pressing the same key a second time will reprogram or disable the timer.
Example 1. After activating the 13-hour timer by pressing pusher “1” “2” “4” “6”, then pressing pusher “1” the timer will be reprogrammed to (13-1) = 12 hours, then pressing pusher “2” the timer will be reprogrammed to (13-2) = 11 hours. By pressing several other buttons in sequence, the timer can be reset to 0, the heater enters Standby mode and the “- -” symbol flashes. Example 2, a 6-hour timer is set by pressing key “2” “4”. Press push-button “2”, the timer is set to 6-2 = 4 hours, press push-button “4” immediately after, the timer is set to 0, the heater goes into standby mode and the symbol “- -” flashes.

- CAUTION: There is a built-in safety feature that will automatically activate the heater to go into standby mode after eight hours of continuous operation if the timer is not activated.
At this point the “- -” symbol will flash to indicate that the unit is in standby mode.
Cleaning:
- Disconnect the unit from the power supply;
- After the unit has cooled down, the case can be dried;
- Do not touch the bulb element with your fingers as this contact may cause stains.
- The reflector should be cleaned regularly by professionals.
- Do not use abrasive or caustic cleaners!
- Never immerse the device in water! Danger of death!
Maintenance
Any maintenance or repair, including replacement of the bulb element, should only be performed by a qualified electrician.
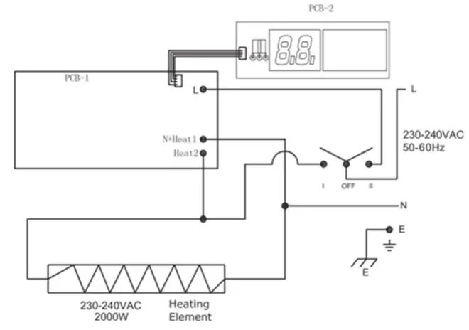
Wiring diagram
Proper disposal of this product
This mark indicates that this product should not be disposed of with other household waste throughout the EU. To avoid possible harm to the environment or human health from uncontrolled waste disposal, recycle waste responsibly to promote the sustainable reuse of material resources. To return your used device, use the return and collection systems or contact the dealer where you purchased the product. They may take this product for environmentally safe recycling.
Batteries must be disposed of in accordance with current regulations
Production: FOSHAN CITY SHUNDE DISTRICT WARMTEK ELECTRICAL CO., LTD.
Address: N. 302 NINETEEN BUILDING, PHASE 3, RONGLI TIANFULAI INDUSTRIAL PARK, RONGGUI,SHUNDE,FOSHAN,GUANGDONG,CHINA
Made in China Imported in Italy by M.P.C. srl Via Tortona 21 20144 Milano Italia Tel +39 02 21117815
e-mail [email protected] website www.sinedtechnology.com
SINED trademark and SINED logo are registered by SINED VENTAS ONLINE S.L.U. EUTM 018196373


































