SINED CALDO-IRB-BLACK-2000 PHA20WR Caldo Vetro Infrared Heaters User Manual
IMPORTANT INFORMATION
Read the operating instructions carefully before installing and using the infrared heater.
This user manual contains important information about your safety, as well as recommendations on the proper use of the unit and its maintenance.
Keep the operating manual together with the warranty certificate, the sales receipt and, if possible, the cardboard packaging and packing material.
The infrared lamp you have purchased may differ in some ways from what is described in the manual, but this does not affect the way it is used or how it operates.
Important precautions and instructions provided in this manual are not intended to cover all possible methods and situations that you may encounter.
It must be understood that common sense, caution and care are the factors that cannot be “built in” to any product.
SAFETY INSTRUCTIONS
- Read the instructions before installation and use.
Certain precautions must be observed when using the infrared heater.
Improper operation without observing the precautions may cause damage to the health of the user and other people, as well as damage to their property. - Installation and electrical connection must be carried out by a qualified electrician.
- Use only the voltage indicated on the heater nameplate.
- Connect the appliance only to a properly installed power outlet with ground contact.
- The heater must be connected to the mains with a 2-pole circuit breaker.
- A 30mA residual current device is strongly recommended.
- The unit must be handled with care and avoid vibration or shock.
- Do not use the equipment in areas where gasoline, paint, or other flammable liquids are used or stored.
- Do not use the device in areas with a high risk of explosion.
- Do not use the appliance in a construction site, greenhouse, barn or stable where there is flammable dust.
- CAUTION: THERE IS A RISK OF FIRE IF THE HEATER IS COVERED OR PLACED NEAR CURTAINS OR OTHER FLAMMABLE MATERIALS
- Do not use the unit as a sauna heater.
- Do not use this unit in the place where animals breed or grow.
- CAUTION: To avoid burns, do not touch the surface of the unit with your hands or other parts of your body.
- CAUTION: To prevent overheating, DO NOT COVER THE HEATER. Do not place any clothing, towels or the like over the heater to dry. Overheating and fire hazard
- Do not leave the heater unattended during use.
- Do not use this heater on a wet surface, or where it can fall or be pushed into water.
- Do not touch a device that has fallen into water. Turn off the power and unplug immediately.
- If the power cord is damaged, it must be replaced by the manufacturer, its service agent or similarly qualified persons to avoid a hazard.
- If the heater is defective, it must be checked and repaired by the manufacturer, its service agent or similarly qualified persons to avoid danger.
- WARNING:
- Do not operate the device with wet hands.
- Use this equipment only as described in this manual. Any other use is not recommended by the manufacturer and may cause fire, electric shock or injury.
- Do not use abrasive cleaning products on this unit. Clean with a damp (not wet) cloth rinsed only with warm soapy water. Always remove the plug from the power supply before cleaning.
- The heater must be installed at least 1.8 m above the floor when the heater is wall mounted.
- The heater must not be located immediately below a power outlet. The outlet should not be located at the rear of the heater.
It should be located outside the physical footprint of the units to minimize heat buildup behind the heater.
The installation must have a disconnect mechanism on all poles with a minimum contact gap of 3 mm. The all-pole disconnect mechanism must be installed less than 1.8 m above the floor. - The heater must be installed so that switches and other controls cannot be touched by a person in the bath or shower.
- Do not connect the unit to the power source until it has been installed in its final location and adjusted to the position in which it will be used.
- Do not operate with the cable coiled as this may cause heat build-up, which could be dangerous.
- We do not recommend the use of an extension cord with this appliance.
- Do not allow the cable to come into contact with heated surfaces during operation.
Do not run the power cord under carpeting, rugs, runners, etc. Place the cord away from areas where it could trip. - Children under 3 years of age should be kept away unless continuously supervised.
- Children 3 years of age and under 8 years of age should turn the appliance on and off only if it has been placed or installed in its intended normal operating position and they have received supervision or instruction concerning the safe use of the appliance and understand the hazards involved.
Children 3 years of age and under must not connect, adjust or clean the appliance or perform user maintenance. - This appliance may be used by children aged 8 years and over and by persons with reduced physical, sensory or mental capabilities, or lack of experience and knowledge, if they have been given supervision or instruction concerning the safe use of the appliance and understand the dangers involved. Children must not play with the appliance. Cleaning and maintenance of the appliance must not be carried out by children without supervision.
- The device is intended exclusively for the purpose described in the operating instructions.
- Do not use the appliance or any part of the appliance outside of its intended use to avoid risk.
- The use of accessories not recommended or sold by the appliance manufacturer may cause risk of injury to persons.
- CAUTION: Parts of this product can become very hot and cause burns. Particular attention should be paid to children and vulnerable persons.
- CAUTION: This heater is not equipped with a room temperature control device.
Installation
The heater CALDO-IRB-Nero-2000 is specifically designed for installation and use in outdoor environments such as verandas, terraces, patios, courtyards, porches, gazebos and dehors.
Required safety distances for wall mounting
- Attention: The appliance must only be operated in a horizontal position with a maximum slope of ±5°.
- Never install the unit on a flammable surface (plastic, nylon, cardboard, etc.).
- If the appliance is used outdoors, it is recommended to use a watertight socket.
Otherwise the plug must be connected to an internal socket. - Install the device at a minimum distance of
- 1.8 m above ground
- 0.6 m from walls
- 0.3 m from the ceiling
- 1.5 m from flammable products such as curtains
- 1 m from people or animals
Unit (mm)
Heating area
This heater produces radiant heat and heats objects, not the air.
Therefore it is imperative that the objects (i.e. people) are within the area directly radiated by the heater.
The following diagrams show the approximate heating area based on outdoor environment.
The diagram shows that the maximum heat output is directly below the heater and the temperature decreases as the user moves away from the heater.
Installation
Check that all accessories are included in the package
| Progr. | Accessory | type | Qty | |
| 1 | Screw | M6x16 | 1 | On Heater |
| 2 | Bracket Set | Aluminum | 1 | In the box |
| 2A | Bolt + Nut | M6x100+M6 | 1 | Fixed on Bracket Set #2 |
| 2B | Bolt + Nut | M8x100+M8 | 1 | Fixed on Bracket Set #2 |
| 3 | Expansion bolt | M6x60 | 2 | In the box |
| 4 | Bracket | Steel | 1 | In the box |
| 5 | Bolt | M8×60 | 1 | In the box |
| 5A | Nut | M8 | 1 | Attached to Bolt n. 5 M8*60 |
| 6 | Washer | Ø6.2xØ14×1 | 1 | Fastened on Bolt n. 2A M6*100 |
| 7 | Washer | Ø8.2xØ16×1 | 3 | Fastened on Bolt n.2B e n.5 |
| 8 | Spring washer | Ø8.2xØ11×1.5 | 1 | 2 pcs fixed on Bolt n.2B and 1 pc on Bolt n. 2A |
Required tools: Phillips screwdriver, wrenches. These tools must be provided by the end user.
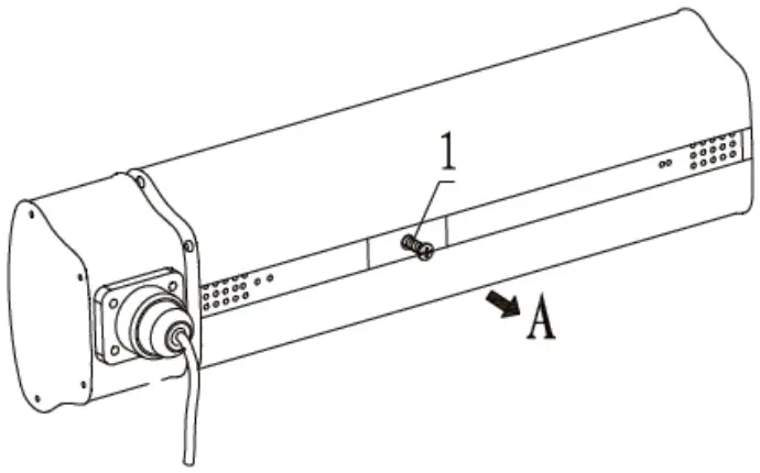
Remove the M6x16 screw from the heater with the screwdriver.
Attention: Unscrew in direction A
Fix the set of brackets (no.2 in the accessories list) on the heater with the M6x16 screw, which was unscrewed in step 1
Attention: Screw in direction B.
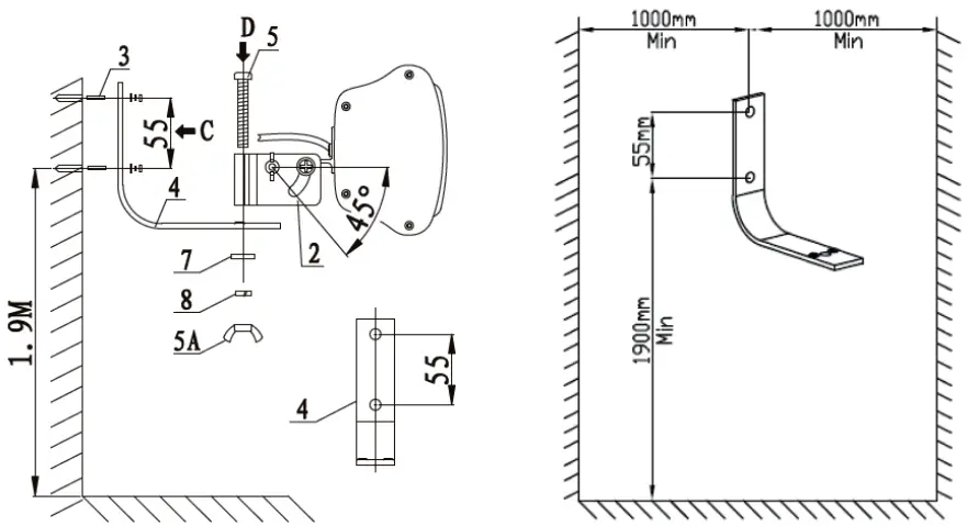
Drill two holes (Ф8*40) in the wall, distance 55mm. Install the bracket (#4 in the accessories list) on the wall with 2 pieces M6*60 (#3 in the accessories list) using the wrench.
Attention: it is absolutely necessary to maintain a distance of at least 1.9 m between the bottom hole and the floor.
Secure the heater to the bracket with the M8x60 bolt (#4 in the accessories list), secure the M8 nut (#5A) by hand and with a Phillips screwdriver.
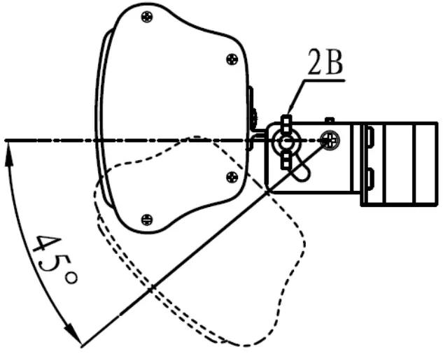
Adjusting the tilt angle: Loosen the M8 nut (No. 2B), and adjust the tilt angle by hand.
The angle should be set to 45 degrees.
Finally, secure the M8 nut (No. 2B) by hand and with a Phillips screwdriver.

OPERATION
- Connect the heater to the main power supply and press the switch, the pilot lamp is flashing and the heater is in stand-by mode;
- Press the “ON” button on the remote control: a beep sounds and the lamp pilot lights up. The heater starts heating at low power (in case of first use) or at the previously set power;
- Press the “LOW” key to set the heating to 33% of the nominal power: a beep sounds.
- Press the “MED” key to set the heating to 66% of the nominal power: a beep sounds.
- press the “HIGH” key to set the heating to 100% of the nominal power: a beep will be heard.
- Press the “OFF” key to set the stand-by mode: a signal will be emitted.
- Press the off button to turn off the heater.
NOTES:
- After turning on the appliance for the first time and after long periods of non-use, the appliance may emit odor for a short period.
- It is normal to see two dark spots on the heating element in the minutes after it is turned on.
This is normal and will not affect the performance of the appliance. - Watch out! Do not look long into the light.
The installation shall be equipped with an omni polar disconnecting device with a break contact distance of at least 3 mm.
CLEANING
- Disconnect the appliance from the mains;
- After the unit has cooled down, the exterior can be cleaned with a dry cloth;
- Do not touch the heating element with your fingers, as such contact may cause staining;
- The reflector should be cleaned regularly by a qualified technician;
- Do not use abrasive or caustic cleaning agents!
- Never immerse the device in water! Danger to life!
MAINTENANCE
Any maintenance or repairs, including bulb replacement, should only be performed by a qualified electrician.
SPECIFICATIONS
| CALDO-IRB-NERO-2000 PHA20WR | |
| Switch | Yes |
| Voltage | 230-240V~, 50Hz |
| Power(W) | 2000 |
| Insulation | Class I |
| Water Protection | IP65 |
Proper disposal of this product
This marking indicates that this product must not be disposed of with other household waste throughout the EU.
To prevent possible harm to the environment or human health from uncontrolled waste disposal, recycle this product responsibly to promote the sustainable reuse of material resources.
To return your used device, please use the return and collection systems or contact the dealer from whom you purchased the product.
They can take this product for environmentally safe recycling.
Batteries must be disposed of in accordance with current regulations.
Production: FOSHAN CITY SHUNDE DISTRICT WARMTEK ELECTRICAL CO., LTD.
Address: NO. 302 NINETEEN BUILDING, PHASE 3, RONGLI TIANFULAI INDUSTRIAL PARK,
RONGGUI, SHUNDE, FOSHAN, GUANGDONG, CHINA
CUSTOMER SUPPORT
Made in China Imported in Italy by M.P.C. srl Via Tortona 21 20144 Milano Italia
Tel: +39 0221117815
e-mail: [email protected]
website: www.sinedtechnology.com
The trademark SINED and the logo SINED are registered by Sined Ventas Online s.l.u EUTM 018196373

















