OPERATING INSTRUCTIONS FOR LED-IR-DIM
SUMMARIZATION
The 12-Key Infrared Dimmer is a dedicated intelligent LED lighting dimmer. It uses the most advanced PWM (Pulse Width Modulation) digital dimming technology. You can manually adjust the brightness. The IR wireless remote control can also be used for remote dimming. Standards for commercial or home a low 86-type switch socket box installation. LED dimmer switches can be installed to meet the lighting needs of commercial or residential lighting environments. To extend the LED lifespan, energy saving; power and low-power LED lighting can be dimmed. Used to control a variety of LED lighting applications such as point source of light, flexible light strips, wall washer lamps, glass curtain wall lights and more. With a competitive price, easy wiring, and ease of use. Though the infrared remote control and dimmers on the knob to adjust brightness. Gray level 255; with custom features, delayed shutdown function and a fixed gray scale output.
TECHNICAL PARAMETERS
- Working Temperature: -20-60°C
- Supply Voltage: 5V, 12V~24V (optional) [Specify the required voltage when ordering]
- Output: 1 channel
- Controller Dimension: L 87i x H 87i x H 53mm
- Remote Dimension: L 86i x W 33i x H 7mm
- Packing Size: L 160 x W 95 x H 51mm
- Net Weight: 145g
- Gross Weight: 180g
- Static Power Consumption: < 1W
- Output Current: < 8A
- Output Power: 5V: < 40W | 12V: < 96W | 24V: < 192W
External Dimension

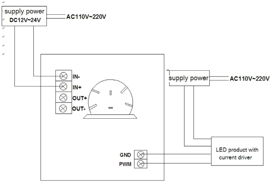
Interface Specifications

Directions For Use
- Connect the load wire first, followed by the power wire. TO ENSURE THAT A SHORT CIRCUIT CAN NOT OCCUR CONNECT THE WIRES BEFORE YOU TURN ON THE POWER.
- When in use, the remote control should be facing the infrared receiver. Ensure there are no obstructions between the remote and the receiver. When the dimmer receives a signal from the infrared remote control, the red light on the front will flicker. There are two methods for dimming:
a. Infrared remote control adjustment mode. See the below table for the features of each key.Symbol Key Name Function 
ON/OFF Turns the unit ON and OFF 
DELAY OFF Pressing this key will turn the unit OFF automatically after 30 secs. 
Brightness+
Brightness –Increases and decreases the gray scale. Each press of the key will increase or decrease the gray scale by 2 grades. There are 255 grades in total. 
HOT KEY Brightness shortcut key. Instantly dims the light to the percentage indicated on the button. 
SCENE DIY mode keys. Press one key for 3 seconds. The indicator light will flicker once indicating the current brightness setting has been saved to this key. There are four keys in total. Usually pressing once shows the previously saved brightness level. b. Manual adjustment mode. Rotate the knob clockwise to increase the brightness. Turn the knob counterclockwise to decrease the brightness.
Typical Application 1

Typical Application 2

Web: www.outwater.com
Phone: 1-800-631-8375

















