
HUSKY Bar Drinks Chiller

To ensure safe operation, please read this user manual thoroughly before use.
© 2017 Husky. Husky reserve the right to change specifications at any time without notice.
Images used are for illustration only. Stock not included.
Welcome to your new Husky
Thank you for buying this Husky chiller. It has been designed and manufactured for many years of trouble-free service.
Operation is very simple, but please take a few minutes to read this user manual. It contains important safety information, and tips to ensure you receive the best possible service from your Husky unit.
2
All models
Important Notes
WARNING: RISK OF ELECTRICAL SHOCK HAZARD
USERS IN EUROPE: This refrigeration unit must be earthed.
If the power cable is damaged, it must be replaced by a qualified engineer to avoid shock hazard. DO NOT ATTEMPT TO SERVICE THE ITEM YOURSELF. Ensure that the unit is properly earthed. Stop using the chiller immediately if electric shock is felt when touching the cabinet.
DISPOSAL OF OLD REFRIGERATORS
BE SURE TO MAKE ANY LOCKS UNUSABLE. IF POSSIBLE, REMOVE THE DOOR(S) AND DISCARD SEPARATELY.
WARNING – CHEMICAL HAZARD: DO NOT ALLOW CHILDREN TO PLAY WITH OLD REFRIGERATORS. CONTACT YOUR LOCAL AUTHORITY FOR PROPER DISPOSAL PROCEDURES.
Before disposing of an old refrigerator, please make sure it is switched off and safe. Unplug the refrigerator and break any locks in order to avoid children becoming trapped.
Please note: the refrigeration system contains gases and refrigerants which require specialist waste disposal. The valuable materials contained in a refrigerator can be recycled.
Contact your local waste disposal depot for proper disposal of an old refrigerator and contact your local authority or dealer if you have any questions.
Ensure the pipework of your refrigerator is not damaged prior to disposal. You can contribute to the environmental awareness by insisting on an appropriate non-polluting method of disposal.
USERS IN EUROPE - WEEE COMPLIANCE
Husky chillers are authorised to carry the CE (Conformité Européene) and WEEE (Waste Electrical and Electronic Equipment Directive) symbols.
![]()

The WEEE symbol on this chiller indicates that the product must not be disposed of with household waste. To help prevent possible harm to health and the environment, the product must be disposed of by recycling methods authorised as environmentally safe. For more information on how to dispose of this product appropriately, contact your dealer or the recycling department at your local authority.
Husky chillers and their components undergo strict product testing by independent companies to comply or exceed all applicable local and international regulatory standards.
SAFETY INSTRUCTIONS & WARNINGS
Before switching on your Husky chiller, read the information in this user manual carefully. The user manual contains important observations relating to the assembly, operation and maintenance of the unit.
Please keep this user manual in a safe place for future reference. If you ever sell this unit, hand this user manual to the new owner.
3
The manufacturer does not accept responsibility for any damages that may arise due to non-observation of these instructions.
- Do not use the unit if it is damaged. If you are in any doubt, consult an engineer.
- Connection and installation of your Husky unit are to be carried out in strict compliance with the relative instructions in this user manual.
- Make sure there is a suitable power outlet with proper grounding to power the chiller.
- For safety, the unit must be properly earthed in accordance with specifications.
- Always remember to unplug the unit before cleaning. Never unplug this unit by pulling on the power cable. Always grip plug firmly and pull straight out from the socket.
- All electrical repairs must be carried out by a qualified engineer. Inadequate repairs may be dangerous.
- Do not damage any parts of the chiller which carry refrigerant by piercing, perforating, crushing, twisting or scraping. If refrigerant comes into contact with the eyes it may cause serious eye injury.
- Do not obstruct or cover the ventilation grille.
- Do not allow children to play with the unit, or to sit on it or hang onto the door.
- This unit is not intended for use by persons (including children) with reduced physical, sensory or mental capabilities, or lack of experience and knowledge, unless they have been given supervision or instruction concerning use of the unit by a person responsible for their safety.
BEFORE USING FOR THE FIRST TIME
IMPORTANT: Before switching the unit on, we recommend you allow it to stand upright for 8 hours. Failure to do this may result in damage to the unit.
- Remove the wooden pallet and the packing.
- To ensure correct operation, it is important that the unit is level. The cabinet may be levelled by turning either or both of the adjustable feet in the front corners. Use a spirit level to check.
- Before operation, we recommend that the cabinet is cleaned for reasons of hygiene and to remove any residue left from manufacture.
- For good circulation, vents must not be blocked. Keep a minimum of 100mm of clear space around the chiller. Your Husky unit should be placed on flat and firm surface for quieter operation. Failure to do so may cause loss of performance.
- Do not expose the unit to direct sunlight or a heat source such as ovens, radiators, heaters, etc. Failure to do so may cause loss of performance.
- Do not under any circumstances place heated food or beverages in your Husky chiller.
- Do not open the door more often than necessary to lessen the escape of cold air.
- For better air circulation, do not overfill the unit.
- Adjust the thermostat according to the amount of product and the ambient temperature.
4
Troubleshooting
Before calling Technical Support, please check the following points; you may be able to solve any problem yourself.
| Problem | Possible Cause | Action |
| The chiller does not work properly | The chiller is not plugged in. | Connect the plug to the power supply. |
| The plug and/or the power cable are faulty. | Call your supplier or a qualified engineer. | |
| The fuse has blown. | Replace the fuse with one of the same rating. | |
| The chiller is faulty. | Call your supplier or a qualified engineer. | |
| The chiller’s internal temperature is too high or too low. | The wrong temperature is selected. | Check the controller and adjust the set temperature. |
| The factory default settings for the controller are incorrect. | Call your supplier or a qualified engineer. | |
| The condenser is blocked by an accumulation of dust. | Clean using a vacuum cleaner and soft brush attachment (see p8) | |
| The doors are not fully closed. | Check the unit is level and the seals are not damaged. | |
| The chiller is close to a heat source or the ambient temperature is too high. | Move the chiller to a better location and check it is out of direct sunlight. | |
| The ventilation grille is blocked. | Move the chiller to improve free movement of air. | |
| The chiller is noisy in operation or makes unusual noises. • Note: It is normal to hear some noises as refrigerant flows through the compressor. | The chiller is not on a level, firm surface, or the unit may be touching other items. | Check location and position using a spirit level. |
| The chiller is vibrating against a neighbouring object. | Relocate the chiller or the object. | |
| Outer surfaces are wet | Chiller may be close to a water source or leak. | Dry surfaces thoroughly and move the chiller. |
| Inner surfaces are wet | The door may be opened too often or kept open too long. | Try to minimise opening of the doors for better cooling performance. |
5
General operating instructions for all models
Operating Instructions
INTERIOR LIGHT
The interior light may be switched on or off using the rocker switch on the inside right-hand wall of the cabinet (see Fig. 2 on page 7).
REPLACING LED LIGHTS
- Disconnect the chiller from the power supply.
- Remove the light cover, pull out the wires and remove the LED lights.
- Install the new LED lights, connect the wires, and replace the light cover.
- Reconnect the chiller to the power supply.
INSTALLING SHELVES
Fit the shelf clips to the ladder racks (see Fig. 3 on page 7) and install the shelves horizontally. Ensure the clips are located firmly and the shelves are secure before loading the chiller.
EASY MAINTENANCE ACCESS
Switch the unit off and disconnect from the mains supply. To access the compressor compartment, simply remove the screws securing the rear access panel - see Fig 4 on page 7. Any repairs or maintenance, other than CLEANING (see below) must be carried out by QUALIFIED ENGINEERS ONLY.
CLEANING
The condenser and the compressor compartment MUST be cleaned quarterly. Switch the unit off and disconnect from the mains supply. See ‘Easy Maintenance Access’ how to access the compressor compartment. Use a vacuum cleaner fitted with a soft brush attachment to remove dust carefully from the condenser, the components and grilles - see Fig 5 on page 7.
The external and internal surfaces of the unit should be cleaned regularly. Switch the unit off and disconnect from the mains supply. Clean the external and internal surfaces of the unit with a mild soap solution, then wipe dry. Do NOT use cleansers containing chlorine or other harsh cleansing agents, as these can damage the stainless steel surfaces and components. Use mild soapy water to clean the gasket and seals.
GETTING SERVICE ASSISTANCE
The cooling system is a hermetically sealed circuit and does not require any maintenance other than regular cleaning (see ‘Cleaning’).
If the unit fails to work, first check the power supply. If you cannot locate the reason for the failure, please contact your supplier, stating the model and serial number of the cabinet. You may find this information on the rating plate, which is affixed inside the unit on the top right-hand interior wall.
6
Exploded Diagrams
1.
2.
4.
3. 
5. 
To access the compressor compartment:
i. Remove the two screws.
ii. Push the removable panel down slightly to free it from the securing flange.
iii. Angle the removable panel forwards and down to remove it.
7
Additional model-specific instructions for Standard Range and Solid Door Range C1, C2, & C3
- These instructions should be read in conjunction with the general operating instructions on pp6&7.
Operating Instructions
TO OPERATE THE ELECTRONIC THERMOSTAT

The thermostat has been pre-set, and in most cases it is not necessary to adjust the settings. When the unit is operating normally, the display will show the current temperature.
To display the set temperature press the
button. Press the button again to return to normal operation.
To set a new temperature, press
. The display will flash and the current set temperature will be displayed. Press the
button to increase the set temperature, or press the
button to decrease the set temperature. Press the
button to save the new setting. The display will flash with the new value and then revert to display the cabinet temperature.
Please note:
- When the chiller is connected to the mains for the first time there will be a short delay before cooling starts. During this time the Refrigeration Light will flash. After the short delay, cooling will begin and the Refrigeration Light will be illuminated. When the chiller reaches the set temperature, the Refrigeration Light will be off.
- If you do not press any button, after six seconds the controller will return to its normal display.
DEFROSTING
The unit defrosts automatically at preset intervals. If however the door is opened too often, or if the unit if in a location with high humidity, or if the contents are changed more frequently, it may be necessary to defrost the unit manually. To start or stop manual defrosting, press the
button for six seconds. The Defrosting Light will be illuminated. Melt water runs to a container placed in the compressor compartment and evaporates. After defrosting is complete, the unit will return to normal operation.
8
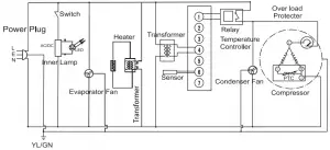
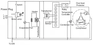
Circuit Diagrams
C1H-840/865/900 & C2H/S-840/865/900

C2H-865 (Sweden)

C3H/S–840/865/900

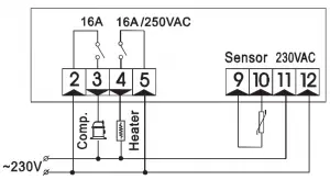
Wiring Diagram
ELECTRONIC THERMOSTAT SF-102SBQ

9
Additional model-specific instructions for PRO Range C1PRO, C2PRO, & C3PRO
- These instructions should be read in conjunction with the general operating instructions on pp6&7.
Operating Instructions
TO OPERATE THE ELECTRONIC THERMOSTAT

The thermostat has been pre-set, and in most cases it is not necessary to adjust the settings. When the unit is operating normally, the display will show the current temperature.
To display the set temperature press the
button. Press the button again to return to normal operation.
To set a new temperature, press
. The display will flash and the current set temperature will be displayed. Press the
button to increase the set temperature, or press the
button to decrease the set temperature. Press the
button to save the new setting. The display will flash with the new value and then revert to display the cabinet temperature.
Please note:
- When the chiller is connected to the mains for the first time there will be a short delay before cooling starts. During this time the Refrigeration Light will flash. After the short delay, cooling will begin and the Refrigeration Light will be illuminated. When the chiller reaches the set temperature, the Refrigeration Light will be off.
- If you do not press any button, after six seconds the controller will return to its normal display.
DEFROSTING
The unit defrosts automatically at preset intervals. If however the door is opened too often, or if the unit if in a location with high humidity, or if the contents are changed more frequently, it may be necessary to defrost the unit manually. To start or stop manual defrosting, press the
button for six seconds. The Defrosting Light will be illuminated. Melt water runs to a container placed in the compressor compartment and evaporates. After defrosting is complete, the unit will return to normal operation.
10
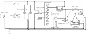
Circuit Diagrams
C1PROH-840/865/900 & C2PROH/S-840/865/900

C3PROH/S-840/865/900

Wiring Diagram
ELECTRONIC THERMOSTAT SF-102SBQ

11
Additional model-specific instructions for AlFresco Range C1ALF, C2ALF, & C3ALF
- These instructions should be read in conjunction with the general operating instructions on pp6&7.
Operating Instructions
TO OPERATE THE ELECTRONIC THERMOSTAT

The thermostat has been pre-set, and in most cases it is not necessary to adjust the settings. When the unit is operating normally, the display will show the current temperature.
To display the set temperature press the
button. Press the button again to return to normal operation.
To set a new temperature, press
. The display will flash and the current set temperature will be displayed. Press the
button to increase the set temperature, or press the
button to decrease the set temperature. Press the
button to save the new setting. The display will flash with the new value and then revert to display the cabinet temperature.
Please note:
- When the chiller is connected to the mains for the first time there will be a short delay before cooling starts. During this time the Refrigeration Light will flash. After the short delay, cooling will begin and the Refrigeration Light will be illuminated. When the chiller reaches the set temperature, the Refrigeration Light will be off.
- If you do not press any button, after six seconds the controller will return to its normal display.
DEFROSTING
The unit defrosts automatically at preset intervals. If however the door is opened too often, or if the unit if in a location with high humidity, or if the contents are changed more frequently, it may be necessary to defrost the unit manually. To start or stop manual defrosting, press the
button for six seconds. The Defrosting Light will be illuminated. Melt water runs to a container placed in the compressor compartment and evaporates. After defrosting is complete, the unit will return to normal operation.
12
Circuit Diagrams
ALF-C1

ALF-C2

ALF-C3

Wiring Diagram
ELECTRONIC THERMOSTAT SF-102SBQ

13
Additional model-specific instructions for Intelligenzia Range C1ITH, C2ITH, & C3ITH
- These instructions should be read in conjunction with the general operating instructions on pp6&7.
Operating Instructions
TO OPERATE THE ELECTRONIC THERMOSTAT

The thermostat has been pre-set, and in most cases it is not necessary to adjust the settings. When the unit is operating normally, the display will show the current temperature. To display the set temperature press the
button. Press the button again to return to normal operation. To set a new temperature, press
. The display will flash and the current set temperature will be displayed. Press the
button to increase the set temperature, or press the
button to decrease the set temperature. Press the
button to save the new setting. The display will flash with the new value and then revert to display the cabinet temperature.
Please note:
- When the chiller is connected to the mains for the first time there will be a short delay before cooling starts. During this time the Refrigeration Light will flash. After the short delay, cooling will begin and the Refrigeration Light will be illuminated. When the chiller reaches the set temperature, the Refrigeration Light will be off.
- If you do not press any button, after six seconds the controller will return to its normal display.
INTELLIGENZIA MODE
The Husky Intelligenzia range is designed for superior energy efficiency. If the chiller is not opened for two hours, the unit enters its energy-saving Intelligenzia mode. The evaporator fan and compressor will stop, and the internal temperature will increase from 4°C to 9°C. All these features are part of the Intelligenzia range’s normal operation.
DEFROSTING
The unit defrosts automatically at preset intervals. If however the door is opened too often, or if the unit if in a location with high humidity, or if the contents are changed more frequently, it may be necessary to defrost the unit manually. To start or stop manual defrosting, press the
button for six seconds. The Defrosting Light will be illuminated. Melt water runs to a container placed in the compressor compartment and evaporates. After defrosting is complete, the unit will return to normal operation.
14
Circuit Diagrams
C1ITH–840/865/900

C2ITH–840/865/900

C3ITH-840/865/900

Wiring Diagram
ELECTRONIC THERMOSTAT SF-402

15
Additional model-specific instructions for Below Zero Range C1ZZ, C2ZZ, & C3ZZ
- These instructions should be read in conjunction with the general operating instructions on pp6&7.
Operating Instructions
TO OPERATE THE ELECTRONIC THERMOSTAT

The thermostat has been pre-set, and in most cases it is not necessary to adjust the settings. When the unit is operating normally, the display will show the current temperature.
To display the set temperature press the
button. Press the button again to return to normal operation.
To set a new temperature, press
. The display will flash and the current set temperature will be displayed. Press the
button to increase the set temperature, or press the
button to decrease the set temperature. Press the
button to save the new setting. The display will flash with the new value and then revert to display the cabinet temperature.
Please note:
- When the chiller is connected to the mains for the first time there will be a short delay before cooling starts. During this time the Refrigeration Light will flash. After the short delay, cooling will begin and the Refrigeration Light will be illuminated. When the chiller reaches the set temperature, the Refrigeration Light will be off.
- If you do not press any button, after six seconds the controller will return to its normal display.
DEFROSTING
The unit defrosts automatically at preset intervals. If however the door is opened too often, or if the unit if in a location with high humidity, or if the contents are changed more frequently, it may be necessary to defrost the unit manually. To start or stop manual defrosting, press the
button for six seconds. The Defrosting Light will be illuminated. Melt water runs to a container placed in the compressor compartment and evaporates. After defrosting is complete, the unit will return to normal operation.
16
Circuit Diagrams
C1ZZH-840/865/900 & C2ZZH/S-840/865/900

C3ZZH/S–840/865/900

Wiring Diagram
ELECTRONIC THERMOSTAT SF-102SBQ

17
Additional model-specific instructions for Combi model C2COMBI
- These instructions should be read in conjunction with the general operating instructions on pp6&7.
Operating Instructions
TO OPERATE THE ELECTRONIC THERMOSTAT


The thermostat has been pre-set, and in most cases it is not necessary to adjust the settings. When the unit is operating normally, the display will show the current temperature.
To display the set temperature press the
button. Press the button again to return to normal operation.
To set a new temperature, press
. The display will flash and the current set temperature will be displayed. Press the
button to increase the set temperature, or press the
button to decrease the set temperature. Press the
button to save the new setting. The display will flash with the new value and then revert to display the cabinet temperature.
Please note:
- When the chiller is connected to the mains for the first time there will be a short delay before cooling starts. During this time the Refrigeration Light will flash. After the short delay, cooling will begin and the Refrigeration Light will be illuminated. When the chiller reaches the set temperature, the Refrigeration Light will be off.
- If you do not press any button, after six seconds the controller will return to its normal display.
DEFROSTING
The unit defrosts automatically at preset intervals. If however the door is opened too often, or if the unit if in a location with high humidity, or if the contents are changed more frequently, it may be necessary to defrost the unit manually. To start or stop manual defrosting, press the
button for six seconds. The Defrosting Light will be illuminated. Melt water runs to a container placed in the compressor compartment and evaporates. After defrosting is complete, the unit will return to normal operation.
18
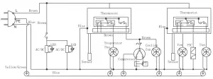
Circuit Diagram
C2CMH–840/865/900

Wiring Diagram
‘BEER SIDE’ ELECTRONIC THERMOSTAT SF-102B

‘WINE SIDE’ ELECTRONIC THERMOSTAT ED235

19
Additional model-specific instructions for Drawer model C2DWR
- These instructions should be read in conjunction with the general operating instructions on pp6&7. Please see page 21 for an important safety note applicable to this model only.
Operating Instructions
TO OPERATE THE ELECTRONIC THERMOSTAT

The thermostat has been pre-set, and in most cases it is not necessary to adjust the settings. When the unit is operating normally, the display will show the current temperature.
To display the set temperature press the
button. Press the button again to return to normal operation.
To set a new temperature, press
. The display will flash and the current set temperature will be displayed. Press the
button to increase the set temperature, or press the
button to decrease the set temperature. Press the
button to save the new setting. The display will flash with the new value and then revert to display the cabinet temperature.
Please note:
- When the chiller is connected to the mains for the first time there will be a short delay before cooling starts. During this time the Refrigeration Light will flash. After the short delay, cooling will begin and the Refrigeration Light will be illuminated. When the chiller reaches the set temperature, the Refrigeration Light will be off.
- If you do not press any button, after six seconds the controller will return to its normal display.
DEFROSTING
The unit defrosts automatically at preset intervals. If however the door is opened too often, or if the unit if in a location with high humidity, or if the contents are changed more frequently, it may be necessary to defrost the unit manually. To start or stop manual defrosting, press the
button for six seconds. The Defrosting Light will be illuminated. Melt water runs to a container placed in the compressor compartment and evaporates. After defrosting is complete, the unit will return to normal operation.
20
IMPORTANT SAFETY INSTRUCTIONS FOR DRAWER MODEL C2DWR ONLY
To reduce the risk of injury, this model requires the fitting of a retaining bracket to the wall to prevent accidental tipping when the drawers are opened. The bracket is supplied with your unit.
How to fit the retaining bracket

BRACKET INSTALLATION OPTION 1

BRACKET INSTALLATION OPTION 2
21
Additional model-specific instructions for Drawer model C2DWR
Circuit Diagram
C2DWR

Wiring Diagram
ELECTRONIC THERMOSTAT SF-102SBQ

22
23

Welcome to Husky, the home of smart refrigeration. We are a leading global refrigeration specialist with over 25 years experience in quality refrigeration for convenience and hospitality professionals, and we have a great range of chillers for the home too. You’ll find Husky products all over the world, so whatever your requirements we’re sure to have a good looking energy-efficient model that’s perfect for you.

www.husky-international.com
www.husky.co.uk
HELPLINE/TECHNICAL SUPPORT
To contact your local technical support, refer to the rating plate on the inside wall or the back of your unit.
180417


3. 

















