BJ383V Electronically Controlled Frost Free V Series Bottom Mount
Refrigerators Instructions
ELECTROLUX HOME PRODUCTS PTY LTD
ABN 51 004 762 341
| Technical Publication Nº RE115 Book C27 | Issue: 1 Date: 8/04 |
MODELS: ALL MODELS
EX. VIEW DRAWING 4998 CONTROL HOUSING ASSEMBLIES

MODELS: BJ435V (White)
EX. VIEW DRAWING 4992A DOOR ASSEMBLIES

MODELS: BJ383V, BJ385V, BJ433V, BJ435V
EX. VIEW DRAWING 4976 FREEZER ASSEMBLY
MODELS: BJ435V (White)
EX. VIEW DRAWING 4999C CABINET ASSEMBLY

MODELS: BJ433V, BJ435V
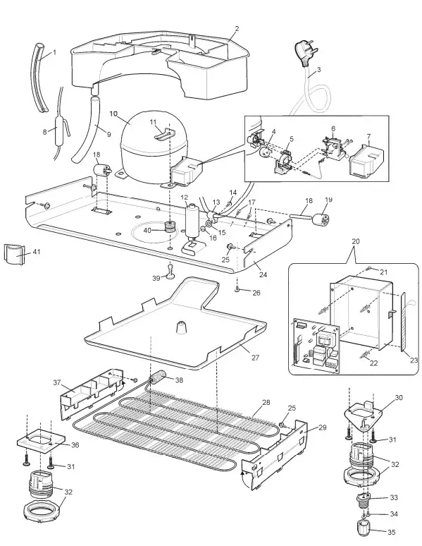
EX. VIEW DRAWING 4885A MACHINE COMPARTMENT

WEB SITE ADDRESS: www.partnship.com.au
WESTINGHOUSE
ELECTRONICALLY CONTROLLED
FROST FREE
“V” SERIES
BOTTOM MOUNT
REFRIGERATORS



















