Powering Business Worldwide
NZM-XSWD-704 SmartWire-DT Communication Module
Instructions 06/21 IL05006005Z
Electric current! Danger to life!
Installation, commissioning and maintenance work must be carried out by qualified personnel only.
NZM-XSWD-704
Eaton.com/documentation
MN05006001Z… (AWB2723-1613…)
MN05006002Z… (AWB2723-1617…)
Eaton.com/nzm
Mounting
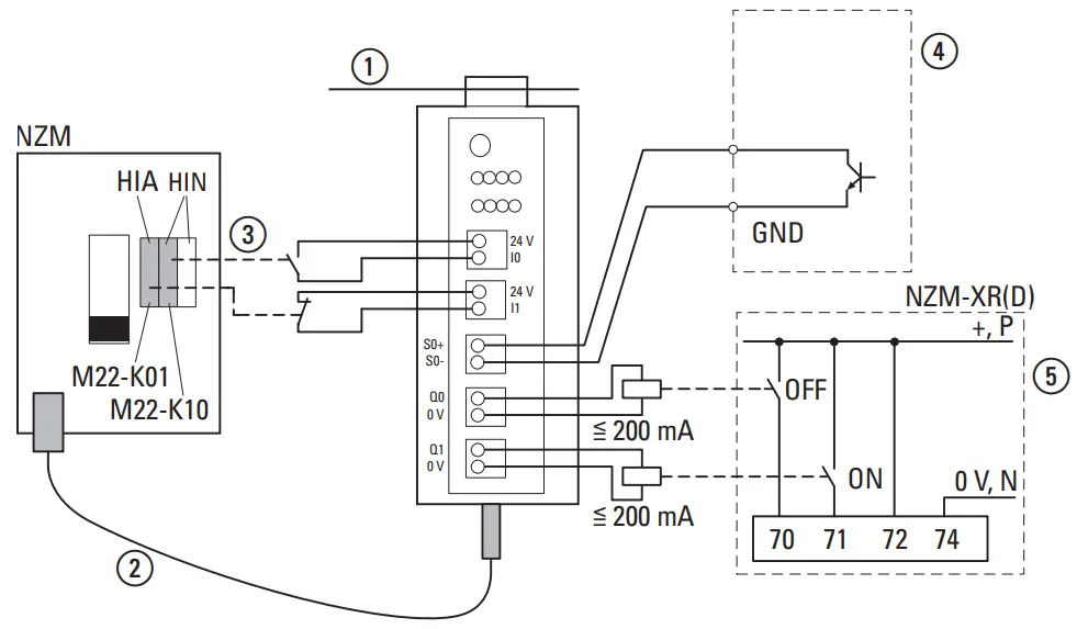
Smart Wire-DT connection
Data cable NZM with NZM-XSWD-704

Connections

Auxiliary contacts in NZM
XMC energy metering device (external)
Remote operator
EU: Eaton Industries GmbH, Hein-Moeller-Straße 7-11, 53115 Bonn, Germany
UK: Eaton Electric Ltd., P.O. Box 554, Abbey Park, Southampton Road, Titchfield, PO14 4QA, United Kingdom
USA:
Eaton.com/eatoncare
Eaton.com/contacts
Eaton.com/aftersales
Eaton.com/documentation
+1 877-386-2273
06/21 IL05006005Z
Eaton.com/recycling






















