VIDEOTEC VERSO Hi-PoE IPM Polycarbonate Housing with IPM Technology

About this manual
Read all the documentation supplied carefully before installing and using this product. Keep the manual in a convenient place for future reference.
Typographical conventions
DANGER
High level hazard. Risk of electric shock. Disconnect the power supply before proceeding with any operation, unless indicated otherwise.
CAUTION
Medium level hazard. This operation is very important for the system to function properly. Please read the procedure described very carefully and carry it out as instructed. INFO Description of system specifications. We recommend reading this part carefully in order to understand the subsequent stages. Notes on copyright and information on trademarks The mentioned names of products or companies are trademarks or registered trademarks. Safety rules CAUTION! Device installation and maintaining must be performed by specialist technical staff only.
CAUTION
- The electrical system to which the unit is connected must be equipped with an automatic bipolar circuit breaker. The circuit breaker for main supply voltage phase units must have a level of intervention of 20A max. The circuit breaker for low voltage units must have a level of intervention of 6A max. This circuit breaker must be of the Listed type. The minimum distance between the circuit breaker contacts must be 3mm (0.1in). The circuit breaker must be provided with protection against the fault current towards the ground (differential) and the overcurrent (magnetothermal).
- The manufacturer declines all responsibility for any damage caused by an improper use of the appliances mentioned in this manual. Furthermore, the manufacturer reserves the right to modify its contents without any prior notice. The documentation contained in this manual has been collected and verified with great care. The manufacturer, however, cannot take any liability for its use. The same thing can be said for any = person or company involved in the creation and production of this manual.
- Before starting any operation, make sure the power supply is disconnected. • Be careful not to use cables that seem worn or old. • Never, under any circumstances, make any changes or connections that are not shown in this handbook. Improper use of the appliance can cause serious hazards, risking the safety of personnel and of the installation. • Use only original spare parts. Non-original spare parts could cause fire, electrical discharge or other hazards.
- Comply with all the national standards during the device installation.
- This device was designed to be permanently secured and connected on a building or on a suitable structure. The device must be permanently secured and connected before any operation. • Before proceeding with installation, check the supplied material to make sure it corresponds to the order specification by examining the identification labels (4.2 Product marking, page 5).
- Any device which could be installed inside the product must comply with the current safety standards.
- If the installation is NEMA TYPE 4X, the installer must replace the cable glands of the product with NEMA TYPE 4X cable glands.
- For all connections, use cables that are able to withstand temperatures of at least 75°C (167°F).
- The product is designed to house only cameras that are properly certified according to IEC/UL 60950-1 or IEC/UL 62368-1 (7W max).
- A power disconnect device must be included in the electrical installation, and it must be very\ quickly recognizable and operated if needed.
- To connect the power supply line use the appropriate junction-box (UPTJBUL). For further information, refer to the product use and installation manual.
- Use Listed tube crimping lugs for the connection of the network conductors to the terminals. The copper tube crimping lugs must be suitable for the type of installation (from -20°C (-4°F) a +80°C (+176°F) min., V-0). Copper tube crimping lugs examples: RP, BP o YP (Cembre).
- Power supply to the product must be exclusively provided by the PoE cable (Power over Ethernet).
- Installation category (also called Overvoltage Category) specifies the level of mains voltage surges that the equipment will be subjected to. The category depends upon the location of the equipment, and on any surge voltage protection provided. Equipment in an industrial environment, directly connected to major feeders/short branch circuits, is subjected to Installation Category III. If this is the case, a reduction to Installation Category II is required. This can be achieved by use of an insulating transformer with an earthed screen between primary and secondary windings, or by fitting UL listed Surge Protective Devices (SPDs) from live to neutral and from neutral to earth. Listed SPDs shall be designed for repeated limiting of transient voltage surges and the following rated operation conditions: Type 2 (SPDspermanently connected to the power network and intended for installation on the load side of the service equipment); Nominal Discharge Current (In) 20kA min. For example: FERRAZ SHAWMUT, STT2240SPG-CN, STT2BL240SPG-CN rated 120Vac/240Vac, (In=20kA). Maximum distance between installation and reduction is 5m.
Identification
Product description and type designation
The VERSO Hi-PoE IPM housing optimally exploits POE and Hi-POE technology, using the power supplied by the Ethernet cable as the sole source of power for all the devices connected, thus ensuring the maximum efficiency and flexibility of the network system as well as user-friendly installation and low costs. The innovative IPM (Intelligent Power Management) system enables extremely quick and easy installation with the use of a single Ethernet connecting cable. The Hi-POE IPM system automatically detects all the options, like heating, fan and illuminator and then autonomously balances the power to ensure suitable distribution of the same to the connected devices. This guarantees the optimal operation of the IP camera between -30°C (-22°F) and +60°C (140°F), with heat regulation and cold start (activation at low temperature). The IPM system offers an opportunity to refit analogue systems with already installed housings by simply changing the slide and internal electronics. This enables the digital conversion, speeding up the installation and thereby minimizing costs and environmental impact.
Preparing the product for use
Any change that is not expressly approved by the manufacturer will invalidate the guarantee.
Unpacking
When the product is delivered, make sure that the package is intact and that there are no signs that it has been dropped or scratched. If there are obvious signs of damage, contact the supplier immediately. When returning a faulty product we recommend using the original packaging for shipping. Keep the packaging in case you need to send the product for repairs.
Contents
Check the contents to make sure they correspond with the list of materials as below
- Housing
- RJ45 wiring
- Housing equipment:
- Allen wrench
- Spacers
- Cable glands gaskets
- Cable glands (x3)
- Bolts and screws
- Screws for camera
- Instruction manua
Safely disposing of packaging material
The packaging material can all be recycled. The installer technician will be responsible for separating the material for disposal, and in any case for compliance with the legislation in force where the device is to be used.
Preparatory work before installation
Mounting the bracket
The product must be fastened with suitable equipment. The fastening means must guarantee mechanical sealing when a force equal to at least 4 times the weight of the device is applied.
Installation
The product may be interfaced with devices not manufactured by VIDEOTEC. VIDEOTEC recommends a test prior to installation. VIDEOTEC will not be liable for any installation costs or lost revenues in the event a compatibility problem will occur.
Housing opening
Loosen the 2 screws on the side, turn the cover and the upper half of the body about the opening hinge axis.

After installation and wiring, close the product.
Slide removal
To remove the slide it is necessary to unscrew the fixing screws as shown in figure

Installation of cable glands
For the internal cable routing brackets it is necessary to use the sealing ring kit (OWBIP). The reduced space does not allow the use of the supplied cable glands. The kit must be bought separately.Inside the supply are 3 cable glands that must be installed at the bottom of the housing as shown in figure. The cable glands that are not used must be sealed with the cap to avoid water entering the housing.

Installation of the GEKO IRH illuminator (optional)
The maximum power of the illuminator must not exceed 6W. To install the illuminator it is necessary to use the illuminator bracket (OSUPPIR). The kit must be bought separately. Use the cable glands or the smallest sealing ring to avoid water entering the housing. To install the illuminator under a housing, refer to the installation manual. For further details on configuration and use refer to the relative chapter (6.4.4 Connection of the GEKO IRH illuminator (optional), page 9).
Brackets and adaptors
The product can be fixed on a bracket or an adaptor. For further information refer to the product’s technical data sheet or directly contact VIDEOTEC.
Installation of the version with double filter for air renewal
During installation pay attention to the orientation of the air inlet filter fins

Depending on the angle of inclination of the housing, the orientation of the filter fins must prevent water penetrating in case of rain: To guarantee weatherproof protection, install the housing on the support following the inclination limits as shown in the picture.

Maximum tilt of the transversal axis: 0°. Maximum tilt of the longitudinal axis: ±45°
Ethernet cable installation
Insert the Ethernet cable in the gasket and block it as shown in figure.

Fit the gasket (01) to the cable gland M20 (02). Fasten the cable gland to the bottom of the housing (03) using the M20 nut (04).
Pay attention to the fixing. Tightening torque: 7Nm.
Pass the cable with connector RJ45 (05) through the M20 cable gland (02). Tighten the cable gland cap (06).

How to install the camera
The correct operation of the equipment, within the temperature range indicated, is guaranteed only if you use camera and lenswith temperature limits equal to at least -10°C and +60°C.It is possible to install only PoE type cameras.
Mount the camera using the supplied screws
- And spacers
- Apply at least one spacer to guarantee electrical isolation between the slide and the camera. Position the camera lens close to the glass to avoid visual interference or optical reflections. Connect the camera to the J2 connector (PoE OUT) with the supplied cable

Refit the slide in its housing and fix the screws and washers previously removed

Connection of the GEKO IRH illuminator (optional)
Connect the illuminator to the J6 terminal as described in the diagram below.


To adjust the lighting threshold of the illuminator refer to the product’s use and installation manual.
PoE cable connection
Connect the PoE cable from the Power Injector to the J1 connector

Before powering the device, you must set the maximum power consumption of the housing operating on dip switch SW1 (7 Configuration, page 10).
Connection of the blower with double filter for air renewal (optional)
Connect the fan cable to the J4 connector.

Configuration
Before powering the device, you must set the maximum power consumption of the housing operating on dip switch SW1



Switching on
The automatic pre-heating (De-Ice) process could be started whenever the device is switched on and the ambient temperature is below 0°C (+32°F). The procedure is necessary to guarantee correct operation of the devices even at low temperatures. The duration ranges depending on environmental conditions (from 60 minutes up to 120 minutes). During the lighting phase the device reads the status of the dip switch and automatically detects all the connection options for the correct energy management of the housing. The LEDs shown in the figure allow to check the product’s operating status.


Refer to the table to identify the operating status
Maintenance
Kit for upgrading of the equipment
Remove the slide
- The electronic board
- And the heating

If the housing is provided with a blower with a double filter for air renewal it is also necessary to replace the blower with the one included in the kit.

For kit installation information refer to chapter 6 Installation, page 7.
Cleaning
Cleaning the window and plastic parts
Avoid ethyl alcohol, solvents, hydrogenated hydrocarbons, strong acid, and alkali. Such products may irreparably damage the surface. We recommend using a soft cloth with neutral soap diluted with water or specific products to clean the glass’s lenses.
Information on disposal and recycling
The European Directive 2012/19/EU on Waste Electrical and Electronic Equipment (WEEE) mandates that these devices should not be disposed of in the normal flow of municipal solid waste, but they should be collected separately in order to optimize the recovery stream and recycling of the materials that they contain and to reduce the impact on human health and the environment due to the presence of potentially hazardous substances
The symbol of the crossed-out bin is marked on all products to remember this.
The waste may be delivered to appropriate collection centers or may be delivered free of charge to the distributor where you purchased the equipment at the time of purchase of a new equivalent or without obligation to a new purchase for equipment with size smaller than 25cm (9.8in). For more information on the proper disposal of these devices, you can contact the responsible public service.
Technical data
General
Made of strong technopolymer (polycarbonate),RAL9002 colourSunshield in ABS Epoxypolyester powder painting, RAL9002 color Stainless steel external screws
Mechanical
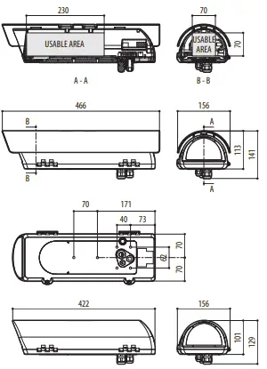
Internal usable area (WxHxL): 70x70x230mm (2.7×2.7×9.0in) Cable glands: 1xM12, 1xM16, 1xM20 Polycarbonate window (WxH): 105x64mm (4.1×2.5in) Unit weight: 1.6kg (3.5lb)
Electrical
Power absorbed in input: PoE class 3 (13W) or Hi-PoE class 4 (25W) selectable with dip switch Available power for the camera (PoE IN class 3): PoE Class 2 (7W) Available power for the camera (Hi-PoE IN class 4): PoE class 3 (13W) with Ton -10°C ±2°C “cold start” function Data line: 10/100Base-T Illuminator GEKO IRH, low power: 6W Heater: 8W, electronically controlled, Ton 20°C±2°C (68°F±4°F), Toff 23°C±2°C (73.4°F±4°F) Fan with thermostat for camera cooling for versions with double air filter: Ton 35°C±2°C (95°F±4°F), Toff 32°C±2°C (89.6°F±4°F) Demisting with forced hot air: 5W Compatible with IEEE 802.3af, IEEE 802.3at/PoE Plus Compatible with the Power Injector (OHEPOWINJ: VIDEOTEC optional accessory)
Environment
For indoors and outdoors installation Operating temperature: From -10°C (14°F) up to +60°C (140°F) Operating temperature (with heater): From -30°C (-22°F ) up to +60°C (140°F) Chemical agents resistance
- High resistance: basics, alcohols, gas, hydrocarbon
- Good resistance: Organic acids, inorganic acids, oils
- Low resistance: Solvents
Certifications
Electrical safety (CE): EN60950-1, IEC60950-1, EN62368-1, IEC62368-1 Electromagnetic compatibility (CE): EN50130-4, EN61000-6-3, EN55032 Class B, FCC Part. 15 Class B, ICES-003 Class B Outdoor installation (CE): EN60950-22, IEC 60950-22
IP protection degree (EN60529)
- IP66/IP67 (with cable glands)
- IP66/IP67 (with sealing rings and an internal cable channel)
- IP55 (with bracket with internal cable channel)
- IP44 (for models with a double filter for ventilation)
IK protection degree (EN62262): IK10
UL certification
- cULus Listed, TYPE 4X (except for versions with double filter for the air exchange)
- UL94, V1 (fire-self extinguish)
Technical drawings
The indicated measurements are expressed in millimeters.





















