POLISHING MACHINE
USER MANUAL
DSM150PS; DSM200PS 

SAFETY SIGNS
SAFETY SIGNS DEFINITION OF SYMBOLS
CE-Conformal! – This product complies with the EC directives.
Follow the instructions!
Wear personal protective equipment!
Stop and pull out the power plug before any break and engine maintenance!
Replace missing or non-readable safety stickers immediately!
TECHNIC
3.1 Components
DSM150PS DSM200PS

| 1 | ON-Off-switch | 4 | Flansch Fixation nut |
| 2 | Polishing disc | 5 | Machine body |
| 3 | Stand with 4 holes |
3.2 Delivery Content
DSM150PS / DSM200PS

3.3 Technical Data
| DSM150PS | DSM200PS | DSM200PS | ||
| voltage (frequency) | V (Hz) | 230 (50) | 230 (50) | 400 (50) |
| motor power (S1/S6) | W | 300 / 520 S6(15%) | 600 / 900 S6(15%) | 600 / 900 S6(15%) |
| Idle-speed | min-1 | 2950 | 2950 | 2950 |
| polishing disc dimension | mm | 150 x 25 x 16 | 200 x 25 x 16 | 200 x 25 x 16 |
| net weight | kg | 12 | 19 | 19 |
| gross weight | kg | 13 | 20,5 | 20,5 |
| Machine dimension | mm | 470x170x220 | 470x200x250 | 470x200x250 |
| packaging dimensions (L x W x H) | mm | 471x261x254 | 525x320x320 | 525x320x320 |
PREFACE
Dear customer!
This operating manual contains information and important notes for safe start-up and handling of the polishing machine DSM150PS, DSM200PS, hereinafter referred to as “machine”.
The manual is an integral part of the machine and must not be removed. Keep it for later use in a suitable place, easily accessible to users (operators), protected from dust and moisture, and enclose it with the machine if the machine is passed on to third parties!
Please pay special attention to the chapter Safety!
Due to the constant further development of our products, illustrations and contents may differ slightly. If you notice any errors, please inform us.
Subject to technical changes!
Check the goods immediately after receipt and note any complaints on the consignment note when taking over the goods from the deliverer!
Transport damage must be reported separately to us within 24 hours.
HOLZMANN cannot accept any liability for unnoticed transport damage.
Copyright
© 2019
This documentation is protected by copyright. All rights reserved! Especially the reprint, the translation, and the extraction of photos and illustrations will be prosecuted.
The place of jurisdiction shall be the Regional Court of Linz or the court responsible for 4170 Haslach.
Customer Service Address
HOLZMANN MASCHINEN GmbH
AT-4170 Haslach, Marktplatz 4
AUSTRIA
Tel +43 7289 71562 – 0
Fax +43 7289 71562 – 4
[email protected]
SAFETY
This section contains information and important notes on the safe start-up and handling of the machine.
For your own safety, read these operating instructions carefully before putting the machine into operation. This will enable you to handle the machine safely and prevent misunderstandings as well as personal injury and damage to property. In addition, observe the symbols and pictograms used on the machine as well as the safety and hazard information!
12.1 Intended Use of the Machine
The machinery is intended exclusively for the following operations: polishing metals, wood, and plastics workpieces.
HOLZMANN MASCHINEN assumes no responsibility or warranty for any other use or use beyond this and for any resulting damage to property or injury.
12.1.1 Technical Restrictions
The machine is intended for use under the following ambient conditions:
Rel. Humidity: max. 70 %
Temperature (Operation) +5° C bis +40° C
Temperature (Storage, Transport) -25° C bis +55° C
12.1.2 Prohibited Applications / Hazardous Misapplications
– Operating the machine without adequate physical and mental fitness.
– Operating the machine without knowledge of the operating instructions.
– Changes to the design of the machine.
– Operating the machine outdoors.
– Operating the machine near flammable liquids, vapors, or gases.
– Operating the machine outside the technical limits specified in this manual.
– Remove the safety markings attached to the machine.
– Modify, bypass, or disable the safety devices of the machine.
The improper use or disregard of the versions and instructions described in this manual will result in the voiding of all warranty and compensation claims against Holzmann Maschinen GmbH.
12.2 User Requirements
The machine is designed for operation by one person. The physical and mental aptitude, as well as knowledge and understanding of the operating instructions, are prerequisites for operating the machine. Persons who, because of their physical, sensory or mental abilities or their inexperience or ignorance, are unable to operate the machinery safely must not use it without supervision or instruction from a responsible person.
Please note that local laws and regulations may determine the minimum age of the operator and restrict the use of this machine!
Put on your personal protective equipment before working on the machine.
Work on electrical components or equipment may only be carried out by a qualified electrician or under the instruction and supervision of a qualified electrician.
12.3 General Safety Instructions
To avoid malfunctions, damage, and health hazards when working with the machine, the following points must be observed in addition to the general rules for safe working:
- Before start-up, check the machine for completeness and function.
- Choose a level, vibration-free, non-slip surface for the installation location.
- Ensure sufficient space around the machine!
- Ensure sufficient lighting conditions at the workplace to avoid stroboscopic effects.
- Ensure a clean working environment.
- Only use perfect tools that are free of cracks and other defects (e.g. deformations).
- Remove tool keys and other adjustment tools before turning on the machine.
- Keep the area around the machine free of obstacles (e.g. dust, chips, cut parts, etc.).
- Never leave the running machine unattended. Switch off the machine before leaving the working area and secure it against unintentional or unauthorized restart.
- The machine may only be operated, maintained, or repaired by persons who are familiar with it and who have been informed of the dangers arising in the course of this work.
- Ensure that unauthorized persons maintain an appropriate safety distance from the machine and keep children away from the machine.
- When working on the machine, never wear loose jewelry, loose clothing, ties, or long, open hair.
- Hide long hair under hair protection.
- Wear close-fitting protective clothing and suitable protective equipment (eye protection, dust mask, ear protection, work gloves).
- Always work with care and the necessary caution and never use excessive force.
- Do not overload the machine!
- Shut down the machine and disconnect it from the power supply before carrying out any adjustment, retrofitting, cleaning, maintenance, or repair work. Before starting any work on the machine, wait until all tools or machine parts have come to a complete standstill and secure the machine against unintentional restarting.
- Do not work on the machine if it is tired, not concentrated, or under the influence of medication, alcohol, or drugs!
12.4 Electrical Safety
- Make sure that the machine is earthed.
- Only use suitable (extension-)cables. Do not use the cable to pull the plug out of the socket. Protect the cable from heat, oil, and sharp edges.
- The machine may only be used in humid environments if the power source is protected by a residual current circuit breaker.
- Protect yourself from electric shock. Avoid body contact with earthed parts.
- A damaged cable must be replaced immediately!
12.5 Special safety instructions for that machine
- Do not reach into the running machine.
- Do not brake the polishing wheel with your hand or other objects.
- Do not use the machine if the polishing wheel is damaged.
- Polishing dust can contain chemical substances that have a negative effect on personal health. Work on the machine only in well-ventilated rooms and with a suitable dust mask!
- The machine must stand firmly on a firm, stable, vibration-resistant base with rubber feet mounted. For stationary operation, we recommend that the machine be fixed to the ground (e.g. stable workbench) or to a suitable machine stand (e.g. DSMMS1).
12.6 Hazard Warnings
Despite their intended use, certain residual risks remain. Due to the design and construction of the machine, hazardous situations may occur when handling the machines, which are identified as follows in these operating instructions:
DANGER
A safety instruction designed in this way indicates an imminently hazardous situation that, if not avoided, will result in death or serious injury.
WARNING
Such a safety instruction indicates a potentially hazardous situation that, if not avoided, may result in serious injury or even death.
CAUTION
A safety instruction designed in this way indicates a potentially hazardous situation that, if not avoided, may result in minor or moderate injury.
NOTICE
A safety notice designed in this way indicates a potentially hazardous situation that, if not avoided, may result in property damage.
Irrespective of all safety regulations, your common sense, and appropriate technical suitability/training are and will remain the most important safety factor for the error-free operation of the machine. Safe working primarily depends on you!
TRANSPORT
For proper transport, follow the instructions and information on the transport packaging regarding the center of gravity, attachment points, weight, means of transport to be used and prescribed transport position, etc.
Transport the machine in its packaging to the place of installation. When lifting, carrying, and depositing the load, make sure that you are in the correct posture:
- Lifting, Depositing
Ensure stability when lifting/setting down (legs hip width).
Lift/lower load with bent knees and straight back (like a weightlifter).
Do not lift/lower the load jerkily. - Carrying
Carry load with both hands as close to the body as possible.
Carry load with a straight back.
OPERATION
14.1 Checking Scope of Delivery
Always note visible transport damage on the delivery note and check the machine immediately after unpacking for transport damage or missing or damaged parts. Report any damage to the machine or missing parts immediately to your retailer or freight forwarder.
14.2 Installation site
NOTE: The floor or worktable at the installation site must be able to bear the load of the machine.
The minimum space required for the machine is determined by the dimensions of the machine plus a safety area around the machine. Select a flat, solid surface with appropriate space for installation. When setting up the machine, also take into account the working area required to process workpieces. The base of this unit has mounting holes that allow it to be attached to a workbench/machine stand (e.g.: Holzmann DSMMS1) to prevent it from moving during operation and causing accidental injury or damage.
(DSMMS1)
14.3 Operation
CAUTION
Avoid touching the polishing wheel and the workpiece immediately after use as they become very hot.
14.3.1 Operation notes
After switching on, let the polishing wheels accelerate to full speed before starting polishing.
Do not overload the machine! An unmistakable sign of overload is when the polishing wheel loses a significant amount of rotational speed.
Wear protective goggles when polishing.
The fixing screws and flange must be checked before each use, if necessary the fixing screw must be retightened.
14.3.2 Starting / stopping the machine
You can switch the machine on and off with the on/off switch
Turn it on: Press button (1)
Turn it off: Press button (2)
14.3.3 Polishing
With the polishing wheels, different metal alloys like stainless steel, steel, aluminum, brass, etc. can be polished.
Wood or plastics can also be polished.
The different processes are distinguished between pre-polishing, polishing, and high-gloss polishing.
CLEANING, MAINTENANCE, STORAGE, DISPOSAL
WARNING
Danger due to electrical voltage! Handling the machine with the power supply up may result in serious injury or death. For this reason, always disconnect the machine
from the power supply before cleaning, servicing, or maintenance work and secure it against accidental start-up!
15.1 Cleaning
NOTICE
Wrong cleaning agents can attack the varnish of the machine. Do not use solvents, nitro thinners, or other cleaning agents that could damage the machine’s paint.
Observe the information and instructions of the cleaning agent manufacturer!
Regular cleaning is a prerequisite for the safe operation of the machine and its long service life.
Keep the surfaces and ventilation slots of the machine free of dust and dirt. For cleaning, use a soft cloth and a mild soap solution and, if necessary, a damp-free jet of compressed air.
15.2 Maintenance
The machine is low-maintenance and only a few parts have to be serviced. Nevertheless, malfunctions or defects which could impair the safety of the user must be rectified immediately!
- Regularly check that the warning and safety labels on the machine are in perfect and legible condition.
- Only use perfect and suitable tools.
- Only use original spare parts recommended by the manufacturer.
15.2.1 Maintenance and Servicing Plan
The type and degree of machine wear depend to a large extent on the operating conditions. The following intervals apply when using the machine within the specified limits:
| Interval | Component | What to do? |
| Before every start of work | Polishing disc | check for damage |
| power cord | ||
| Each time after completion of work | surfaces | remove dust and dirt |
| As required | polishing disc | replace |
15.2.2 Replacing the Polishing discs
WARNING
Before opening the cover, make sure that the machine is disconnected from the power supply and secured against accidental start-up. If you have just used the machine, wait a few minutes before opening it until the grinding wheel and machine have cooled down.
- Fix the polishing disc and unscrew the fixing nut and flange.
- Remove the old polishing disc and put on the new one.
- Screw on with flange and fixing nut.
- Run the polishing discs briefly in test mode and check for any irregularities such as unbalance etc.
15.3 Storage
NOTICE
Improper storage can damage and destroy important components. Only store packed or unpacked parts under the intended environmental conditions!
When not in use, store the machine in a dry, frost-proof, and lockable place to prevent the formation of rust on the one hand and to ensure that unauthorized persons and in particular children have no access to the machine on the other hand.
15.4 Disposal
Observe the national waste disposal regulations. Never dispose of the machine components or equipment in residual waste. If necessary, contact your local authorities for information on the disposal options available.
If you buy a new machine or an equivalent device from your specialist dealer, he is obliged in certain countries to dispose of your old machine properly.
TROUBLESHOOTING
WARNING
Danger due to electrical voltage! Manipulating the machine with the power supply up may result in serious injury or death. Before carrying out any troubleshooting work, always disconnect the machine from the power supply and secure it against unintentional recommissioning!
Many possible sources of error can be excluded in advance if the machine is properly connected to the mains. If you are unable to carry out necessary repairs properly and/or do not have the required training, always consult a specialist to solve the problem.
| Fault | Possible Cause | Remedy |
| The machine cannot be switched on | • Mains plug is not plugged in | • Plug in the mains plug |
| • ON-OFF-switch is defective | • Contact the Customer Service Center |
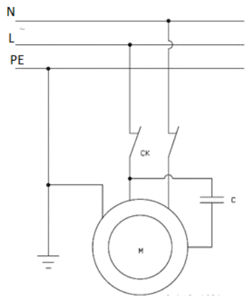
WIRING DIAGRAM

SPARE PARTS
24.1 Spare Parts Order
With Holzmann spare parts, you use spare parts that are ideally matched to your machine. The optimum fitting accuracy of the parts shortens the installation time and extends the service life of the machine.
NOTICE
The installation of parts other than original spare parts leads to the loss of the guarantee! Therefore: When replacing components/parts, only use spare parts recommended by the manufacturer.
Please use the service form at the end of this manual to order spare parts. Always state machine type, spare part number, and designation. In order to avoid misunderstandings, we recommend that you enclose a copy of the spare parts drawing with your spare parts order, on which the required spare parts are clearly marked.
You find the order address in the preface of this operation manual.
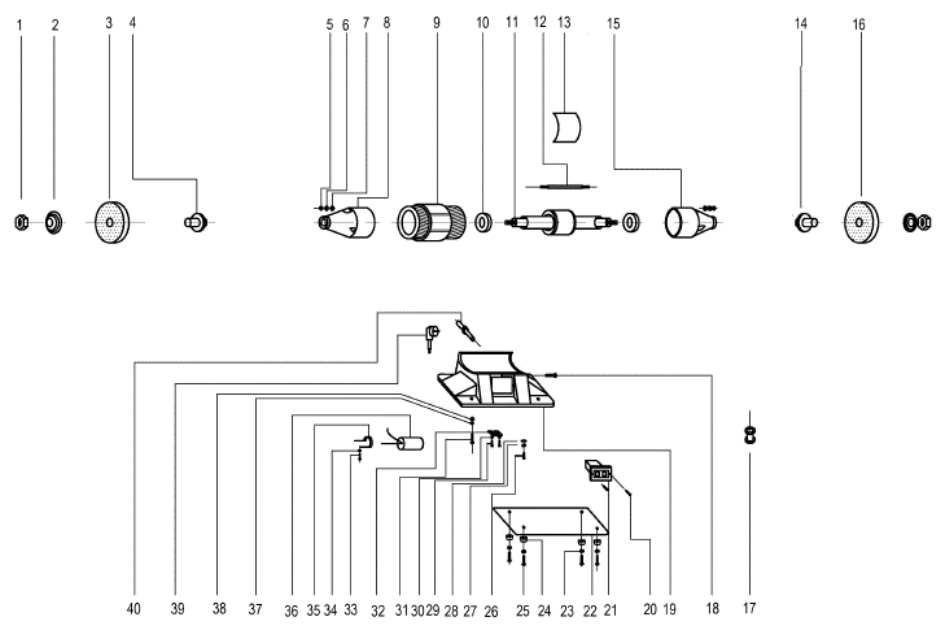
24.2 Exploded view

| # | DESCRIPTION | QTY | # | DESCRIPTION | QTY | # | DESCRIPTION | QTY |
| 1 | Screw not | 1 | 15 | Right cap | 1 | 28 | tooth washer | 1 |
| 2 | Outside chuck | 2 | 16 | Right; polishing disc | 1 | 29 | Bolt | 2 |
| 3 | (Left) polishing disc | 1 | 17 | A coil | 1 | 30 | Flat washer | 2 |
| 4 | Chuck | 2 | 18 | Bolt | 1 | 31 | Bolt | 2 |
| 5 | Screw nut | 8 | 19 | Base | 1 | 32 | cord bushing plate | 1 |
| 6 | Spring washers | 8 | 20 | Bolt | 2 | 33 | Bolt | 1 |
| 7 | Flat pad | 8 | 21 | Switch | 1 | 34 | Flat washer | 1 |
| 8 | Left cover | 1 | 22 | Base plate | 1 | 35 | capacitor clip | 1 |
| 9 | Stator | 1 | 23 | washer | 4 | 36 | Capacitor | 1 |
| 10 | Bearing | 2 | 24 | rubber feet | 4 | 37 | Washer | |
| 11 | Rotor shaft | 1 | 25 | Bolt | 4 | 38 | lat washer | 2 |
| 12 | Screw mandrel | 4 | 26 | Bolt | 1 | 39 | Plug & Cord | 1 |
| 13 | Stickers | 1 | 27 | washer | 1 | 40 | Cable Adaptor | 1 |
| 14 | Chuck | 1 |
GUARANTEE TERMS
- Warranty:
For mechanical and electrical components Company Holzmann Maschinen GmbH grants a warranty period of 2 years for DIY use and a warranty period of 1 year for professional/industrial use – starting with the purchase of the final consumer (invoice date).
In case of defects during this period that are not excluded by paragraph 3, Holzmann will repair or replace the machine at its own discretion. - Report:
In order to check the legitimacy of warranty claims, the final consumer must contact his dealer. The dealer has to report in written form the occurred defect to Holzmann. If the warranty claim is legitimate, Holzmann will pick up the defective machine from the dealer. Returned shipping by dealers which have not been coordinated with Holzmann will not be accepted. An RMA number is an absolute must-have for us – we won‘t accept returned goods without an RMA number! - Regulations:
a) Warranty claims will only be accepted when a copy of the original invoice or cash voucher from the trading partner of Holzmann is enclosed in the machine. The warranty claim expires if the accessories belonging to the machine are missing.
b) The warranty does not include free checking, maintenance, inspection or service works on the machine. Defects due to incorrect usage through the final consumer or his dealer will not be accepted as warranty claims either.
c) Excluded are defects on wearing parts such as carbon brushes, fingers, knives, rollers, cutting plates, cutting devices, guides, couplings, seals, impellers, blades, hydraulic oils, oil filters, sliding jaws, switches, belts, etc.
d) Also excluded are damages on the machine caused by incorrect or inappropriate usage, if it was used for a purpose which the machine is not supposed to, ignoring the user manual, force majeure, repairs or technical manipulations by not authorized workshops or by the customer himself, usage of non-original Holzmann spare parts or accessories.
e) After inspection by our qualified staff, resulted in costs (like freight charges) and expenses for not legitimated warranty claims will be charged to the final customer or dealer.
f) In case of defective machines outside the warranty period, we will only repair them after advance payment or dealer’s invoice according to the cost estimate (incl. freight costs) of Holzmann.
g) Warranty claims can only be granted for customers of an authorized Holzmann dealer who directly purchased the machine from Holzmann. These claims are not transferable in the case of multiple sales of the machine. - Claims for compensation and other liabilities:
The liability of company Holzmann is limited to the value of goods in all cases.
Claims for compensation because of poor performance, lack, damages, or loss of earnings due to defects during the warranty period will not be accepted.
Holzmann insists on its right to the subsequent improvement of the machine.
SERVICE
After the Guarantee and warranty expiration specialist repair shops can perform maintenance and repair jobs. But we are still at your service as well with spare parts and/or product service. Place your spare part/repair service cost inquiry by filing the SERVICE form on the following page and send it:
via Mail to [email protected] or use the online complaint.- or spare parts order formula provided on our homepage www.holzmann-maschinen.at under the category service/news.
PRODUCT MONITORING
We monitor our products even after delivery.
In order to able to guarantee a continuous improvement process, we are dependent on you and your impressions when handling our products. Let us know about:
– Problems that occur when using the product
– Malfunctions that occur in certain operating situations
– Experiences that may be important for other users
Please note down such observations and send them to us by e-mail, fax, or letter post.
My experiences
Name___________________________
Product_________________________
Purchase date____________________
Purchased from__________________
e-mail__________________________
Thank you for your cooperation!
SERVICE FROM
Please tick one box from below:
service inquiry
spare part inquiry
guarantee claim
- Daten Antragsteller (* sind Pflichtfelder) / senders information (* required)
* Vorname, Nachname / first name, family name
* StraBe, Hausnummer / street, house number
* PLZ, Ott / ZIP code, place
* Staat / country
* (Mobil)telefon / (mobile) phone International numbers with country code
* E-Mail
Fax - Tool information
Serial number:
*Machine type:
2.1 Required spare parts
| Part No° | Description | Number |
2.2 Problem description
Please describe amongst others the problem: What has caused the problem/defect, and what was the last activity before you noticed the problem/defect? For electrical problems: Have you checked your electric supply and the machine already by a certified electrician?
Additional information
INCOMPLETELY FILLED SERVICE FORMS CAN NOT BE PROCESSED! FOR GUARANTEE CLAIMS PLEASE ADD A COPY OF YOUR ORIGINAL SALES / DELIVERY RECEIPT OTHERWISE IT CAN NOT BE ACCEPTED. FOR SPARE PART ORDERS PLEASE ADD TO THIS SERVICE FORM A COPY OF THE RESPECTIVE EXPLODED DRAWING WITH THE REQUIRED SPARE PARTS BEING MARKED CLEARLY AND UNMISTAKABLE. THIS HELPS US TO IDENTIFY THE REQUIRED SPARE PARTS FASTLY AND ACCEL-LERATES THE HANDLING OF YOUR INQUIRY.
THANK YOU FOR YOUR COOPERATION!



















