
Installation and Instruction Manual
SURFACE MOUNT DUAL SENSE TRAILING EDGE SENSOR HIM16
Technical Specifications
| Product type | Dual sense trailing edge motion sensor (HF and PIR, Daylight harvest) |
| Operating voltage | 120∼277VAC 50/60Hz |
| Rated load | Resistive: 120W @ 120VAC; 200W @ 220∼277VAC Trailing edge dimming driver: 100W @ 120V; 150W @ 220∼277W |
| Power consumption | < 1W |
| Detection angle | 360° |
| Detection area (Max.)” | Installation Height : 6m Detection Range (Ø) :12m |
| Detection range | 10% / 50% / 75% / 100% |
| Hold time | 2s / 30s / 1min / 5min / 10min / 15min / 20min / 30min |
| Stand-by time | Os / 10s / 1min / 5min / 10min / 30min / 1h / +∞ |
| Stand-by dimming level | 10% / 20% / 30% / 50% |
| Daylight threshold | 50 ∼ 500Lux, Disable |
| Warmming up time | 30s |
| Operating temperature | -20°C ∼ +55°C |
| Sensor mode | PIR, HF, PIR+HF, PIR / HF |
Installation
Warnings:
- Installation must be carried out by a qualified engineer in accordance with local regulations.
- Disconnect supply before installing.
- Install to a solid surface – vibrations may cause mis-triggering.
- Ensure environmental conditions are suitable for electronic equipment

Note: the blinds are optional, they may be inserted behind the lens for focussing the detection range.
Note:We recommend the mounting distance between sensor to sensor should be more than 2m to prevent sensors from false-triggering.
Direct junction “J” box mounting
a. Separate control board (A) from facia (B) & junction box (C).
b. Make electrical connections to control board (A). See detailed wiring diagram on next page.
c. Secure control board (A) to junction box.
d. Set-up sensor modes as per sections 3 & 4 of this manual.
e. Clip facial plate (B) to control board (A).

Surface mount assembly
a. Separate control board (A) from facia (B) & Surface box (C).
b. Securely mount surface box (C) to a flat and solid surface.
c. Make electrical connections to control board (A). See detailed wiring diagram on next page.
d. Set-up sensor modes as per sections 3 & 4 of this manual.
e. Secure control board (A) to surface box (C).
f. Clip facial plate (B) to control board (A).

Rotary Switch Settings
A rotary switch is built inside the sensor for scene selection / fast programming. Total 16 channels available:
| Channel | Detection range | Hold time | Stand-by time | Stand-by dimming level | Daylight threshold |
| 0 | 100% | 5s | lOs | 10% | Disable |
| 1 | 100% | lmin | 5min | 10% | 50Lux |
| 2 | 100% | 5min | 10min | 10% | 50Lux |
| 3 | 100% | 5min | +∞ | 10% | 75Lux |
| 4 | 100% | 5min | +∞ | 10% | 100Lux |
| 5 | 100% | 5min | +∞ | 30% | 200Lux |
| 6 | 100% | 10min | 30min | 10% | 50Lux |
| 7 | 100% | 10min | +∞ | 10% | 75Lux |
| 8 | 100% | 10min | +∞ | 10% | 100Lux |
| 9 | 100% | 10min | +∞ | 30% | 200Lux |
| A | 100% | 20min | 1h | 10% | 100Lux |
| B | 100% | 20min | +∞ | 30% | 200Lux |
| C | 100% | 30min | +∞ | 10% | 100Lux |
| D | 100% | 30min | +∞ | 30% | 200Lux |
| E | 100% | 30min | +∞ | 50% | 400Lux |
| F | 100% | 5s | lOs | 10% | 100Lux |
Note: settings can also be changed by remote control HRC-11. The last action controls.
Sensor Mode Selection
Sensor mode can be easily selected by choosing the correct combination of the DIP switches (see table below):
Functions
5.1 Daylight Harvest (Daylight Regulating)
The built-in daylight sensor can measure ambient natural light, and calculate how much electrical light is needed to reach the target lux level. The target lux level can be adjusted by remote control or long press on the push switch.
5.2 Lux Off Function
The light dims to minimum level even switches off completelly if ambient daylight is sufficient (natural light level exceeds target lux level), no matter it is during hold-time or stand-by time, with or without motion.
Note: if the stand-by time is preset at “+∞”, the light never turns off even when natural light is sufficient.
5.3 Manual Override (Push Function)
With the help of push-switch, this sensor maybe over-ridden by the end-users to switch on/off the lights manually, or adjust the target lux level. This makes the product more user-friendly and offers more options to fit for extra-ordinary demands.
* Short push (<1s): on/off function;
ON → OFF: the light turns off immediately and cannot be lighten for a certain time (equals to hold time preset) even movement is detected. After this period, the sensor goes back to auto sensor mode.
OFF → ON: the light turns on and goes to auto sensor mode.
* Long push (>1s): adjust the target lux level by turning the light up or down. Both the adjustment by remote control and push switch can overwrite each other, the last adjustment remains in memory.
5.4 Semi-auto Function (Absence Detection)
The motion sensor is employed, but only activated on the manual press of the push switch. With presence, the light remains on and can interact with ambient natural light, then dims down in absence, eventually switching off automatically after the stand-by time has expired.
Note: end-user can choose either function 5.3 or 5.4 for application. Default function is 5.3.
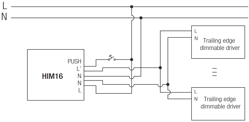
Wiring Diagram

* Note: if neither function 5.3 nor 5.4 is desired, simply leave the “push” terminal disconnected.
Detection Pattern

(remote control HRC-11)
Permanent ON/OFF [button 1]
Press button 1 to select permanent ON or permanent OFF mode.
* Press button 2/4 to resume automatic operation.
The mode will change to AUTO Mode after power failure.
RESET [ button 2]
Press button 2 , all settings go back to the rotary switch settings.
Sensor mode return to DIP switch settings.
Shift [ button 3]
Press button 3, the LED on the top left corner flashes for indication.
All values / settings in RED are in valid for 20 seconds.
Auto Mode [ button 4]
Press button4 to initiate automatic mode. The sensor starts working and all settings remain as before the light was switched ON/OFF.
Semi-auto Mode [ button3&4]
- Press button (3)Shift (the red LED flashes for indication),
- press button 4to initiate semi-auto mode. The fixture is manually on by push-switch and automatically off in this mode.
Power output [ button 5]
Press button 5, the light output shifts between 80% and 100%.
Note: the function of “Sensor off” and “Twilight” are disabled.
Brightness +/- [ button 6]
Press button6 to adjust the light brightness between 10% ∼ 100%.
Scene prog. [ zone 7 ] (One-key-commissioning)
- Press button “Start” to program.
- Select the buttons in 8 “Detection range”, 9/10 “Daylight threshold”, 11″Hold time”, 12 “Stand-by time”, 13 “Stand-by dimming level” to set all parameters.
- Press button “Memory” to save all the settings programmed in the remote control.
- Press button “Apply” to set the settings to each sensor unit(s).
For example, to pre-set detection range 100%, daylight threshold Disable, hold time 5min, stand-by time +∞, stand-by dimming level 30%, steps should be:
Press button 7 Start, button 8 100%,10) Disable, 3 Shift, 11 5min, 3 Shift, 12 +∞ ,13 30%,7 Memory. By pointing to the sensor unit(7) and pressing T Apply, all settings are passed on the sensor(s).
Detection range [ zone8 ]
Press buttons in zone 8 to set HF detection range at 100% / 75% /50% / 10%.
Daylight threshold [ zone9 ]
Press buttons in zone 9 to set the daylight sensor at 2Lux / 10Lux /50Lux / 100Lux / 300Lux / 500Lux or Disable.
Note: To set daylight sensor at 100Lux / 300 Lux / 500Lux, press button 3 Shift at first.
Ambient daylight threshold [ button 10 ]
- Press button 3 Shift, the red LED flashes for indication.
- Press button10 , the ambient lux level is sampled and set as the new daylight threshold.
Hold time [ zone 11 ]
Press buttons in zone11 to set the hold time at 2s / 30s / 1min / 5min / 10min / 15min / 20min / 30min.
Note:
- To set hold-time at 30s / 5min / 15min / 30min, press button 3 Shift at first.
- 2s is for test purpose only, stand-by time and daylight sensor settings are disabled in this mode.
* To exit from Test mode, press button 2 or any button in zone .
Stand-by time [ zone12 ]
Press buttons in zone 12 to set the stand-by time at 0s / 10s / 1min /5min / 10min / 30min / 1h / +∞.
Note: “0s” means on/off control; “+∞” means bi-level control, 100% on when motion detected, and remains at the stand-by dimming level when no presence after hold-time.
Stand-by dimming level [ zone13 ]
Press buttons in zone13 to set the stand-by dimming level at 10% /20% / 30% / 50%.
Note: the function of 24h /12h /4h /30s are disabled.
Dual tech & RF mode [ zone 14 ]
- Press buttons in zone14 to select sensor technology.
HF+PIR: Light is on when both HF and PIR sensors are activated.
HF/PIR: Light is on when HF or PIR sensors are activated. - Learn / Erase, Transmit, RX100% and RX STBY% are disabled.
Hytronik Industrial Ltd. | www.hytronik.com
3rd Floor, block C, complex building, 155#, Bai’gang road south,
Bai’gang village, Xiao Jin Kou town, Huicheng district, Huizhou 516023
Tel: 86-752-2772020 Fax: 86-752-2777877
HIM11-20190104-A1
WWW.HYTRONIK.COM


















