TS1105 Current Sense Amplifier
![]()
Product Information
TS1105/06/09 Current Sense Amplifier EVB User’s Guide
The TS1105, TS1106, and TS1109 are high-side current sense amplifiers (CSA) that come with a buffered output that has an adjustable bias. The TS1109 bidirectional CSA buffered output uses a bipolar scheme with respect to the bias voltage, while the TS1106 bidirectional CSA buffered output uses a unipolar scheme. These amplifiers are designed to provide accurate current sensing in a variety of applications.
Key Features
- High-side current sense amplifier (CSA)
- Buffered output with adjustable bias
- Bidirectional CSA buffered output (TS1109)
- Unipolar CSA buffered output (TS1106)
Ordering Information
To order the TS1105/06/09 Current Sense Amplifier EVB, visit silabs.com or Arrow.com.
Product Usage Instructions
Quick Start Procedure
- Connect the components as shown in Figure 2.1.
- Apply a voltage between 4.5V and 60V to the V+ and GND pins.
- Connect a load to the ILOAD pins.
- Set the voltage on JP3 to 1V.
- Set the voltage on JP4 to 0V.
- To evaluate the bidirectional functionality and observe the unipolar or bipolar CSA buffered output, set the voltage on JP5 to 2V for TS1106 or 1V for TS1109.
Output Voltages by Part Number
| Part Number | ILOAD | VOUT |
|---|---|---|
| TS1106-20 | 500 mA | 1 V |
| TS1106-200 | 50 mA | 2 V |
| TS1109-20 | 500 mA | 1 V |
| TS1109-200 | 50 mA | 2 V |
Note: VOUT should equal 1V, and SIGN should be HIGH.
TS1105 and TS1106 Output Voltage Equation
VOUT = (ILOAD x RS) + VB, where RS is the sense resistor value, and VB is the bias voltage.
TS1109 Output Voltage Equation
VOUT = (ILOAD x RS) + (VB x SIGN), where RS is the sense resistor value, VB is the bias voltage, and SIGN is a binary signal that controls the direction of the output voltage.
TS1105/06/09 Current Sense Amplifier EVB User’s Guide
The TS1105, TS1106, and TS1109 combine a high-side current sense amplifier (CSA) with a buffered output featuring an adjustable bias. The TS1109 bidirectional CSA buffered output uses a bipolar scheme with respect to the bias voltage, while the TS1106 bidirectional CSA buffered output uses a unipolar scheme.
The TS1105/06/09 CSA requires a very low 0.68 µA supply current, while the CSA buffered output requires a very low nominal supply current of 0.76 µA. These CSAs are de-signed for high precision current measurements as the TS1109 combines a 1% gain error(MAX) with a 150 µV VOS(MAX) while the TS1105/06 combine a 0.6% gain error(MAX) with a 100 µV VOS(MAX) . The inverting terminal of the CSA output buffer, FILT, is also made accessible so that a RC Filter can be connected to reduce noise.
The TS1105/06/09 is fully specified to operate over the –40 °C to +85 °C temperature range and is available in a low-profile, thermally-enhanced, 8-pin 3 x 3 mm TDFN pack-age with an exposed back-side paddle.
KEY FEATURES
- RSENSE: 50 mΩ ± 0.5%
- Adjustable Bias for CSA Buffer
- Compatible for Both Gain Options
- 20 V/V
- 200 V/V
ORDERING INFORMATION
- TS1105-20DB
- TS1105-200DB
- TS1106-20DB
- TS1106-200DB
- TS1109-20DB
- TS1109-200DB
![]()
Description
The TS1105/06/09 Evaluation Board is intended for evaluation of the current sense amplifier plus the buffered output with adjustable bias. The evaluation board includes a variable reference scheme so that the bias voltage of the CSA buffered output can be adjusted with respect to the VDD voltage. The jumpers, JP2 and JP3, can be connected so that the included potentiometer can be used to adjust the bias voltage. The Quick Start Procedure details adjustment of the bias voltage for the CSA buffered output and measurement of the output voltage for a given load.
Table 1.1. Component List
| Designation | Quantity | Description |
| U1 | 1 | TS1105-20, TS1105-200 TS1106-20, TS1106-200 TS1109-20, TS1109-200 |
| R1 | 1 | 4.02 kΩ ± 1%, 1/16 W (0603) |
| R2 | 1 | 0.05 Ω ± 0.5%,1/2 W (1206) |
| C1, C6 | 2 | 1 µF ± 10%, 10 V (0603) |
| C2, C10 | 2 | 0.1 µF ± 10%, 10 V (0603) |
| C5 | 1 | 0.47 µF ± 10%, 10 V (0603) |
| J1, J2, J3, J4 | 4 | Header 1 x 1 |
| J5 (TS1106 and TS1109 Only) | 1 | Header 1 x 1 |
| JP1, JP2, JP3, JP4, JP5 | 5 | Header 1 x 2 |
| JS1, JS2 | 2 | Jumper Shunt |
Quick Start Procedure
Required Equipment
- 3 V Power Supply or 3 V Battery
- 2 Digital Multimeters
- 1 ammeter
- 1 voltmeter
- Potentiometer
To use the TS1105/06/09 evaluation board, perform the following steps:
- Configure JP3 so that the Jumper Shunt is connecting VDD to EXT_REF_1, and configure JP2 so that the jumper shunt is con-necting VBIAS to EXT_REF_2.
- Connect the 3 V power source to RS+ and VDD.
- Use the voltmeter to measure the VBIAS voltage, and adjust P1 potentiometer so that VBIAS is 1.5 V.
- Connect the voltmeter to measure VOUT. With no load connected, VOUT should be equal to VBIAS. The expression for the VOUT output voltage is defined by the following equations:
VOUT = VVBIAS − (GAIN × RSENSE × | iSENSE | )
Equation 1. TS1105 and TS1106 Output Voltage
VOUT = VVBIAS − (GAIN × RSENSE × ± iSENSE) Equation 2. TS1109 Output Voltage - Connect an ammeter in series from RS– to a potentiometer. Adjust the POT until the ammeter reads:
- TS1105/06/09-20: 500 mA
- TS1105/06/09-200: 50 mA
VOUT should equal 1 V, and SIGN should be HIGH.
- TS1106 and TS1109 Only: To evaluate the bidirectional functionality and observe the unipolar or bipolar CSA buffered output scheme, disconnect the 3 V power supply from RS+ and VDD, as well as the POT connected to RS–. Reconfigure the 3 V power source by connecting it to RS– and VDD. Connect the ammeter in series from RS+ to the potentiometer. Adjust the POT so that the ammeter reads the correct ILOAD value for the given part number. The SIGN output will be LOW. Confirm that the output volt-age matches with the given part number.
Table 2.1. Output Voltages by Part Number
| Part Number | ILOAD | VOUT |
| TS1106-20 | 500 mA | 1 V |
| TS1106-200 | 50 mA | |
| TS1109-20 | 500 mA | 2 V |
| TS1109-200 | 50 mA |
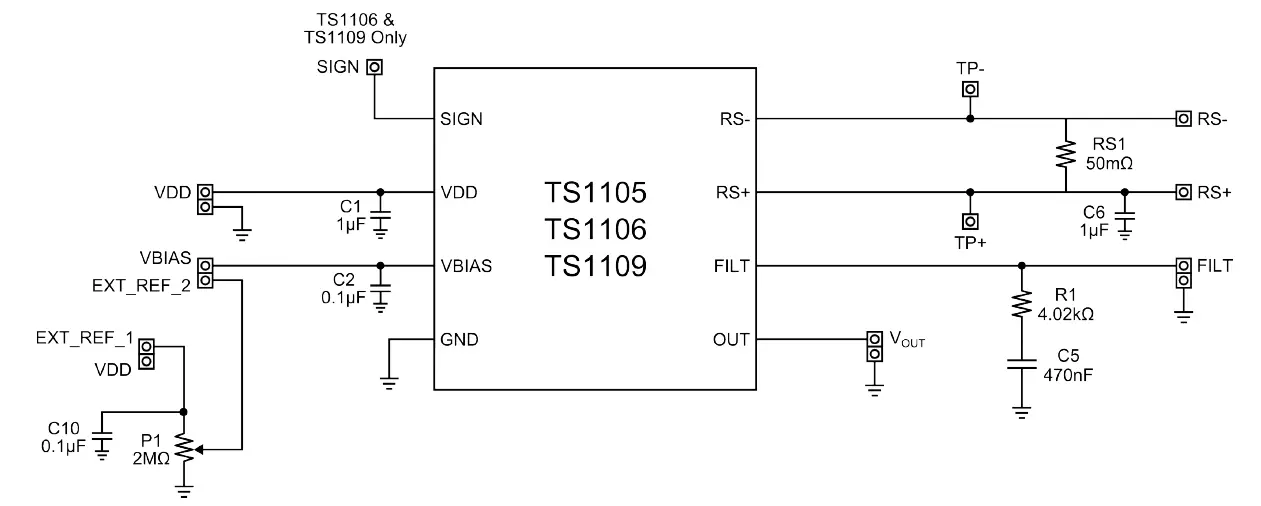
Figure 2.1. TS1105/06/09DB Circuit Schematic
![]()
Products
www.silabs.com/products
Quality
www.silabs.com/quality
Support and Community
community.silabs.com
Disclaimer
Silicon Laboratories intends to provide customers with the latest, accurate, and in-depth documentation of all peripherals and modules available for system and software implementers using or intending to use the Silicon Laboratories products. Characterization data, available modules and peripherals, memory sizes and memory addresses refer to each specific device, and “Typical” parameters provided can and do vary in different applications. Application examples described herein are for illustrative purposes only. Silicon Laboratories reserves the right to make changes without further notice and limitation to product information, specifications, and descriptions herein, and does not give warranties as to the accuracy or completeness of the included information. Silicon Laboratories shall have no liability for the consequences of use of the information supplied herein. This document does not imply or express copyright licenses granted hereunder to design or fabricate any integrated circuits. The products must not be used within any Life Support System without the specific written consent of Silicon Laboratories. A “Life Support System” is any product or system intended to support or sustain life and/or health, which, if it fails, can be reasonably expected to result in significant personal injury or death. Silicon Laboratories products are generally not intended for military applications. Silicon Laboratories products shall under no circumstances be used in weapons of mass destruction including (but not limited to) nuclear, biological or chemical weapons, or missiles capable of delivering such weapons.
Trademark Information
Silicon Laboratories Inc., Silicon Laboratories, Silicon Labs, SiLabs and the Silicon Labs logo, CMEMS®, EFM, EFM32, EFR, Energy Micro, Energy Micro logo and combinations thereof, “the world’s most energy friendly microcontrollers”, Ember®, EZLink®, EZMac®, EZRadio®, EZRadioPRO®, DSPLL®, ISOmodem ®, Precision32®, ProSLIC®, SiPHY®, USBXpress® and others are trademarks or registered trademarks of Silicon Laboratories Inc. ARM, CORTEX, Cortex-M3 and THUMB are trademarks or registered trademarks of ARM Holdings. Keil is a registered trademark of ARM Limited. All other products or brand names mentioned herein are trademarks of their respective holders.
Silicon Laboratories Inc.
400 West Cesar Chavez
Austin, TX 78701
USA
Email: http://www.silabs.com


















