HALCYON DRACV48 100W Constant Voltage LED Driver

Constant Voltage LED Driver
DRACV48 100W/ DRACV48 320W
Product Features
- Independent design
- Analogue flicker-free
- Universal AC input
- Built-in active PFC function
- Primary and secondary sides come with leads
- Protections: opencircuit, shortcircuit, overload, overtemperature
- Differential mode 4kV and common mode 6kV surge immunity for DRACV48 320W
- Differential mode 4kV and common mode 4kV surge immunity for DRACV48 l DOW
- SELV equivalent
- Protection class I
- IP6 7 design
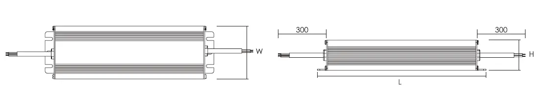
Technical Data


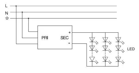
Wiring Details

Standards
- EN61347-l
- EN 61347-2-13
- EN 55015
- EN 61 000-3-2
- EN 61 000-3-3
- EN61547
Important Notes
- This Control Gear is suitable for operation with Constant Voltage LED Modules.
- Ensure min/max wattage of LED Driver is adhered to, in relation to LED Module used.
- Secondary Terminals are polarity conscious eg: positive or negative.
- Do not install LED Module lo live Driver.
- Do not switch Secondary feed.
- Driver non dimmable (See dimmable range)
- Drivers must be installed above insulation.
- Drivers must be installed by a qualified electrician.




















