HySecurity SlideDriver II Slide Gate Operator Instructions

The following instructions are intended to assist the user in the installation of the heater unit for use on the SlideDriver II gate operators. The heater prevents components from freezing and not operating properly. Please read all assembly instructions before installing the kit.
PARTS
- Heater strip
- Heater cord
- Romex connector
- Cover plate
- Thermal switch
- Heater contactor
HARDWARE
- 1/4-20 x 1 in bolt
- 1/4 in washers
- 7/16 in nuts
- 8-32 x 1/2 in self-tapping screw
TOOLS
- Standard wrenches
- #29 drill bit (0.136 in)
PREPARATION

Figure 1. Remove the Cover

Figure 2. Set Power Switch to OFF
- Remove cover.
- Set the power switch to OFF.
- Carefully unclamp the drive wheels.
- Remove the SmartTouch 720/725 Controller.
- Drill a #29 (0.136 in) hole in the back of the electrical enclosure (Figure 3).

Figure 3. Remove SmartTouch 720/725 Controller
Install the thermal switch in the hole and fasten with two 8-32 x 1/2 in self-tapping screws (Figure 4)
Figure 4. Install Thermal Switch
INSTALL THE HEATER
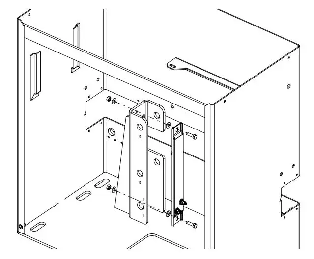
7. Remove the two 1/4 in bolts attached to the pin tabs.
8. Remove the pins. Lift the pivot arms to make the pins easier to remove (Figure 5).

Figure 5. Remove Pivot Arm Pins
9. Slide the two pivot arms and motors out as a complete unit (Figure 6).

Figure 6. Remove Pivot Arm Assembly
10. Install the heater strip vertically in the drive post with the terminals down and facing out with the 1/4-20 x 1 in bolts (Figure 7).

Figure 7. Install Heater Strip
Note: Use a flat washer on the outside of the drive post and a flat washer on the inside of the drive post as a stand off keeping the heater strip from contacting the paint of the drive post. Complete the mounting by adding the 7/16 in nuts.
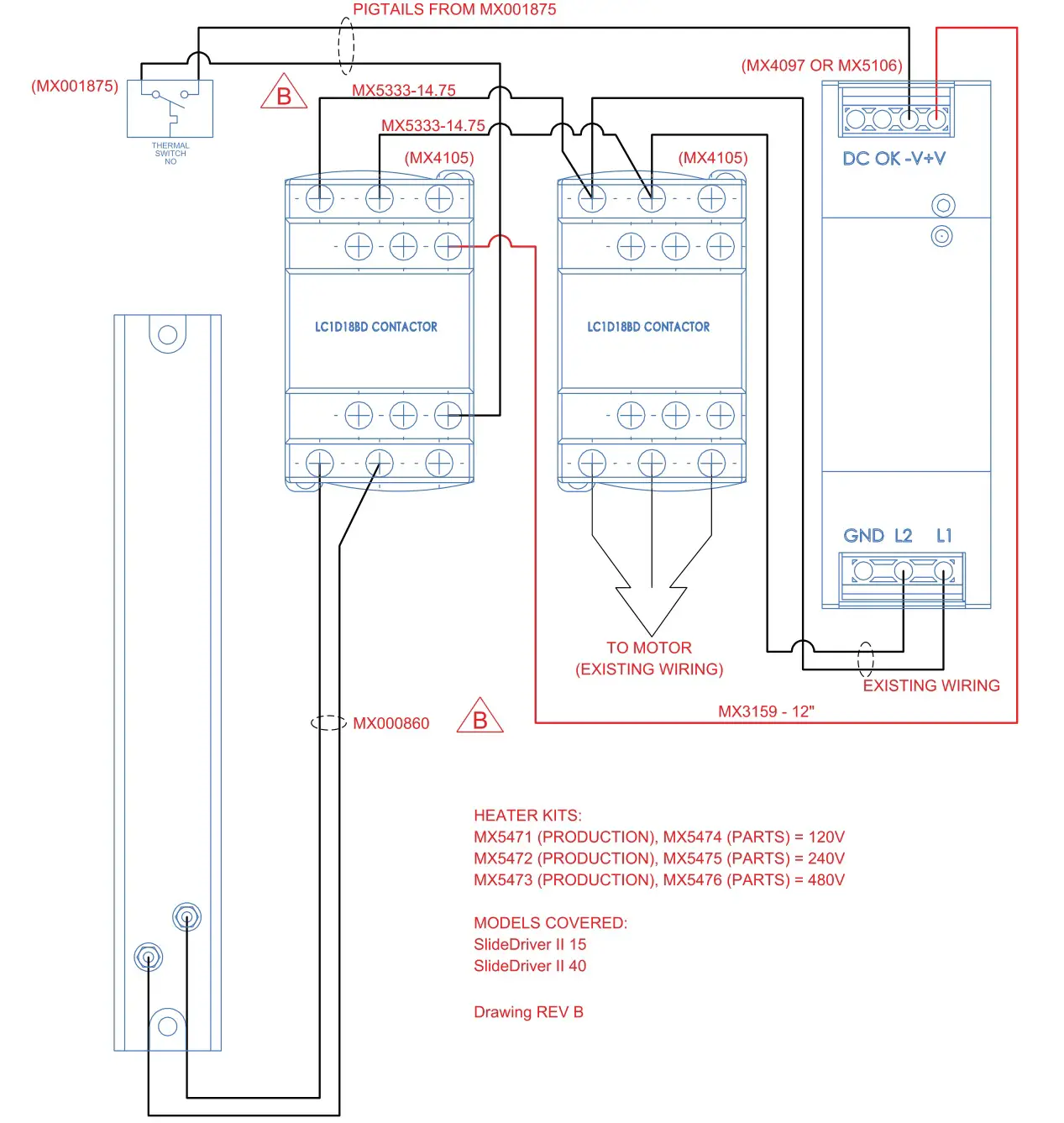
HEATER WIRING (FIGURE 10 AND FIGURE 11)
11. Connect the heater cord to the heater strip; be sure to bend the terminals up so that they contact no metal surfaces.
12. Use the romex connector and lock washer and route the heater cord through the bottom hole in the pivot post (Figure 8).
13. Take the romex connector and tighten it down onto the heater cord.
14. Install the cover plate with two 8-32 screws (Figure 9).

Figure 8. Strain Relief

Figure 9. Strain Relief and Cover
15. Take the heater cord up to the electrical box and run it through one of the knockouts. Use the plastic cord connectors to attach to the panel wall.
16. Install the heater contactor in the electrical box and connect the heater contactor to the power supply or motor contactor: L1 to L1 and L2 to L2.
17. Connect one lead of the heater cord to terminal T1 of the heater contactor and connect the other to T2.
18. Install thermal switch to power supply -V and heater contactor A2.
19. Connect power supply V+ to heater contactor A1.
FINISH INSTALLATION
20. Clean any debris from drilling the thermal switch hole.
21. Install the SmartTouch 720/725 controller on the mounting brackets and reconnect any disconnected wires.
22. Reinstall the pivot arms and pins.
23. Carefully clamp the drive wheels.
24. Set the power switch to ON and test cycle the gate.
25. Close the electrical box and install the cover.

Figure 10. Heater Strip Wiring, non-VFD

Figure 11. Heater Strip Wiring, VFD



















