All-O-Matic Inc SL-90DC Slide Gate Operator

Product Information
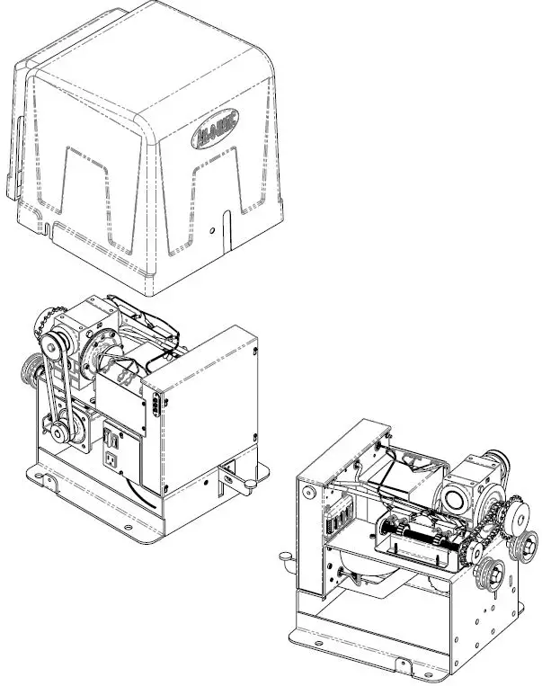
The product is an SL-90DC foot pedal release assembly that can be used to control the opening and closing of gates. The assembly includes a frame, gearbox, motor, control box, limit switch box assembly, power supply box assembly, foot pedal release assembly, loop rack, exterior plastic cover, plastic chain idler, chain bolt, and chain bracket.
Product Usage Instructions
- Install the frame (Item No. 1) of the assembly in a suitable location.
- Attach the gearbox (Item No. 2) to the frame using the required nuts and bolts.
- Install the gearbox drive sprocket (Item No. 3) and gearbox pulley (Item No. 4) on the gearbox output shaft.
- Attach the small gearbox drive sprocket (Item No. 5) to the motor (Item No. 6).
- Mount the motor on the frame using the DC motor mount bracket (Item No. 7).
- Install the DC motor pulley (Item No. 8) on the motor shaft.
- Attach the DC motor belt (Item No. 9) to the motor pulley and gearbox drive sprocket.
- Install the control box assembly (Item No. 10) on the frame.
- Connect the DC control board (Item No. 11) to the motor and other components as per the provided wiring diagram.
- Install the control box (Item No. 12) and cover (Item No. 13) on the control box assembly.
- Install the limit switch box assembly (Item No. 19) on the frame.
- Attach the limit switch (Item No. 22) to the limit shaft (Item No. 21).
- Install the limit sprocket (Item No. 23) on the limit shaft.
- Attach the limit switch wire harness (Item No. 24) to the limit switch and control box assembly.
- Install the power supply box assembly (Item No. 30) on the frame.
- Connect the power supply board (Item No. 34) to the power supply box transformer (Item No. 31) and other components as per the provided wiring diagram.
- Install the power supply box (Item No. 32) and cover (Item No. 33) on the power supply box assembly.
- Install the foot pedal release assembly (Item No. 42) on the frame.
- Connect the foot pedal release wire harness (Item No. 41) to the foot pedal release kill switch (Item No. 44) and control box assembly.
- Install the loop rack (Item No. 50) on the frame and attach the loop rack wire harness (Item No. 51) to it and the control box assembly.
- Install the exterior plastic cover (Item No. 52) on the frame and attach the plastic chain idler (Item No. 53) to it.
OVERVIEW

ITEM NO/DESCRIPTION/PART NUMBER/QTY.
- FRAME ONLY SL-90FM 1
- GEARBOX GBX-101 1
- GEARBOX DRIVE SPROCKET 41B22X78 1
- GEARBOX PULLEY PLY-25A 1
- GEARBOX DRIVE SPROCKET (SMALL) 41B12X78 1
- 1/2 HP 250W BLDC MOTOR MTR-1250 1
- DC MOTOR MOUNT BRACKET MTR-B1250 1
- DC MOTOR PULLEY PLY-2 1
- DC MOTOR BELT 4L-230 (AX21) 1
- CONTROL BOX ASSEMBLY CBX-AY90 1
- CONTROL BOX DC CONTROL BOARD – 1/2 HP BLDC-ULPCB 1
- CONTROL BOX CBX-90 1
- CONTROL BOX COVER CBC-90 1
- CONTROL BOX BRIDGE RECTIFIER COM-1006 1
- CONTROL BOX RESET PUSH BUTTON COM-1004 1
- CONTROL BOX ALARM BUZZER COM-1005 1
- CONTROL BOX LINE-IN HARNESS COM-1016 1
- CONTROL BOX RADIO RECEIVER STRIP COM-1003 1
- LIMIT SWITCH BOX ASSEMBLY LSB-AY90 1
- LIMIT BOX LSB-103 1
- LIMIT SWITCH COM-1007 2
- LIMIT SHAFT LST-100 1
- LIMIT SPROCKET 41B15X58 1
- LIMIT SWITCH WIRE HARNESS LSH-101 1
- LIMIT SHAFT BEARINGS – 5/8″ BRG-6202B 2
- LIMIT CHAIN 41NPX18 1
- LIMIT SWITCH PLASTIC NUT COM-1008 2
- LIMIT TABLE SPRING (2) SPG-7575 2
- LIMIT BOX PLATE LSP-100FP 1
- POWER SUPPLY BOX ASSEMBLY PSB-AY90 1
- POWER SUPPLY BOX TRANSFORMER TFR-90 1
- POWER SUPPLY BOX PSB-90 1
- POWER SUPPLY BOX COVER PSC-90 1
- POWER SUPPLY BOARD EMI-PCB 1
- POWER SUPPLY BOX WIRE HARNESS PSH-90 1
- POWER SUPPLY BOX ON/OFF POWER SWITCH COM-1000 2
- POWER SUPPLY BOX 110VAC OUTLET COM-1001 1
- 7 AH BATTERIES BTY-1270 2
- BATTERY BOX BCU-90 1
- BATTERY BOX COVER BTC-90 1
- BATTERY WIRE HARNESS BTY-H90 1
- FOOT PEDAL RELEASE ASSEMBLY FPR-AY90 1
- FOOT PEDAL RELEASE FPR-90 1
- FOOT PEDAL RELEASE KILL SWITCH COM-1007P 1
- FOOT PEDAL SQUARE HINGE SHAFT SHS-90FP 1
- FOOT PEDAL SPRING SPG-90FP 1
- FOOT PEDAL SPLIT PIVOT BRACKET (2 PCS) HSB-90FP 1
- FOOT PEDAL PIVOT BRACKET HPB-90FP 1
- FOOT PEDAL SPRING HOOK BRACKET SHB-90FP 1
- LOOP RACK LPR-2 1
- LOOP RACK WIRE HARNESS 19″ LPR-H90 1
- EXTERIOR PLASTIC COVER EPC-90 1
- PLASTIC CHAIN IDLER COM-1017 2
- CHAIN BOLT (1PC) COM-1010-1 1
- CHAIN BRACKET (1PC) COM-1009 1
ASSEMBLING

ALL-O-MATIC, Inc.
- 7820 Gloria Ave.
- Phone: (818) 787-1988
- Van Nuys CA, USA 91406
- EMAIL: [email protected].
- DIMENSIONS ARE IN INCHES
- BREAK SHARP EDGES .10-.40
- THE MACHINED SURFACE FINISH IS
- 1.6 MICROMETERS
- DO NOT SCALE DRAWING
THE INFORMATION DISCLOSED HEREIN WAS ORIGINATED BY AND IS THE PROPERTY OF ALL-O-MATIC, INC. AND ALL PATENT, PROPRIETARY, DESIGN, USE, SALE, MANUFACTURING, AND REPRODUCTION RIGHTS THERETO ARE RESERVED BY ALL-O-MATIC, INC.
- DRAWN BY: S. HUERTA
- DATE DRAWN: 08/23/2021
- CHECKED BY:
- DATE CHECKED:
- MATERIAL:
- RAW MAT:
- TITLE: SL-90DC
- SYMBOL ECO#
ENGINEERING CHANGE ORDER REVISION DESCRIPTION

















