JGA ELECTRICS FYS 8PA-32 Active PA Speaker System User Manual
Notes
- Please read the entire attached document carefully before using the device for your
reference. - The power supply must match the demand of the device with reliable ground wire.
- All covering signal should be complicated with the demand of device.
- The device should be equipped far away high temperature, moisture and powerful
electric and magnetic field. - Please don’t use the organic cleaner but dry soft cloth to clean the device.
- When not in use, unplug the unit from the mains.
- Set the unit to the lowest volume prior to switching it on.
- Only use suitable means of transportation if you want to
Technical specification and Amplifier function:
- 8”woofer Plastic Cabinet Speaker.
- Woofer: 8” Full range woofer 20Oz, 30mmV.C., 4Ohm
- 25mm Voice Coil Titanium Horn Driver 4 Oz, 8Ohm
- Frequency response: 65Hz-18KHz
- Sensitivity: 100dB+/-3dB
- With MP3, USB, SD LCD Display
- With Bluetooth function
- With FM radio function
- With RCA 3.5MM Input function
- With 6.35MM Input function
- With MIC IN function
- With TALKOVER function
- Power: 100 Watts RMS
- Power Max.1200 Watts P.M.P.O.
- Voltage: AC110 V~ – 240V~ AUTOMATIC
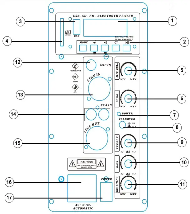
Amplifier Function Description

- MP3 display
- MP3 Player Button
A Press Switch between USB/SD/ FM/BLUETOOTHB. Press:
B
Switch Return Long press Voice DOWN
C.
press: Switch Next Long press Voice UP
D.
between RA/RO/RR
E.
Short press: Play/Pause - SD port
- USB port
- Volume control for MIC.
- ECHO function.
- POWER LIGHT.
- TALKOVER function.
- Volume control for TREBLE.
- Volume control for BASS.
- Volume control for LINE & MP3.
- 6.35MM Input for MIC IN.
- 1/4 Connector for MIC IN channel input.
- RCA 3.5MM Input..
- LINE OUT.
- AC Input.
- POWER SWITCH.
Remote Control:

Control remote: 3 V one battery (include)
- Mode: You can adjust the mode of working: USB, SD, FMand
Bluetooth. - previous folder and next folder.
- Last song and next song.
- Play/Pause.
- EQ function.
- Increase or decrease Volume.
- Directly selector.
- The Numbers of choosing songs.
FCC Caution:
This device complies with part 15 of the FCC Rules. Operation is subject to the following twoconditions:
(1) this device may not cause harmful interference, and
(2) this device must accept any interference received, including interference that may cause undesired operation. Any changes or modifications not expressly approved by the party responsible for compliance could void the user’s authority to operate the equipment.
NOTE: This equipment has been tested and found to comply with the limits for a Class B digital device, pursuant to Part 15 of the FCC Rules. These limits are designed to provide reasonable protection against harmful interference in a residential installation. This equipment generates, uses and can radiate radio frequency energy and, if not installed and used in accordance with the instructions, may cause harmful interference to radio communications. However, there is no guarantee that interference will not occur in a particular installation. If this equipment does cause harmful interference to radio or television reception,which can be determined by turning the equipment off and on, the user is encouraged to try to correct the interference by one or more of the following measures:
- Reorient or relocate the receiving antenna.
- Increase the separation between the equipment and receiver.
- Connect the equipment into an outlet on a circuit different from that to which the receiver is connected.
- Consult the dealer or an experienced radio/TV technician for help. To maintain compliance with FCC’s RF Exposure guidelines, This equipment should be installedand operated with minimum distance between 20cm the radiator your body: Use only the supplied antenna.
FCC ID: 2A8AR-FYS-8PA-32



















