intel UG-01155 IOPLL FPGA IP Core

Updated for Intel® Quartus® Prime Design Suite: 18.1
IOPLL Intel® FPGA IP Core User Guide
The IOPLL Intel® FPGA IP core allows you to configure the settings of the Intel Arria® 10 and Intel Cyclone® 10 GX I/O PLL.
IOPLL IP core supports the following features:
- Supports six different clock feedback modes: direct, external feedback, normal, source synchronous, zero delay buffer, and LVDS mode.
- Generates up to nine clock output signals for the Intel Arria 10 and Intel CycloneM 10 GX devices.
- Switches between two reference input clocks.
- Supports adjacent PLL (adjpllin) input to connect with an upstream PLL in PLL cascading mode.
- Generates the Memory Initialization File (.mif) and allows PLL dynamicVreconfiguration.
- Supports PLL dynamic phase shift.
Related Information
- Introduction to Intel FPGA IP Cores
Provides more information about Intel FPGA IP cores and the parameter editor. - Operation Modes on page 9
- Output Clocks on page 10
- Reference Clock Switchover on page 10
- PLL-to-PLL Cascading on page 11
- IOPLL Intel FPGA IP Core User Guide Archives on page 12
Provides a list of user guides for previous versions of the IOPLL Intel FPGA IP core.
Device Family Support
The IOPLL IP core only supports the Intel Arria 10 and Intel Cyclone 10 GX device families.
IOPLL IP Core Parameters
The IOPLL IP core parameter editor appears in the PLL category of the IP Catalog.
| Parameter | Legal Value | Description |
| Device Family | Intel Arria 10, Intel Cyclone 10 GX | Specifies the device family. |
| Component | — | Specifies the targeted device. |
| Speed Grade | — | Specifies the speed grade for targeted device. |
| PLL Mode | Integer-N PLL | Specifies the mode used for the IOPLL IP core. The only legal selection is Integer-N PLL. If you need a fractional PLL, you must use the fPLL Intel Arria 10/Cyclone 10 FPGA IP core. |
| Reference Clock Frequency | — | Specifies the input frequency for the input clock, refclk, in MHz. The default value is 100.0 MHz. The minimum and maximum value is dependent on the selected device. |
| Enable Locked Output Port | Turn on or Turn off | Turn on to enable the locked port. |
| Enable physical output clock parameters | Turn on or Turn off | Turn on to enter physical PLL counter parameters instead of specifying a desired output clock frequency. |
| Operation Mode | direct, external feedback, normal, source synchronous, zero delay buffer, or lvds | Specifies the operation of the PLL. The default operation is direct mode. • If you select the direct mode, the PLL minimizes the length of the feedback path to produce the smallest possible jitter at the PLL output.The internal-clock and external-clock outputs of the PLL are phase-shifted with respect to the PLL clock input. In this mode, the PLL does not compensate for any clock networks. • If you select the normal mode, the PLL compensates for the delay of the internal clock network used by the clock output. If the PLL is also used to drive an external clock output pin, a corresponding phase shift of the signal on the output pin occurs. • If you select the source synchronous mode, the clock delay from pin to I/O input register matches the data delay from pin to I/O input register. • If you select the external feedback mode, you must connect the fbclk input port to an input pin. A board-level connection must connect both the input pin and external clock output port, fboutclk. The fbclk port is aligned with the input clock. • If you select the zero delay buffer mode, the PLL must feed an external clock output pin and compensate for the delay introduced by that pin. The signal observed on the pin is synchronized to the input clock. The PLL clock output connects to the altbidir port and drives zdbfbclk as an output port. If the PLL also drives the internal clock network, a corresponding phase shift of that network occurs. • If you select the lvds mode, the same data and clock timing relationship of the pins at the internal SERDES capture register is maintained. The mode compensates for the delays in LVDS clock network, and between the data pin and clock input pin to the SERDES capture register paths. |
| Number of Clocks | 1–9 | Specifies the number of output clocks required for each device in the PLL design. The requested settings for output frequency, phase shift, and duty cycle are shown based on the number of clocks selected. |
| Specify VCO Frequency | Turn on or Turn off | Allows you to restrict the VCO frequency to the specified value. This is useful when creating a PLL for LVDS external mode, or if a specific dynamic phase shift step size is desired. |
| continued… | ||
| Parameter | Legal Value | Description |
| VCO Frequency (1) | — | • When Enable physical output clock parameters is turned on— displays the VCO frequency based on the values for Reference Clock Frequency, Multiply Factor (M-Counter), and Divide Factor (N-Counter). • When Enable physical output clock parameters is turned off— allows you to specify the requested value for the VCO frequency. The default value is 600.0 MHz. |
| Give clock global name | Turn on or Turn off | Allows you to rename the output clock name. |
| Clock Name | — | The user clock name for Synopsis Design Constraints (SDC). |
| Desired Frequency | — | Specifies the output clock frequency of the corresponding output clock port, outclk[], in MHz. The default value is 100.0 MHz. The minimum and maximum values depend on the device used. The PLL only reads the numerals in the first six decimal places. |
| Actual Frequency | — | Allows you to select the actual output clock frequency from a list of achievable frequencies. The default value is the closest achievable frequency to the desired frequency. |
| Phase Shift units | ps or degrees | Specifies the phase shift unit for the corresponding output clock port, outclk[], in picoseconds (ps) or degrees. |
| Desired Phase Shift | — | Specifies the requested value for the phase shift. The default value is 0 ps. |
| Actual Phase Shift | — | Allows you to select the actual phase shift from a list of achievable phase shift values. The default value is the closest achievable phase shift to the desired phase shift. |
| Desired Duty Cycle | 0.0–100.0 | Specifies the requested value for the duty cycle. The default value is 50.0%. |
| Actual Duty Cycle | — | Allows you to select the actual duty cycle from a list of achievable duty cycle values. The default value is the closest achievable duty cycle to the desired duty cycle. |
| Multiply Factor (M-Counter) (2) | 4–511 | Specifies the multiply factor of M-counter. The legal range of the M counter is 4–511. However, restrictions on the minimum legal PFD frequency and maximum legal VCO frequency restrict the effective M counter range to 4–160. |
| Divide Factor (N-Counter) (2) | 1–511 | Specifies the divide factor of N-counter. The legal range of the N counter is 1–511. However, restrictions on the minimum legal PFD frequency restrict the effective range of the N counter to 1–80. |
| Divide Factor (C-Counter) (2) | 1–511 | Specifies the divide factor for the output clock (C-counter). |
- This parameter is only available when Enable physical output clock parameters is turned off.
- This parameter is only available when Enable physical output clock parameters is turned on.
IOPLL IP Core Parameters – Settings Tab
Table 2. IOPLL IP Core Parameters – Settings Tab
| Parameter | Legal Value | Description |
| PLL Bandwidth Preset | Low, Medium, or High | Specifies the PLL bandwidth preset setting. The default selection is Low. |
| PLL Auto Reset | Turn on or Turn off | Automatically self-resets the PLL on loss of lock. |
| Create a second input clk ‘refclk1’ | Turn on or Turn off | Turn on to provide a backup clock attached to your PLL that can switch with your original reference clock. |
| Second Reference Clock Frequency | — | Selects the frequency of the second input clock signal. The default value is 100.0 MHz. The minimum and maximum value is dependent on the device used. |
| Create an ‘active_clk’ signal to indicate the input clock in use | Turn on or Turn off | Turn on to create the activeclk output. The activeclk output indicates the input clock which is in use by the PLL. Output signal low indicates refclk and output signal high indicates refclk1. |
| Create a ‘clkbad’ signal for each of the input clocks | Turn on or Turn off | Turn on to create two clkbad outputs, one for each input clock. Output signal low indicates the clock is working and output signal high indicates the clock is not working. |
| Switchover Mode | Automatic Switchover, Manual Switchover, or Automatic Switchover with Manual Override | Specifies the switchover mode for design application. The IP supports three switchover modes: • If you select the Automatic Switchover mode, the PLL circuitry monitors the selected reference clock. If one clock stops, the circuit automatically switches to the backup clock in a few clock cycles and updates the status signals, clkbad and activeclk. • If you select the Manual Switchover mode, when the control signal, extswitch, changes from logic high to logic low, and stays low for at least three clock cycles, the input clock switches to the other clock. The extswitch can be generated from FPGA core logic or input pin. • If you select Automatic Switchover with Manual Override mode, when the extswitch signal is low, it overrides the automatic switch function. As long as extswitch remains low, further switchover action is blocked. To select this mode, your two clock sources must be running and the frequency of the two clocks cannot differ by more than 20%. If both clocks are not on the same frequency, but their period difference is within 20%, the clock loss detection block can detect the lost clock. The PLL most likely drops out of lock after the PLL clock input switchover and needs time to lock again. |
| Switchover Delay | 0–7 | Adds a specific amount of cycle delay to the switchover process. The default value is 0. |
| Access to PLL LVDS_CLK/ LOADEN output port | Disabled, Enable LVDS_CLK/ LOADEN 0, or Enable LVDS_CLK/ LOADEN 0 & 1 | Select Enable LVDS_CLK/LOADEN 0 or Enable LVDS_CLK/ LOADEN 0 & 1 to enable the PLL lvds_clk or loaden output port. Enables this parameter in case the PLL feeds an LVDS SERDES block with external PLL. When using the I/O PLL outclk ports with LVDS ports, outclk[0..3] are used for lvds_clk[0,1] and loaden[0,1] ports, outclk4 can be used for coreclk ports. |
| Enable access to the PLL DPA output port | Turn on or Turn off | Turn on to enable the PLL DPA output port. |
| continued… | ||
| Parameter | Legal Value | Description |
| Enable access to PLL external clock output port | Turn on or Turn off | Turn on to enable the PLL external clock output port. |
| Specifies which outclk to be used as extclk_out[0] source | C0 – C8 | Specifies the outclk port to be used as extclk_out[0] source. |
| Specifies which outclk to be used as extclk_out[1] source | C0 – C8 | Specifies the outclk port to be used as extclk_out[1] source. |
Cascading Tab
Table 3. IOPLL IP Core Parameters – Cascading Tab3
| Parameter | Legal Value | Description |
| Create a ‘cascade out’ signal to connect with a downstream PLL | Turn on or Turn off | Turn on to create the cascade_out port, which indicates that this PLL is a source and connects with a destination (downstream) PLL. |
| Specifies which outclk to be used as cascading source | 0–8 | Specifies the cascading source. |
| Create an adjpllin or cclk signal to connect with an upstream PLL | Turn on or Turn off | Turn on to create an input port, which indicates that this PLL is a destination and connects with a source (upstream) PLL. |
Dynamic Reconfiguration Tab
Table 4. IOPLL IP Core Parameters – Dynamic Reconfiguration Tab
| Parameter | Legal Value | Description |
| Enable dynamic reconfiguration of PLL | Turn on or Turn off | Turn on the enable the dynamic reconfiguration of this PLL (in conjunction with PLL Reconfig Intel FPGA IP core). |
| Enable access to dynamic phase shift ports | Turn on or Turn off | Turn on the enable the dynamic phase shift interface with the PLL. |
| MIF Generation Option (3) | Generate New MIF File, Add Configuration to Existing MIF File, and Create MIF File during IP Generation | Either create a new .mif file containing the current configuration of the I/O PLL, or add this configuration to an existing .mif file. You can use this .mif file during dynamic reconfiguration to reconfigure the I/O PLL to its current settings. |
| Path to New MIF file (4) | — | Enter the location and file name of the new .mif file to be created. |
| Path to Existing MIF file (5) | — | Enter the location and file name of the existing .mif file you intend to add to. |
| continued… | ||
- This parameter is only available when Enable dynamic reconfiguration of PLL is turned on.
- This parameter is only available when Generate New MIF File is selected as MIF Generation
Option.Parameter Legal Value Description Enable Dynamic Phase Shift for MIF Streaming (3) Turn on or Turn off Turn on to store dynamic phase shift properties for PLL reconfiguration. DPS Counter Selection (6) C0–C8, All C, or M
Selects the counter to undergo dynamic phase shift. M is the feedback counter and C is the post-scale counters. Number of Dynamic Phase Shifts (6) 1–7 Selects the number of phase shift increments. The size of a single phase shift increment is equal to 1/8 of the VCO period. The default value is 1. Dynamic Phase Shift Direction (6) Positive or Negative
Determines the dynamic phase shift direction to store into the PLL MIF. - This parameter is only available when Add Configuration to Existing MIF File is selected as MIF Generation Option
IOPLL IP Core Parameters – Advanced Parameters Tab
Table 5. IOPLL IP Core Parameters – Advanced Parameters Tab
| Parameter | Legal Value | Description |
| Advanced Parameters | — | Displays a table of physical PLL settings that will be implemented based on your input. |
Functional Description
- An I/O PLL is a frequency-control system that generates an output clock by synchronizing itself to an input clock. The PLL compares the phase difference between the input signal and the output signal of a voltage-controlled oscillator (VCO) and then performs phase synchronization to maintain a constant phase angle (lock) on the frequency of the input or reference signal. The synchronization or negative feedback loop of the system forces the PLL to be phase-locked.
- You can configure PLLs as frequency multipliers, dividers, demodulators, tracking generators, or clock recovery circuits. You can use PLLs to generate stable frequencies, recover signals from a noisy communication channel, or distribute clock signals throughout your design.
Building Blocks of a PLL
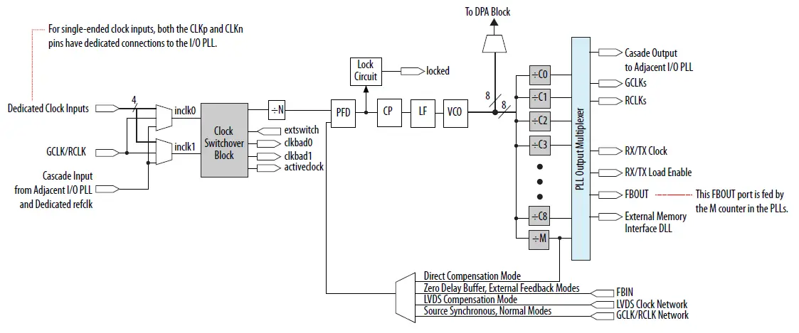
The main blocks of the I/O PLL are the phase frequency detector (PFD), charge pump, loop filter, VCO, and counters, such as a feedback counter (M), a pre-scale counter (N), and post-scale counters (C). The PLL architecture depends on the device you use in your design.
This parameter is only available when Enable Dynamic Phase Shift for MIF Streaming is turned on.
Typical I/O PLL Architecture
- The following terms are commonly used to describe the behavior of a PLL:
PLL lock time—also known as the PLL acquisition time. PLL lock time is the time for the PLL to attain the target frequency and phase relationship after power-up, after a programmed output frequency change, or after a PLL reset. Note: Simulation software does not model a realistic PLL lock time. Simulation shows an unrealistically fast lock time. For the actual lock time specification, refer to the device datasheet. - PLL resolution—the minimum frequency increment value of a PLL VCO. The number of bits in the M and N counters determine the PLL resolution value.
- PLL sample rate—the FREF sampling frequency required to perform the phase and frequency correction in the PLL. The PLL sample rate is fREF /N.
PLL Lock
The PLL lock is dependent on the two input signals in the phase frequency detector. The lock signal is an asynchronous output of the PLLs. The number of cycles required to gate the lock signal depends on the PLL input clock which clocks the gated-lock circuitry. Divide the maximum lock time of the PLL by the period of the PLL input clock to calculate the number of clock cycles required to gate the lock signal.
Operation Modes
The IOPLL IP core supports six different clock feedback modes. Each mode allows clock multiplication and division, phase shifting, and duty-cycle programming.
Output Clocks
- The IOPLL IP core can generate up to nine clock output signals. The generated clock output signals clock the core or the external blocks outside the core.
- You can use the reset signal to reset the output clock value to 0 and disable the PLL output clocks.
- Each output clock has a set of requested settings where you can specify the desired values for output frequency, phase shift, and duty cycle. The desired settings are the settings that you want to implement in your design.
- The actual values for the frequency, phase shift, and duty cycle are the closest settings (best approximate of the desired settings) that can be implemented in the PLL circuit.
Reference Clock Switchover
The reference clock switchover feature allows the PLL to switch between two reference input clocks. Use this feature for clock redundancy, or for a dual clock domain application such as in a system. The system can turn on a redundant clock if the primary clock stops running.
Using the reference clock switchover feature, you can specify the frequency for the second input clock, and select the mode and delay for the switchover.
The clock loss detection and reference clock switchover block has the following functions:
- Monitors the reference clock status. If the reference clock fails, the clock automatically switches to a backup clock input source. The clock updates the status of the clkbad and activeclk signals to alert the event.
- Switches the reference clock back and forth between two different frequencies. Use the extswitch signal to manually control the switch action. After a switchover occurs, the PLL may lose lock temporarily and go through the reckoning process.
PLL-to-PLL Cascading
If you cascade PLLs in your design, the source (upstream) PLL must have a lowbandwidth setting, while the destination (downstream) PLL must have a highbandwidth setting. During cascading, the output of source PLL serves as the reference clock (input) of the destination PLL. The bandwidth settings of cascaded PLLs must be different. If the bandwidth settings of the cascaded PLLs are the same, the cascaded PLLs may amplify phase noise at certain frequencies.The adjpllin input clock source is used for inter-cascading between fracturable fractional PLLs.
Ports
Table 6. IOPLL IP Core Ports
| Parameter | Type | Condition | Description |
| refclk | Input | Required | The reference clock source that drives the I/O PLL. |
| rst | Input | Required | The asynchronous reset port for the output clocks. Drive this port high to reset all output clocks to the value of 0. You must connect this port to the user control signal. |
| fbclk | Input | Optional | The external feedback input port for the I/O PLL. The IOPLL IP core creates this port when the I/O PLL is operating in external feedback mode or zero-delay buffer mode. To complete the feedback loop, a board-level connection must connect the fbclk port and the external clock output port of the I/O PLL. |
| fboutclk | Output | Optional | The port that feeds the fbclk port through the mimic circuitry. The fboutclk port is available only if the I/O PLL is in external feedback mode. |
| zdbfbclk | Bidirectional | Optional | The bidirectional port that connects to the mimic circuitry. This port must connect to a bidirectional pin that is placed on the positive feedback dedicated output pin of the I/O PLL. The zdbfbclk port is available only if the I/O PLL is in zero- delay buffer mode. To avoid signal reflection when using zero-delay buffer mode, do not place board traces on bidirectional I/O pin. |
| locked | Output | Optional | The IOPLL IP core drives this port high when the PLL acquires lock. The port remains high as long as the IOPLL is locked. The I/O PLL asserts the locked port when the phases and frequencies of the reference clock and feedback clock are the |
| continued… | |||
| Parameter | Type | Condition | Description |
| same or within the lock circuit tolerance. When the difference between the two clock signals exceeds the lock circuit tolerance, the I/O PLL loses lock. | |||
| refclk1 | Input | Optional | Second reference clock source that drives the I/O PLL for clock switchover feature. |
| extswitch | Input | Optional | Assert the extswitch signal low (1’b0) for at least 3 clock cycles to manually switch the clock. |
| activeclk | Output | Optional | Output signal to indicate which reference clock source is in used by I/O PLL. |
| clkbad | Output | Optional | Output signal that indicates the status of reference clock source is good or bad. |
| cascade_out | Output | Optional | Output signal that feeds into downstream I/O PLL. |
| adjpllin | Input | Optional | Input signal that feeds from upstream I/O PLL. |
| outclk_[] | Output | Optional | Output clock from I/O PLL. |
IOPLL Intel FPGA IP Core User Guide Archives
If an IP core version is not listed, the user guide for the previous IP core version applies
| IP Core Version | User Guide |
| 17.0 | Altera I/O Phase-Locked Loop (Altera IOPLL) IP Core User Guide |
| 16.1 | Altera I/O Phase-Locked Loop (Altera IOPLL) IP Core User Guide |
| 16.0 | Altera I/O Phase-Locked Loop (Altera IOPLL) IP Core User Guide |
| 15.0 | Altera I/O Phase-Locked Loop (Altera IOPLL) IP Core User Guide |
Document Revision History for the IOPLL Intel FPGA IP Core User Guide
| Document Version | Intel Quartus® Prime Version | Changes |
| 2019.06.24 | 18.1 | Updated the description for dedicated clock inputs in the Typical I/O PLL Architecture diagram. |
| 2019.01.03 | 18.1 | • Updated the Access to PLL LVDS_CLK/LOADEN output port parameter in the IOPLL IP Core Parameters – Settings Tab table. • Updated the description for the zdbfbclk port in the IOPLL IP Core Ports table. |
| 2018.09.28 | 18.1 | • Corrected the description for extswitch in the IOPLL IP Core Ports table. • Renamed the following IP cores as per Intel rebranding: — Changed Altera IOPLL IP core to IOPLL Intel FPGA IP core. — Changed Altera PLL Reconfig IP core to PLL Reconfig Intel FPGA IP core. — Changed Arria 10 FPLL IP core to fPLL Intel Arria 10/Cyclone 10 FPGA IP core. |
| Date | Version | Changes |
| June 2017 | 2017.06.16 | • Added support for Intel Cyclone 10 GX devices. • Rebranded as Intel. |
| December 2016 | 2016.12.05 | Updated the description of the rst port of the IP core. |
| June 2016 | 2016.06.23 | • Updated IP Core Parameters – Settings Tab table. — Updated the description for Manual Switchover and Automatic Switchover with Manual Override parameters. The clock switchover control signal is active low. — Updated the description for Switchover Delay parameter. • Defined M and C counters for DPS Counter Selection parameter in IP Core Parameters – Dynamic Reconfiguration Tab table. • Changed clock switchover port name from clkswitch to extswitch in Typical I/O PLL Architecture diagram. |
| May 2016 | 2016.05.02 | Updated IP Core Parameters – Dynamic Reconfiguration Tab table. |
| May 2015 | 2015.05.04 | Updated the description for Enable access to PLL LVDS_CLK/LOADEN output port parameter in IP Core Parameters – Settings Tab table. Added a link to the Signal Interface Between Altera IOPLL and Altera LVDS SERDES IP Cores table in the I/O and High Speed I/O in Arria 10 Devices chapter. |
| August 2014 | 2014.08.18 | Initial release. |
















