intel 4G Turbo-V FPGA IP

About the 4G Turbo-V Intel® FPGA IP
Forward-error correction (FEC) channel codes commonly improve the energy efficiency of wireless communication systems. Turbo codes are suitable for 3G and 4G mobile communications (e.g., in UMTS and LTE) and satellite communications. You can use Turbo codes in other applications that require reliable information transfer over bandwidth- or latency-constrained communication links in the presence of data-corrupting noise. The 4G Turbo-V Intel® FPGA IP comprises a downlink and uplink accelerator for vRAN and includes the Turbo Intel FPGA IP. The downlink accelerator adds redundancy to the data in the form of parity information.The uplink accelerator exploits redundancy to correct a reasonable number of channel errors.
Related Information
- Turbo Intel FPGA IP User Guide
- 3GPP TS 36.212 version 15.2.1 Release 15
4G Turbo-V Intel FPGA IP Features
The downlink accelerator includes:
- Code block cyclic redundancy code (CRC) attachment
- Turbo encoder
- Turbo rate matcher with:
- Subblock interleaver
- Bit collector
- Bit selector
- Bit pruner
The uplink accelerator includes:
- Subblock deinterleaver
- Turbo decoder with CRC check
Intel Corporation. All rights reserved. Intel, the Intel logo, and other Intel marks are trademarks of Intel Corporation or its subsidiaries. Intel warrants performance of its FPGA and semiconductor products to current specifications in accordance with Intel’s standard warranty, but reserves the right to make changes to any products and services at any time without notice. Intel assumes no responsibility or liability arising out of the application or use of any information, product, or service described herein except as expressly agreed to in writing by Intel. Intel customers are advised to obtain the latest version of device specifications before relying on any published information and before placing orders for products or services. *Other names and brands may be claimed as the property of others.
4G Turbo-V Intel FPGA IP Device Family Support
Intel offers the following device support levels for Intel FPGA IP:
- Advance support—the IP is available for simulation and compilation for this device family. FPGA programming file (.pof) support is not available for Quartus Prime Pro Stratix 10 Edition Beta software and as such IP timing closure cannot be guaranteed. Timing models include initial engineering estimates of delays based on early post-layout information. The timing models are subject to change as silicon testing improves the correlation between the actual silicon and the timing models. You can use this IP core for system architecture and resource utilization studies, simulation, pinout, system latency assessments, basic timing assessments (pipeline budgeting), and I/O transfer strategy (data-path width, burst depth, I/O standards tradeoffs).
- Preliminary support—Intel verifies the IP core with preliminary timing models for this device family. The IP core meets all functional requirements, but might still be undergoing timing analysis for the device family. You can use it in production designs with caution.
- Final support—Intel verifies the IP with final timing models for this device family. The IP meets all functional and timing requirements for the device family. You can use it in production designs.
4G Turbo-V IP Device Family Support
| Device Family | Support |
| Intel Agilex™ | Advance |
| Intel Arria® 10 | Final |
| Intel Stratix® 10 | Advance |
| Other device families | No support |
Release Information for the 4G Turbo-V Intel FPGA IP
Intel FPGA IP versions match the Intel Quartus® Prime Design Suite software versions until v19.1. Starting in Intel Quartus Prime Design Suite software version 19.2, Intel FPGA IP has a new versioning scheme. The Intel FPGA IP version (X.Y.Z) number can change with each Intel Quartus Prime software version. A change in:
- X indicates a major revision of the IP. If you update the Intel Quartus Prime software, you must regenerate the IP.
- Y indicates the IP includes new features. Regenerate your IP to include these new features.
- Z indicates the IP includes minor changes. Regenerate your IP to include these changes.
4G Turbo-V IP Release Information
| Item | Description |
| Version | 1.0.0 |
| Release Date | April 2020 |
4G Turbo-V Performance and Resource Utilization
Intel generated the resource utilization and performance by compiling the designs with Intel Quartus Prime software v19.1. Only use these approximate results for early estimation of FPGA resources (e.g. adaptive logic modules (ALMs)) that a project requires. The target frequency is 300 MHz.
Downlink Accelerator Resource Utilization and Maximum Frequency for Intel Arria 10 Devices
| Module | fMAX (MHz) | ALMs | ALUTs | Registers | Memory (Bits) | RAM Blocks (M20K) | DSP Blocks |
| Downlink accelerator | 325.63 | 9,373 | 13,485 | 14,095 | 297,472 | 68 | 8 |
| CRC attachment | 325.63 | 39 | 68 | 114 | 0 | 0 | 0 |
| Turbo encoder | 325.63 | 1,664 | 2,282 | 1154 | 16,384 | 16 | 0 |
| Rate matcher | 325.63 | 7,389 | 10,747 | 12,289 | 274,432 | 47 | 8 |
| Subblock interleaver | 325.63 | 2,779 | 3,753 | 5,559 | 52,416 | 27 | 0 |
| Bit collector | 325.63 | 825 | 1,393 | 2,611 | 118,464 | 13 | 4 |
| Bit selector and pruner | 325.63 | 3,784 | 5,601 | 4,119 | 103,552 | 7 | 4 |
Uplink Accelerator Resource Utilization and Maximum Frequency for Intel Arria 10 Devices
| Module | fMAX (MHz) | ALMs | Registers | Memory (Bits) | RAM Blocks (M20K) | DSP Blocks |
| Uplink accelerator | 314.76 | 29480 | 30,280 | 868,608 | 71 | 0 |
| Subblock deinterleaver | 314.76 | 253 | 830 | 402,304 | 27 | 0 |
| Turbo decoder | 314.76 | 29,044 | 29,242 | 466,304 | 44 | 0 |
Designing with the 4G Turbo-V Intel FPGA IP
4G Turbo-V IP Directory Structure
You must manually install the IP from the IP installer.
Installation Directory Structure
Generating a 4G Turbo-V IP
You can generate a downlink or uplink accelerator. For the uplink accelerator, replace dl with ul in directory or file names.
- Open the Intel Quartus Prime Pro software.
- Select File ➤ New Project Wizard.
- Click Next.
- Enter Project name dl_fec_wrapper_top and enter the project location.
- Select Arria 10 device.
- Click Finish.
- Open the dl_fec_wrapper_top.qpf file available at project directory The project wizard appears.
- On the Platform Designer tab:
- Create the dl_fec_wrapper_top.ip file using hardware tcl file.
- Click Generate HDL to generate the design files.
- On the Generate tab, click Generate Test bench system.
- Click Add All to add the synthesis files to the project. The files are in src\ip\dl_fec_wrapper_top\dl_fec_wrapper_10\synth.
- Set dl_fec_wrapper_top.v file as top level entity.
- Click Start Compilation to compile this project.
Simulating a 4G Turbo-V IP
This task is for simulating a downlink accelerator. To simulate an uplink accelerator replace dl with ul in each directory or file name.
- Open the ModelSim 10.6d FPGA Edition simulator.
- Change the directory to src\ip\dl_fec_wrapper_top_tb \dl_fec_wrapper_top_tb\sim\mentor
- Change the QUARTUS_INSTALL_DIR into your Intel Quartus Prime directory in the msim_setup.tcl file, which is in \sim\mentor directory
- Enter the command do load_sim.tcl command in transcript window. This command generates the library files and compiles and simulates the source files in the msim_setup.tcl file. The test vectors are in filename_update.sv in the \sim directory.
The filename update File Structure
- Corresponding test vector files are in sim\mentor\test_vectors
- Log.txt contains the result of every test packets.
- For the downlink accelerator, encoder_pass_file.txt contains the pass report of every index of test packets and encoder_file_error.txt contains the fail report of every index of test packets.
- For the uplink accelerator, Error_file.txt contains the fail report of every index of test packets.

4G Turbo-V Intel FPGA IP Functional Description
The 4G Turbo-V Intel FPGA IP comprises a downlink accelerator and an uplink accelerator.
- 4G Turbo-V Architecture on page 9
- 4G Turbo-V Signals and Interfaces on page 11
- 4G Turbo-V Timing Diagrams on page 15
- 4G Turbo-V Latency and Throughput on page 18
4G Turbo-V Architecture
The 4G Turbo-V Intel FPGA IP comprises a downlink accelerator and an uplink accelerator.
4G Downlink Accelerator
The 4G Turbo downlink accelerator consists of a code block CRC attachment block and a Turbo encoder (Intel Turbo FPGA IP) and rate matcher. The input data is 8-bit wide and the output data is 24-bit wide. The rate matcher consists of three subblock interleavers, a bit selector, and a bit collector.
The 4G downlink accelerator implements a code block CRC attachment with 8-bit parallel CRC computation algorithm. The input to the CRC attachment block is 8-bit wide. In the normal mode, the number of inputs to the CRC block is k-24, where k is the block size based on the size index. The additional CRC sequence of 24 bits is attached to the incoming code block of data in the CRC attachment block and then passes to the Turbo encoder. In the CRC bypass mode, the number of inputs is k size of 8-bit wide passed to the Turbo encoder block.
The Turbo encoder uses a parallel concatenated convolutional code. A convolutional encoder encodes an information sequence and another convolutional encoder encodes an interleaved version of the information sequence. The Turbo encoder has two 8-state constituent convolutional encoders and one Turbo code internal interleaver. For more information about the Turbo encoder, refer to the Turbo IP Core User Guide. The rate matcher matches the number of bits in transport block to the number of bits that the IP transmits in that allocation. The input and output of the rate matcher is 24 bits. The IP defines the rate matching for Turbo coded transport channels for each code block. The rate matcher comprises: subblock interleaver, bit collector and bit selector. The downlink accelerator sets up the subblock interleaved for each output stream from Turbo coding. The streams include a message bit stream, 1st parity bit stream and 2nd parity bit stream. The input and output of the subblock interleaved is 24 bits wide. The bit collector combines the streams that come from the subblock interleaver. This block contains buffers that store:
- Messages and filler enabling bits from the subblock interleaved.
- The subblock interleaved parity bits and their respective filler bits.
Bit Collector

4G Channel Uplink Accelerator
The 4G Turbo uplink accelerator consists of an subblock deinterleaver and a turbo decoder (Intel Turbo FPGA IP).
The deinterleaver consists of three blocks in which the first two blocks are symmetrical and the third block is different.
The latency of the ready signal is 0.
Deinterleaver

If you turn on the bypass mode for the subblock deinterleaver, the IP reads the data as it writes the data in the memory blocks in the successive locations. The IP reads the data as and when it writes the data without any interleaving. The number of input data into the subblock deinterleaver is K_π in the bypass mode and the output data length is k size (k is the code block size based on the cb_size_index value). The latency of the output data of the subblock deinterleaver depends on the input block size K_π. The IP reads the data only after you write the K_π code block size of input data. Hence the latency of the output also includes the write time. The latency in the subblock interleaver output data is K_π+17. The Turbo decoder calculates the most likely transmitted sequence, based on the samples that it receives. For a detailed explanation, refer to the Turbo Core IP User Guide. Decoding of error correcting codes is a comparison of the probabilities for different convolutional codes. The Turbo decoder consists of two single soft-in soft-out (SISO) decoders, which work iteratively. The output of the first (upper decoder) feeds into the second to form a Turbo decoding iteration. Interleaver and deinterleaver blocks reorder data in this process.
Related Information
Turbo IP Core User Guide
4G Turbo-V Signals and Interfaces
Downlink Accelerator
Downlink Accelerator Signals
| Signal Name | Direction | Bit Width | Description |
| clk | Input | 1 | 300 MHz clock input. All Turbo-V IP interface signals are synchronous to this clock. |
| reset_n | Input | 1 | Resets the internal logic of whole IP. |
| sink_valid | Input | 1 | Asserted when data at sink_data is valid. When sink_valid is not asserted, the IP strops processing until sink_valid is reasserted. |
| sink_data | Input | 8 | Typically carries the bulk of the information being transferred. |
| sink_sop | Input | 1 | Indicates the start of an incoming packet |
| sink_eop | Input | 1 | Indicates the end of an incoming packet |
| sink_ready | Output | 1 | Indicates when the IP can accept data |
| Sink_error | Input | 2 | Two-bit mask to indicate errors affecting the data transferred in the current cycle. |
| Crc_enable | Input | 1 | Enables the CRC block |
| Cb_size_index | Input | 8 | Input code block size K |
| sink_rm_out_size | Input | 20 | Rate matcher output block size, corresponding to E. |
| sink_code_blocks | Input | 15 | Soft buffer size for current code block Ncb |
| sink_rv_idx | Input | 2 | Redundancy version index (0,1,2 or 3) |
| sink_rm_bypass | Input | 1 | Enables bypass mode in the rate matcher |
| sink_filler_bits | Input | 6 | The number of filler bits the IP inserts at the transmitter when the IP performs code block segmentation. |
| source_valid | Output | 1 | Asserted by the IP when there is valid data to output. |
| continued… | |||
| Signal Name | Direction | Bit Width | Description |
| source_data | Output | 24 | Carries the bulk of the information transferred. This information is available where valid is asserted. |
| source_sop | Output | 1 | Indicates the beginning of a packet. |
| source_eop | Output | 1 | Indicates the end of a packet. |
| source_ready | Input | 1 | Data reception is valid where the ready signal is asserted. |
| source_error | Output | 2 | Error signal propagated from Turbo Encoder indicating Avalon-ST protocol violations on source side • 00: No error • 01: Missing start of packet • 10: Missing end of packet • 11: Unexpected end of packet Other types of errors may also be marked as 11. |
| Source_blk_size | Output | 13 | Output code block size K |
Uplink Accelerator Interfaces

Uplink Accelerator Signals
| Signal | Direction | Bit Width | Description |
| clk | Input | 1 | 300 MHz clock input. All Turbo-V IP interface signals are synchronous to this clock. |
| reset_n | Input | 1 | Reset of input clock signal |
| sink_valid | Input | 1 | Avalon streaming input valid |
| sink_data | Input | 24 | Avalon streaming input data |
| sink_sop | Input | 1 | Avalon streaming input start of packet |
| sink_eop | Input | 1 | Avalon streaming input end of packet |
| continued… | |||
| Signal | Direction | Bit Width | Description |
| sink_ready | Input | 1 | Avalon streaming input ready |
| conf_valid | Input | 1 | Input configuration conduit valid |
| cb_size_index | Input | 8 | Block size iteration index |
| max_iteration | Input | 5 | Maximum iteration |
| rm_bypass | Input | 1 | Enables bypass mode |
| sel_CRC24A | Input | 1 | Specifies the type of CRC that you need for the current data block: • 0: CRC24A • 1: CRC24B |
| conf_ready | Input | 1 | Input configuration conduit ready |
| source_valid | Output | 1 | Avalon streaming output valid |
| source_data | Output | 16 | Avalon streaming output data |
| source_sop | Output | 1 | Avalon streaming output start of packet |
| source_eop | Output | 1 | Avalon streaming output end of packet |
| source_error | Output | 2 | Error signal indicating Avalon streaming protocol violations on source side: • 00: No error • 01: Missing start of packet • 10: Missing end of packet • 11: Unexpected end of packet Other types of errors may also be marked as 11. |
| source_ready | Output | 1 | Avalon streaming output ready |
| CRC_type | Output | 1 | Indicates the type of CRC that was used for the current data block: • 0: CRC24A • 1: CRC24B |
| source_blk_size | Output | 13 | Specifies the outgoing block size |
| CRC_pass | Output | 1 | Indicates whether CRC was successful: • 0: Fail • 1: Pass |
| source_iter | Output | 5 | Shows the number of half iterations after which the Turbo decoder stops processing the current data block. |
Avalon Streaming Interfaces in DSP Intel FPGA IP
Avalon streaming interfaces define a standard, flexible, and modular protocol for data transfers from a source interface to a sink interface. The input interface is an Avalon streaming sink and the output interface is an Avalon streaming source. The Avalon streaming interface supports packet transfers with packets interleaved across multiple channels. Avalon streaming interface signals can describe traditional streaming interfaces supporting a single stream of data without knowledge of channels or packet boundaries. Such interfaces typically contain data, ready, and valid signals. Avalon streaming interfaces can also support more complex protocols for burst and packet transfers with packets interleaved across multiple channels. The Avalon streaming interface inherently synchronizes multichannel designs, which allows you to achieve efficient, time-multiplexed implementations without having to implement complex control logic. Avalon streaming interfaces support backpressure, which is a flow control mechanism where a sink can signal to a source to stop sending data. The sink typically uses backpressure to stop the flow of data when its FIFO buffers are full or when it has congestion on its output.
Related Information
Avalon Interface Specifications
4G Turbo-V Timing Diagrams
Timing Diagram for Write Logic with Codeblock 40
The IP:
- Places null 20 bits in column 0 to 19 and writes the data bits from column 20.
- Writes all 44 bits to memory in 6 clock cycles.
- Writes trellis termination bits into column 28 to 31.
- Increments write address for each row.
- Generates write enable signal for 8 individual RAM at a time.
The IP does not write filler bits into RAM. Instead, the IP leaves the place holder for filter bits in the RAM and inserts the NULL bits into the output during the read process. The first write starts from column 20.
Timing Diagram for Read Logic with Codeblock 40
For each read, you see 8 bits in one clock cycle but only two bits are valid. The IP writes these two bits into the shift register. When the IP forms 8 bits it sends them to the output interface.
Timing Diagram for Write Logic with Codeblock 6144
The filler bits are from column 0 to 27 and the data bits are from column 28. The IP:
- Writes all 6,148 bits to memory in 769 clock cycles.
- Writes trellis termination bits into column 28 to 31.
- Increments write address for each row.
- Generates write enable signal generated for 8 individual RAM at a time.
The IP does not write filler bits into RAM. Instead the IP leaves the place holder for filter bits over in the RAM and inserts the NULL bits into output during the read process. The first write starts from column 28.
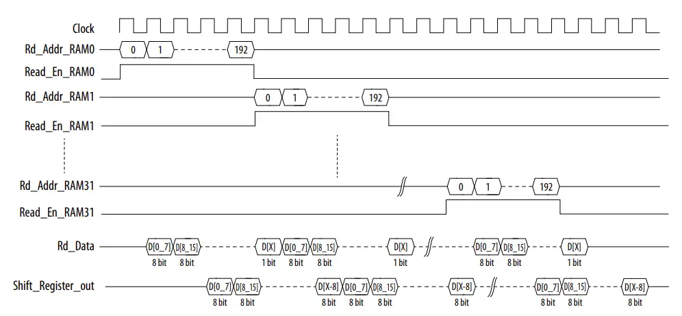
Timing Diagram for Read Logic with Codeblock 6144
On the read side, each read gives 8 bits. While reading the 193rd row, the IP read 8 bits, but only one bit is valid. The IP forms eight bits with shift registers and sends them out by reading from the next column.
Input Timing Diagram

Output Timing Diagram

4G Turbo-V Latency and Throughput
The latency is measured between input first packet SOP to output first packet SOP. The processing time is measured between input first packet SOP to output last packet EOP.
Downlink accelerator
The throughput is the rate at which the IP can pump the input into the downlink accelerator as it is ready.
Downlink Accelerator Latency, Processing Time, and Throughput
With the maximum K size of 6,144 and E size of 11,522. Processing time measured for 13 code blocks. Clock speed is 300 MHz.
| K | E | Latency | Processing time | Input Throughput | ||
| (cycles) | (us) | (cycles) | (us) | (%) | ||
| 6,144 | 11,552 | 3,550 | 11.8 | 14,439 | 48.13 | 95 |
Latency and Processing Time Calculation
- The figure shows the procedure to calculate latency, processing time, and throughput.

K Size versus Latency

K Size versus Latency
- k=40 to 1408

Uplink Accelerator Latency and Processing Time
- With max iteration number = 6. Clock speed is 300 MHz.
K E Latency Processing time (cycles) (us) (cycles) (us) 86 40 316 1.05 318 1.06 34,560 720 2,106 7.02 2,150 7.16 34,560 1,408 3,802 12.67 3,889 12.96 34,560 1,824 4,822 16.07 4,935 16.45 28,788 2,816 7,226 24.08 7,401 24.67 23,742 3,520 8,946 29.82 9,165 30.55 34,560 4,032 10,194 33.98 10,445 34.81 26,794 4,608 11,594 38.64 11,881 39.60 6,480 5,504 13,786 45.95 14,129 47.09 12,248 6,144 15,338 51.12 15,721 52.40
Uplink Accelerator Latency and Processing Time
- With max iteration number = 8
| K | E | Latency | Processing time | ||
| (cycles) | (us) | (cycles) | (us) | ||
| 86 | 40 | 366 | 1.22 | 368 | 1.22 |
| 34,560 | 720 | 2,290 | 7.63 | 2,334 | 7.78 |
| 34,560 | 1,408 | 4,072 | 13.57 | 4,159 | 13.86 |
| 34,560 | 1,824 | 5,144 | 17.14 | 5,257 | 17.52 |
| 28,788 | 2,816 | 7,672 | 25.57 | 7,847 | 26.15 |
| continued… | |||||
| 23,742 | 3,520 | 9,480 | 31.6 | 9,699 | 32.33 |
| 34,560 | 4,032 | 10,792 | 35.97 | 11,043 | 36.81 |
| 26,794 | 4,608 | 12,264 | 40.88 | 12,551 | 41.83 |
| 6,480 | 5,504 | 14,568 | 48.56 | 14,911 | 49.70 |
| 12,248 | 6,144 | 16,200 | 54 | 16,583 | 55.27 |
K Size vs Latency
- For max_iter=6

Figure 19. K Size vs Processing Time
- For max_iter=6

K Size vs Latency
- For max_iter=8

K Size vs Processing Time
- For max_iter=8

Document Revision History for the 4G Turbo-V Intel FPGA IP User Guide
| Date | IP Version | Intel Quartus Prime Software Version | Changes |
| 2020.11.18 | 1.0.0 | 20.1 | Removed table in 4G Turbo-V Performance and Resource Utilization |
| 2020.06.02 | 1.0.0 | 20.1 | Initial release. |
Intel Corporation. All rights reserved. Intel, the Intel logo, and other Intel marks are trademarks of Intel Corporation or its subsidiaries. Intel warrants performance of its FPGA and semiconductor products to current specifications in accordance with Intel’s standard warranty, but reserves the right to make changes to any products and services at any time without notice. Intel assumes no responsibility or liability arising out of the application or use of any information, product, or service described herein except as expressly agreed to in writing by Intel. Intel customers are advised to obtain the latest version of device specifications before relying on any published information and before placing orders for products or services. *Other names and brands may be claimed as the property of others.






















