Reebok ONE GB40 Exercise Bike I

Product Overview

What in the box
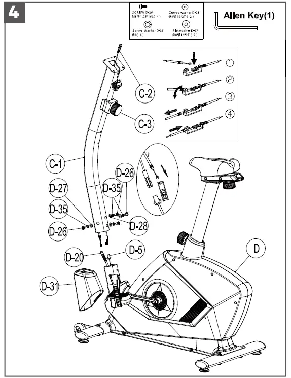
Assembly





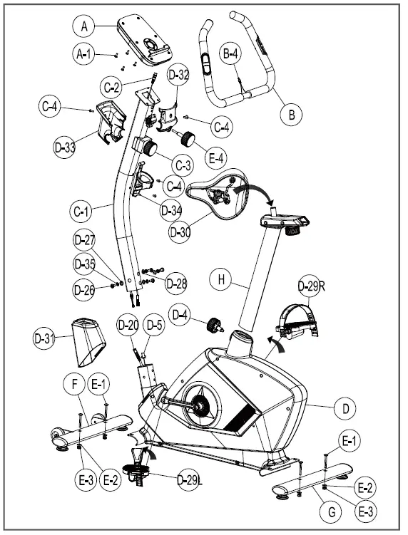
SPARE PARTS LIST

| ITEM | DESCR I PT ION | I EVB SPEC | Q’TY | |||
| A | Console | l rE – sr 654900I 6702 | PCS | |||
| A – I | Screw | PD”‘5W M 1 0510-10 02 | 4 | PCS | ||
| B | Handlebar set | AA-A-PA3!69-9014 | SET | |||
| B- 1 | Foam grip | I PL- P- PB4009- 1002 | 2 | PCS | ||
| B-2 | Handlebar | I PT-P- PB5023-1 082 | 1 | PCS | ||
| B-3 | Hand pulse | 1PCI007- 12B1 | 2 | PCS | ||
| B– 4 | Hear t rnte 111ire | B6120 – E2B6 5BB65B- BBO II | 1 | PCS | ||
| B-5 | Screw | PD-SU M 10420-100 2 | 2 | PCS | ||
| B- 6 | Semi \\’asher | 2 | PCS | |||
| B-7 | End cap | PL-P-PBl554L!002 | 2 | PCS | ||
| C | Handlebar ]X)St set | AA-GB40FA02-9000 | 1 | SET | ||
| C- 1 | Handlebar | MT- GB40F\\’02- 7002 | 1 | PCS | ||
| C-2 | Cabe | B6020–CI 115001–000 | 1 | PCS | ||
| C- 3 | Tension control l er | PII- A8 4- 0810- 1 002 | 1 | PCS | ||
| C -4 | Screw | PD-SW M 40520-1002 | 4 | PCS | ||
| D | Main frame set | AA-GB40FA0!-9000 | 1 | SET | ||
| D- 1 | Main frame | MT- GB40F \\’01- 7002 | 1 | PCS | ||
| D-2 | I Ider spring | PII-P-PBl226-1000 | 1 | PCS | ||
| D -3 | Nybn | PD-£EM 10820 -7600 | 2 | PCS | ||
| D-4 | Knob | PD –P–P B69 13-IOOO | 1 | PCS | ||
| D-5 | wire | B7030–010650D6-260 | 1 | PCS | ||
| D-6 | Screw | PD-£DM 20410 -1 041 | 1 | PCS | ||
| D-7 | Sensor bracke t | PE-P-PB4310-1300 | 1 | PCS | ||
| D- 8 | \\’ave washer | 1 | PCS | |||
| D-9 | Flat washer | PD-WNl21725-1002 | 1 | PCS | ||
| D -10 | C rilg | PD–KCO 11700-1002 | 1 | PCS | ||
| D- 11 | Bearing | PII- BAZ- 6203- 1200 | 2 | PCS | ||
| D-12 | Clamp | 1 | PCS | |||
| D- 13 | Left crank | PII- P- PA- 818- !0 41 | 1 | PCS | ||
| D-14 | Right crank | PII-P-PA-819-1041 | 1 | PCS | ||
| D-15 | Be lt | PII –LJ6M 1066- 1 000 | 1 | PCS | ||
| D- 16 | Left cover ( upper ) | PL- C- GB5001- 1002 | 1 | PCS | ||
| D-17 | Right cover (lower) | PL-C-G BSO l l-1002 | 1 | PCS | ||
| D -18 | Screw | PD-£BM 20516 -1241 | 4 | PCS | ||
| D-19 | Screw | PD–SBM 20440-1041 | 6 | PCS | ||
| D-20 | Tension control !er, | lwo e | PII- P-PB5076-!000 | 1 | PCS | |
| D -21 | Cap | I PL-P-PB5862 -1002 | 1 | PCS | ||
| D-22 | Screw | I PD–SIIM 20812-1102 | 3 | PCS | ||
| D- 23 | Pulley | I PL- PJ6B240H 002 | 1 | PCS | ||
| D-24 | Bush i ng | 1 | PCS | |||
| D-25 | Ax l e set | PH-P-PB5184-1000 | 1 | PCS | ||
| D -26 | Screw | PD-£RM 408 1 6-1002 | 4 | PCS | ||
| D-27 | Flat v.·asher | PD-WN240819-1002 | 2 | PCS | ||
| D- 28 | Semi washer | 1Pll- \\’A22081 9- 11 02 | 2 | PCS | ||
| D-29 | Pedal | I PS–P–PB 5907-1 302 | 1 | SF.T | ||
| D-30 | Saddle | I Ps-P-PB-240-1402 | 1 | PCS | ||
| D- 31 | Cap of handlebar wst I PL- C- GB5090- 1002 | 1 | PCS | |||
| D-32 | Front cover of handlebar I PL-SB03-003-1002 | 1 | PCS | |||
| D- 33 | Rear cover of handlebar I PL- SB03- 013 – 1002 | 1 | PCS | |||
| D-34 | ll’ater bottle holder | I PL-P- PB2074-IA51 | 1 | PCS | ||
| D- 35 | Spring Washer | I PD- WS220800- l l02 | 4 | PCS | ||
| E | Hardware k i t | I AA-GB40FA03-9000 | 1 | SET | ||
| ITEM | DESCRIPTION I EVB SPEC | Q’ TY | ||
| E-1 | Screw I PD-SM M 40855 -1 002 | 4 | PCS | |
| E-2 | Flat washer I PD- WN240819-!002 | 4 | PCS | |
| E-3 | N ut I PD-!IN M 20800 -1002 | 4 | PCS | |
| E-4 | Knob of handlebar I PL-P-PB6915-I000 | 1 | PCS | |
| F | Front stabi I izer set I AA-GB40FA04-9000 | 1 | SET | |
| F– 1 | Front stabi I izer I MT- GB40F W04- 7002 | 1 | PCS | |
| F-2 | Nap I PL–P–PB2796Ll002 | 4 | PCS | |
| F-3 | Rolh I PL-P-PB3031 -1200 | 2 | PCS | |
| F-4 | End cap I PL- P-P B5062-JA 51 | 4 | PCS | |
| F-5 | Bushing I PH-P-PB3112-1000 | 2 | PCS | |
| F-£ | C rTlg I PD -KCOI 0800-1002 | 2 | PCS | |
| F-7 | N ut I PD–NQM 10800-1002 | 2 | PCS | |
| G | Rear stabilizer set I AA- GB40FA05-9000 | 1 | SET | |
| G- 1 | Rear stabi 1 izer I MT-GB40FWOS-7002 | 1 | PCS | |
| II | Seat wst set I MT-GB40F \\’03-7300 | 1 | SET | |
| 11-1 | Seat wst I MT- GB40F W03- 5000 | 1 | PCS | |
| 11-2 | Rail tube I MT-B2010F\\’047300 | 1 | PCS | |
| 11- 3 | Screw bracket of rai I tu lt PD- P- PB2293- l000 | 1 | PCS | |
| 11-4 | Knob of seat I PD-P-PB6914- I OOO | 1 | PCS | |
| H-5 | Flat washer I PD-\\’N3 21425-1041 | 1 | PCS | |
| 11- 6 | End cap I PL- P- PB1 577L1002 | 1 | PCS | |
| H-7 | Left cover of rai I tube I PL- C-GBSOOD- 1002 | 1 | PCS | |
| 11- 8 | Right cover of rail tube j PL- C- GB501D- l 002 | 1 | PCS | |
| 11-6 | Screw I PD–511′ M 20506-1002 | 4 | PCS | |
| Idler set I AA-A- PA3 248- 9000 | I | SET | ||
| 1-1 | Uer I M T-TU BRF W 04-5000 | 1 | PCS | |
| 1-2 | Jockey wheel I PH- P- PB38 51- 1000 | 1 | PCS | |
| f-3 | N ” t I PD –NN M 20800 -1041 | 1 | PCS | |
| 1-4 | Flat washer I PD-\\’N110825-1141 | 1 | PCS | |
| 1-5 | Screv.’ I PD-Sil.II 20820-114 1 | 1 | PCS | |
| 1- 6 | \\’ave washer PD- WD 061015-1002 | 2 | PCS | |
| 1-7 | Flat washer PD- WNl20612- 1 041 | 1 | PCS | |
| Hl | Screw PD–SIIM 10612-1002 | 1 | PCS | |
| J | Magnet set AA-A-PA3693-9000 | 1 | SET | |
| J-1 | Screw PD–51\M 20616-1041 | 2 | PCS | |
| J- 2 | Spring washer PD- WS210600- 1041 | 2 | PCS | |
| J-3 | Flat v.·asher PD-\I/Nl20613-1041 | 2 | PCS | |
| K | Flywheel set AA- A- PA3 235- 9102 | 2 | SET | |
| K- 1 | Fl yv.·heel Pll-FAD25032EI002 | 2 | PCS | |
| K-2 | Bearing PH-BA2-6300-JOOO | 2 | PCS | |
| K- 3 | Sin gl e bearing set PII- P- PB3485- I OOO | 1 | PCS | |
| K-4 | Bearing PII-BA2-6203-l 100 | 1 | PCS | |
| K- 5 | Flowy heel axle PH- P- PB4982- I OOO | 1 | PCS | |
| K-6 | Flat washer PD-WN\ 13034-1002 | 1 | PCS | |
| K-7 | Pulley PII- P-PB48 42-1000 | 1 | PCS | |
| K- 8 | Bearing PH- BA2- 6900- I OOO | 1 | PCS | |
| K-6 | N,t PD –N N r21 224-1 041 | 5 | PCS | |
| K- 10 | Star washer PD- NN l 21224- 1041 | 2 | PCS | |
| K-11 | Bushing I PH- P-PA- 008- 1 000 | 1 | PCS | |
| K-12 | Bearing I l’H-BA2-6003-!000 | 1 | PCS | |
| K- 13 | Bushing I PII- P- PA- 009- 1000 | 1 | PCS | |


















