25 Interchange Way, Vaughan Ontario, L4K 5W3
Phone: 905.660.4655; Fax: 905.660.4113
MIX-M502MAPA Intelligent Monitor Module
INSTALLATION AND MAINTENANCE INSTRUCTIONS
MIX-M502MAPA Interface Module
Specifications
| Normal Operating Voltage: | 15 to 32 VDC |
| Maximum Alarm Current: | 5.1mA (LED on) |
| Average Operating Current: | 400µA, 1 communication and 1 LED flash every 5 seconds, 3.9k eol |
| EOL Resistance: | 3.9K Ohms |
| Maximum IDC wiring resistance: | 25 Ohms |
| IDC Supply Voltage (between Terminals T3 and Regulated DC Voltage: | 24 VDC power limited |
| Ripple Voltage: | 0.1 Volts RMS maximum |
| Current: | 90mA per module |
| Temperature Range: | 32˚F to 120˚F (0˚C to 49˚C) |
| Humidity: | 10% to 93% Non-condensing |
| Dimensions: | 4 1 ⁄2˝ H x 4˝ W x 1 1 ⁄4˝ D (Mounts to a 4˝ square by 2 1 ⁄8˝ deep box.) |
| Accessories: | SMB500 Electrical Box |
Before Installing
This information is included as a quick reference installation guide. Refer to the control panel installation manual for detailed system information. If the modules will be installed in an existing operational system, inform the operator and local authority that the system will be temporarily out of service. Disconnect power to the control panel before installing the modules.
NOTICE: This manual should be left with the owner/user of this equipment.
General Description
The MIX-M502MAPA Interface Module is intended for use in intelligent, two-wire systems, where the individual address of each module is selected using the built-in rotary ecade switches. This module allows intelligent panels to interface and monitor two-wire conventional smoke detectors. It transmits the status (normal, open, or alarm) of one full zone of conventional detectors back to the control panel. All two-wire detectors being monitored must be ULC compatible with this module. The MIX-M502MAPA has a panel controlled LED indicator. Compatibility Requirements To ensure proper operation, these modules shall be connected to listed compatible system control panels only.
Mounting The MIX-M502MAPA mounts directly to 4˝ square electrical boxes (see Figure 2A).
The box must have a minimum depth of 2 ⁄8˝. Surface mounted electrical boxes (SMB500) are available from Mircom.
Wiring
NOTE: All wiring must conform to applicable local codes, ordinances, and regulations.
This module is intended for power-limited wiring only.
- Install module wiring in accordance with the job drawings and appropriate wiring diagrams.
- Set the address on the module per job drawings.
- Secure module to electrical box (supplied by installer), as shown in Figure 2A.

Compatible Two-wire System Sensor Smoke Detectors for Use with MIX-M502MAPA with Zone Identifier A:
| Detector | Compatibility | Detector | Base | Base | Max |
| Model | ID | Type | Model | Identifier | Detectors |
| 1451A | A | Ionization | B401/BA | A | 20 |
| 2451A | A | Photoelectric | B401/BA | A | 20 |
| 2451THA | A | Photoelectric with Thermal | B401/BA | A | 20 |
| 1400A | A | Ionization | N/A | — | 20 |
| 2400A | A | Photoelectric | N/A | — | 20 |
| 2400THA | A | Photoelectric with Thermal | N/A | — | 20 |
| 1151A | A | Ionization | B110LPA/B401A | A | 20 |
| 2151A | A | Photoelectric | B110LPA/B401A | A | 20 |
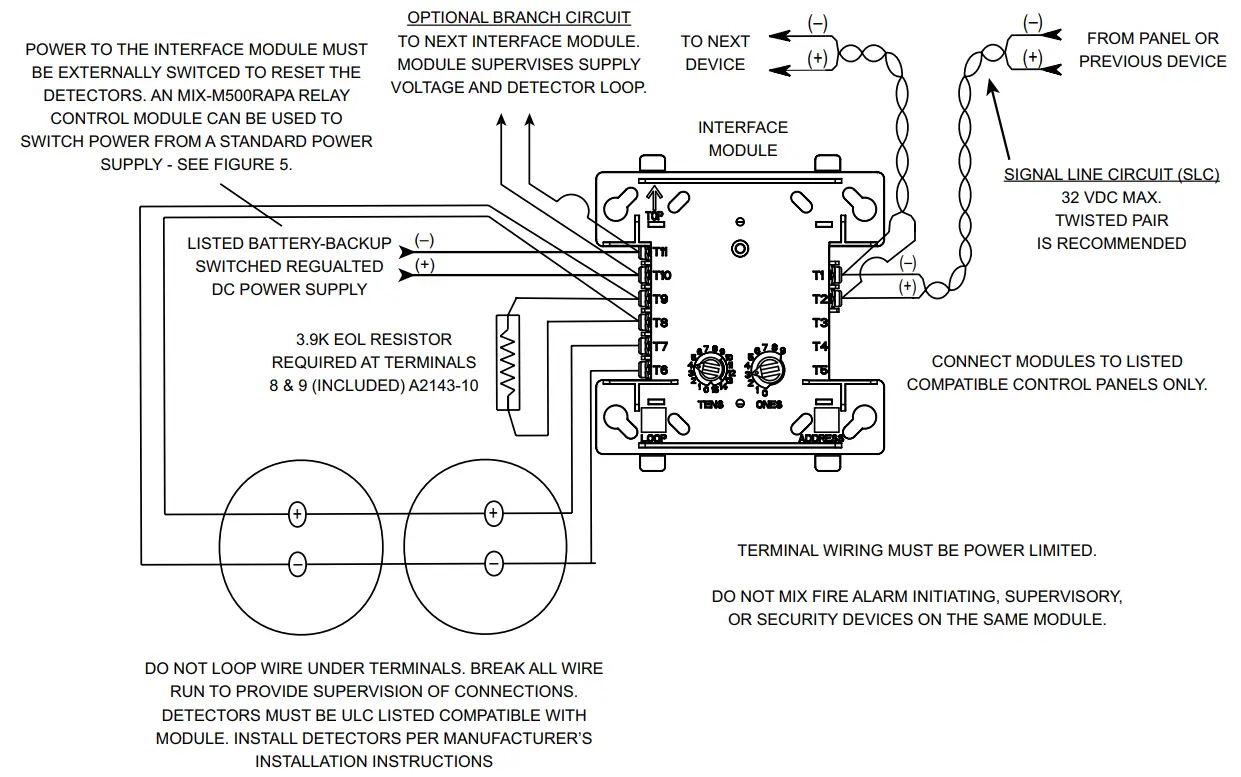
Figure 3. Interface two-wire conventional detectors, NFPA Style B:
*NOTE: ANY FAULT IN THE POWER SUPPLY IS LIMITED TO THAT ZONE AND DOES NOT RESULT IN A FAULT IN A SEPARATE ZONE.
Figure 4. Interface two-wire conventional detectors, NFPA Style D:

*NOTE: ANY FAULT IN THE POWER SUPPLY IS LIMITED TO THAT ZONE AND DOES NOT RESULT IN A FAULT IN A SEPARATE ZONE.
Figure 5. Relay control module used to disconnect a power supply:

MC-460-012 2 I56-3326-000
© 2008 Mircom
firealarmresources.com


















