Mircom MIX-M502MAP Interface Module

Specifications
- Normal Operating Voltage: 15 to 32 VDC
- Maximum Alarm Current: 5.1mA (LED on)
- Average Operating Current: 400μA, 1 communication and 1 LED flash every 5 seconds, 3.9k eol
- EOL Resistance: 3.9K Ohms
- Maximum IDC wiring resistance: 25 Ohms
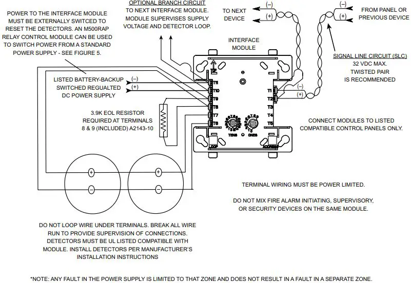
- IDC Supply Voltage (between Terminals T3 and T4)
- Regulated DC Voltage: 24 VDC power limited
- Ripple Voltage: 0.1 Volts RMS maximum
- Current: 90mA per module
- Temperature Range: 32˚F to 120˚F (0˚C to 49˚C)
- Humidity: 10% to 93% Non-condensing
- Dimensions: 41⁄2˝ H x 4˝ W x 11⁄4˝ D (Mounts to a 4˝ square by 21⁄8˝ deep box.)
- Accessories: SMB500 Electrical Box
Before Installing
This information is included as a quick reference installation guide. Refer to the control panel installation manual for detailed system information. If the modules will be installed in an existing operational system, inform the operator and local authority that the system will be temporarily out of service. Disconnect power to the control panel before installing the modules.
NOTICE: This manual should be left with the owner/user of this equipment.
General Description
The MIX-M502MAP Interface Module is intended for use in intel-ligent, two-wire systems, where the individual address of each module is selected using the built-in rotary decade switches. This module allows intelligent panels to interface and monitor two-wire conventional smoke detectors. It transmits the status (normal, open, or alarm) of one full zone of conventional detectors back to the control panel. All two-wire detectors being monitored must be UL compatible with this module (see systemsensor.com for complete list). The MIX-M502MAP has a panel controlled LED indicator.
Compatibility Requirements
To ensure proper operation, these modules shall be connected to listed compatible system control panels only.
Mounting
The MIX-M502MAP mounts directly to 4˝ square electrical boxes (see Figure 2A). The box must have a minimum depth of 21⁄8˝. Sur-face mounted electrical boxes (SMB500) are available from Sys-tem Sensor.
Wiring
NOTE: All wiring must conform to applicable local codes, ordi-nances, and regulations. This module is intended for power-lim-ited wiring only.
- Install module wiring in accordance with the job drawings and appropriate wiring diagrams.
- Set the address on the module per job drawings.
- Secure module to electrical box (supplied by installer), as shown in Figure 2A.

Compatible Two-wire System Sensor Smoke Detectors for Use with MIX-M502MAP with Zone Identifier A
| Detector Model | Compatibility ID | Detector Type | Base Model | Base Identifier | Max Detectors |
| 1451 | A | Ionization | B401/B | A | 20 |
| 2451 | A | Photoelectric | B401/B | A | 20 |
| 2451TH | A | Photoelectric with Thermal | B401/B | A | 20 |
| 1400 | A | Ionization | N/A | — | 20 |
| 2400 | A | Photoelectric | N/A | — | 20 |
| 2400TH | A | Photoelectric with Thermal | N/A | — | 20 |
| 1151 | A | Ionization | B110LP/B401 | A | 20 |
| 2151 | A | Photoelectric | B110LP/B401 | A | 20 |
Figure 3. Interface two-wire conventional detectors, NFPA Style B:

Figure 4. Interface two-wire conventional detectors, NFPA Style D:

Figure 5. Relay control module used to disconnect a power supply:



















