wheelock AS-2415C AS Audible Strobe Appliances

GENERAL
Wheelock’s AS Audible Strobe Appliances are the industry’s first 2-wire horn strobe alarm appliances that can provide a selectable continuous or code 3 horn tone and continuous strobe when connected directly to the Fire Alarm Control Panel (FACP), or provide a synchronized code 3 and synchronized strobe when used in conjunction with a Sync Module (SM), Dual Sync Module (DSM) or Power Supply (PS-12/24-8). The AS Appliances are UL Listed under Standard 1971 for Emergency Appliances for the Hearing Impaired and UL Standard 464 for Audible Signal Appliances. They are listed for ceiling mounting and indoor use only and equipped with a Universal Mounting Plate (UMP) that can be mounted to single-gang, double-gang and 4” backbox, 100mm European backbox or SHBB surface backbox (See Mounting Options). The AS Appliances use a xenon flashtube with solid state circuitry enclosed in a rugged Lexan lens to provide maximum visibility and reliability for effective visible signaling.
Series AS Appliances can be field set to provide either High (HI) dBA, Medium (MED) dBA or Low (LO) dBA sound output. All Series AS models are designed for use with either filtered DC (VDC) or unfiltered Full-Wave-Rectified (FWR) input voltage. All inputs are polarized for compatibility with standard reverse polarity supervision of circuit wiring by a Fire Alarm Control Panel (FACP).
NOTE: The code 3 horn incorporates the temporal pattern (1/2 second on, 1/2 second off, 1/2 second on, 1/2 second off, 1/2 second on, 1-1/2 off and repeat) specified by ANSI/NFPA for standard emergency evacuation signaling. The code 3 horn should be used only for fire evacuation signaling and not for any other purpose.
NOTE: All CAUTIONS and WARNINGS are identified by the symbol . All warnings are printed in bold capital letters.
WARNING: PLEASE READ THESE INSTRUCTIONS CAREFULLY BEFORE USING THIS PRODUCT. FAILURE TO COMPLY WITH ANY OF THE FOLLOWING INSTRUCTIONS, CAUTIONS AND WARNINGS COULD RESULT IN IMPROPER APPLICATION, INSTALLATION AND/OR OPERATION OF THESE PRODUCTS IN AN EMERGENCY SITUATION, WHICH COULD RESULT IN PROPERTY DAMAGE AND SERIOUS INJURY OR DEATH TO YOU AND/OR OTHERS.
WARNING: THE AUDIBLE STROBE APPLIANCES MUST BE FIELD SET TO THE DESIRED dBA SOUND OUTPUT LEVEL BEFORE THEY ARE INSTALLED. THIS IS DONE BY PROPERLY INSERTING A JUMPER PLUG IN ACCORDANCE WITH THESE INSTRUCTIONS. INCORRECT SETTINGS WILL RESULT IN IMPROPER PERFORMANCE, WHICH COULD RESULT IN PROPERTY DAMAGE AND SERIOUS INJURY OR DEATH TO YOU AND/OR OTHERS.
SPECIFICATIONS
| Table 1: UL Ratings | |||
| Models | Regulated Voltage (VDC/VRMS) | Voltage Range (VDC/VRMS) | Strobe Candela (cd) |
| AS-2415C | 24 | 16.0-33.0 | 15 |
| AS-2430C | 24 | 16.0-33.0 | 30 |
| AS-2475C | 24 | 16.0-33.0 | 75 |
| AS-24100C | 24 | 16.0-33.0 | 100 |
NOTE: THE MAXIMUM WIRE IMPEDANCE BETWEEN STROBES SHALL NOT EXCEED 35 OHMS. THE MAXIMUM NUMBER OF STROBES ON A SINGLE NAC CIRCUIT SHALL NOT EXCEED 47.
| Table 2: dBA Sound Output | |||||||
| Description | Volume | Reverberant Per UL 464 | Anechoic dBA | ||||
| 16VDC | 24VDC | 33VDC | 16VDC | 24VDC | 33VDC | ||
| Continuous Horn | Low | 80 | 83 | 86 | 86 | 90 | 92 |
| Medium | 85 | 88 | 91 | 91 | 95 | 98 | |
| High | 88 | 91 | 93 | 95 | 99 | 101 | |
| Code 3 Horn | Low | 75 | 79 | 82 | 86 | 90 | 92 |
| Medium | 80 | 84 | 86 | 91 | 95 | 98 | |
| High | 84 | 87 | 90 | 95 | 99 | 101 | |
- Strobe will produce 1 flash per second over the “Regulated Voltage” range.
- Anechoic dBA is measured on-axis in a non-reflective (free field) test room using fast meter response. For peak dBA (measured with peak meter response), add 5dBA to anechoic values shown in Table 2. Reverberant dBA is a minimum UL rating based on sound pressure measurements in a reverberant test room.
- All models are UL Listed for indoor use with a temperature range of +32oF to +120oF (0oC to +49oC) and maximum humidity of 85%RH.
- WARNING: THESE APPLIANCES WERE TESTED TO THE OPERATING VOLTAGE LIMITS OF 16-33 VOLTS FOR 24V
- MODELS USING FILTERED (DC) OR UNFILTERED FULL-WAVE RECTIFIED (FWR). DO NOT APPLY 80% AND 110% OF THESE VOLTAGE VALUES FOR SYSTEM OPERATION.
WARNING: CHECK THE MINIMUM AND MAXIMUM OUTPUT OF THE POWER SUPPLY AND STANDBY BATTERY AND SUBTRACT THE VOLTAGE DROP FROM THE CIRCUIT WIRING RESISTANCE TO DETERMINE THE APPLIED VOLTAGE TO THE STROBES.
| Table 3: Current Ratings (AMPS) for 24VDC Models with Hi dBA Setting | ||||||||
| Rated Average Current | ||||||||
| Voltage | AS-2415C | AS-2430C | AS-2475C | AS-24100C | ||||
| MEAN | RMS | MEAN | RMS | MEAN | RMS | MEAN | RMS | |
| 16.0VDC | 0.137 | 0.137 | 0.187 | 0.195 | 0.376 | 0.376 | 0.425 | 0.458 |
| 24.0VDC | 0.112 | 0.115 | 0.142 | 0.176 | 0.261 | 0.304 | 0.292 | 0.375 |
| 33.0VDC | 0.107 | 0.128 | 0.138 | 0.155 | 0.211 | 0.290 | 0.258 | 0.362 |
| 16.0VRMS | —– | 0.182 | —– | 0.244 | —– | 0.483 | —– | 0.544 |
| 24.0VRMS | —– | 0.152 | —– | 0.196 | —– | 0.381 | —– | 0.426 |
| 33.0VRMS | —– | 0.159 | —– | 0.183 | —– | 0.339 | —– | 0.398 |
| Rated Peak Current * | ||||||||
| Voltage | AS-2415C | AS-2430C | AS-2475C | AS-24100C | ||||
| 16.0VDC | 0.160 | 0.255 | 0.510 | 0.670 | ||||
| 24.0VDC | 0.180 | 0.280 | 0.610 | 0.710 | ||||
| 33.0VDC | 0.195 | 0.300 | 0.640 | 0.750 | ||||
| 16.0VRMS | 0.210 | 0.320 | 0.560 | 0.690 | ||||
| 24.0VRMS | 0.245 | 0.360 | 0.640 | 0.770 | ||||
| 33.0VRMS | 0.500 | 0.550 | 0.660 | 0.825 | ||||
| Rated Inrush Current ** | ||||||||
| Voltage | AS-2415C | AS-2430C | AS-2475C | AS-24100C | ||||
| 16.0VDC | 0.110 | 0.110 | 0.110 | 0.110 | ||||
| 24.0VDC | 0.165 | 0.165 | 0.165 | 0.165 | ||||
| 33.0VDC | 0.230 | 0.230 | 0.230 | 0.230 | ||||
| 16.0VRMS | 0.155 | 0.155 | 0.155 | 0.155 | ||||
| 24.0VRMS | 0.235 | 0.235 | 0.235 | 0.235 | ||||
| 33.0VRMS | 0.325 | 0.325 | 0.325 | 0.325 | ||||
| Table 3A: Rated Average Current (AMPS) for 24VDC Models with Medium and Low dBA Setting | ||||||||
| Rated Average Current (Medium) | ||||||||
| Voltage | AS-2415C | AS-2430C | AS-2475C | AS-24100C | ||||
| MEAN | RMS | MEAN | RMS | MEAN | RMS | MEAN | RMS | |
| 16.0VDC | 0.122 | 0.124 | 0.173 | 0.175 | 0.357 | 0.362 | 0.409 | 0.435 |
| 24.0VDC | 0.096 | 0.097 | 0.126 | 0.141 | 0.238 | 0.295 | 0.272 | 0.363 |
| 33.0VDC | 0.083 | 0.084 | 0.108 | 0.133 | 0.188 | 0.272 | 0.228 | 0.307 |
| 16.0VRMS | —– | 0.155 | —– | 0.225 | —– | 0.461 | —– | 0.529 |
| 24.0VRMS | —– | 0.126 | —– | 0.171 | —– | 0.352 | —– | 0.406 |
| 33.0VRMS | —– | 0.120 | —– | 0.153 | —– | 0.304 | —– | 0.372 |
| Rated Average Current (Low) | ||||||||
| Voltage | AS-2415C | AS-2430C | AS-2475C | AS-24100C | ||||
| MEAN | RMS | MEAN | RMS | MEAN | RMS | MEAN | RMS | |
| 16.0VDC | 0.118 | 0.118 | 0.168 | 0.168 | 0.349 | 0.355 | 0.402 | 0.455 |
| 24.0VDC | 0.086 | 0.086 | 0.119 | 0.136 | 0.230 | 0.277 | 0.265 | 0.355 |
| 33.0VDC | 0.073 | 0.073 | 0.100 | 0.106 | 0.173 | 0.253 | 0.218 | 0.301 |
| 16.0VRMS | —– | 0.149 | —– | 0.220 | —– | 0.464 | —– | 0.528 |
| 24.0VRMS | —– | 0.118 | —– | 0.166 | —– | 0.342 | —– | 0.402 |
| 33.0VRMS | —– | 0.109 | —– | 0.144 | —– | 0.294 | —– | 0.366 |
WARNING: MAKE SURE THAT BOTH THE TOTAL AVERAGE CURRENT, TOTAL PEAK CURRENT AND TOTAL INRUSH CURRENT REQUIRED BY ALL APPLIANCES THAT ARE CONNECTED TO THE SYSTEM’S PRIMARY AND SECONDARY POWER SOURCES, NAC CIRCUITS, SM, DSM SYNC MODULES OR PS-12/24-8 POWER SUPPLY DO NOT EXCEED THE POWER SOURCES’ RATED CAPACITY OR THE CURRENT RATINGS OF ANY FUSES ON THE CIRCUITS TO WHICH THESE APPLIANCES ARE WIRED. OVERLOADING POWER SOURCES OR EXCEEDING FUSE RATINGS COULD RESULT IN LOSS OF POWER AND FAILURE TO ALERT OCCUPANTS DURING AN EMERGENCY, WHICH COULD RESULT IN PROPERTY DAMAGE AND SERIOUS INJURY OR DEATH TO YOU AND/OR OTHERS.
When calculating total average, peak or inrush currents: Use Table 3 and 3A to determine the highest value of “Rated Average Current” for an individual strobe (across the expected operating voltage range of the strobe) or the highest value of “Rated Inrush current” or “Rated Peak current” (whichever is higher) of an individual strobe (across the expected operating voltage range of the strobe) then multiply the value by the total number of strobes; be sure to add the currents for any other appliances, including audible signaling appliances, powered by the same source and include any required safety factor. if the inrush current or peak current exceeds the power supplies’ inrush capacity, the output voltage provided by the power supplies may drop below the listed voltage range of the appliances connected to the supply and the voltage may not recover in some types of power supplies. For example, an auxiliary power supply that lacks filtering at its output stage (either via lack of capacitance and/or lack of battery backup across the output) may exhibit this characteristic.
LIGHT DISTRIBUTION PER UL 1971
| Table 4: Horizontal Plane | ||||||||
| Horizontal Angle (in deg.) | 15cd | 30cd | 75cd | 100cd | ||||
| UL Min. | Typ. 15cd | UL Min. | Typ. 30cd | UL Min. | Typ. 75cd | UL Min. | Typ. 100cd | |
| 0 | 15.0 | 21 | 30.0 | 42 | 75.0 | 90 | 100 | 132 |
| 5 | 13.5 | 20 | 27.0 | 40 | 67.5 | 92 | 90 | 129 |
| 10 | 13.5 | 20 | 27.0 | 40 | 67.5 | 89 | 90 | 127 |
| 15 | 13.5 | 20 | 27.0 | 40 | 67.5 | 86 | 90 | 121 |
| 20 | 13.5 | 20 | 27.0 | 40 | 67.5 | 86 | 90 | 116 |
| 25 | 13.5 | 20 | 27.0 | 40 | 67.5 | 83 | 90 | 109 |
| 30 | 11.3 | 19 | 22.5 | 38 | 56.3 | 77 | 75 | 113 |
| 35 | 11.3 | 17 | 22.5 | 34 | 56.3 | 70 | 75 | 100 |
| 40 | 11.3 | 17 | 22.5 | 34 | 56.3 | 65 | 75 | 96 |
| 45 | 11.3 | 15 | 22.5 | 30 | 56.3 | 62 | 75 | 92 |
| 50 | 8.3 | 10 | 16.5 | 20 | 41.3 | 42 | 55 | 86 |
| 55 | 6.8 | 8 | 13.5 | 16 | 33.8 | 35 | 45 | 79 |
| 60 | 6.0 | 8 | 12.0 | 16 | 30.0 | 33 | 40 | 76 |
| 65 | 5.3 | 8 | 10.5 | 16 | 26.3 | 31 | 35 | 59 |
| 70 | 5.3 | 8 | 10.5 | 16 | 26.3 | 31 | 35 | 45 |
| 75 | 4.5 | 8 | 9.0 | 16 | 22.5 | 31 | 30 | 43 |
| 80 | 4.5 | 7 | 9.0 | 14 | 22.5 | 30 | 30 | 42 |
| 85 | 3.8 | 7 | 7.5 | 14 | 18.8 | 27 | 25 | 41 |
| 90 | 3.8 | 6 | 7.5 | 13 | 18.8 | 26 | 25 | 36 |
| Table 5: Vertical Plane | ||||||||
| Vertical Angle (in deg.) | 15cd | 30cd | 75cd | 100cd | ||||
| UL Min. | Typ. 15cd | UL Min. | Typ. 30cd | UL Min. | Typ. 75cd | UL Min. | Typ. 100cd | |
| 0 | 15.0 | 21 | 30.0 | 42 | 75.0 | 90 | 100 | 132 |
| 5 | 13.5 | 21 | 27.0 | 42 | 67.5 | 88 | 90 | 129 |
| 10 | 13.5 | 21 | 27.0 | 42 | 67.5 | 87 | 90 | 127 |
| 15 | 13.5 | 20 | 27.0 | 40 | 67.5 | 83 | 90 | 121 |
| 20 | 13.5 | 19 | 27.0 | 38 | 67.5 | 79 | 90 | 116 |
| 25 | 13.5 | 19 | 27.0 | 38 | 67.5 | 74 | 90 | 109 |
| 30 | 11.3 | 18 | 22.5 | 36 | 56.3 | 70 | 75 | 113 |
| 35 | 11.3 | 18 | 22.5 | 36 | 56.3 | 68 | 75 | 100 |
| 40 | 11.3 | 16 | 22.5 | 32 | 56.3 | 66 | 75 | 96 |
| 45 | 11.3 | 14 | 22.5 | 28 | 56.3 | 63 | 75 | 92 |
| 50 | 8.3 | 12 | 16.5 | 24 | 41.3 | 59 | 55 | 86 |
| 55 | 6.8 | 12 | 13.5 | 24 | 33.8 | 54 | 45 | 79 |
| 60 | 6.0 | 9 | 12.0 | 18 | 30.0 | 52 | 40 | 76 |
| 65 | 5.3 | 8 | 10.5 | 16 | 26.3 | 40 | 35 | 59 |
| 70 | 5.3 | 8 | 10.5 | 16 | 26.3 | 31 | 35 | 45 |
| 75 | 4.5 | 8 | 9.0 | 16 | 22.5 | 29 | 30 | 43 |
| 80 | 4.5 | 8 | 9.0 | 16 | 22.5 | 29 | 30 | 42 |
| 85 | 3.8 | 8 | 7.5 | 16 | 18.8 | 28 | 25 | 41 |
| 90 | 3.8 | 8 | 7.5 | 16 | 18.8 | 24 | 25 | 36 |
WARNING: WHEN INSTALLING STROBES IN AN OPEN OFFICE OR OTHER AREAS CONTAINING PARTITIONS OR OTHER VIEWING OBSTRUCTIONS, SPECIAL ATTENTION SHOULD BE GIVEN TO THE LOCATION OF THE STROBES SO THAT THEIR OPERATING EFFECT CAN BE SEEN BY ALL INTENDED VIEWERS, WITH THE INTENSITY, NUMBER, AND TYPE OF STROBES BEING SUFFICIENT TO MAKE SURE THAT THE INTENDED VIEWER IS ALERTED BY PROPER ILLUMINATION, REGARDLESS OF THE VIEWER’S ORIENTATION. FAILURE TO DO SO COULD RESULT IN PROPERTY DAMAGE AND SERIOUS INJURY OR DEATH TO YOU AND/OR OTHERS.
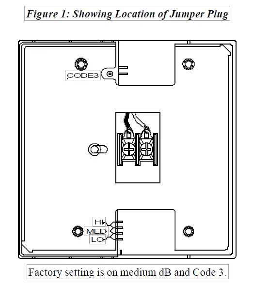
SOUND OUTPUT (SPL) SETTINGS


- (Use needle nose pliers to pull and properly set the jumper plugs)
- No jumper plug is needed for continuous horn setting. However, it is recommended that the jumper plug be retained in the unit for future use (if needed) as shown in Figure 3.
NOTE: The AS must be set for code 3 when used with the sync module. Continuous horn operation without sync module.
WIRING INFORMATION

When the sync module is used, the audible tone will be the code 3 sound only. Refer to Sync Module installation instruction sheets SM (P83123), DSM (P83177) or PS-12/24-8 (P83862) for additional information.
- AS Appliances have in-out wiring terminals that accepts two #12 to 18 American Wire Gauge (AWG) wires at each screw terminal. Strip leads 3/8” inches for connection to screw terminals.
- Break all in-out wire runs on supervised circuit supervision as shown in Figure 5. The polarity as shown in the wiring diagrams is for the operation of the appliances. The polarity is reversed by the FACP during supervision.
MOUNTING OPTIONS
CAUTION: The following figures show the maximum number of field wires (conductors) that can enter the backbox used with each mounting option. If these limits are exceeded, there may be insufficient space in the backbox to accommodate the field wires and stresses from the wires could damage the product. Although the limits shown for each mounting option comply with the National Electrical Code (NEC), Wheelock recommends use of the largest backbox option shown and the use of approved stranded field wires, whenever possible, to provide additional wiring room for easy installation and minimum stress on the product from wiring.

MOUNTING PROCEDURES
Use this mounting procedure to position the field wires in the backbox so that they use minimum space and produce minimum stress on the product. This is especially important for stiff, heavy gauge wires and wires with thick insulation or sheathing.
- Thread the 4 field wires through the opening of the UMP.
- Mount the UMP to backbox.
- Connect 4 field wires to the AS terminal block (polarity must be observed).
- Bend the 4 field wires up 90o at the connection to the terminal block.
- Carefully push the 4 field wires into the backbox through the opening of the UMP by hand.
- Hook the 2 slots on the inside wall of the AS onto the 2 tabs of the UMP and screw the AS to the UMP using the #6-20 X 1-3/4” screw supplied.
MOUNTING NOTES
CAUTION: Check that the installed product will have sufficient clearance and wiring room prior to installing backboxes and conduit, especially if sheathed multiconductor cable or 3/4″ conduit fittings are used.
- All models can be flush mounted to a standard single-gang backbox (Figure A), 4” backbox (Figure B) or double-gang backbox (Figure C). They can also be surface mounted to a 4” or 100mm backbox (Figure B), a double-gang backbox (Figure C) or a SHBB surface backbox (Figure D).
- All models are equipped with a Universal Mounting Plate (UMP).
- Mounting hardware for each mounting option is supplied. For proper mounting, be sure to use the mounting screws supplied with the unit.
- Conduit entrances to the backbox should be selected to provide sufficient wiring clearance for the installed product.
- When terminating field wires, do not use more lead length than required. Excess lead length could result in insufficient wiring space for the signaling appliance.
- Do not pass additional wires (used for other than the signaling appliance) through the backbox. Such additional wires could result in insufficient wiring space for the signaling appliance.
CAUTION: If audible strobe appliances are operated within 15 inches of a person’s ear, they can produce a sound pressure level that exceeds the maximum 120dBA permitted by ADA and OSHA rules. Exposure to such sound levels can result in damage to a person’s hearing.
WARNING: A SMALL POSSIBILITY EXISTS THAT THE USE OF MULTIPLE STROBES WITHIN A PERSON’S FIELD OF VIEW, UNDER CERTAIN CIRCUMSTANCES, MIGHT INDUCE A PHOTO-SENSITIVE RESPONSE IN PERSONS WITH EPILEPSY. STROBE REFLECTIONS IN A GLASS OR MIRRORED SURFACE MIGHT ALSO INDUCE SUCH A RESPONSE. TO MINIMIZE THIS POSSIBLE HAZARD, WHEELOCK STRONGLY RECOMMENDS THAT THE STROBES INSTALLED SHOULD NOT PRESENT A COMPOSITE FLASH RATE IN THE FIELD OF VIEW WHICH EXCEEDS FIVE (5) Hz AT THE OPERATING VOLTAGE OF THE STROBES. WHEELOCK ALSO STRONGLY RECOMMENDS THAT THE INTENSITY AND COMPOSITE FLASH RATE OF INSTALLED STROBES COMPLY WITH LEVELS ESTABLISHED BY APPLICABLE LAWS, STANDARDS, REGULATIONS, CODES AND GUIDELINES.
NOTE: NFPA 72/ANSI 117.1 conform to ADAAG Equivalent Facilitation Guidelines in using fewer, higher intensity strobes within the same protected area.
These appliances can produce a distinctive three pulse Temporal Pattern Fire Alarm Evacuation Signal (for total evacuation) in accordance with NFPA 72, 1999 Edition.
CAUTION: Check the installation instructions of the manufacturers of other equipment used in the system for any guidelines or restrictions on wiring and/or locating Notification Appliance Circuits (NAC) and notification appliances. Some system communication circuits and/or audio circuits, for example, may require special precautions to assure electrical noise immunity (e.g. audio crosstalk).
NOTE: This equipment has been tested and found to comply with the limits for a Class B digital appliance, pursuant to Part 15 of the FCC Rules. These limits are designed to provide reasonable protection against harmful interference in residential installation. This equipment generates, uses and can radiate radio frequency energy and, if not installed and used in accordance with the instructions, may cause harmful interference to radio communications. However, there is no guarantee that interference will not occur in a particular installation. If this equipment does cause harmful interference to radio or television reception, which can be determined by turning the equipment off and on, the user is encouraged to try to correct the interference by one or more of the following measures: 1) Reorient or relocate the receiving antenna, 2) Increase the separation between the equipment and receiver, 3) Connect the equipment into an outlet on a circuit different from that to which the receiver is connected, and 4) Consult the dealer or an experienced radio/TV technician for help. The Audible Strobe products and these instructions are copyrighted by Wheelock and the Audible Strobe products contain proprietary, confidential and trade secrets of Wheelock. No part of the Audible Strobe products and these instructions may be photocopied, printed or reproduced in any form or modified, adapted, changed or enhanced, or converted to another programming language, or used to create updated, related or derivative works, without the prior written consent of Wheelock. No part of the Audible Strobe products shall be decomposed, disassembled or reverse engineered.
ANY MATERIAL EXTRAPOLATED FROM THIS DOCUMENT OR FROM WHEELOCK MANUALS OR OTHER DOCUMENTS DESCRIBING THE PRODUCT FOR USE IN PROMOTIONAL OR ADVERTISING CLAIMS, OR FOR ANY OTHER USE, INCLUDING DESCRIPTION OF THE PRODUCT’S APPLICATION, OPERATION, INSTALLATION AND TESTING IS US ED AT THE SOLE RISK OF THE USER AND WHEELOCK WILL NOT HAVE ANY LIABILITY FOR SUCH USE.
IMPORTANT: READ SEPARATE “GENERAL INFORMATION” SHEET FOR INFORMATION ON THE PLACEMENT, LIMITATIONS, INSTALLATION, FINAL CHECKOUT, AND PERIODIC TESTING OF NOTIFICATION APPLIANCES.
Limited Warranty
Wheelock products must be used within their published specifications and must be PROPERLY specified, applied, installed, operated, maintained and operationally tested in accordance with these instructions at the time of installation and at least twice a year or more often and in accordance with local, state and federal codes, regulations and laws. Specification, application, installation, operation, maintenance and testing must be performed by qualified personnel for proper operation in accordance with all of the latest National Fire Protection Association (NFPA), Underwriters’ Laboratories (UL), Underwriters’ Laboratories of Canada (ULC), National Electrical Code (NEC), Occupational Safety and Health Administration (OSHA), local, state, county, province, district, federal and other applicable building and fire standards, guidelines, regulations, laws and codes including, but not limited to, all appendices and amendments and the requirements of the local authority having jurisdiction (AHJ). Wheelock products when properly specified, applied, installed, operated, maintained and operationally tested as provided above are warranted against mechanical and electrical defects for a period of three years from date of manufacture (as determined by date code). Correction of defects by repair or replacement shall be at Wheelock’s sole discretion and shall constitute fulfillment of all obligations under this warranty. THE FOREGOING LIMITED WARRANTY SHALL IMMEDIATELY TERMINATE IN THE EVENT ANY PART NOT FURNISHED BY WHEELOCK IS INSTALLED IN THE PRODUCT. THE FOREGOING LIMITED WARRANTY SPECIFICALLY EXCLUDES ANY SOFTWARE REQUIRED FOR THE OPERATION OF OR INCLUDED IN A PRODUCT. WHEELOCK MAKES NO REPRESENTATION OR WARRANTY OF ANY OTHER KIND, EXPRESS, IMPLIED OR STATUTORY WHETHER AS TO MERCHANTABILITY, FITNESS FOR A PARTICULAR PURPOSE OR ANY OTHER MATTER.
USERS ARE SOLELY RESPONSIBLE FOR DETERMINING WHETHER A PRODUCT IS SUITABLE FOR THE USER’S PURPOSES, OR WHETHER IT WILL ACHIEVE THE USER’S INTENDED RESULTS. THERE IS NO WARRANTY AGAINST DAMAGE RESULTING FROM MISAPPLICATION, IMPROPER SPECIFICATION, ABUSE, ACCIDENT OR OTHER OPERATING CONDITIONS BEYOND WHEELOCK’S CONTROL. SOME WHEELOCK PRODUCTS CONTAIN SOFTWARE. WITH RESPECT TO THOSE PRODUCTS, WHEELOCK DOES NOT WARRANTY THAT THE OPERATION OF THE SOFTWARE WILL BE UNINTERRUPTED OR ERROR-FREE OR THAT THE SOFTWARE WILL MEET ANY OTHER STANDARD OF PERFORMANCE, OR THAT THE FUNCTIONS OR PERFORMANCE OF THE SOFTWARE WILL MEET THE USER’S REQUIREMENTS. WHEELOCK SHALL NOT BE LIABLE FOR ANY DELAYS, BREAKDOWNS, INTERRUPTIONS, LOSS, DESTRUCTION, ALTERATION, OR OTHER PROBLEMS IN THE USE OF A PRODUCT ARISING OUT OF OR CAUSED BY THE SOFTWARE. THE LIABILITY OF WHEELOCK ARISING OUT OF THE SUPPLYING OF A PRODUCT, OR ITS USE, WHETHER ON WARRANTIES, NEGLIGENCE, OR OTHERWISE, SHALL NOT IN ANY CASE EXCEED THE COST OF CORRECTING DEFECTS AS STATED IN THE LIMITED WARRANTY AND UPON EXPIRATION OF THE WARRANTY PERIOD ALL SUCH LIABILITY SHALL TERMINATE. WHEELOCK IS NOT LIABLE FOR LABOR COSTS INCURRED IN REMOVAL, REINSTALLATION OR REPAIR OF THE PRODUCT BY ANYONE OTHER THAN WHEELOCK OR FOR DAMAGE OF ANY TYPE WHATSOEVER, INCLUDING BUT NOT LIMITED TO, LOSS OF PROFIT OR INCIDENTAL OR CONSEQUENTIAL DAMAGES. THE FOREGOING SHALL CONSTITUTE THE SOLE REMEDY OF THE PURCHASER AND THE EXCLUSIVE LIABILITY OF WHEELOCK.
IN NO CASE WILL WHEELOCK’S LIABILITY EXCEED THE PURCHASE PRICE PAID FOR A PRODUCT.
Limitation of Liability
WHEELOCK’S LIABILITY ON ANY CLAIM OF ANY KIND, INCLUDING NEGLIGENCE AND BREACH OF WARRANTY, FOR ANY LOSS OR DAMAGE RESULTING FROM, ARISING OUT OF, OR CONNECTED WITH THIS CONTRACT, OR FROM THE MANUFACTURE, SALE, DELIVERY, RESALE, REPAIR OR USE OF ANY PRODUCT COVERED BY THIS ORDER SHALL BE LIMITED TO THE PRICE APPLICABLE TO THE PRODUCT OR PART THEREOF WHICH GIVES RISE TO THE CLAIM. WHEELOCK’S LIABILITY ON ANY CLAIM OF ANY KIND SHALL CEASE IMMEDIATELY UPON THE INSTALLATION IN THE PRODUCT OF ANY PART NOT FURNISHED BY WHEELOCK. IN NO EVENT SHALL WHEELOCK BE LIABLE FOR ANY CLAIM OF ANY KIND UNLESS IT IS PROVEN THAT OUR PRODUCT WAS A DIRECT CAUSE OF SUCH CLAIM. FURTHER, IN NO EVENT, INCLUDING IN THE CASE OF A CLAIM OF NEGLIGENCE, SHALL WHEELOCK BE LIABLE FOR INCIDENTAL OR CONSEQUENTIAL DAMAGES. SOME STATES DO NOT ALLOW THE EXCLUSION OR LIMITATION OF INCIDENTAL OR CONSEQUENTIAL DAMAGES, SO THE PRECEDING LIMITATION MAY NOT APPLY TO ALL PURCHASERS.




















