FERM LHM1011 Electric Lever Hoist 500W Instruction Manual
Introduction
Read this operators guide carefully, before using the machine.
Ensure that you know how the machine works, and how it should be operated.
Maintain the machine in accordance with the instructions, and make certain that the machine functions correctly.
Keep this operator’s guide and other enclosed documentation with the machine.
Intended use
The electric lever hoist is an ideal appliance in your garage or shed for hoisting all kinds of loads. Be aware:
This machine is only for domestic use.
Improper use:
Do not use outside (tool is not weatherproof)
This machine cannot be used for the industry.
Do not hoist people or animals.
Contents
- Machine data
- Safety instructions
- Installation
- Use
- Service & maintenance
Machine data
Technical specification
| Voltage | 230 V, 50 Hz |
| Input power | 500 W |
| *Work rate | S3 20% – 10 min |
| Rated load | 125kg (without pulley) |
| 250 kg (with pulley) | |
| Lifting height | 12m (without pulley) |
| 6m (with pulley) | |
| Lifting speed | 8m/min (without pulley) |
| 4m/min (with pulley) | |
| Cable diameter | 3.0 mm |
| Resister cable | 1870 N/mm2 |
| Cable length | 12 m |
| Weight | 11.5 kg |
| Current | 2.2 A |
| Insulation grade | B |
| Protecting grade | IP54 |
| Group of mechanisms | M1 |
*S3 = intermittent operation.
During a period of 10 minutes, the machine may run max. 20% (2.0 min.)
Contents of packing
- 1 Electric lever hoist
- 1 Pulley + coupling Brackets + bolts
- 1 Instruction manual
- 1 Safety instructions
- 1 Warranty card
Check the machines loose parts and accessories for transport damage.
Features
Fig. 1
- Bracket
- Down limit pole
- Lever automatic stop
- Limit block
- Drum
- Steel cable
- Hook
- Mains cable
- Remote control
- Push button
- (Emergency) stop button
- Motor
Safety instructions
list of symbols
![]() | Danger of bodily injury or material damage. |
![]() | Keep bystanders at a distance. |
![]() | Immediately unplug the plug from the mains electricity in the case that the cord gets damaged and during maintenance. |
When using electric machines always observe the safety regulations applicable in your country to reduce the risk of fire, electric shock and personal injury.
Read the following safety instructions and also the enclosed safety instructions.
- Always check that the voltage corresponds to the voltage on the rating plate. In case the mains voltage is not suitable they should be checked by a skilled electrician.
- Your socket plug must be grounded and your electric system must be supplied with an earth leakage circuit breaker.
- Keep children and other unauthorized persons away from the machine.
- Protect the machine from frost and low temperatures.
- In case the machine cannot hoist a load, do not keep pressing the hoisting pushbutton, to avoid damaging the machine. It means that the load exceeds the machine maximum capacity.
- The machine shall not be disassembled when running or connected to power.
- The machine shall not be operated when it is raining or storming.
Do not stand under hoisted weights! - Before starting the work, make sure that the steel cable is correctly winded around the reel and the pitch is equal to the cable diameter
(Fig. 2).
Observe the maximum load indicated on the hoist, not that on the hook! - Do not lift loads bigger then the rated load of the hoist.
- Leave at least three turns of cable around the reel, so that the cable connection is not under stress.
- If the red cable appears do not continue to unroll it.
- To avoid any danger, do not wind more than 15 m of cable around the reel.
- In case the steel cable is worn out, it must be replaced only with a cable of same features manufactured by us. It can be found at all authorized service shops.
- Before starting the work, check that switches are in good operating conditions.
- In case the hoist stops during the lowering of a load, it is normal that the load goes down a few millimeters more because of the inertial force.
- Never pull or push laterally the cable or the load.
- Transport of people with the hoist is forbidden.
- Avoid switch-on / switch-off quickly sequences.
- Wear gloves during transport
Attention: The hoist electric motor is not supplied with any mechanical overload cut-out (to avoid an unexpected and unwanted restart).
Therefore, if you are unable to hoist a load, do not insist and let the motor cool down.
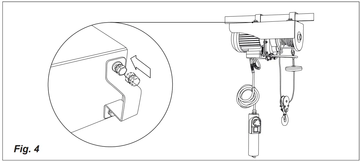
Installation
Mounting
Fig. 4
The hoist is provided with a bracket system which allows holding rectangular beams.
The beam dimensions must be in accordance with the distance between the hoist and the hinge and the load to be hoisted.
We recommend contracting skilled technician for help and checking the solidity of the beam construction.
The bolts must be properly tightened. Before the start-up a skilled technician should check that the support and the coupling of the hoist are well sized.
Pulley block
Fig. 5 + 6

The lever hoist is provided with an extra pulley and hook. When used correctly, the machine can hoist double load.
Assemble the pulley with help of the bolts as shown in the picture.
Tighten the two bolts completely, and then unscrew them for of turn.
The fixed hook on the machine can be attached on the cover: there is a special hole for that purpose.
The load is now lifted with help of 2 steel cables: the machine can hoist a double load.
Use
![]() | Remove the adhesive tape from the cable reel before using the machine. |
![]() | Secure the load carefully to the lever hoist. |
![]() | Do not lift loads bigger then the rated load of the hoist. |
Start
Fig. 1 + 7
- Check if the (emergency) stop switch (11) is not pressed. Turn the red stop switch clockwise to engage.
- Press the push button ▲ (10) to lift the load.
- Press the push button ▼ (10) to lower the load.
When the hoist is almost in top position, the limit block (4) will move the lever (3) upwards. A switch on the motor is now engaged and the motor will stop running.
When the hoist is almost in low position (about two turns of cable around the drum), the down limit pole (2) will move. A switch on the motor is now engaged and the motor will stop running.
Stop
When the push button (10) is not pressed, the machine will stop. In case of an emergency, immediately press the red stop switch (11) to
stop the machine. Operating the machine is not possible when this red switch is pressed.
Service & Maintenance
Always make sure that the machine is not connected to the mains electricity when you carry out any maintenance of the mechanism.
Machines are designed to function for a long time without any problems with a minimum of maintenance. By cleaning the machine regularly and using it in the correct way you can contribute to a long life of your machine.
- Periodically check that the steel cable is in good condition.
- Check that the screws securing the brackets and pulley are well tightened.
- Periodically check that that stop switch and push button panel are in good operating conditions.
- For extraordinary maintenance contact an authorized service center.
- The machine does not work when pressing the push button.
- The electric cord is damaged or unplugged.
- Check the connections.
- The overload cut-out has tripped.
- Check the fuse box of your electric system.
- During storage the brake sticks.
- Keep operating the push button for a while until the brake releases.
- The hoist cannot lift anymore.
- The electric motor is overheated.
- Let the motor cool down.
- The load exceeds the hoist capacity.
- Reduce the load to be lifted.
- The brake does not operate; the load tends to slip.
- Brake is worn out.
- Contact an authorized service centre to repair the brake.
- The steel cable is warped.
- See Fig. 3.

- Contact an authorized service centre to replace the steel cable.
- See Fig. 3.
Repairs and servicing should only be carried out by a qualified technician or service firm.
Cleaning
Clean the machine housing regularly with a soft cloth, preferably after each time you use the machine.
Make sure that the ventilation slots are free of dust and dirt. For stubborn dirt use a soft cloth dampened with soapy water.
Never use solvents such as benzene, alcohol, ammonia, etc. These types of solvents can damage the plastic parts.
lubrication
The machine does not need any extra lubrication.
Faults
Should a fault occur, e.g. after wear of a part, please contact the service address on the warranty card.
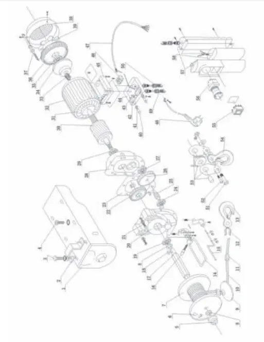
In the back of this manual you find an exploded view showing the parts that can be ordered.
Environment
To prevent damage during transport, the appliance is delivered in a solid packaging which consists largely of reusable material.
Therefore please make use of options for recycling the packaging.
Faulty and/or discarded electrical or electronic apparatus have to be collected at the appropriate recycling locations.
Warranty
For the warranty conditions read the warranty card at the back of these instructions for use.
DECLARATION OF CONFORMITY
We declare under our sole responsibility that this product is in conformity with directive 2011/65/EU of the European parliament and of the council of 9 June on the restriction of the use of certain hazardous substances in electrical and electronic equipment is in conformity and accordance with the following standards and regulations:
En14492-2, En55014-1, En55014-2, En60204-32, En610003-2, En61000-3-3
2006/42/Ec, 2004/108/Ec, 2011/65/EU, 2002/96/Ec, 2006/95/Ec
W. Dekens
CEO Ferm B.V
It is our policy to continuously improve our products and we therefore reserve the right to change the product specification without prior notice
Spare parts list
| No. | Description | Position |
| 400462 | Mounting bracket screws set | 3(X4) + 4(x2) |
| 409740 | Mounting bracket | 2 |
| 400461 | Key for cable | 6 |
| 400463 | Cable+hook | 9 TILL 13 |
| 400464 | Endstop bracket | 14 + 16 |
| 400471 | Down limit pole complete | 15 |
| 806203 | Bearing 6203 zz | 19 |
| 806201 | Bearing 6201 zz | 24 |
| 400466 | Motor cover | 38 |
| 400465 | Cooling fan | 39 |
| 400467 | Connection box (new model) | 40 TILL 46 + 48 TILL 50 |
| 400460 | Moving pulley with hook | 51 TILL 54 |
| 400459 | Switch | 55 |
| 400468 | Remote control | 55 TILL 58 + 47 |
| 400469 | Capacitor 14.5 +3 uF | 58 |























