
TJ 2“ EHP 6 kW/TJ 2“ EHP 9 kW
STEVN TJ 2 EHP 6 kW Bivalent Source to Heat Pump
Instruction Manual
TJ 2 EHP 6 kW Bivalent Source to Heat Pump
CAREFULLY READ THIS MANUAL BEFORE INSTALLING THE PRODUCT ACCESSORIES!
Dear customer,
Družstevní závody Dražice – strojírna s.r.o., would like to thank you for your decision to use a product of our brand.
The product is not intended to be controlled by
a) people (including children) with reduced physical, sensual, or mental capacities, or
b) people with insufficient knowledge and experiences unless supervised by responsible person, or unless properly instructed by such responsible person.
The manufacturer reserves the right for engineering modification of the product. The product is’t designed for permanent contact with drinkable water.
It is recommended to use the product in indoor environment with air temperatures from +2 °C to +45 °C and a relative humidity up to 80 %.
Product’s reliability and safety is proven by tests implemented by the Engineering Test Institute in Brno.
Made in the Czech Republic.
Meaning of pictograms used in the Manual
| Important information for heater users. | |
| Abiding by the recommendations of the manufacturer serves to ensure trouble-free operation and the long service life of the product. | |
| Caution! Important notice to be observed. |
PRODUCT TECHNICAL SPECIFICATION
1.1 DESCRIPTION OF THE FUNCTION
The bivalent source for a heat pump with cascade control is designed exclusively for water heating. It is designed as an additional heating to the heat pump, i.e., as a bivalent source to ensure thermal comfort and possibly as a replacement for the heat pump in case of failure.
Water is heated by tubular heating element. The well includes the sensor of safety thermostat. Water temperature should be controlled by thermal pump regulation. In case of a failure, the safety thermostat switches off electricity supply in all poles at a temperature of 90–95 °C.
1.2 DESCRIPTION OF OPERATE
The operation is controlled by 230 VAC external voltage from the superior external controller connected to the RS1, RS2, RS3 terminal. Heating can be performed in three power steps. For example for TJ 2“ EHP 9 kW: 9 kW, 6 kW, 3 kW. The heating in the individual power steps is indicated by a green light on the body cover (Figure 10).
1.3 VOLTAGE
Before working on the electrical installation, it is necessary to turn off the power supplies! And wait at least one minute.
The L1 phase voltage is supplied to PCB (printed circuit board), if there is no voltage L1 = the controller does not switch on the heating.
1.4 SIGNALING
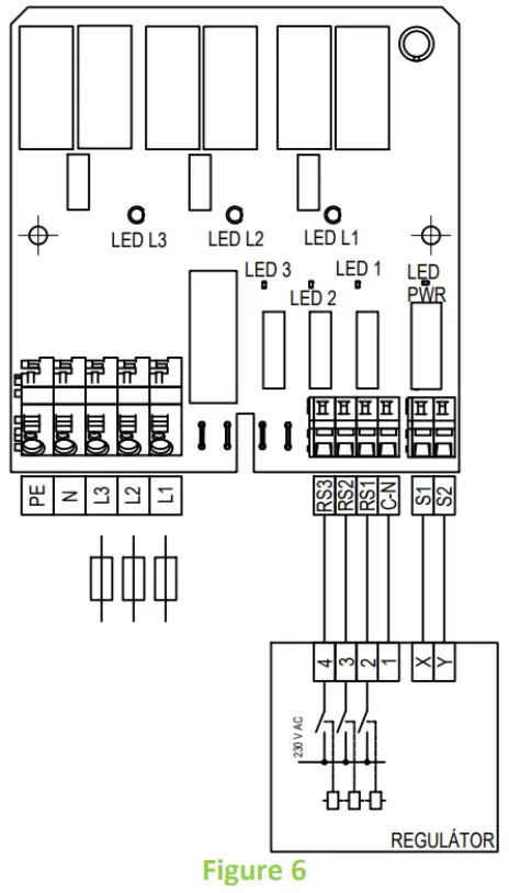
PCB contains 7 pieces of LED indicators (Figure 6, Figure 9).
Green light indicating “heating switched on”: LED L1, LED L2, LED L3.
Green light indicating supply voltage “switching present”: LED PWR.
Red light indicating external control “voltage present”: LED RS1, LED RS2, LED RS3
1.5 ADVICE FOR CUSTOMERS
Prior to putting the heating element into operation, re-measuring of insulation resistance is recommended. The insulation resistance in cold must not be below 50 MΩ. If the insulation resistance is lower, we recommend drying the heating element.
Both the electric and water installation must follow and meet the requirements and regulations relevant in the country of use!
1.6 DESIGN AND GENERAL HEATER DIMENSIONS
The bivalent source consists of an electrical heating element with a connecting thread G 2“ (Figure 1). A safety thermostat and a connection terminal block are placed under the wiring plastic cover.

Legend:
- bivalent source steel casing
- thermal insulation
- cover with wiring
| TYPE | OUTPUT | CONNECTION | RECOMMENDED CIRCUIT BREAKER VALUE | ELECTR. PROTECTION |
| kW | A | |||
| TJ 2“ EHP 6 kW | 2 – 6 | 3 PE-N AC 3x 230 V/50 Hz | 3x 16 | IP 44 |
| TJ 2“ EHP 9 kW | 3 – 9 | 3 PE-N AC 3x 230 V/50 Hz | 3x 16 | IP 44 |
Table 1
OPERATION AND FITTING INSTRUCTIONS
2.1 INSTALLATION
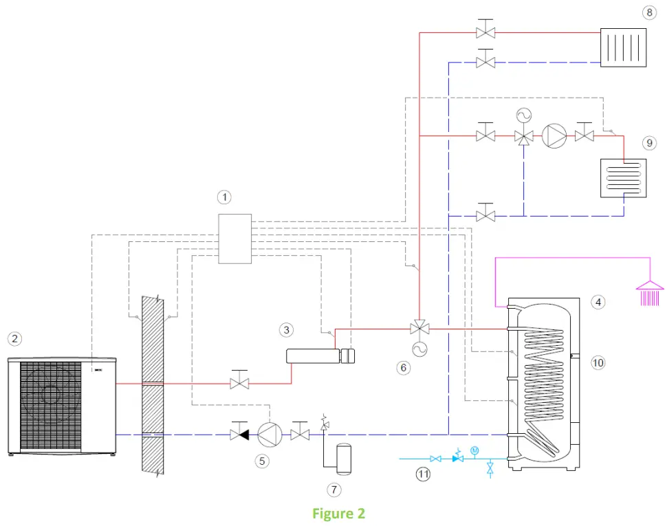
The bivalent source is connected to the heating circuit of the heat pump, e.g. according to the diagram in (Figure 2). It has 3 inlets or outlets for connection, while the side outlets (G 1 1/4 “) are with a cap nut and the upper outlet (G 1“) suitable, for example, for bleeding in the case of vertical mounting.

Legend:
| 1 – heat pump regulation, 2 – outdoor compact unit, 3 – bivalent source, 4 – water heater, 5 – circulation pump, 6 – changeover valve, | 7 – heating circuit safety assembly 8 – radiator circuit, 9 – floor heating circuit, 10 – socket for additional heating unit TJ 6/4“, 11 – safety assembly on the cold water supply |
Here are the recommended hydraulic connection options with an indication of the flow direction of the heating medium (Figure 3). With vertical installation, only a position with the wiring cover facing down is possible in order to bleed the entire volume of the bivalent source.
Considering the insulation type, the bivalent source is not suitable in the joint heating and cooling circuit with temperature below dew point (15 °C).

To attach the bivalent source to a wall or structure, 2 sleeves with anchor bolts are provided (Figure 4). Dowels must be selected according to the type of the building structure; Therefore, they are not included in the package.

2.2 ELECTRICAL INSTALLATION
2.2.1 GENERAL INFORMATION FOR ELECTRICAL INSTALLATION
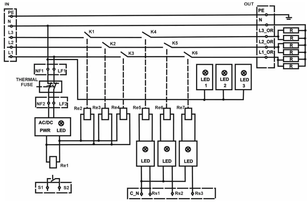
Run the supply cable and, if necessary, the cable for checking the thermal fuse (Figure 5, TL) through the grommets and connect according to the wiring diagram of the electric boiler (Figure 5). The heating unit is connected to a 3x 230 V/50 Hz electrical grid via a fixed wire connection with a corresponding section and protection adequate to the heating element output.
Notice: The power supply must contain a main breaker disconnecting all poles of the grid. Perform the installation in compliance with applicable standards.
2.2.2 WIRING DIAGRAM
Figure 5
CAUTION! UNDER VOLTAGE EVEN WITH THE MAIN SWITCHED OFF!
2.2.3 APPLICATION SCHEME
– Example of possible control:

2.2.4 WIRING DESCRIPTION
PCB terminals
- 400 VAC power supply
PE – earthing (yellow/green conductor)
N – working zero (blue conductor)
L1 – phase 1. (brown conductor)
L2 – phase 2. (black conductor)
L3 – phase 3 (grey conductor), conductor max S = 4 mm² - 230 VAC power supply, external
RS1 – L1 switching control, heating stage I switched on
RS2 – L2 switching control, heating stage II switched on
RS3 – L3 switching control, heating stage III switched on
C_N – working zero. Conductor max S = 2.5 mm². - Fault signaling (fuse open), 1 contact
S1 Contact (potential-free) S2 Conductor max. S = 2.5 mm2
Power supply
The heater is connected to the electrical network 3x 230 V (400 V) / 50 Hz by a fixed flexible cable which is equipped with a circuit breaker (and possibly a current protector). Cable 5 x 2.5 mm², the supply must be unlocked with a circuit breaker of suitable parameters listed in the table.
Control supply
The RS1, RS2, RS3 control inputs are connected to the electrical network using a 1 x 230 V / 50 Hz cable. The input supply via one identical phase L. It is recommended to release the control voltage using a 500 mA (0.5 A) fuse.
Fault Signalling (fuse open)
The contact of the S1/S2 terminal has parameters 5 A / 250 VAC. Switching contact (NO), potential-free. It is recommended to unlock using the 1A fuse.
Instructions for connecting conductors to the terminals
The conductors are connected to the Wago terminals on PCB. The tool is a flat-blade screwdriver of the appropriate width. Connect the conductors from the side. Use adequate compressive forces.

2.3 INSPECTION, MAINTENANCE
Maintenance involves decalcification of the heating element at certain time intervals selected by water hardness at the place of use, particularly if the system includes untreated heating water. Damage to the heating element due to calcareous sediments is not accepted by the manufacturer as a reason for complaint.
2.4 MOST FREQUENT FUNCTION FAILURES AND THEIR CAUSES
| FAILURE SYMPTOM | TROUBLESHOOTING |
| Body operation indicator is off. | The safety thermostat (thermal fuse) is automatically irreversible, it is started after the heater water has cooled to room temperature. Subsequently, the de-energized fuse can be triggered manually (Figure 8) by a button on the thermostat body. |
| The heater fault is not signaled and the control indicator lights up even when the thermostat is closed. | The safety thermostat is closed, but the bivalent source does not heat up, then there is a fault in the heater. Have the heater repaired by a specialist company. |
Table 2

Do not attempt to repair the failure yourselves. Seek either expert or service help. It does not take much for an expert to remove the defect. When making a repair appointment, report the type and serial number you find on the performance plate of your bivalent source.
IMPORTANT NOTICES
The following cases do not entitle the Customer to exercise the right from defective performance:
damage caused by dry operation- damage caused by lime scale deposits
- damage caused by chemical or electrochemical influences
- damage due to incorrect voltage, lightning strike, or voltage surges
The appliance has to be mounted at a convenient place; it means that the appliance must be easily accessible for potential necessary maintenance, repair or replacement, as the case may be.
3.1 INSTALLATION REGULATIONS
- Each heat source shall be equipped with a non-lockable locking device, see ČSN 06 0830.
- When active, the element and the thermowells must be surrounded with a sufficient amount of water from all sides.
- Thermo water flow must not be prevented.
- Mounting positions – horizontal or vertical from under (Chapter 2.1, Figure 3).
- The maximum pressure in the tank is 10 bar.
- Minimum flow for safe function of bivalent source is 1000 l/h.
- Considering the insulation type, the bivalent source is not suitable in the joint heating and cooling circuit with temperature below dew point (15 °C).
Both the electric and water installation must follow and meet the requirements and regulations relevant in the country of use!
3.1.1 OPERATING CONDITION

3.1.2 OPERATING AND FAULT CONDITION, PCB SIGNALLING
| Heating stage Output switched on LED indicator (on the cover) | Input switched on RS1 LED indicator | Input switched on RS2 LED indicator | Input switched on RS3 LED indicator | PWR LED indicator | Contact terminal S1 + S2 switched on |
| Heating | Operation | ||||
| L1+L2+L3 | Yes | ||||
| L1 | – | – | Yes | ||
| L2 | – | Yes | |||
| L3 | – | Yes | |||
| L1+L2 | – | Yes | |||
| L1+L3 | – | Yes | |||
| L2+L3 | Yes | ||||
| Fault | Possible conditions – does not heat up | ||||
| No power supply L1+L2+L3 | – | No | |||
| No power supply L1 | – | No | |||
| Powered L1+L2+L3 | – | No | |||
| Overheated, switched off by the emergency thermostat | |||||
Table 3
3.1.3 FAULT EXTERNAL CONTACT
It is used for possible signaling of switching on the emergency thermal fuse.
Potential-free contact (switched off at rest).
CAUTION! The interruption of L1 switches off the contact and possibly activates the fault.
CAUTION! By switching off the power supply voltage, the unit does not have to be de-energized. It is necessary to ensure that the external control voltage is switched off!
3.2 SPARE PARTS
When ordering, state the type of the heating unit and the name of the spare part.
- Safety thermostat
- Printed circuit board
- Conductors
- Sealing ring
3.3 DISPOSAL OF PACKAGING MATERIAL AND NONFUNCTIONING PRODUCT
A service fee for providing return and recovery of packaging material has been paid for the packaging in which the product was delivered. The service fee was paid pursuant to Act No 477/2001 Coll., as amended, at EKO-KOM a.s. The client number of the company is F06020274. Take the water heater packages to a waste disposal place determined by the town. When the operation terminates, disassemble, and transport the discarded and unserviceable heater to a waste recycling center (collecting yard), or contact the manufacturer.
20-2-2023
Družstevní závody Dražice – strojírna s.r.o.
Dražice 69, 294 71 Benátky nad Jizerou
Tel.: +420 / 326 370 911
E-mail: [email protected]
www.dzd.cz
Traditions since 1956















