CHAMPION 75500i-WL-UK-EU Parallel Kit
INTRODUCTION
Congratulations on your purchase of a Champion Power Equipment (CPE) product. CPE designs builds and supports all of our products to strict specifications and guidelines. With proper product knowledge, safe use, and regular maintenance, this product should bring years of satisfying service. Every effort has been made to ensure the accuracy and completeness of the information in this manual at the time of publication, and we reserve the right to change, alter and/or improve the product and this document at any time without prior notice. CPE highly values how our products are designed, manufactured, operated, and serviced as well as providing safety to the operator and those around the generator. Therefore, it is IMPORTANT to review this product manual and other product materials thoroughly and be fully aware and knowledgeable of the assembly, operation, dangers, and maintenance of the product before use. Fully familiarize yourself, and make sure others who plan on operating the product fully familiarize themselves too, with the proper safety and operating procedures before each use. Please always exercise common sense and always err on the side of caution when operating the product to ensure no accident, property damage, or injury occurs. We want you to continue to use and be satisfied with your CPE product for years to come. When contacting CPE about parts and/or services, you will need to supply the complete model and serial numbers of your product. Transcribe the information found on your product’s nameplate label to the table below
- CPE TECHNICAL SUPPORT TEAM
- +44(0)-1942-715-407
- MODEL NUMBER
- 775500i-WL-UK/EU
- SERIAL NUMBER
- DATE OF PURCHASE
- PURCHASE LOCATION
SAFETY DEFINITIONS
The purpose of safety symbols is to attract your attention to possible dangers. The safety symbols, and their explanations, deserve your careful attention and understanding. The safety warnings do not by themselves eliminate any danger. The instructions or warnings they give are not substitutes for proper accident prevention measures.
- DANGER
- DANGER indicates a hazardous situation that,if not avoided, will result in death or serious injury.
- WARNING
- WARNING indicates a hazardous situation that, if not avoided, could result in death or serious injury.
- CAUTION
- CAUTION indicates a hazardous situation that, if not avoided, could result in minor or moderate injury.
- NOTICE
- NOTICE indicates information considered important, but not hazard-related (e.g., messages relating to property damage).
IMPORTANT SAFETY INSTRUCTIONS
WARNING
- ALWAYS turn the generator off and ensure the fuel valve is closed before connecting the parallel kit.
- ALWAYS inspect for cuts, torn, or damaged extension cords before each use, and if found DO NOT use.
- NEVER use a parallel kit or its associated plug wires if cut, torn, or damaged.
- ALWAYS keep the parallel kit clean, dry, and away from water, mud, or wet surfaces.
- ALWAYS unplug the parallel kit before servicing or cleaning the generators.
- NEVER plug in more than the rated specified watts for this parallel kit.
- NEVER connect or disconnect the parallel kit while generators are running.
DANGER
NEVER connect or disconnect the parallel kit in standing water, mud, or wet surfaces. Failure to follow these important safety instructions could result in personal injury, death, or damage to the generator/s.
This device is for use in a weather-protected area only.
Safety Symbols
Some of the following symbols may be used on this product. Please study them and learn their meaning. Proper interpretation of these symbols will allow you to more safely operate the product more.
CONTROLS AND FEATURES
Power Panel
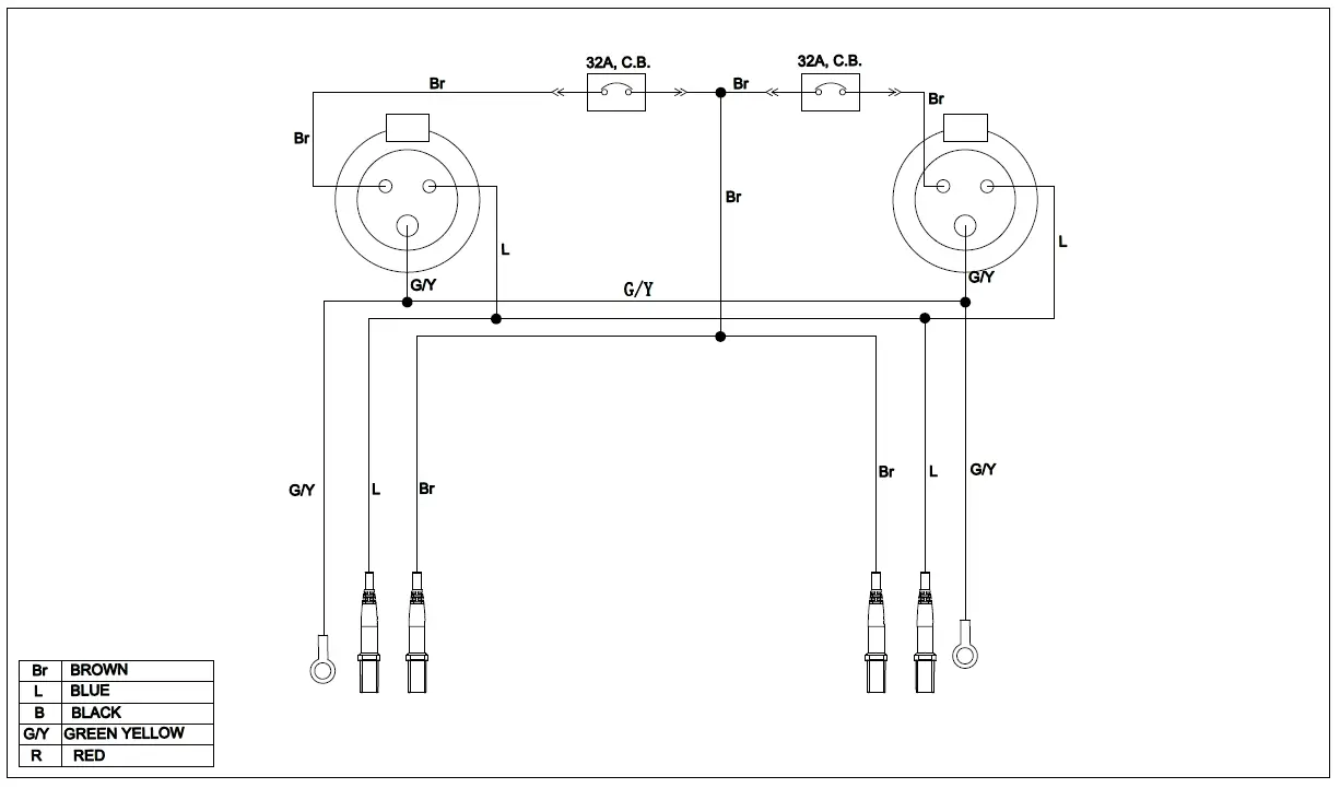
- Circuit Breaker 32 Amp – Protects against electrical overload.
- UK model: 240 Volt, 32 Amp Receptacle – This receptacle powers 240 Volt AC, 32 Amp, single phase loads.
EU model: 220 Volt, 32 Amp Receptacle – This receptacle powers 220 Volt AC, 32 Amp, single phase loads.
DANGER
Generators produce powerful voltage.
- DO NOT touch bare wires or receptacles.
- DO NOT use electrical cords that are worn, damaged or frayed.
- DO NOT operate a generator in wet weather including rain or snow.
- DO NOT allow children or unqualified persons to operate or service the generator
- Always inspect your parallel kit, outlets, wires, and parts prior to use.
- DO NOT use if any part or wire is frayed, exposed, or broken.
IMPORTANT
This kit is intended for use with Champion Power Equipment inverters with a least one inverter being 2800W or larger (2800+), and with the ability to parallel. Please refer to your inverter Owner’s Manual for safety rules, start-up, and shut-down procedures, specifications, and troubleshooting. The total output of this kit will depend on the size of the inverters connected to it. The maximum output of the parallel kit is the total amperage of the circuit breakers.
WARNING
Always space generators apart and the exhaust muffler facing away from each other, If not spaced apart, the exhaust heat from one unit may discolor or melt the plastic on the other unit.
Paralleling Two 2800W+ Inverters
- Inverters must to be turned off and all electrical loads disconnected before installing the parallel kit.
- Align the inverters in the same direction in a “V” configuration at a minimum of 18 in. [45 cm] apart.
- Clamp the parallel kit to the left handle of the inverter on the left of the “V” on the opposite side of the exhaust muffler.
- On each inverter, remove the connector end cap and insert the RED power lead into the RED receptacle and the BLACK power lead into the BLACK receptacle.
- On each inverter, connect the grounding wire to the grounding terminal on the inverter.
- Start the engine of both inverters according to the inverter Owner’s Manual. Observe the GREEN LED output indicator light on both inverter panels. The light will blink applied start-up and will be solid when loads may be connected.
- Socket devices to parallel or inverter panels up to the receptacles rated socket. Never exceed the specified capacity of the receptacle.
- Follow the instructions in the inverter Owner’s Manual for turning off the inverter.
WARNING
- Loads up to 32A may be connected to each parallel kit socket, with Max 58A across both sockets. Individual loads connected to a generator socket must be less than the 32(A) amp sockets rating.
- The total electrical load must not exceed 32 amps (7360 watts) per socket.
Paralleling One 2800W+ Inverter and One 2000W Inverter
- Inverters must to be turned off and all electrical loads disconnected before installing the parallel kit.
- Align the inverters in the same direction in a “V” configuration at a minimum of 18 in. [45 cm] apart.
- Clamp the parallel kit to the left handle of the inverter on the left of the “V” on the opposite side to the exhaust muffler.
- Connect the 2800W+ inverter.
- Connect the 2000W inverter by removing the connector end cap and insert the RED power lead into the RED receptacle and the BLACK power lead into the BLACK receptacle.
- Start the engine of both inverters according to the inverter Owner’s Manual. Observe the green led output indicator light on both inverter panels. The light will blink during start-up and will be solid when loads may be connected.
- Connect electrical loads to parallel or inverter panels up to the socket-rated amperage. Never exceed the specified capacity of the socket.
- Follow the instructions in the inverter Owner’s Manual for turning off the inverter.
NOTICE
This parallel kit is meant to parallel two SQUARE ParaLINK compatible inverters together. Both inverters must have ParaLINK parallel receptacles.
NOTICE
This unit should NOT be used to connect inverters without Round ParaLINK receptacles:
SPECIFICATION
Wiring Diagram
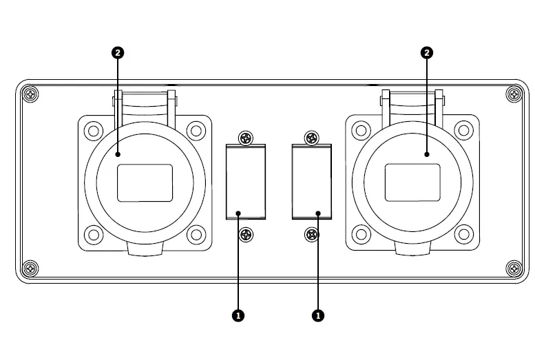
Parts Diagram
Parts List
| # | Part Number | Description | Qty |
| 1 | 83.210003.01 | Plug, Wire | 2 |
| 2 | 83.213001.00 | Control Box | 1 |
| 3 | 83.210006.00.3 | Plug, Parallel, Wire 280 mm, Red | 2 |
| 4 | 83.210006.01.1 | Plug, Parallel, Wire 250 mm | 2 |
| 5 | 1.9074.4.0414.1 | Screw/Washer Assembly M4×14 | 8 |
| 6 | 5.1120.006 | Receptacle | 2 |
| 7 | 1.819.0516.2 | Screw M5×16 | 8 |
| 8 | 1.6177.1.05.2 | Lock Nut M5, Flange | 8 |
| # | Part Number | Description | Qty |
| 9 | 5.1230.320 | 50Amp Circuit Breaker, Flip Lever | 2 |
| 10 | 1.9074.4.0306.2 | Screw/Washer Assembly M3×6 | 4 |
| 11 | 5.1870.017 | Circuit Breaker Cover, Flip Lever | 2 |
| 12 | 83.213100.12.2 | Control Panel | 1 |
| 13 | 83.213004.00 | Rubber Insert | 1 |
SAVE THESE INSTRUCTIONS
Important safety instructions are included in this manual.
MADE IN CHINA
REV 75500i-WL-UK/EU-20220218





















