FIRMAN 1201 50A Parallel Kit

Record product information to reference when ordering parts or obtaining warranty coverage.
REGISTER YOUR PRODUCT
Register your product using the QR code provided or at www.firmanpowerequipment.com .

INTRODUCTION
Thank you for purchasing a FIRMAN product.
This manual contains safety information to make you aware of the hazards and risks associated with this product and how to avoid them. This product is designed and intended only for supplying electrical power for operating compatible electrical lighting, appliances, tools and motor loads, and is not intended for any other purpose. It is important that you read and understand these instructions thoroughly before attempting to start or operate this equipment. Save these original instructions for future reference. This manual covers operation and maintenance of the FIRMAN parallel kit. All information in this publication is based on the latest production information available at the time of approval for printing. The manufacture reserves the right to change, alter or other wise improve the parallel kit and this documentation at any time without prior change.
Important Safety Information
WARNING
READ AND UNDERSTAND ALL INSTRUCTIONS.
Failure to follow all instructions listed below may result in electric shock, fire and/or serious injury.
WARNING
To reduce the risk of injury, user must read and understand the operator’s manual for their generator and this instruction sheet. Ensure compatibility and fit before using any accessory. Do not use an accessory if a part is damaged or missing. If you are not comfortable performing any of the functions described in these instructions, take your unit to an authorized service center.
- This product is for outdoor use only.
- Do not connect or disconnect parallel kit while generator is running. Doing so can cause permanent damage not covered under warranty.
- Do not get the product wet. Do not use if this product is exposed to moisture.
- Do not disassemble. This product has no userserviceable parts.
- As with all electrical devices, use caution when plugging and unplugging this unit into an outlet or plugging/unplugging other devices into this unit. Do not force this unit into an outlet. Do not force plugs into this unit.
- If required, use only certified approved extension cords with this product.
- If this product is used in a manner not specified by the manufacturer, the protection provided by this equipment may be impaired.
- Do not overload the parallel kit. The kit can supply a maximum of 50 Amps at 120 Volt or 6000 Watts per outlets depending on the rating of the inverter generators.
- Do not parallel more than two inverter generators.
- Link two inverter generators together for 90-95% of the sum of the two inverter wattage rating (depends on the models).
- Save these instructions. Refer to them frequently and use them to instruct others who may use this product. If you loan someone this product, loan them these instructions also.
- Use only FIRMAN inverters or paralleling.
FOR RESIDENTS OF CALIFORNIA
WARNING: This product can expose you to chemicals including lead, which are known to the State of California to cause cancer or cause birth defects and other reproductive
harm. For more information, go to www.P65Warnings.ca.gov.
ASSEMBLY AND OPERATION
- This kit is intended for use on FIRMAN Power Equipment Inverter Generators.
- Please refer to your Inverter Owner’s Manual for safety rules, start up and shut down procedures, specifications and troubleshooting.
- NOTICE Both Circuit Breakers must be closed for the 30A receptacle to function.
Setup and Operation
- Align the inverters in the same direction at a minimum of 20 in. [50 cm] apart.
WARNING
If not spaced apart, the exhaust heat from one unit may discolor or melt the plastic on the other unit. - Inverters to be TURNED OFF and all electrical loads DISCONNECTED before installing parallel kit.
NOTICE Do not connect or disconnect the parallel kit while the inverters are running. - The ECO switch must be in the same position on both generators.

- On each inverter:
- Remove the parallel outlet covers and plug parallel cable terminals into parallel outlets.
- Loosen nuts on grounding terminals and attach ground wire to ground terminal in each inverter. Tighten securely.

- Turn on both inverters. See inverter owner’s manual for starting instruction.
Make sure the green output indicator light comes on for each inverter. - The ECO switch must be in the same position on both generators before applying any load.

- Plug in the 120 Volt AC, single phase, 60Hz electrical loads into parallel kit receptacles and turn on first load. Allow generator output to stabilize before plugging in the next load.

NOTICE It is strongly recommended to plug in devices with the largest output first and the smallest output last to help prevent overloading the inverters. Do not exceed maximum wattage rating of inverters, parallel kit and receptacles. - When finished, turn off the inverter generators per owner’s manual instructions and then disconnect the parallel kit.
CONTROLS AND FEATURE

- A Parallel kit
- B 120 Volt AC 50 Amp receptacle (14-50R) 240 Volt is not available in this kit.
- C 120 Volt AC 30 Amp receptacle (L5-30R)
- D Circuit Breakers
- E Outlet Cover
- F LED Assy
- G – Parallel Cable GEN 1
- H – Parallel Cable GEN 2
- I – Ground Terminal
- K – Parallel Cable Terminal
- L – Back Cover
- M – Grouding Wire

Parts Diagram and List

| NO. | Part Number | Description | Qty. |
| 1 | 360723001 | Parallel Box | 1 |
| 2 | 399451045 | Receptacle 14-50R | 1 |
| 3 | 360713015 | Parallel Box Panel | 1 |
| 4 | 336713574 | Outlet Cover 14-50R | 1 |
| 5 | 360457020 | LED Assy | 2 |
| 6 | 921100054 | Screw ST3.9X9.5 | 4 |
| 7 | 336713573 | Outlet Cover L5-30R | 1 |
| 8 | 360757012 | Receptacle L5-30R | 1 |
| 9 | 360757014 | Circuit Breaker Amp 30A | 1 |
| 10 | 360757015 | Circuit Breaker Amp 50A | 1 |
| 11 | 922100013 | Nut M4 | 4 |
| 12 | 360727004 | Cable Holder | 2 |
| 13 | 360723002 | Back Cover | 1 |
| 14 | 360757017 | Parallel Cable GEN 1 | 1 |
| 15 | 360757060 | Parallel Cable GEN 2 | 1 |
The Parallel Kit can be mounted using 4 X M6-1.0 screws(not included) before connecting to the inverter.

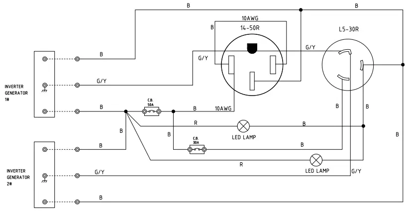
Wiring Diagram


SERVICE INFORMATION
CONTACT THE FIRMAN PRODUCT SERVICE DEPARTMENT AT 1-844-347-6261 or at www.firmanpowerequipment.com to obtain warranty service information or to order replacement parts or accessories.
HOW TO ORDER REPLACEMENT PARTS
Even quality built equipment such as the parallel kit you have purchased might need occasional replacement parts to maintain it in good condition over the years. To order replacement parts, please give the following information:
- Model No. ,Rev. Level and Serial No. and all specifications shown on the Model No./Serial No. plate.
- Parts number or numbers as shown in the Parts List section.
- A brief description of the trouble with the generator.
WARRANTY
FIRMAN 120 Day Limited Warranty
Warranty Qualifications
Register your product using the QR code provided or at www.firmanpowerequipment.com.
Please submit your warranty registration and your proof of purchase within ten(10) days of the date of purchase.

Repair/Replacement Warranty
FIRMAN warrants to the original purchaser that the mechanical and electrical components will be free of defects in material and workmanship for a period of 120 days (parts and labor) from the original date of purchase. Transportation charges on product submitted for repair or replacement under this warranty are the sole responsibility of the purchaser. This warranty only applies to the original purchaser and is not transferable.
Do Not Return the Unit to the Place of Purchase
Contact the FIRMAN Service Center and FIRMAN will troubleshoot any issue via phone or e-mail. If the problem is not corrected by this method, FIRMAN will, at its option, authorize evaluation, repair or replacement of the defective part or component at a FIRMAN Service Center. FIRMAN will provide you with a case number for warranty service. Please keep it for future reference. Repairs or replacements without prior authoriz -ation, or at an unauthorized repair facility, will not be covered by this warranty.
Warranty Exclusions
This warranty does not cover the following repairs and equipment:
Normal Wear
Your product needs periodic parts and service to perform well. This warranty does not cover repair when normal use has exhausted the life of a part or the equipment as a whole.
Installation, Use and Maintenance
This warranty will not apply to parts and/or labor if your product is deemed to have been misused, neglected, involved in an accident, abused, loaded beyond the equipment limits, modified, installed improperly or connected incorrectly to any electrical component. Normal maintenance is not covered by this warranty.
Other Exclusions
This warranty excludes:
- cosmetic defects such as paint, decals, etc.
- wear items
- accessory parts
- failures due to acts of God and other force majeure events beyond the manufacturer’s control
- problems caused by parts that are not original FIRMAN parts
Limits of Implied Warranty and Consequential Damage
FIRMAN disclaims any obligation to cover any loss of time, use of this product, freight, or any incidental or consequential claim by anyone from using this product. THIS WARRANTY IS IN LIEU OF ALL OTHER WARRANTIES, EXPRESS OR IMPLIED , INCLUDING WARRANTIES OF MERCHANT ABILITY OR FITNESS FOR A PARTICULAR PURPOSE. A unit provided as an exchange will be subject to the warranty of the original unit. The length of the warranty governing the exchanged unit will remain calculated by reference to the purchase date of the original unit. This warranty gives you certain legal rights which may change from state to state. Your state may also have other rights you may be entitled to that are not listed within this warranty.
Contact Information
You may contact FIRMAN at:
Address
Firman Power Equipment Inc. Attn: Customer Service 8644 W. Ludlow Dr. Peoria, AZ 85381
www.firmanpowerequipment.com
FOLLOW US ON SOCIAL
USE
#EVERYGENERATORTELLSAS TORY’ TM
FOR YOUR CHANCE TO WIN FIRMAN SWAG

DO NOT RETURN TO STORE!
CALL US FIRST
1-844-347-6261
FOR QUESTIONS
OR SERVICE INFORMATION



Make sure the green output indicator light comes on for each inverter.




















