WATTS BV-600 Pit Drain User Manual

Specification
Watts BV-600 epoxy coated cast iron pit drain with backwater valve with bronze seat and flapper, secured grate, and no hub outlet
| Pipe Sizing | ||
| Suffix | Description | |
| 2 | 2″(51) Pipe Size | |
| 3 | 3″(76) Pipe Size | |
| 4 | 4″(102) Pipe Size | |
| 6 | 6″(152) Pipe Size |
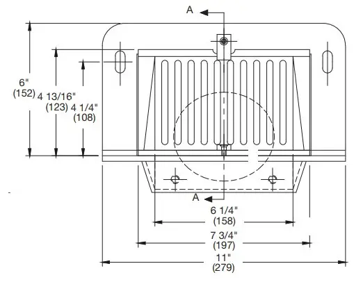
Front View

| Options | ||
| Suffix | Description | |
| -1 | Nickel Bronze Grate & Frame | |
| -6 | Vandal Proof | |
| -13 | Galvanized | |
| -T | Threaded Outlet |
| Pipe Size | No Hub (MJ) | |
| A | B | |
| 2″(51) | 5 1/8″(130) | 6 1/2″(165) |
| 3″(76) | 4 1/2″(114) | 5 3/4″(146) |
| 4″(102) | 4″(102) | 5 1/8″(130) |
| 6″(152) | 3 1/2″(90) | 4 13/16″(122) |
Side View

Please refer to watts.com for BAA information on specific models.
The information contained herein is not intended to replace the full product installation and safety information available or the experience of a trained product installer. You are required to thoroughly read all installation instructions and product safety information before beginning the installation of this product.
Watts product specifications in U.S. customary units and metric are approximate and are provided for reference only. For precise measurements, please contact Watts Technical Service. Watts reserves the right to change or modify product design, construction, specifications, or materials without prior notice and without incurring any obligation to make such changes and modifications on Watts products previously or subsequently sold.
USA: T: (800) 338-2581 • F: (828) 248-3929 • Watts.com
Canada: T: (888) 208-8927 • F: (905) 481-2316 • Watts.ca
Latin America: T: (52) 55-4122-0138 • Watts.com
ES-WD-BV-600 2137




















