SENSE PLUS ELITE Sauna Heater
User Guide
SENSE PLUS ELITE Sauna Heater
SENSE PLUS ELITE Quick-Start Tip Sheet
This page to be used in conjunction with Tylo Full Manual included
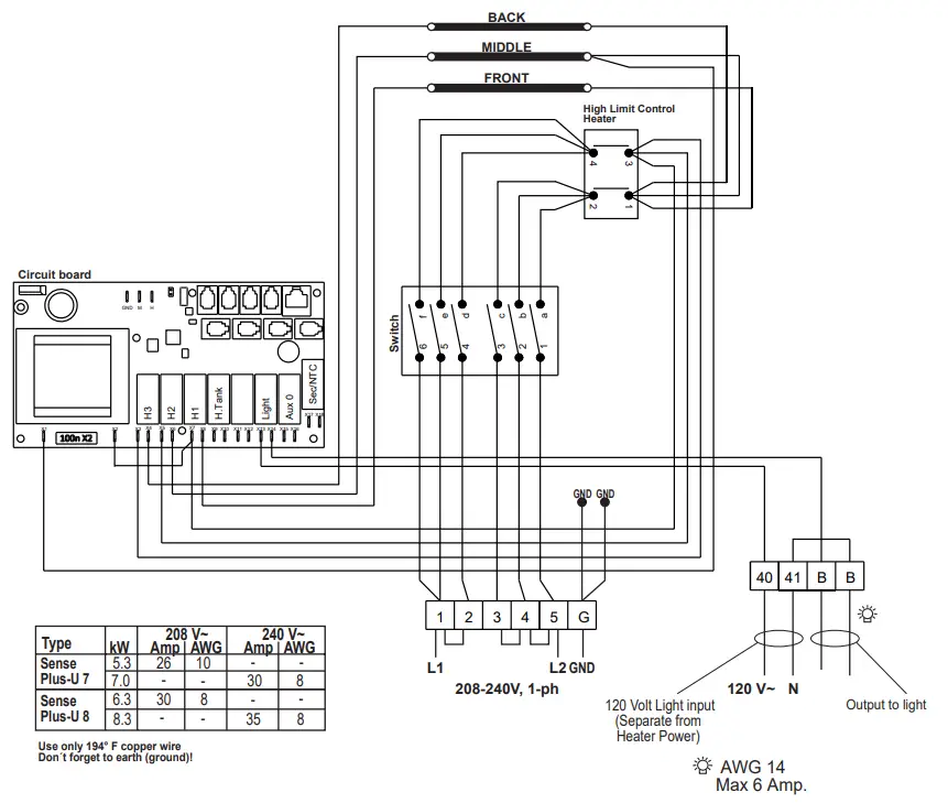
CONNECTION/WIRING DIAGRAM
| TAB | 208 V 1 Phase | 240 V 1 Phase | ||||
| Model | Amperage Amps | Output kW | Wire Size AWG | Amps/Breaker | Output kW | Wire Size AWG |
| Sense – U 7 | 26 | 5.3 | 10 | 30/40 | 7.0 | 8 |
| Sense – U 8 | 30 | 6.3 | 8 | 35/50 | 8.3 | 8 |
| Note: Heating elements do not change for voltage changes. The heater output will change based on the voltage applied to heater. Most North American homes are 240v. | ||||||

Figure 19: Wiring diagram
- NTC Sensor – Sense Pure. (jack # 1)
- External Switch (Optional jack # 2)
- Door jumper pre-installed (jack # 3)
- N/A
- N/A
- N/A
- N/A
- Pure Control (jack # 8)
- N/A
- Heater
- Terminal for connection of electrical cable
- Pure Control (jack # 8)
- Sensor – Sense Pure (jack # 1)
- Light/terminal for connection of light
- Door Switch is not required for N. America
- External On/Off Switch (option

- (1) If using Sensor Cover, you are supposed to feed the sensor wire through the sensor holder FIRST before running wire inside the wall. If not done first, do one of the following
- (2) Sensor with metal tab is usually installed without cover with one screw through the sensor tab directly to the finished wall.
- (3) Mount sensor holder close to sensor. Surface mount sensor as show in picture. Install cover to hide sensor wire and any hole made for wire.
- (4) DO NOT install cover on top of sensor after installation. It can affect heat sensitivity and cause heater high limit to trip
1. CAUTION: Heater junction box can be a tight fit. Make sure no bare wires come in to contact with circuit board, on/off switch or any other heater components. Extra care should be taken when closing junction box cover to ensure wires are not being pushed out of position.
2. Some prefer or are required to make a weather-proof connection. If so, you may use Liquid tight conduit for the wire exposed within the sauna. For more flexibility, you can install weather proof junction box inside sauna below heater and use flexible SOOW wire to connect to heater
- Minimum distance from side wall: 4” (100 mm)
- Sensor position alt 1: 3” (75 mm) from heater
- Sensor
- Minimum distance from back wall (with legs): 4” (100 mm)
- Sensor position alt 2: 3” (75 mm) from heater front
- Sensor position: 1” (25 mm) from ceiling
- Minimum distance from ceiling: 44” (1100 mm)
- Minimum distance from heater guard: 4” (100 mm)
- Minimum ceiling height: 75” (1900 mm)
- Minimum distance: 1” (25 mm)
- Minimum distance from heater guard: 2” (50 mm)
- Distance from floor: 7” (175 mm)
** Pure Control distance to heater is max 300 feet
Unscrew the first two screws on the back of the heater and screw bracket to heater one at a time. see Fig. 11.Note: If all the screws on the back are unscrewed simultaneously, the back plate may come loose.
Main Power Switch: On/Off Knob comes packed inside rock tray. Field install. Turn knob to turn on heater.
- Temperature cut-out sauna heater

Elite Control Location
The control panel can be installed inside or outside of the sauna room. (Outside is Typical)
Elite Control Installation Instructions
The control panel can be installed inside or outside the sauna room. If the control is installed inside the room, install no higher than 3’ (90 cm) above the flood . No closer than 12” (30 cm) to heater.
Installation Without Mounting Bracket (Typical)
Cut a 1-3/16” (3 cm) hole through the wall big enough for the control panel connector.
Attach the double-sided adhesive to the control panel. Before applying the control to the wall, connect it to the heater and electrically test everything first. Clean the surface where the control will b applied to remove all dust. Remove the protective backing from the adhesive. Silicone sealant can be applied in the groove on the back of the panel as an extra seal. Connect the control wire, push the excess wire through the hole in the wall and press the control panel firmly to the wall
Installation Bracket
Use the mounting bracket as a template to mark screws holes on the wall. Tighten the screws a little until the bracket is nearly secured.
Remove the bracket from the wall. Use adhesive to mount the control to the bracket. Remember to position the switch according to the picture.
Installation without Bracket
Install without bracket Control stuck directly to the wall. Control cable in the stud cavity.
Installation with Bracket
Install with bracket
Generally only used when control wire is surface mounted; i.e. solid log style outdoor sauna.


WARNING!
* Hyperthermia occurs when the internal temperature of the body reaches a level several degrees above the normal temperature of 98.6° F. The symptoms of hypothermia include an increase in the internal temperature of the body, dizziness, lethargy, drowsiness and fainting. The effect of hyperthermia include:
a) Failure to perceive heat;
b) Failure to recognize the need of exit the room;
c) Unawareness of impending hazard;
d) Fatal damage of pregnant women;
e) Physical inability to exit the room; and
f) Unconsciousness
- Do not take a sauna if using alcohol, drugs or medications.
- Pregnant women or persons with poor health should consult their physician before using any sauna.
- Caution fi re hazard: Do not use the sauna room for drying clothes, bathing suits, etc. Do not hang towels above heater or place any object other than the rocks supplied
on the heater. If any darkening of the wall around the heater is noticed discontinue sauna use immediately. - Inspect sauna regularly for required maintenance to heater, control and benches. Replace wood surfaces which show any signs of deterioration.
- The heater gets extremely hot during operation and should not be touched or burns may result.
- Minors should be adequately supervised whenever near a hot or warming sauna.
- Fire sprinkler systems used inside any sauna room should be properly rated for sauna room temperatures.
- Do not pour chlorinated pool or spa water on heater.
Excessive water use on heater may cause damage and void warranty. - This appliance is not intended for use by persons (including children) with reduced physical, sensory or mental capabilities, or lack of experience and knowledge, unless they have been given supervision or instruction concerning use of the appliance by a person responsible for their safety. Children should be supervised to ensure that they do not play with the appliance.
- Electric Shock Hazard – High voltage exists within this equipment. There are no user serviceable parts in this equipment. All installation and service to this equipment should be performed by qualifi ed licensed personnel in accordance with local and national codes.
- Do not construct sauna room so as to restrict air fl ow through the bottom of the heater.
- Packing the rocks too tightly may cause the heater high limit switch to trip.
- Maintain minimum clearance from heater to wooden surfaces (benches, side walls, heater fence etc.). Mounting brackets supplied. Provides proper clearance from wall behind heater.
- Use only copper wire of the size and type indicated in the Heater Specifi cation Chart and the temperature rating indicated on the heater junction box.
- A guardrail or fence is required around the heater to prevent burns from accidental contact.
- All heaters and controls must be grounded per NEC to prevent electrical shock in case of unit failure.
- Electrical outlets or receptacle must not be installed in a sauna room.
- Do not locate benches over heater.
- For household only.
![]()
Keep this user guide!
In the event of any problems, please contact the retailer where you purchased the equipment.
© This publication may not be reproduced, in part or in whole, without the written permission of Tylor. Tylor reserves the right to make changes in materials, construction and design.
INSTALLATION GUIDE
BEFORE INSTALLATION
Parts
Check that the following parts are included in the packaging:
- Sauna heater
- Herb bowl/air humidifier
- Brackets x 4
- Lock screw B8x9.5 x 1
- Warning and Caution plates for the room in multiple languages
- Screws B 4 x 6.5 x 6 for Warning and Caution plates
- Connectors x 3
- Bracket screws x 4
- NTC Sensor, cable length 4 m
- Clips TC (3-5) x 10 pieces
- Plastic plugs 25×5 x 2 pcs
- Screws B6x25 x 2 pcs
- Screw B4x6,5 x 1 piece
- Sensor cover
- Rock guard
- Protection hose Ø14×150 mm x 3 pcs, for RJ10 cables (sensor, control panel, door switch)
Contact your dealer if anything is missing.
Installation requirements
To ensure safe use of the heater, check that the following criteria are met:
- Electrical wiring should be installed in accordance with NEC and all state and local codes.
- Fuse size (A) and power cable size (AWG) must be suitable for the heater (see The section called Connection/wiring diagram, Page 8.
- The sauna ventilation must comply with the instructions in this manual (see The section called Positioning the inlet vent, Page 5, The section called Positioning the outlet vent, Page 5).
- The position of the sauna heater, control panel, and sensors must comply with the instructions in this manual.
- The heater output (kW) must be suitable for the sauna volume (cu.ft.) (See Table 1, Page 3). The minimum and maximum volumes must not be exceeded.
- NOTE: A GFCI device is not required by ETL. A GFCI may be installed if required by local codes. However, GFCI devices will tend to nuisance trip during use of the product.
Table 1: Voltage and sauna volume
| Model | Voltage | Sauna volume min. cu.ft. | Sauna volume max. cu.ft. |
| Sense U 7 Elite/Pure (SPU7) | 208 V 240 V | 175 175 | 265 320 |
| Sense U 8 Elite/Pure (SPU8) | 208 V 240 V | 250 250 | 360 440 |
Installation tools
The following tools and materials are needed for installation and connection:
- level
- tape measure
- electric drill
- screw drivers
Installation planning
Before starting to install your sauna heater:
- Plan the sauna heater positioning (see the Heater positioning – normal installation section, page 4).
- Plan the control panel positioning (see the attached instructions for the control panel for allowable positioning).
- Plan the sensor positioning (see Figure 3, page 4).
- Position the air intake vent (see the Air intake vent positioning section, page 5).
- Position the air exhaust vent (see the Air exhaust vent positioning section, page 5).
- Plan the electrical installation (see the Connection/wiring diagram section, page 8).

- Sauna heater
- Control panel
- Sensor
- External on/off switch (option, door contact needed for function)
DANGER! No more than one heater may be installed in the same sauna cabin.
Positioning the heater – normal installation
Position the sauna heater:
- on the same wall as the door (or the side wall if very close to the door wall).
- Position the heater at a safe distance from the floor, side walls and interior fittings (see Figure 3). Position the sensor according the picture (see Figure 3).

- Minimum distance from side wall: 4 in
- Sensor position (option 1): 3 in from heater
- Sensor
- Minimum distance from back wall (with legs): 4 in
- Sensor position (option 2): 3 in from heater front
- Sensor position: 1 in from ceiling
- Minimum distance from ceiling: 44 in
- Minimum distance from interior fittings: 4 in
- Minimum ceiling height: 75 in
- Minimum distance: 1 in
- Minimum distance from interior fittings: 2 in
- Suggested distance from floor: 7 in
Positioning the control panel
The control panel can be installed inside or outside of the sauna room.
The control panel must be correctly positioned with regard to safety distances below when installed inside the sauna room
- Heater
- Control panel
- Max. 36 in
- Min. 12 in
WARNING
REDUCE THE RISK OF OVERHEATING
- Exit immediately if uncomfortable. dizzy, or sleepy. Staying too long in a sauna is capable of causing overheating.
- Supervise children at all times.
- Check with a doctor before use if pregnant, in poor health, or under medical care.
- Breathing heated air in conjunction with consumption of alcohol, drugs, or medication is capable of causing unconsciousness.
CAUTION
REDUCE THE RISK OF FIRE
Do No Place Combustible Materiel Or us /*Net At Arr)lire.
Figure 5: Warning/Caution plate
Sauna room ventilation
In a sauna, the air should be changed about 6 times an hour. See Figure 6.
It is recommended that ventilation openings meet the requirements of UL Specifi cation 875. The minimum opening should be determined using one of the following formulas:
For R< 31, V ≥ 9.3
For R ≥ 31, V ≥ 0.3*R
where R = the floor area of the room in square feet and
V = the minimum vent size in square inches
Example Venting Calculation:
Room is 54 sq.ft.(9 ft. by 6 ft.) 54 is larger than 31.
Multiple 54 x 0.3 = 16.2 sq. in.
Vent size opening should be 4 in x 4 in.
Positioning the inlet vent
Install the inlet vent straight through the wall under the centerline of the heater.
- Inlet vent position.
- Outlet vent position through the sauna wall.
- Outlet vent position through the cavity.
- Outlet vent position via duct.
Positioning the outlet vent
Position the outlet vent
- at the maximum possible distance from the air intake vent, e.g. diagonally (see Figure 6).
- high on the wall or in the ceiling (see Figure 6).
- so that it vents into the space that the door and air intake vent open into.
The outlet vent must have the same area as the inlet vent.
Ensure that the outlet vent is open.
Mechanical ventilation is not recommended due to the risk of poor air exchange, which can negatively affect the heater temperature cut-out.
Removing the Rock Guard
Unscrew the two screws on the side of the heater and lift the rock guard upwards, see Figure 7. (This is necessary when filling the stone compartment or cleaning the fragrance holder and air humidifier).
Room construction
For safety and reliability, the following rules must be addressed.
- The enclosed WARNING: Reduce the risk of overheating … warning plate must be mounted on or alongside the door outside the sauna room at about eye level. Use the supplied screws.
- The enclosed CAUTION: Reduce the risk of fi re … caution plate must be mounted on the interior wall above the heater. Use the supplied screws.
- No permanent locking or latch system is to be used on the sauna door.
- Acceptable door fittings are: magnetic catches, friction catches, spring or gravity loaded closures.
The door must always open outwards. - No shower may be installed in a sauna room.
- No electrical receptacle shall be installed inside the sauna room.
- The heater should not be operated without its container properly filled with rocks and the rock guard in place.
- If an intercom speaker is installed, it should be away from the heater and as close to the floor as possible.
- If a room light is installed, it should be a surface mounted bracket type. Wall mounted lights should be about 70” above the floor. Ceiling mounted lights should be of an approved type with a junction box that is remote to the fixture itself.
Use only a fixture that uses A.F. or fixture type internal wiring.
A 60 watt bulb should provide sufficient lighting. - Fire sprinkler systems installed inside any sauna room should be properly rated for sauna room temperatures.
- Always mount the heater according to these installation instructions.
Typical wall construction

INSTALLATION
Sauna heater installation
It is easiest to prepare for installation with the heater lying down.
To install the heater:
- Lay the heater down with the front facing upwards.
- Undo the screws and open the cover (see Figure 9).

WARNING! Always check that the heater is connected to the correct main/phase voltage!
Connect the heater using 90°c approved rated wire for fixed installation. Installed shall be IN accordance with NEC and State and local codes. - Connect the electrical cable (1) to the terminal (2) (see Figure 10) according to the wiring diagram (see the Connection/wiring diagram section, page 8).
- Run the cables for the control panel and the temperature sensor through the cable grommets (3). Connect the control panel cable (4) to one of the four RS485 contacts (positions 5-8 Pure, 6-9 Elite) (see Figure 10) according to the wiring diagram (see the Connection/wiring diagram section, Fig18 page 8).
- Connect the humidity- and temperature sensors cable (6) to one of the four RS485 contacts (positions 5-8 Pure, 6-9 Elite) (5) according to the wiring diagram (see the Connection/wiring diagram section, Fig. 18 page 8).

1. Electrical cable
2. Terminal for connection of electrical cable
3. Cable grommet (x6)
4. Control panel cable
5. Modular contacts for connection of control panel, sensor etc.
6. Sensor cable7. Light cable (if connected)
8. Terminal for connection of light (if connected)
9. Strain relief connector for cables to modular contacts (x2)
10. Strain relief connector for electrical cable
11. Protection hose for RJ10 cables - Connect the light cable (if used) (7), see Figure 10, to the terminal (8) according to the wiring diagram Figure 18.
- Close the cover and tighten the screws (see Figure 9).
NB: If all the screws on the back are unscrewed simultaneously, the back plate may come loose. For this reason, attach the four brackets to the heater one at a time. - Unscrew the first two screws on the back of the heater and screw one of the four brackets into place. Repeat the procedure until all of the brackets are fitted see Fig. 11.

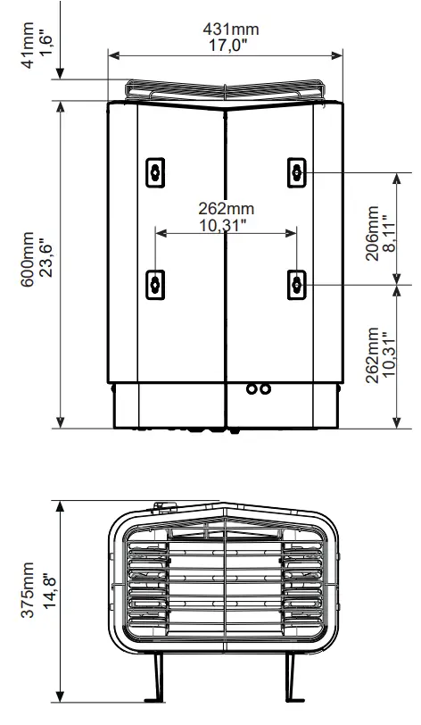
- Position the bracket screws according to the specifi ed dimensioning see Fig. 12.
1. 10.31 in
2. 6 in
3. 16.3 in
4. 8.11 in - Fit herb bowl/air humidifier (see Fig. 13).

- Hang the heater on the screws see Fig. 14.

- Lock the heater into place with the lock screw see Fig. 15.

- Install the sensor on the wall see Fig 16. The thermistor wire may also be passed through the wall. Seal any holes in the wall behind the sensor, see Figure 17. The thermistor wire may be extended outside the sauna using low voltage wire (2-lead).

Unusual voltages/numbers of phases
Contact Tylor Customer Service before connecting to voltages or numbers of phases that are not listed in the wiring diagram Figure 18.
External ON/OFF switch (option)
The external ON/OFF switch can be positioned anywhere outside the sauna, not to exceed 75 feet from the heater, to avoid voltage loss in the cable. Voltage loss affects the LED indicator for heater status (if built-in and connected to the switch).
For further information, see instructions supplied with the control panel.
CONNECTION/WIRING DIAGRAM
| TAB | 208 V 1 Phase | 240 V 1 Phase | ||||
| Model | Amperage Amps | Output kW | Wire Size AWG | Amperage Amps | Output kW | Wire Size AWG |
| Sense U 7 Pure/Elite | 26 | 5,3 | 10 | 30 | 7,0 | 8 |
| Sense U 8 Pure/Elite | 30 | 6,3 | 8 | 35 | 8,3 | 8 |
Note: Heating elements do not change for voltage changes. The heater output will changed based on the voltage applied to heater.
| 1A. NTC Sensor 2A. Ext switch (External switch optional) 3A. N/A 4A. N/A 5A. N/A 6A. N/A 7A. N/A 8A. N/A 9A. Controls Elite | 1B. NTC Sensor 2B. Ext switch (External switch optional) 3B. N/A 4B. N/A 5B. N/A 6B. N/A 7B. N/A 8B. Controls Pure | 10. Heater 11. Terminal for connection of electrical cable 12. Control panel (Elite – connect to positions 9A) (Pure – connect to positions 8B) 13. Light/terminal for connection of light 14. Door contact (option) 15. External switch (option) |
Description of cabling/modular contacts
Table 3: Connecting components in modular contacts (maximum cable area for RJ10: 0.90 mm/0.20 mm², AWG24)
| Connection of | Pops | Pin | Comment |
| Temp. sensor (10kohm) | 1 A/B | 2-3 | Must be NTC model. |
| External switch with no wire indicator | 2 A/B | 3-4 | Both constant or impulse deactivation works. |
| External switch with wire indication | 2 A/B | 2-3-4 | 12VDC (max. 40mA). |
NOTE! Crimp pliers are needed if changing modular cabling, e.g. shortening wires.
SELF-INSPECTION OF THE INSTALLATION
To check the installation:
- Turn power on at the Circuit Breaker Box.
- Check that the control panel lights up.
- Start the heater (see User Guide).
- Check that all three tubular elements start to heat up (go red).
Please keep these instructions!.
In the event of problems, please contact the retailer where you purchased the equipment.
© This publication many not be reproduced, in part or in whole, without the written permission of Tylor. Tylor reserves the right to make changes to materials, construction and design.
DIMENSIONS

USER GUIDE
GENERAL INFORMATION
Congratulations on your new sauna heater! Follow this user guide to get the most from your purchase.
Wet and dry saunas are forms of bathing which originate way back in history. A hot sauna is best enjoyed at temperatures between 145-190°F.
PRIOR TO USE
The first time you use the heater Fill the stone compartment
NB: Always use dolerite stones (Tylor Sauna Stones)!
“Ordinary” stones may damage the heater.
Do not use ceramic stones. Ceramic stones may damage the heater. The heater guarantee does not cover damage caused by ceramic stones.
Fill the stone compartment around the heating elements from the bottom to the top, to approx. 2” above the top front edge. Do not press the stones into place. Capacity: Approx. 35 lb of stones.
Place the stones loosely to allow optimum air circulation. The tubular heating elements must not be squeezed together or against the side.
Sauna stones must:
- tolerate extreme heat and fluctuations caused by water being poured on them.
- be cleaned before use.
- must have an uneven surface, so that the water “clings” to the stone surface and evaporates efficiently.
- be between 1-1/2” to 2” in size to allow air circulation in the stone compartment. This will increase the life of the tubular elements.
NB: Never place stones on top of the side air chambers. This way will obstruct air circulation, causing the unit to overheat and the cut-out switch to activate.
- Stone compartment
- Side chambers
Turn on the heater to remove any new paint odors
To remove “new paint odor” from the heater:
Heat the sauna heater for about one hour. The water reservoir does not need to be working.
A little smoke may appear.
Default settings
Using the control panel for the first time:
See instructions supplied with the control panel.
Prior to each use
Check the following
Check that:
- there are no foreign objects in the sauna cabin, on or in the
heater. - the door and any windows to the sauna cabin are closed.
- that the sauna door opens outwards with a little pressure.
NB:
DANGER! Fragrant essences and similar products may ignite, if poured directly onto the stones.
NOTE! Do not use the sauna cabin for any purpose other than taking saunas.
Turn on the main power switch
The main power switch is at the bottom of the heater.
Switch it on, if it is not already switched on (see Figure 2).
- Main power switch
USE
The control panel in general
See instructions supplied with the control panel.
Fragrance holder
DANGER! Fragrant essences etc. may ignite if poured directly onto the stones.
To create a pleasant fragrance in the sauna, pour a few drops of Tylor Sauna Fragrance into the water in the fragrance holder.
You can also mix a few drops of the sauna fragrance with water in a sauna bucket and pour the water on fully heated stones. Use a sauna ladle for pouring water on the hot stones.
Tylor Sauna Fragrance comes in different variants and fragrances.
Go to www.tylo.com to see the full range.
- Fragrance holder
- Air humidifier
Air humidifier
DANGER! Do not pour water into the fragrance holder once it has been heated up, as this can cause boiling water to splash on the sauna occupants. Do not stand or sit in front of the heater while water is being poured into the fragrance holder, as hot water can spray out suddenly.
To maintain a comfortable basic level of humidity in the sauna, fill the built-in air humidifier (see Fig. 3) with water before switching on the sauna.
Tip: Pour a few drops of diluted sauna fragrance into the built-in air humidifier.
AFTER USE
Switch off the main power switch.
The main power switch is at the bottom of the heater.
Switch off here when the heater is not to be used for an extended period (e.g. several weeks).
MAINTENANCE
Cleaning the fragrance holder and air humidifier
Clean the fragrance holder and air humidifier as required.
To clean the fragrance holder and air humidifier:
Remove the fragrance holder/air humidifier and rinse them underrunning water.
Check the stone compartment
Check the stone compartment at least once annually or as many times per year as the heater is used per week.
Example: If the unit is used 3 times a week, check the stone compartment 3 times per year.
WARNING! If the stone compartment fills up with gravel and small stones, the tubular element can be damaged as a result of overheating, as air flow will be insufficient.
How to check the stone compartment:
- Remove all stones from the compartment.
- Remove any small stones, gravel and limescale from the compartment.
- Put whole, undamaged stones back. Replace damaged stones with new ones as required (see Filling the stone compartment, page 5).
EXTERNAL ON/OFF SWITCH (OPTION)
External ON/OFF switch can be installed anywhere outside the sauna. The switch is momentary pulse or constant activation. The heater circuit automatically recognises which is used. Heater status and faults on the door contact can be seen if the switch has a built-in LED.
See instructions supplied with the control panel.
TROUBLESHOOTING
Temperature Safety Switches
The heater’s temperature protection devices:
- PCA – The temperature safety on the PCA in the heater is designed to prevent components being damaged by overheating. If the safety switch is triggered, an error code shows on the control panel display.
If the overheating switch has activated, the heater cannot be started again until the temperature has dropped down 68 degrees (ºF) on the PCA. - Heater – The temperature cut-out in the heater protects the components and woodwork in the sauna from overheating. There is a white reset button on the left side of the heater which must be pressed in (see Fig. 9). If the heater safety switch has activated, the button will feel stiff and will ‘click’ when reset.
Information!
When the overheating safety switches activate, always check the cause of the problem. The life of the elements and PCA can be adversely effected by each overheating. If systems continues to overheat look at the following: Ventilation deficient? Room volume? Internal heater fault?
1. Temperature cut-out sauna heater
Troubleshooting the control panel
See instructions supplied with the control panel.
Troubleshooting the sauna heater
Information!
Contact the dealer during the guarantee period in the event of faults.
See the instructions for the control panel for details of faults not covered in this user guide.
Table 1: Troubleshooting the sauna heater
| Symptom | Possible cause | Remedy |
| Heater element in heater stone compartment does not warm up. | 1. Temperature settings on control panel do not cor- respond to operating status? 2. Water reservoir in operation? Only two of the three heater elements in the stone compartment can operate at the same time as the tank, otherwise excessive current is drawn from the electricity supply. This is not a fault outside nor- mal operation. 3. Some of the heater fuses on the main switch- board can have tripped out? 4. Resistor coil in the heater element faulty? 5. Internal heater PCB fault? | 1. Set temperature to correspond to heater element operation in stone compartment. 2. See the instructions supplied with the control panel. 3. Check and replace/reset the fuses in the main switchboard. 4. An authorised electrician is required to find the fault. 5. An authorised electrician is required to find the fault. |
| Lights in the sauna do not come on when switched on at the control panel. | 1. Is lighting connected via the heater? 2.Internal heater PCB fault? | 1.Verify with authorized electrician who performed installation of heater/lighting. 2. An authorized electrician is required to find the fault. |
| Heater does not work, control panel does not light up. | 1. The main power switch is off? 2. Circuit breaker tripped on main electrical panel. 3. Loose contact in cabling between heater and control panel? 4. The specific 12VDC output on one of the PCB’s RS485 modular jack to the control panel is faulty due to short-circuit? 5.Transformer on PCB in heater faulty? 6. Control panel faulty? | 1. Turn heater main power switch. 2. Check and replace/reset the fuses in the main switchboard. 3. Switch off heater main power switch and connect each/paired cable to the control panel. Switch on heater main power switch again. If this does not help, an authorized electrician is required to find the fault. 4. Requires an authorized electrician to find the fault, faulty 12VDC output is indicated by LED out next to the RS485 output. Note: if the fault is in the RJ10 cable to the control panel, do not click into a working vacant RS485 outlet to avoid causing a fault in that outlet. RJ10 cable must be replaced/ contacts fitted in the event of a fault. 5. An authorized electrician is required to find the fault. 6. An authorized electrician is required to find the fault. |
| The fuses or circuit breaker in the building breaker panel trips as soon as the heater is turned on. | 1. There is a short-circuit at the heater GND. Can be due to a faulty heater element? 2. Lighting connected to and controlled via the heater faulty? 3. The heater has not been used for a long period, causing an insulation fault in the heater element? 4. Heater has had too much water poured on it? 5. Other internal heater fault? | 1,2,3,4,5. Do not use the heater, switch off at main heater main switchboard trip and disconnect heat- er fuses on the main switchboard. An authorized electrician is required to find the fault. |
SPARE PARTS LIST

1. U8 Pure/Elite Tubular Elements 3001-924
U7 Pure/Elite Tubular element 3001-920
2. Stone compartment n/a
3. Circuit board Elite 9600 0068
Circuit board Pure 9600 0067
4. Terminal block 9600 0723
5. Sauna heater temperature safety switch 316. Strain relief connector 9600 0554
7. On/Off Switch 9600 0040
8. On/off dial 9600 0132
9. Rock Guard 8019-541
10. NTC Sensor 9600 0219
ROHS (RESTRICTION OF HAZARDOUS SUBSTANCES)
Instructions for environmental protection:
Do not dispose of this product with the domestic refuse when no longer in use. Take it to a recycling station for electrical and electronic equipment instead.
For further information, see the symbol on the product, manual or packaging.
![]()
Figure 8: Symbol
The diff erent materials can be recycled as specifi ed by their labelling.
You can help protect the environment by recycling or reusing the spent appliances or the materials in them. Take the product to a recycling centre without the sauna stones or the soapstone jacket (if fitted).
Contact your local authorities for details of your nearest recycling centre.
HEATER WIRING DIAGRAM

Please keep these instructions!.
In the event of problems, please contact the retailer where you purchased the equipment.
© This publication many not be reproduced, in part or in whole, without
the written permission of Tylor. Tylor reserves the right to make changes to
materials, construction and design.
2900 5282
2018-09-12





1. 10.31 in



















