TYLO SENSE COMBI Pure-Elite Electric Sauna Heater

WARNING!
- Poor ventilation or heater positioning may lead to dry distillation, posing a fire risk under certain circumstances!
- Insufficient insulation of the sauna cabin may pose a fire risk!
- Use of the wrong materials in the sauna cabin, such as particle board, drywall, etc., may pose a fire risk!
- The heater must be connected by a qualified electrician pursuant to applicable regulations!
- No more than one heater may be installed in the same sauna cabin.
- The air exhaust vent must not lead outdoors. This could cause the ventilation direction to be reversed, which may negatively affect the heater temperature cut-out.
- Any gap above the sauna ceiling should not be sealed without leaving at least one vent hole on the same wall as the sauna door!
- Always check that the heater is connected to the correct main/phase voltage!
- Anyone with a mental or physical disability or little experience or knowledge of how to use the equipment (e.g. children) must be instructed or supervised by someone responsible for their safety.
- Touching the upper parts of the heater may cause burn injuries. Tylö recommends always using the heater screen.
- Never allow children to play near the heater!
- Saunas are not recommended for people in poor health. Please consult a doctor.
- Fragrant essences and similar products may ignite if poured directly onto the stones.
- Covering the heater may cause a fire.
- Never put fragrances in the herb bowl or water reservoir.
- Fragrant essences etc. may ignite if poured directly onto the stones.
- Do not confuse the instructions for the air humidifier with those for the water reservoir.
- Do not pour water into the fragrance holder once it has been heated up, as this can cause boiling water to splash on the sauna occupants. Do not stand or sit in front of the heater while water is being poured into the fragrance holder, as hot water can spray out suddenly.
- If the stone compartment fills up with gravel and small stones, the tubular element can be damaged as a result of overheating, as the airflow will be insufficient.
- The sauna room or cabin is to be inspected before either restarting the timer or switching on the appliance by a separate remote-control system
- The sauna room or cabin is to be inspected before setting the appliance to a standby mode for a delayed start
- Thermostat sensors have to be installed so that they are not influenced by incoming air
- The door of the sauna room or cabin is fitted with an interlock such that the standby mode setting for remote operation is disabled if the sauna door or cabin door is opened when the standby mode setting for remote operation is set
- Means for full pole disconnection must be incorporated in the fixed wiring in accordance with the wiring rules
- This appliance can be used by children aged 8 years and above and persons with reduced physical, sensory or mental capabilities or lack of experience and knowledge if they have been given supervision or instruction concerning the use of the appliance in a safe way and understanding the hazards involved
- Children shall not play with the appliance
- Cleaning and user maintenance shall not be made by children without supervision
PRIOR TO INSTALLATION
Parts
Check that the following parts are included in the packaging:

Figure 1: Sauna heater/control panel parts
- Sauna heater
- Herb bowl/air humidifier
- Herb bowl
- Brackets
- Warning sticker in ten languages
- Sauna fragrance x 1
- Connectors x 3
- Spacers x 4
- Screws x 4
- Bracket screws x 2
- Temp. sensor (Combi Pure)
- Screw B4x6,5 (x 1 Combi Pure, x 2 Combi Elite)
- Sensor cover (Combi Pure)
- Clips TC (3-5) x 10 pieces
- Plastic plugs 25×5 x 2 pcs
- Screws B6x25 x 2 pcs
- Humidity- and temperature sensor (Combi Elite)
- The cable between the heater and humidity- and temperature sensor, RJ10 4P4C, cable length 4 m x 1 pcs (Combi Elite)
- Control panel (Elite or Pure)
- The cable between heater and control panel, RJ10 4P4C, cable length 5 m x 1 pcs
- Cable tie
- Clips C3x5 x 10 pieces
- Modular plug 4, 4/4RJ10 x 2
- Plastic plugs 25×5 x 3 pcs
- Screws B6x25 x 3 pcs
- Protection hose Ø14×150 mm x 3 pcs, for RJ10 cables (sensor, control panel, door switch)
- Door contact (Combi Elite)
Contact your dealer if anything is missing. Control panel Pure is supplied with Sense Combi Pure. Control panel Elite is supplied with Sense Combi Elite. See separate guides
Installation requirements
To ensure safe use of the heater, check that the following criteria are met:
- Cable (EKK) or electrical ducting (Fk) for connecting the heater must be run on the outside of the heat insulation.
- The cables must be run correctly (see the Connection/wiring diagram section, Figure 17).
- The fuse size (A) and the power cable size (mm²) must be
suitable for the heater (see the Connection/wiring diagram section, Figure 17). - The sauna ventilation must comply with the instructions in this manual (see the Air intake valve positioning section, page 13, the Air exhaust valve positioning section, page 13).
- The position of the sauna heater, control panel, and sensors must comply with the instructions in this manual.
- The heater’s output (kW) must be adapted to the sauna’s volume (m³) (see Table 1). The minimum and maximum volumes must not be exceeded.
NOTE! A brick wall without heat insulation increases the warm-up time. Each square meter of plastered ceiling or wall surface equals an additional 1.2–2 m³ of sauna volume.
Table 1: Output and sauna volume
| Output kW | Sauna volume min./max. m³ |
| 6,6 | 4-8 |
| 8 | 6-12 |
| 10,5 | 10-18 |
DANGER!
- Poor ventilation or heater positioning may lead to dry distillation, posing a fire risk under certain circumstances!
- Insufficient insulation of the sauna cabin may pose a fire risk!
- Use of the wrong materials in the sauna cabin, such as particle board, drywall, etc., may pose a fire risk!
- The heater must be connected by a qualified electrician pursuant to applicable regulations!
Installation tools
The following tools and materials are needed for installation and connection:
- water level,
- adjustable spanner,
- electric drill,
- screwdrivers.
Installation planning
- Before starting to install your sauna heater:
- Plan the sauna heater positioning (see the Heater positioning normal installation section, page 12).
- Plan the control panel positioning (see the attached instructions for the control panel for allowable positioning). See also the Control Panel section on page 13.
- Plan the sensor positioning (see Figure 3 and Figure 5).
- Position the air intake vent (see the Air intake vent positioning section, page 13).
- Position the air exhaust vent (see the Air exhaust vent positioning section, page 13).
- Plan the electrical installation (see the Connection/wiring diagram section, Figure 17)

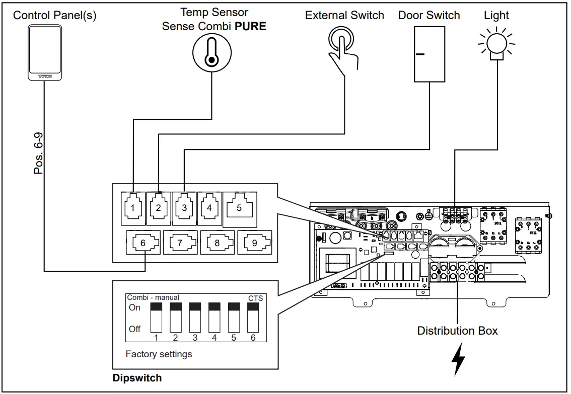
Figure 2: Schematic diagram of the installation
- Sauna heater
- Control panel
- Sensor
- External on/off switch (option, door contact needed for function)
- Door contact (option Combi Pure)
Positioning the heater – normal installation
DANGER! No more than one heater may be installed in the same sauna cabin
Position the sauna heater:
- on the same wall as the door (or the side wall if very close to the door wall). The heater may also be placed in a recess (see Figure 5).
- Position the heater at a safe distance from the floor, side walls, and interior fittings (see Figure 3).
Position the sensor according to the picture (see Figure 3).

Figure 3: Positioning the heater – normal installation
- Minimum distance from side wall: 110 mm
- Sensor position alt 1: 300 mm from the heater
- Sensor
- Sensor position alt 2: 300 mm from heater front
- Sensor position: 150 mm from ceiling
- Minimum distance from ceiling: 1030 mm
- Minimum distance from interior fittings: 100 mm
- Minimum ceiling height: 1900 mm
- Minimum distance: 20 mm
- Minimum distance from interior fittings: 30 mm
- Distance from floor: 100-270 mm (with legs: 100 mm)
If the wall on which the sensor is to be installed is made of highly heat-absorbing material (e.g. concrete, brick, etc.), or of hardened glass, the sensor may be installed in the ceiling at a distance from the heater, according to Figure 4.

Figure 4: Sensor installation on the ceiling on the centreline of the heater as seen from the front and side
- 300 mm
Positioning the heater – recess installation
To position the sauna heater in a recess:
- Position the heater at a safe distance from the floor, side walls, and interior fittings (see Figure 5).
- Position the sensor according to the picture (see Figure 5).

Figure 5: Positioning the heater – recess installation
- Minimum distance from side wall: 110 mm
- Sensor position alt 1: 300 mm from the heater
- Sensor
- Max. 1000 mm
- Sensor position alt 2: 300 mm from heater front
- Sensor position: 150 mm from ceiling
- Minimum distance from ceiling: 1030 mm
- Minimum distance from interior fittings: 100 mm
- Minimum ceiling height: 1900 mm
- Minimum distance: 20 mm
- Minimum distance from interior fittings: 30 mm
- Distance from floor: 100-270 mm (with legs: 100 mm)
Placement of the control panel
Where possible, placement of the control panel outside the sauna room is recommended due to lower ambient temperatures. The control panel may be placed inside a Tylö sauna room or a self-built sauna room with correct ventilation which operates according to Tylö-recommended ventilation (natural ventilation principle). Read the sections titled, Positioning the intake vent and Positioning the outlet vent in these instructions. The control panel must always be placed outside the sauna cabin if these requirements are not met. If installing the control panel inside the sauna cabin, it should be positioned with regard to safety distances and installation height, see Fig 6.
WARNING! With incorrect ventilation, a control panel fitted inside the sauna cabin may be exposed to excessive temperatures, which can cause the control panel to become deformed or defective. The ambient temperature around the control panel should never exceed 80°C

Figure 6: Safety distance/installation height, control panel
- Heater
- Control panel
- Max. 800 mm
- Min. 300 mm
Positioning the inlet vent
Install the inlet vent straight through the wall under the centreline of the heater. Vent size for a family sauna approx. 125 cm². The air circulation from the door must concord with the hot air circulation from the heater.

Figure 7: Positioning the air intake and exhaust vents
- Inlet vent position.
- Outlet vent position through the sauna wall.
- Outlet vent position through the cavity.
- Outlet vent position via a duct.
Positioning the outlet vent
DANGER!
- The air exhaust vent must not lead outdoors. This could cause the ventilation direction to be reversed, which may negatively affect the heater temperature cut-out.
- Any gap above the sauna ceiling should not be sealed without leaving at least one vent hole on the same wall as the sauna door!
Position the outlet vent
- at the maximum possible distance from the air intake vent, e.g. diagonally (see Figure 7).
- high on the wall or in the ceiling (see Figure 7).
- so that it vents into the space that the door and air intake vent open into.
The outlet vent must have the same area as the inlet vent. Ensure that the outlet vent is open. Mechanical ventilation is not recommended due to the risk of poor air exchange, which can negatively affect the heater temperature cut-out.
INSTALLATION
Sauna heater installation
Attach the bracket and spacers to the wall following the specified dimensioning (see Figure 8).

Figure 8: Bracket with screws and spacers
- 760 mm
- 280 mm
- 185 mm
- 230 mm (minimum distance)
It is easiest to prepare for installation with the heater lying down. To install the heater:
- Remove the cover to the water reservoir and lay the heater down with the front-facing upwards. Install the knob (see Figure 9).
- Undo the screws and open the cover (see Figure 9).

Figure 9: Opening/closing the cover
WARNING! Always check that the heater is connected to the correct main/phase voltage
Connect the heater using standard wiring (Fk or EKK) approved for fixed installation. Any single wires (Fk) must be protected in electrical conduits (VP) to the heater.
- Connect the electrical cable (see Figure 10) according to the wiring diagram (see Figure 17).

Figure 10: Circuit board
- Electrical cable
- Terminal for connection of electrical cable
- Cable grommet (x5)
- Control panel cable
- Modular contacts for connection of control panel, sensor, etc.
- Sensor cable
- Light cable (if relevant)
- Terminal for connection of light (if relevant)
- Strain relief connector for cables to modular contacts (x2)
- Strain relief connector for electrical cable
- Protection hose for RJ10 cables
- Run the cables for the control panel and the temperature sensor through the cable grommets (see Figure 10). Connect the control panel cable to one of the four RS485 contacts (positions 6-9) (see Figure 19, 20).
- Combi Pure: Connect the sensor cable to the NTC contact on the circuit board (position 1) (see Figure 20). Combi Elite: Connect the humidity- and temperature sensors cable to one of the four RS485 contacts (positions 6-9) (see Figure 19).
- Connect the light cable (if relevant) (7), see Figure 10, according to the wiring diagram Figure 17.
- Close the cover and tighten the screws (see Figure 9).
- Hang the heater on the bracket (see Figure 11).

Figure 11: Hang the heater up.
Fit the spacers between the heater and the wall (to prevent the heater from being lifted off ) (see Figure 12).

Fig 12: Fit spacers
- Fit the cover for the water reservoir, herb grille, and fragrance holder/air humidifier (see Figure 13).

- Install the sensor on the wall see Fig 14 and 15. The thermistor wire may also be passed through the wall see Fig 16A and 16B. Seal any holes in the wall behind the sensor. The thermistor wire may be extended outside the sauna using low voltage wire (2-, 4-lead).

Figure 14: Installing the sensor – Combi Pure

Fig 15: Installing the humidity- and temperature sensor – Combi Elite. The cable inside the sauna must be heat resistant. Connect the sensor cable (see Figure 18).

Figure 16A: Wiring through the wall. The example shows the sensor for Combi Pure.

Fig 16B: Wiring through the wall. The example shows the sensor for Combi Elite. Connect the sensor cable (see Figure 18).
Unusual voltages/numbers of phases
Contact Tylö Customer Service before connecting to voltages or numbers of phases that are not listed in the wiring diagram Figure 17.
External ON/OFF switch (option)
External ON/OFF switch can be installed anywhere outside the sauna. The switch works for impulse or constant deactivation. The heater circuit automatically recognizes which is used. Heater status and faults on the door contact can be seen if the switch has a built-in LED. See instructions supplied with the external switch.
Door contact (option Combi Pure)
The door contact is necessary to be able to use the Pure panel’s preselected time or the Elite panel’s calendar function, plus remote control the sauna via an external switch, mobile, or PC apps. See instructions supplied with the door contact.
CONNECTION/WIRING DIAGRAM
| TAB | 400-415 V 3N~ (C) | 200-208 V 3~ (B) | 230 V 3~ (B) | 200-208 V~ (A) * | 230-240 V~ (A) * | |||||
| Output kW | Amperage amp | Conductor area mm² | Amperage amp | Conductor area mm² | Amperage amp | Conductor area mm² | Amperage amp | Conductor area mm² | Amperage amp | Conductor area mm² |
| 6,6 | 10 | 1,5 | 19 | 4 | 17 | 4 | 33 | 10 | 29 | 10 |
| 8 | 12 | 2,5 | 23 | 6 | 20 | 4 | 40 | 16 | 35 | 10 |
| 10,5 | 16 | 2,5 | 32 | 10 | 28 | 10 | – | – | – | – |
10,5 kW is not approved for single phase in Europe

Figure 17: Wiring diagram
- Heater
- Temp.sensor – Combi Pure
- Humidity- and temperature sensor – Combi Elite
- Control panel
- External switch (option)
- Door contact (option Combi Pure)
- Light/terminal for connection of light
- Terminal for connection of electrical cable

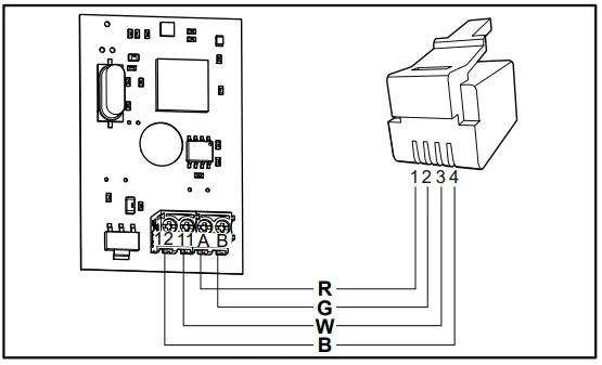
Fig 18: Connecting the humidity- and temperature sensor – Combi Elite
R=Red, G=Green, W=White, B=Black

Figure 19. Schematic diagram of installation Sense Combi Elite

Figure 20. Schematic diagram of installation Sense Combi Pure
Description of cabling/modular contacts

Figure 21. Modular plug/modular contactor, relay board “high” and multithreaded lead
- Modular plug RJ10, used with cable (max. cable cross-section for connection of modular plug: 0.14-0.20 mm² / AWG26-AWG24)
- Modular jack RJ10, connected to relay board and control panel
- Relay board “high” (Pos. 6-9 white connectors)
- The cable/lead connected to the modular plug must be multithreaded
| Pos | Unit | Use pin | Comment | Pin1 | Pin 2 | Pin 3 | Pin 4 | |
| 1 – NTC | Temp. the sensor in the room | 2, 3 | 10kΩ. May also be connected at Pos 4 – SEC/ NTC. | Not use | 10kΩ | 10kΩ | Not use | |
|
2 – EXT SWITCH | External switch | 3, 4 | Start/stop operation. Constant or impulse deactivation. | Not use | Not use | Switch | Switch | |
| External switch with LED indication | 2, 3, 4 | Start/stop operation. 12VDC max. 40mA. Tylö Item no.: 90908048 | Not use | Led GND | Switch | Switch / Led 12V | ||
| 3 – DOOR SWITCH | Door contact (NO) | 3, 4 | Tylö Item no.: 90908035 | Not use | Not use | Switch | Switch | |
| Door contact (NO) with an external alarm indication | 2, 3, 4 | 12VDC max. 40mA. External junction box, not for sale. | Not use | Led GND | Switch | Switch / Led 12V | ||
|
4 – SEC/NTC | Combined temperature sensor/cut-out in the room | Temp. sensor 10kΩ | 2, 3 | Only used for certain products. |
Sec |
10kΩ |
10kΩ |
Sec |
| Temperatu- re cut-out 130°C | 1, 4 | |||||||
| Adapter for activation of operating status | 1, 4 | Steam Commercial | Sec | Not use | Not use | Sec | ||
| 5 – ADD-ON | Extra relay board | 1, 2, 3, 4, 5, 6, 7, 8 | Note: Not for network connection. | |||||
|
6-9 – RS485 | Control panels | 1, 2, 3, 4 | Tylö Elite and Pure con- trol panels. | A (RS485) | B (RS485) | 12V | GND | |
| Temp./Humidity sensor % | 1, 2, 3, 4 | Combi heater with Elite control panel and Tyla- rium. | A (RS485) | B (RS485) | 12V | GND | ||
| Synchronisation cable A/B | 1, 2 | Multistream and Tylarium. Primary and secondary units. | A (RS485) | B (RS485) | Not use | Not use | ||
Table 3: Description of relay board connections
NOTE! Crimp pliers are needed if changing modular cabling, e.g. shortening wires
SELF-INSPECTION OF THE INSTALLATION
To check the installation:
- Switch on the main supply to the heater from the distribution board.
- Check that the control panel lights up.
- Start the heater (see User Guide).
- Check that all three tubular elements start to heat up (go red).
Please keep these instructions!.
In the event of problems, please contact the retailer where you purchased the equipment. © This publication may not be reproduced, in part or in whole, without the written permission of Tylö. Tylö reserves the right to make changes to materials, construction, and design.
















