SEALEY IWMH1809R 1800W High Efficiency Carbon Fiber Infrared Wall Heater

1800W HIGH EFFICIENCY CARBON FIBRE INFRARED WALL HEATER MODEL NO: IWMH1809R
Thank you for purchasing a Sealey product. Manufactured to a high standard, this product will, if used according to these instructions, and properly maintained, give you years of trouble free performance.
| IMPORTANT: PLEASE READ THESE INSTRUCTIONS CAREFULLY. NOTE THE SAFE OPERATIONAL REQUIREMENTS, WARNINGS & CAUTIONS. USE THE PRODUCT CORRECTLY AND WITH CARE FOR THE PURPOSE FOR WHICH IT IS INTENDED. FAILURE TO DO SO MAY CAUSE DAMAGE AND/OR PERSONAL INJURY AND WILL INVALIDATE THE WARRANTY. KEEP THESE INSTRUCTIONS SAFE FOR FUTURE USE. |
SYMBOLS
Refer to instruction manual
Electric shock hazard
Warning: Hot surface
DO NOT cover
SAFETY
Suitable for outdoor use only (IP65 Rated)
ELECTRICAL SAFETY
WARNING! It is the user’s responsibility to check the following:
Check all electrical equipment and appliances to ensure that they are safe before using. Inspect power supply leads, plugs and all electrical connections for wear and damage. Sealey recommend that an RCD (Residual Current Device) is used with all electrical products. You may obtain an RCD by contacting your local Sealey stockist.
If the heater is used in the course of business duties, it must be maintained in a safe condition and routinely PAT (Portable Appliance Test) tested.
Electrical safety information, it is important that the following information is read and understood.
- Ensure that the insulation on all cables and on the appliance is safe before connecting it to the power supply.
- Regularly inspect power supply cables and plugs for wear or damage and check all connections to ensure that they are secure.
- IMPORTANT: Ensure that the voltage rating on the appliance suits the power supply to be used and that the plug is fitted with the correct fuse – see fuse rating in these instructions.
DO NOT pull or carry the appliance by the power cable.
DO NOT pull the plug from the socket by the cable.
DO NOT use worn or damaged cables, plugs or connectors. Ensure that any faulty item is repaired or replaced immediately by a qualified electrician. - This product is fitted with a BS1363/A 3 pin plug.
If the cable or plug is damaged during use, switch the electricity supply and remove from use.
Ensure that repairs are carried out by a qualified electrician.
Replace a damaged plug with a BS1363/A 3 pin plug. If in doubt contact a qualified electrician.
a) Connect the GREEN/YELLOW earth wire to the earth terminal ‘E’.
b) Connect the BROWN live wire to the live terminal ‘L’.
c) Connect the BLUE neutral wire to the neutral terminal ‘N’.
Ensure that the cable outer sheath extends inside the cable restraint and that the restraint is tight.
Sealey recommend that repairs are carried out by a qualified electrician.
GENERAL SAFETY
‰ WARNING! Ensure the heater is at least 1m from any object, 30cm from the ceiling and 1.8m from floor level.
✓ Familiarise yourself with the applications and limitations of the heater.
✓ Ensure the heater is in good order and condition before use. If in any doubt do not use the unit and contact your Sealey stockist.
✓ Only use recommended attachments and parts. Using unauthorised parts maybe dangerous and will invalidate your warranty.
✓ Check that element guards are in place, undamaged and firmly attached.
✓ Keep tools and other items away from the heater when it is in use.
✓ Keep the work area clean and clear of unnecessary items.
✓ Keep children and unauthorised persons away from the heater, as it gets very hot.
✓ Disconnect from mains and allow to cool before moving or attempting any cleaning or maintenance.
DO NOT use this heater with timers or other devices which switch the heater on automatically.
DO NOT get the heater wet or use in damp or wet locations or areas where there is condensation.
DO NOT locate the heater below the power outlet.
DO NOT move the heater whilst in operation or even when still warm.
DO NOT locate the heater in an area where there are flammable gases, dust etc.
DO NOT dismantle the heater for any reason. The heater must be checked by qualified personnel only.
DO NOT use the heater to perform a task for which it has not been designed.
‰ WARNING! If a fuse blows, ensure it is replaced with an identical fuse type and rating.
✓ When not in use, store the heater carefully in a safe, dry, childproof location.
‰ WARNING! Never touch the element glass directly with fingers. Use a soft cloth, otherwise the tube may get damaged.
‰ WARNING! Two dark points may exist on the surface of the heating element, or the surface of the heating element may turn white during the first few minutes of operation. This is normal and will not affect the performance of the heater.
‰ WARNING! The warnings, cautions and instructions in this manual cannot cover all possible conditions and situations that may occur. It must be understood by the operator that common sense and caution are factors which cannot be built into this product, but must be applied by the operator. Children of less than 3 years should be kept away from the heater unless constantly supervised. Note: Children aged from 3 years and less than 8 years shall only switch on/off the heater provided that it has been placed or installed in its intended normal operating position and they have been given supervision or instruction concerning the use of the appliance in a safe way and understand the hazards involved. Children aged from 3 years and less than 8 years shall not plug in, regulate and clean the appliance or perform user maintenance.
INTRODUCTION
A totally dry heat, no condensation, no gas, no fumes and no smell. Reaches maximum heat output within seconds of being turned on. Highly polished aluminium reflector for maximum heat efficiency. Adjusts horizontally through 25° while mounted. Controlled by push-on/off switch or remote control. Ideal for industrial or domestic applications. Suitable for outdoor use only (IP65 Rated). Optional floor stand available Model No. IHS1
SPECIFICATION
Model no:………………………………………………….IWMH1809R
Power:……………………………………………………………….1800W
Supply:…………………………………………………………..230V-13A
Dimensions (W x D x H):…………………….650 x 200 x 240mm
CONTENTS
| Item No | Description | Qty |
| 1 | Control Box | 1 |
| 2 | Wall Bracket | 1 |
| 3 | Self Tapping Screw ST4 X 30 | 4 |
| 4 | Plastic Wall Plug | 4 |
| 5 | Thumb Screw M6 X 12 | 1 |
| 6 | Remote Controller | 1 |
INSTALLATION


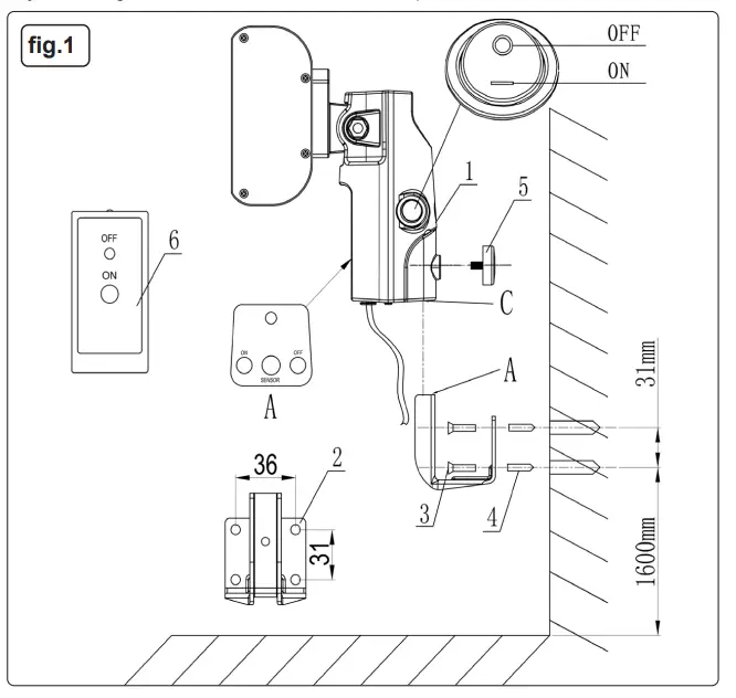
WALL MOUNTING (fig.1)
▲ IMPORTANT! The heater should always have a minimum clearance of 300mm from a ceiling and at least 1000mm from any object.
- Ensure that the mounting surface is capable of supporting the weight of the heater.
- Using the wall bracket (2) as a template, drill the wall and insert suitable wall fixings (4). NOTE: Minimum height for lower fixing screws 1600mm.
- Secure the metal bracket to the wall using screws (3).
- Register vertically the heater assembly (1) on to the wall bracket (2) and clamp when in position using the thumb screw (5).
- Adjust the angle of heater to direct heat where required.
OPERATION
‰ WARNING! Ensure you read, understand and apply the safety instructions in Section 1 before using the heater.
- Ensure the heater is at least 1000mm from any object. The heater can be tilted from 0° to 25°, set it to the required angle before switching the heater on.
- Plug in the heater and switch it on using the ON/OFF Heat button on the base of the heater, a blue indicator light will flash indicating that the unit is in stand by mode. Press either the ON/OFF button on the control panel or on the remote to turn the heater on, the blue indicator light will be on.
- When the heater is no longer required, switch off using the appropriate ON/OFF button(s) on the base and unplug the unit.
NOTE: When switching off using the remote, the heater will be in stand by mode. - The heater has a built in tilt switch safety mechanism that switches off the unit if it is tilted beyond 25° either forwards or backwards. This prevents fire in the event of the unit being knocked over. If the unit does not turn on again when returned to the vertical, tip it approximately 25° in the opposite direction until you hear the internal switch operate. As the heater switches on return it to the vertical position
MAINTENANCE
- Make sure the heater plug is disconnected from the mains supply before any cleaning is attempted. Also allow the heater to cool completely. DO NOT use water or other liquids, or harsh abrasive cleaners to clean the heater. DO NOT touch the carbon fibre elements with your fingers as this may damage the tube.
- Clean the exterior with a soft damp cloth and some mild detergent.
- To replace any of the elements contact your authorised Sealey stockist.
- To change the remote control batteries, press down and push back the battery cover (fig.2), remove old batteries and replace with two new AAA batteries.
‰ WARNING! DO NOT mix old and new batteries and dispose of old batteries in accordance with local authority regulations.
![]() | ENVIRONMENT PROTECTION Recycle unwanted materials instead of disposing of them as waste. All tools, accessories and packaging should be sorted, taken to a recycling center and disposed of in a manner which is compatible with the environment. When the product becomes completely unserviceable and requires disposal, drain any fluids (if applicable) into approved containers and dispose of the product and fluids according to local regulations. |
![]() | WEEE REGULATIONS Dispose of this product at the end of its working life in compliance with the EU Directive on Waste Electrical and Electronic Equipment (WEEE). When the product is no longer required, it must be disposed of in an environmentally protective way. Contact your local solid waste authority for recycling information. |
![]() | BATTERY REMOVAL SEE 7.4 Under the Waste Batteries and Accumulators Regulations 2009, Jack Sealey Ltd are required to inform potential purchasers of products containing batteries (as defined within these regulations), that they are registered with Valpak’s registered compliance scheme. Jack Sealey Ltd Batteries Producer Registration Number (BPRN) is BPRN00705. |
| Note: It is our policy to continually improve products and as such we reserve the right to alter data, specifications and component parts without prior notice. Important: No Liability is accepted for incorrect use of this product. Warranty: Guarantee is 12 months from purchase date, proof of which is required for any claim. |
[email protected]
www.sealey.co.com























