Dr Infrared
Dr Infrared Heater DR218-1500W Garage Workshop Infrared Heater

Introduction
Using a greenhouse heater during the winter months might prevent your plants from freezing when it is below freezing outside. For your delicate plants, the DR Infrared Warmer DR218 greenhouse heater is a reliable option. Your greenhouse plants can receive a dependable and effective heat source from the fan force heater model DR218. This greenhouse heater features a completely enclosed, thermally protected, heavy-duty ball bearing motor that offers extended life with very little maintenance needed. It is also continuously oiled for life.
It contains an adjustable thermostat control and a precision temperature sensor with built-in over-heat protection, allowing you to establish the ideal environment for your plants. Additionally, this heater has a sturdy steel shell and an IPX4 structure that guards against water splashing. Order one right away to keep your young plants warm and cozy until spring and to prevent your delicate plant from turning into a frosted, soggy mush.
IMPORTANT INSTRUCTIONS
Please read all instructions before using this heater
NOTE: There may be a trace of smoke or odor when the unit is first operated. Don’t be alarmed. This indicates that a drop of oil fell on the heating coil during the manufacturing process. It will quickly evaporate and should not recur.
Make sure that the room in which the appliance is located is well ventilated during this operation. It is normal for the appliance to emit small cracking sounds when you turn it on for the first time. Again, do not be alarmed.
When using electrical appliances, basic precautions should always be followed to reduce the risk of fire, electrical shock and/or injury to persons or property.
THESE INCLUDE THE FOLLOWING:
- Read all the instructions before using this heater.
- This heater is hot when in use. To avoid burns, do not let bare skin touch hot surfaces. Use handles, if provided, when moving this heater. Keep combustible materials, such as furniture, pillows, bedding, papers, clothes, and curtains at least 3 feet (0.9 m) from the front of the heater and away from the sides and rear.
- Extreme caution is necessary when any heater is used by or near children or the disabled, and whenever the unit is left operating and unattended.
- Do not operate the heater with a damaged cord or plug, or after the heater malfunctions, has been dropped, or damaged in any manner. Return the heater to an authorized service facility for examination, electrical or mechanical adjustment, or repair.
- Do not use outdoors.
- This heater is not intended for use in bathrooms, laundry areas, or similar indoor locations. Never locate the heater where it may fall into a bathtub or other water container.
- Do not run the cord under carpeting and do not cover the cord with throw rugs, runners, or the like. Do not route cord under furniture or appliances. Arrange the cord away from traffic areas to avoid a tripping hazard.
- To disconnect the heater, turn controls to OFF, then remove the plug from the outlet.
- Do not insert or allow foreign objects to enter any ventilation or exhaust opening as this may cause an electric shock, fire, or damage to the heater.
- To prevent a possible fire, do not block air intake or exhaust openings in any manner. Do not use on soft surfaces, like a bed, where openings may become blocked. Use the heater on flat, dry surfaces only.
- A heater has hot and arcing or sparking parts inside. Do not use the heater in areas where gasoline, paint or flammable liquids are used or stored.
- Use this heater only as described in this manual. Any other use not recommended by the manufacturer may cause fire, electric shock, or injury to persons.
- Never clean this heater while it is plugged in. Do not immerse in water. To disconnect, turn control to OFF, then remove the plug by grasping it and pulling it from the outlet. Never yank on the cord.
- Always unplug the heater when it is not in use.
- Always plug the unit directly into a wall outlet/receptacle. Never use with an extension cord or relocatable power tap (outlet/power strip).
WARNING! To reduce the risk of fire, electric shock, or personal injury, read all the instructions before using this heater.
CAUTION – High temperatures! Keep electrical cords, drapery, and other furnishings at least 3 feet (0.9 m) from the front of the heater and away from the sides and rear.
SPECIFICATIONS
- MODEL: DR218-3000
- VOLTAGE: 240V Watts: 3000W
- FREQUENCY: 60Hz
- THERMOSTAT TEMPERATURE RANGE: 32˚F~104˚F (0˚C~40˚C)

PARTS OF THE HEATER
- “Cool-Touch” cabinet
- Control panel
- Thermostat control
- Power setting control
- Power indicator


OPERATING INSTRUCTIONS
- Plug the power supply cord into a wall outlet.
- Set the thermostat to MAX (full clockwise turn).
- Turn On the unit by selecting HIGH / LOW or the FAN ONLY setting from the Power Settings Control Knob.
- Select a thermostat setting. Ambient temperature is regulated by adjusting the thermostat to a desired position. To set, allow the unit to operate and warm up the room. When the desired temperature is reached, turn the control knob counterclockwise just until the heater turns off. This is your ideal setting. The heater will start automatically when the room temperature drops below this set point, and will turn off when the set point is reached.
- To switch off the heater, turn the Setting Control Knob to the OFF position. Always unplug the heater when it is not in use.
- This heater includes an overheat protection system that shuts off the unit when parts of the heater get excessively hot.
NOTE: There may be a trace of smoke or odor when the unit is first operated. Do not be alarmed: this indicates that a drop of oil fell on the interior coils during the manufacturing process. It will evaporate quickly and should not recur.
MAINTENANCE AND CLEANING
- Always turn OFF the heater and disconnect the cord from the electrical outlet before cleaning the unit.
- Light accumulation of dust may be removed from the heater with a soft cloth or vacuum cleaner.
- Wipe the exterior surfaces of the heater occasionally with a damp cloth (not dripping wet), using a solution of mild detergent and water. Dry the case thoroughly before operating the heater.
CAUTION: Do not allow water to run into the interior of the heater as this could cause a fire or create an electric shock hazard.
The fan motor is factory-lubricated for life and will require no further lubrication. Store the heater in a clean, dry place when not in use.
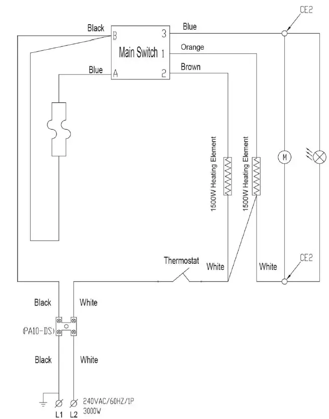
GROUNDING INSTRUCTIONS
This heater is for use with 240 volts. The cord has a plug as shown in the figure below. No adapter is available for this blade configuration, and none should be used. The outlet type is a 240-volt grounding outlet. When properly installed, it provides a ground connection through the cord to the heater to protect the operator from electric shock.

TROUBLESHOOTING
WARNING: Any other servicing must be performed by an authorized service representative. Do not attempt to service the unit yourself.
| Problem | Probable Cause | Solution |
| Turn the heater OFF. | ||
| Inspect for any objects on | ||
|
Unit is not heating | Overheat protection has temporarily deactivated the heater. | or adjacent to the heater that may cause high temperatures. Wait until heater has cooled before turning the heater back on. |
| To increase the room | ||
| Room temperature has warmed to | temperature, adjust the | |
| thermostat setting. | Thermostat Control knob | |
| to a higher setting. | ||
| Check and ensure there are no combustible materials within
0.9 meters (3 feet) surrounding the heater. | Remove any combustible items from the vicinity of the heater. | |
| Unit produces a burning smell | A drop of oil fell on the heating coil during the manufacturing process. It will evaporate quickly and should not recur. | Ensure room where the heater is located is
well-ventilated. |
| Ensure a minimum clearance of | Reposition the heater so | |
| 36 inches (90 cm) from both the | there is enough space | |
| sides and rear of the heater to the | between the heater and | |
| adjacent wall(s). | the adjacent wall(s). |
FAQs
Please ensure the rear intake is not blocked and that the filter is clean. Follow the filter maintenance procedure to clean the filter.
Generally speaking, it takes some time to heat a greenhouse. Remember that with any type of heating process, there are many variables such as the size of the greenhouse, how well the greenhouse is insulated, the outside temperature, etc.
Yes, but it may take a little longer to heat the greenhouse. The outside temperature will also have an impact on heating time. Once the greenhouse has reached the desired temperature, it will cycle on and off accordingly.
We do not recommend using this heater in a bathroom due to the very high moisture level in a bathroom and the possibly of water getting into the internal components of the heater.
Yes, but this heater is not ideal for heating a basement or garage. For heating a space such as a basement or garage, we recommend either our model DR-988 240-Volt 5600-Watt Industrial Heater or our DR-966 240-Volt 6000-Watt Hardwired Wall / Ceiling Mounted Heater. Keep in mind that rooms with poor insulation will not retain heat as effectively. Bare concrete floors, which act as a heat sink with any type of heating, will absorb some of the heat.
Yes, but please make sure the heaters are not on the same circuit. Each heater and appliance should be on its own circuit.
Yes, as long as they are not on the same circuit. This heater should be considered a major appliance. You should not run more than one large appliance on a single circuit breaker. Your appliances, such as a freezer, refrigerator, microwave oven, washing machine, dryer, and other similar appliances should not share a circuit breaker.
It is not recommended to move any portable heater while it is operating. We recommend moving the heater only when the fan has completely turned off.
No. The DR. INFRARED HEATER MODEL DR218-1500 is designed to plug directly into a grounded 120V 15 amp or higher circuit receptacle; the MODEL DR218-3000 is designed to plug directly into a grounded 240V 15 amp or higher circuit receptacle. Never use with an extension cord or relocatable power tap (outlet/power strip).
The DR. INFRARED HEATER MODEL DR218-1500 uses approximately 1.5 kilowatts per hour, and the MODEL DR218-3000 uses approximately 3 kilowatts per hour.
The DR. INFRARED HEATER MODEL DR218-1500 is approximately 5200 BTUs; the MODEL DR218-3000 is approximately 10400 BTUs.
It is normal for the heater’s plug and cord to feel warm to the touch. A plug or cord which becomes hot to the touch or becomes distorted in shape may be a result of a worn electrical outlet. Worn outlets or receptacles should be replaced prior to further use of the heater. Plugging the heater into a worn outlet may result in overheating of the power cord or even start a fire.
NO. If you don’t have a grounded outlet, contact a licensed electrician in your area for advice. Removing or altering any part of the heater is unsafe and will also void your warranty.
This heater comes with a ONE-YEAR LIMITED COMPONENT WARRANTY. If your unit does not appear to be working properly, please contact our service center by calling 1-800-317-1688. Prior to your call, we encourage you to visit our service related website www.DrHeaterUSA.com for troubleshooting tips and service instructions if needed.



















