ES-T IR Reflection Induction Probe
User Manual
Stair step induction probe
Model No.: ES-T
Features
- IR reflection induction probe for use with stair LED controller (ES32 or ES 16
- Powered by low voltage 5VDC,output 5V pulse signal.
- The probe outputs high level signal when a person go through. •
- The maximum reflection distance is 1.4m.
Technical Parameters
| Input and Output | |
| Jirga | 5VDC |
| ;output current | <10mA |
| output signal | 5V pulse signal, high is ON, low is OFF |
| Auction distance | Max.1.4m |
| Reflection type | IR |
| Safety and EMC | |
| EMC standard (EMC) | ETSI EN 301 489-1 V2.2.3 ETSI EN 301 489-17 V3.2.4 |
| Safety standard(LVD) | EN 62368-1:2020+A11:2020 |
| Crete | CE,EMC,LVD |
| Warranty | |
| Warranty | 5 years |
| Environment | |
| era lion temperature | Ta: -30°C – +55°C |
| :se temperature (Max.) | T c:+60°C |
| •.ating | IP20 |
| Package | |
| Size | 180 x W80 x H25mm |
| 3ross weight | 0.045kg |
Mechanical Structures and Installations

Sensor wire define

Installation schematic

Note:
- Stair step induction probe Installed on the
- Stair step induction probe Installation should be more than 5cm from the ground.
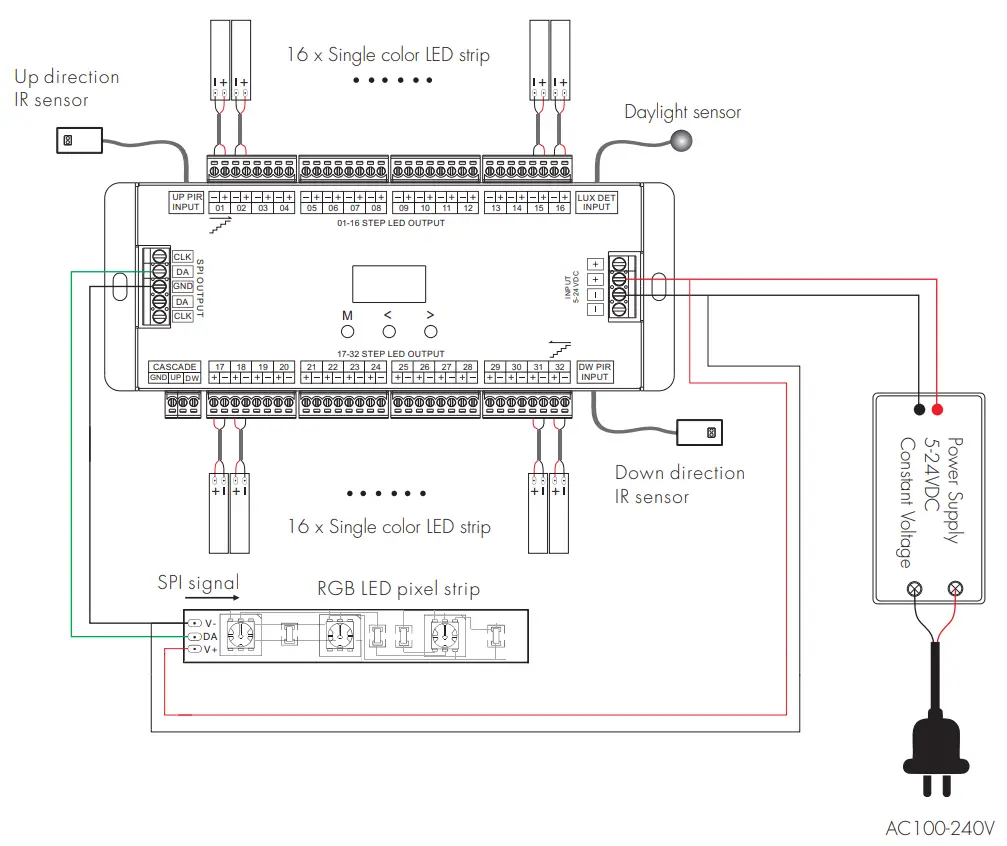
Wiring diagram(used with ES32)

![]()



















