
Bruel Kjaer Vibro WT-010 Induction Displacement Probe Instructions
WT-010/025
![]()
Keep accessible for future reference
Copyright © 2022 Brüel & Kjær Vibro GmbH
All rights to this technical documentation remain reserved.
Any corporeal or incorporeal reproduction or dissemination of this technical documentation or making this document available to the public without prior written approval from Brüel & Kjær Vibro GmbH shall be prohibited. This also applies to parts of this technical documentation.
Instruction Induction Displacement Probe WT-010/025, C102797.002 / V03, en,
date of issue: 25.03.2022

1. About these instruction
This manual is a part of the product. Read the manual and the instructions for the associated DTC displacement probe carefully before using the product and keep it accessible for future use.
2. Application and Function
The inductive displacement sensor is mainly used for measuring the case expansion of steam turbines relative to the foundation.
The displacement sensor is based on the inductive principle of operation. The secondary voltage of the differential transformer is influenced by the displacement of a ferromagnetic solenoid plunger. The resulting amplitude change is converted into an analogue output signal in the corresponding measuring amplifier SP-502.
The measuring system of the displacement sensor is installed in a rugged stainless steel housing. The measuring pin is guided in plain bearings lubricated for life.
The installed spring is designed such that the measuring pin does not lift off, even in case of vibration in measuring direction.
3. Scope of delivery
- Induction Displacement Probe WT-010 (Displacement Probe DTC 20 / Fa. Messotron) resp. WT-025 (Displacement Probe DTC 50 / Company Messotron)
- Original data sheet of the manufacturer (Displacement Probe DTC 20 / DTC 50)
- AC-2202/16 Screw connection M16
- AC-2201/16 Steel protective sleeve M16
4. Mounting

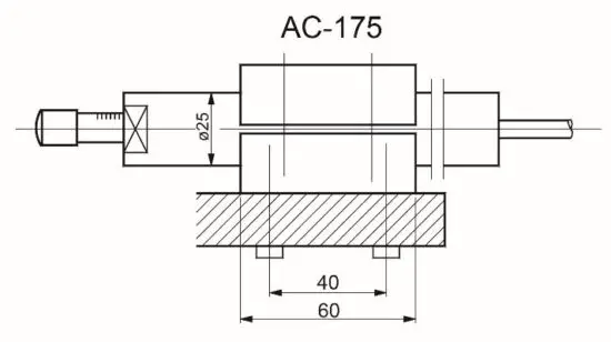
Figure 4-1) Mounting with AC-175
We recommend to protect the displacement probe against impact, shock and also against pollution by using a suitable step protection.
For mounting the displacement probe we recommend the AC-175.
5. Disposal
After use, dispose of the systems, cables and sensors in an environmentally friendly manner, in accordance with the applicable national provisions.
Contact

Corporate E-Mail: [email protected]
Homepage: www.bkvibro.com
Induction Displacement Probe WT-010/025 ● © Brüel & Kjær Vibro ● 03/2022 ● C102797.002 / V03 ●
Technical alterations reserved
Read More About This Manual & Download PDF:


















