VEVOR® SMS-39MAX Automatic Wire Stripping Machine Instruction Manual

Support and E-Warranty Certificate https://www.vevor.com/support
WIRE STRIPPING MACHINE INSTRUCTION MANUAL
We continue to be committed to providing you with tools at a competitive price. “Save Half”, “Half Price” or any other similar expressions used by us only represent an estimate of savings you might benefit from buying certain tools with us compared to the major top brands and do not necessarily mean to cover all categories of tools offered by us. You are kindly reminded to verify carefully when placing an order with us if you are actually saving half compared to the top major brands.
MODEL:SMS-39MAX

NEED HELP? CONTACT US!
Have product questions? Need technical support? Please feel free to contact us:
This is the original instruction, please read all manual instructions carefully before operating. VEVOR reserves a clear interpretation of our user manual. The appearance of the product shall be subject to the product you received. Please forgive us that we won’t inform you again if there are any technology or software updates on our product.
This is the original instruction, please read all manual instructions carefully before operating. VEVOR reserves a clear interpretation of our user manual. The appearance of the product shall be subject to the product you received. Please forgive us that we won’t inform you again if there are any technology or software updates on our product.
Warnings
Read carefully and understand all ASSEMBLY AND OPERATION INSTRUCTION before operating. When using the wire stripping machine, basic safety precautions should always be followed, including the following:
- Read and follow all instructions before using the machine.
- To prevent the risk of electrical shock, do not immerse in water or other liquids. Use a damp cloth to clean the motor housing.
- Children shall not play with the appliance. Cleaning and user maintenance shall not be done by children without supervision.
- When not in use, unplug from the outlet before installing or removing parts and before cleaning.
- Avoid contacting moving parts.
- Do not operate any machine with a damaged cord or plug or after the appliance malfunctions or is dropped or damaged in any manner. Return the appliance to the nearest authorized service facility for examination, repair, or electrical or mechanical adjustment.
- The use of attachments not sold by the manufacturer is not recommended and may cause fire, electric shock or injury.
- Do not use outdoors.
- Do not allow the cord to hang over the edge of the table or counter.
- Never run the machine unattended.
- Type Y attachment: If the supply cord is damaged, it must be replaced by the manufacturer, its service agent or similarly qualified persons in order to avoid a hazard.
Technical Parameter

Note: This machine is not applicable to silicone rubber cables or armored cables.

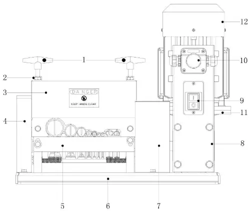
Parts List

- M12 Plastic screw
- Nut for regulating blade up and down
- Machine mask
- Machine side mask
- Machine inlet pipe sub-unit
- Baseplate
- Mask between machine and reducer
- Switch board
- Switch
- Emergency stop switch
- Reducer
- Motor
Accessories

Details: 1、Plastic exhaust nut of reducer
Operation Instruction
- Select the appropriate feeding hole according to the wire diameter.

- During wire stripping, the center of the blade must be collinear with the center of the roller.

- According to the thickness of the wire, adjust the height of the blade through the screw above the machine(Rotate the M12 plastic screw to fine-tune, as shown in Fig. 2-3, If you turn counterclockwise, the blade will be upward and clockwise, the blade will be downward) so that the blade can cut the wire skin without damaging the copper core (Figure 2-2)


- If the machine cannot strip the wire, there may be several reasons:
①.The diameter of the stripped wire is too small.
②.The center of the blade is not in line with the center of the roller(the adjustment method is as follows). We need to remove the side mask and mask between the machine and reducer first. Adjusting the center adjustment block to adjust the blade shaft to the left or right by the wrench.
Make the blade center in line with the center of the rolling shaft.
③.The blade is not sharp(Grind it with an oilstone to make it sharp).
Notice:
- When the plastic handle is adjusted too tightly, gear noise and blade damage may occur, which should be avoided!
- The pictures are for reference only, and everything is subject to the real object!
- Never put your hand in when the machine is running (you must stop the machine before checking, debugging, and troubleshooting the machine). To avoid cutting your hand, do not touch the blade directly with your hand.
Environmental Protection
This product is subject to the provision of European Directive 2012/19/EC. The symbol showing a wheelie bin crossed through indicates that the product requires separate refuse collection in the European Union. This applies to the product and all accessories marked with this symbol. Products marked with this symbol cannot be discarded with normal household waste but must be taken to an electrical and electronic equipment collection point for recycling.
![]()
Manufacturer:
Taizhou Senduo Environmental Protection Equipment Technology Co., Ltd.
Address:
Workshop B14, Xiaowufen Industrial zone, Luqiao Town, Taizhou City,Zhejiang,China
Importer: WAITCHX
Address: 250 bis boulevard Saint-Germain 75007 Paris
Importer: FREE MOOD LTD
Address: 2 Holywell Lane, London, England, EC2A 3ET

EUREP UK LTD
UNIT 2264, 100 OCK STREET, ABINGDON
OXFORDSHIRE ENGLAND OX14 5DH

EUREP GmbH
Unterlettenweg 1a, 85051
Ingolstadt, Germany

Support and E-Warranty Certificate https://www.vevor.com/support




















