DROP CONNECT Commercial Protection Valve D-CPS

INTRODUCTION
Thank You for Purchasing a DROP System!
We know you’ll love your leak detection ability and water conservation benefits of your new DROP Water Management System from Chandler Systems. Protecting your facility and conserving water are just a few of the ways that the DROP Water Management System can improve your water system. Be sure to check out the dropconnect.com website periodically for more information about additional DROP products as they are released.
To further help you operate your new DROP system, we have provided you with many other resources for you to learn more. Feel free to call Chandler Systems when you need additional help. We also have many resources located on our website including instructional videos, and images. DROP Connect is also active on various social media pages! Feel free to follow us for the most up to date information and news!
Privacy Statement
For more information about privacy, visit our privacy policy
(https://dropconnect.com/sites/default/files/DROP-Privacy-Statement.pdf) online.
DROP Patents
For the most up-to-date list of patents, visit our patents on our website: https://dropconnect.com/patents.
FCC Compliance Statement:
https://dropconnect.com/sites/default/files/FCC_Compliance_Statement.pdf
Industry Canada Compliance Statement:
https://dropconnect.com/sites/default/files/Industry_Canada_Compliance_Statement.pdf
CAUTION
- Do not locate unit where it will be subject to temperatures below freezing.
- Do not use Vaseline or any petroleum-based lubricants on O-rings or rubber seals. Only use food-grade silicone lubricant.
- Do not use pipe dope or any sealant other than Teflon tape on threaded connections. Threads on the tool free connection nuts do not require any tape because they use an O-ring seal. Tape is only required on the inlet/outlet adapter fittings.
HOW TO USE YOUR SYSTEM
Your DROP Commercial Protection System uses advanced technology to protect your facility from leaks, and save you money, all while providing years of trouble-free operation.
Additional Features You’ll Find on Your DROP Home Protection System
- Power Backup: To continue to protect your facility during a power outage
- Water Usage Monitoring – DROP monitors your water usage and provides real time information including: current water flow, peak flow today, daily average of the last 90 days, as well as many useful historical charts.
- Automatically integrates with other components on your DROP System – DROP is a water management system that integrates all of the water related devices in your facility including: water softeners, backwashing filters, leak detectors, sump pump alarms, and many more to come!
- Convenient User Interface on your Smart Phone or Tablet
- LED Light Codes: Alert you to system status at a glance.
- Temperature Monitoring: Provides notice of high or low temperature conditions.6
- Pressure Monitoring: To recognize problems with your plumbing system.
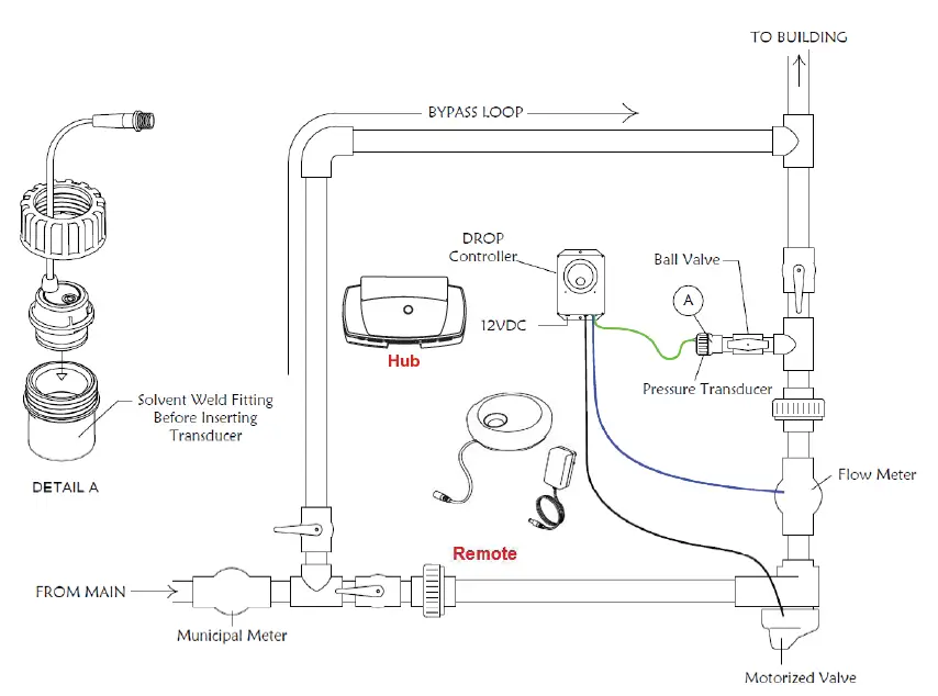
- Manually Bypassing Your System: The Commercial Protection System requires a bypass loop to be installed to allow the system to be taken in and out of service. To take your system out of service close the ball valve on the inlet side of the Motorized Valve and the ball valve on the outlet side of the Transducer Assembly. Then open the ball valve for the bypass loop.


Contents of Carton
Precautions
- Read Manual
- Ventilate
- Use Eye Protection

- Protect nearby materials when soldering Use only lead-free solder
- If existing plumbing is copper, install grounding strap before creating plumbing gaps.

INSTALLATION INSTRUCTIONS
- STEP 1: Plumb the system into your water supply
Unpack equipment.
Systems are sized for 1.5”, 2”, or 3” inlet / outlet.
With the bypass loop in bypass position, turn on the main water supply. Open a cold soft water tap nearby and let run a few minutes or until the plumbing is free from foreign material (usually solder or debris from cutting the pipe) that may have resulted from the installation. Once clean, close the water tap.
Note: This system is for INDOOR use only. The system may be installed in any orientation as long as it is configured in the order shown above.
- STEP 2: Download the DROP Connect Mobile
- STEP 3: Determine where you want to locate the HUB and REMOTE

As shown above, all DROP devices that plug into 120 volt outlets expand the DROP Link mesh network. When placing the DROP Hub and Remote, keep in mind that installing them in separate areas of the facilty will expand the network. This is important to consider if you have leak detectors that are located in far extremes of the building.
If you wish to connect your system to local WiFi for remote control and notifications, please install the DROP Hub in a location that has a good WiFi signal.
- STEP 4: Follow Mobile Onboarding in the DROP Connect App
See Users Guide for detailed instructions - STEP 5: Add & Name Each Device
See Users Guide for detailed instructions - STEP 6: Install 9V Battery into your Hub & CPS Control Box

- 9 Volt Battery back up enables your valve to continue to protect your facility from leaks during a power outage. To install the battery, remove the 4 phillips head screws on the cover of the case.
- 9 volt battery back up is recommended for DROP Hub.
- STEP 7: Ensure the ball valves are in service positions

- STEP 9: Configure the System

DEVICES > HOME PROTECTION VALVE > STATUS
(Navigation description examples can be found in the User Guide) The DEVICES screen allow you to customize how your system operates.
THE DROP REMOTE
In addition to acting as a DROP Link mesh network extender, the DROP Remote has additional features: At a glance the remote can provide the status of your water system through color codes.
Color codes for normal operation 
To turn off water in your facility, place your finger on the water DROPlet button for about 2 seconds. Once the lights turn orange, remove your finger. If your system is in the Shutoff mode and you would like to turn your water back on, place your finger on the DROPlet button for about 2 seconds. When it turns to green, remove your finger and, your water will turn back on.
SYSTEM NOTES
WATER MANAGEMENT SYSTEMS
This warranty cannot be transferred – it is extended only to the original purchaser or first user of the product. By accepting and keeping this product, you agree to all of the warranty terms and limitations of liability described below. Important Warning: Read carefully the DROP Water Management Systems Equipment Installation, Operating and Maintenance Instructions Manual to avoid serious personal injury and property HAZARDS and to ensure safe and proper care of this product. *FOR AS LONG AS YOU OWN AND LIVE IN YOUR SINGLE FAMILY HOME, this warranty covers your water treatment equipment, if you are the first user of this DROP Water Treatment Systems equipment and purchased it for single family home use – subject to all of the conditions, limitations and exclusions listed below. Purchasers who buy the DROP equipment for other purposes, and other component parts are subject to more limited warranties and you should read all of the terms included in this form to make sure you understand your warranty. What is covered by this warranty? Chandler Systems, Inc. warrants that at the time of manufacture, the DROP equipment shall be free from defects in material and workmanship as follows:
| Product | Warranty |
| Residential Mineral Tank | 10 Years |
| DROP Control Valves | 5 Years |
| DROP Pump Controllers | 5 Years |
| DROP Home Protection Valve | 5 Years |
| DROP Commercial Protection Systems | 5 Years |
| Brine Tank | 5 Years |
| DROP Hub and Remote | 1 Year |
| DROP Wireless Low Salt Alarm | 1 Year |
| Other Accessories and Parts | 1 Year |
| Brine Tank Components | 1 Year |
- This warranty does not include media and/or cartridge filter elements. Additional Terms & Conditions What Chandler Systems Inc will do if you have a covered warranty claim; Chandler Systems Inc will at its discretion either make repairs to correct any defect in material or workmanship or supply and ship either new or used replacement parts or products. Chandler Systems, Inc. will not accept any claims for labor or other costs. Additional Exclusions and LimitationsThis warranty is non-transferable and does not cover any failure or problem unless it was caused solely by a defect in material or workmanship. In addition, this warranty shall not apply:
- If the equipment is not correctly installed, operated, repaired and maintained as described in the Installation, Operating & Maintenance Instructions Manual provided with the product.
- Defects caused as a direct result of the incoming water quality
- If the DROP equipment is not sized appropriately for the intended job.
- To any failure or malfunction resulting from abuse (including freezing), improper or negligent; handling, shipping (by anyone other than DROP)
- If the unit has not always been operated within the factory recommended temperature limits, and at a water pressure not exceeding 125 psi, during storage, use, operation, accident; or alteration, lightning, flooding or other environmental conditions.
- To any failure or malfunction resulting from failure to operate the system with potable water, free to circulate at all times; and free of damaging water sediment or scale.
- This warranty does not cover labor costs, shipping charges, service charges, delivery expenses, property damage, administrative fees or any costs incurred by the purchaser in removing or reinstalling the water management equipment.
- The warranty does not cover any claims submitted more than 30 days after the expiration of the applicable warranty and does not apply unless prompt notice of any claim is given to an authorized DROP Dealer or to DROP or a designated contractor is provided access to the installation and to the water treatment equipment.
THESE WARRANTIES ARE GIVEN IN LIEU OF ALL OTHER EXPRESS WARRANTIES. NO DROP REPRESENTATIVE OR ANY OTHER PARTY IS AUTHORIZED TO MAKE ANY WARRANTY OTHER THAN THOSE EXPRESSLY CONTAINED IN THIS WARRANTY AGREEMENT. Additional Warranty Limitations ANY IMPLIED WARRANTIES THE PURCHASER MAY HAVE, INCLUDING THE IMPLIED WARRANTIES OF MERCHANTABILITY AND FITNESS FOR A PARTICULAR PURPOSE, SHALL NOT EXTEND BEYOND THE APPLICABLE TIME PERIODS SPECIFIED ABOVE. Some states do not allow limitations on how long an implied warranty lasts, so the above limitations may not apply to you. Limitations of Remedies The remedies contained in this warranty are the purchaser’s exclusive remedies. In no circumstances will Chandler Systems, Inc. or the seller of the product be liable for more than, and purchaser users remedies shall not exceed, the price paid for the product. In no case shall Chandler Systems, Inc. or seller be liable for any special, incidental, contingent or consequential damages. Special, incidental, contingent and consequential damages for which Chandler Systems, Inc. is not liable include, but are not limited to, inconvenience, loss or damage to property, consequential mold damage, loss of profits, loss of savings or revenue, loss of use of the products or any associated equipment, facilities, buildings or services, downtime, and the claims of third parties including customers. Some states do not allow the exclusion or the limitation of incidental or consequential damages, so the above limitations or exclusion may not apply to you. What to do if you have a problem covered by this warranty Any warranty coverage must be authorized by Chandler Systems, Inc.. Contact the person from whom you purchased the product, who must receive authorization from a DROP Dealer. If your product is new and not used and you wish to return it, contact your DROP Dealer.
FCC STATEMENT
Note: This equipment has been tested and found to comply with the limits for a Class B digital device, pursuant to part 15 of the FCC Rules. These limits are designed to provide reasonable protection against harmful interference in a residential installation. This equipment generates, uses and can radiate radio frequency energy and, if not installed and used in accordance with the instructions, may cause harmful interference to radio communications. However, there is no guarantee that interference will not occur in a particular installation. If this equipment does cause harmful interference to radio or television reception, which can be determined by turning the equipment off and on, the user is encouraged to try to correct the interference by one or more of the following measures:
- Reorient or relocate the receiving antenna.
- Increase the separation between the equipment and receiver.
- Connect the equipment into an outlet on a circuit different from that to which the receiver is connected.
- Consult the dealer or an experienced radio/TV technician for help.
DROP CONNECT Commercial Protection Valve D-CPS




























