OLIMPIA SPLENDID SITALI CXVM 280 Mechanical Forced Ventilation System
Product Information
- Product Name: SITALI CXVM 280
- Manufacturer: Olimpia Splendid SpA
- Address: Via Industriale 1/3, 25060 Cellatica (BS)
- Website: www.olimpiasplendid.it
- Email: [email protected]
Product Usage Instructions
Installation
- Remove the packaging.
- Determine the location for installation.
- Follow the installation instructions provided.
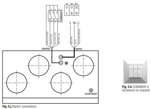
- Make the pre-wired electrical connections as shown in Fig. 5.j.
Operation
- Before starting the system, ensure that the main switch is turned off.
- Refer to the user manual for details on different operating modes such as Anti-frost and Bypass.
Product Maintenance
- Regular maintenance of the product is necessary.
- Refer to the component list and description for identifying the parts.
- Perform routine maintenance as described in the user manual.
- In case of any issues, refer to the troubleshooting section for resolution.
Disposal and Recycling
Proper disposal and recycling methods should be followed. Refer to the user manual for guidelines.
Note: The above instructions are a summary. Please refer to the complete user manual for detailed information and safety precautions.
Read this manual carefully before using the product and keep it in a safe place for reference as necessary. This product was constructed up to standard and in compliance with regulations relating to electrical equipment and must be installed by technically qualified personnel. The manufacturer assumes no responsibility for damage to persons or property resulting from failure to observe the instructions contained in this manual.
PRECAUTIONS
WARNING
- Make sure that the mains supply to the unit is disconnected before performing any installation, service, maintenance or electrical work!
- The installation and service of the unit and complete ventilation system must be performed by an authorized installer and in accordance with local rules and regulations.
- If any abnormality in operation is detected, disconnect the device from the mains supply and contact a qualified technician immediately.
Transport and storage
- Do not leave the device exposed to atmospheric agents (rain, sun, snow, etc.).
- Duct connections/duct ends must be covered during storage and installation.
Installation
- After removing the product from its packaging, verify its conditions. Do not leave packaging within the reach of children or people with disabilities.
- Beware of sharp edges. Use protective gloves.
- The device should not be used as an activator for water heaters, stoves, etc., nor should it discharge into hot air/fume vent ducts deriving from any type of combustion unit or tumble dryer. It must expel air outside via its own special duct.
- If the environment in which the product is installed also houses a fuel-operating device (water heater, methane stove etc., that is not a “sealed chamber” type), it is essential to ensure adequate air intake, to ensure good combustion and proper equipment operation.
- The electrical system to which the device is connected must comply with local regulations.
- Before connecting the product to the power supply or the power outlet, ensure that:
- the data plate (voltage and frequency) correspond to those of the electrical mains
- the electrical power supply/socket is adequate for maximum device power.
- For installation an omnipolar switch should be incorporated in the fixed wiring, in accordance with the wiring rules, to provide a full disconnection under overvoltage category III conditions (contact opening distance equal to or greater than 3mm).
Use
- The device should not be used for applications other than those specified in this manual.
- This appliance can be used by children aged from 8 years and above and persons with reduced physical, sensory or mental capabilities or lack of experience and knowledge if they have been given supervision or instruction concerning use of the appliance in a safe way and understand the hazards involved. Children shall not play with the appliance.
- Cleaning and user maintenance shall not be made by children without supervision.
- Do not touch the appliance with wet or damp hands/feet.
- The device is designed to extract clean air only, i.e. without grease, soot, chemical or corrosive agents, or flammable or explosive mixtures.
- Do not use the product in the presence of inflammable vapours, such as alcohol, insecticides, gasoline, etc.
- The system should operate continuously, and only be stopped for maintenance/service.
- Do not obstruct ducts or grilles to ensure optimum air passage.
- Do not immerse the device or its parts in water or other liquids.
- Operating temperature: 0°C up to +40°C.
Service
- Although the mains supply to the unit has been disconnected there is still risk for injury due to rotating parts that have not come to a complete standstill.
- Beware of sharp edges. Use protective gloves.
- Use original spare parts only for repairs.
PRODUCT INFORMATION
General
- This is the Installation, Use and Maintenance Manual of the heat recovery ventilation unit SITALI CXVM 280.
- This manual consists of basic information and recommendations concerning installation, commissioning, use and service operations to ensure a proper fail-free operation of the unit.
- The key to proper, safe and smooth operation of the unit is to read this manual thoroughly, use the unit according to given guidelines and follow all safety requirements.
Dimensions and Weight

Duct connections

| A | Intake air from outside |
| B | Exhaust air to outside |
| C | Supply air to inside |
| D | Extract air from inside |
| E | Winter condensation drainage |
| F | Summer condensation drainage |
Space required
- Make sure that enough space is left around the unit to allow easy maintenance (access to filters, terminal box and removal of the side and front inspection panels).
Rating label

TRANSPORT AND STORAGE
WARNING: Make sure that specific warnings and cautions in Chapter 2 “Precautions” are carefully read, understood and applied!
- The appliance is delivered in one carton box.
- The appliance should be stored and transported in such a way that it is protected against physical damage that can harm spigots, casing, display etc…
- It should be covered so that dust, rain and snow cannot enter and damage the unit and its components.
INSTALLATION
WARNING: Make sure that specific warnings and cautions in Chapter 2 “Precautions” are carefully read, understood and applied!
- This section describes how to install the unit correctly.
- The unit must be installed according to these instructions.
Unpacking
- Verify that the unit (and eventual accessories) delivered is according to order before starting the installation. Any discrepancies from the ordered equipment must be reported to the supplier.
Where/how to install
- All SITALI units are meant for indoor installation in a heated space.
- Mount the unit on flat surface (wall).
- The unit must always be installed vertically.
- It’s important that the unit is completely leveled before it is put into operation.
- Place the unit preferably in a separate room (e.g. storage, laundry room or similar).
- When choosing the location it should be kept in mind that the unit requires maintenance regularly and that the inspection doors should be easily accessible.
- Leave free space for opening the removable panels and for removal of the main components (§ 3.4).
- The outdoor air grilles if possible be put in the northern or eastern side of the building and away from other exhaust outlets like kitchen fan exhausts or laundry room outlets.
WARNING
- Make sure that specific warnings and cautions in Chapter 2 “Precautions” are carefully read, understood and applied!
Installation
- The unit must be installed in the following position.
- It is important that the unit is vertical in order for the condensation drainage to work properly.


- 5.a Prepare the surface where the unit is to be mounted. Make sure that the surface is flat, levelled and that it supports the weight of the unit. Perform the installation in accordance with local rules and regulations.
- 5.b Drill the holes in the wall.
- 5.c Use appropriate wall plugs and screws (not supplied).
- 5.d Fix the 2 spacers on the back of the unit.
- 5.e Hang the unit to the wall by means of the fixing brackets.
- 5.f Screw safely.
- 5.g Make sure that the unit is at spirit level.
- 5.h Connect the condensation drain joints (G 3/4” M) placed in the bottom side of the unit to a U-bend (or similar) on the condensation drainage pipe. In case close the non-used joint by means of the supplied drain stopper. Make sure this operation is well done in accordance to the best practice in order to assure water and air tightness.
- 5.i Connect the unit to the duct system. Make sure that all necessary accessories are used to create a functional ventilation solution. Connect the unit electrically according to § 5.4. Check that it starts up correctly.
Precabled electric connections
WARNING
- Make sure that the mains supply to the unit is disconnected before performing any installation, service, maintenance or electrical work!
- The installation and service of the unit and complete ventilation system must be performed by an authorized installer and in accordance with local rules and regulations.
The unit must be earthed

- The units are wired internally from factory.
- Unit comes pre-wired with:
- mains supply cable (3-core: brown, blue, yellow/green).
- speed selection cable, for connection to COMANDO-S accessory (4-core: green, brown, yellow, white).
- Factory settings: speed 1 set at 40%, speed 2 set at 70% and speed 3 set at 100%.
COMMISSIONING
Setting Fan speed
Speed factory settings: speed 1 at 40%, speed 2 at 70% and speed 3 set at 100%. The speed of the unit can be adjusted during installation according to required ventilation rate.
- Figure 6.a below show performance curve at different settings of the 0-10V signal to the motors. Consumption refer to the 2 motors.
- Table 6.b indicate the efficiency of the heat exchanger and of the condensation produced in different climatic conditions, to help the installer or the designer of the ventilation system to decide if to connect one or both condensation drainages.
- Table 6.c indicate the sound levels at the different speeds.
Fig. 6.a Intake curve according to Reg. 1253/2014 (ErP).


| Trimmer Position | Speed % | W max | m3/h max |
| A | 20 | 13 | 57 |
| B | 40 | 17 | 88 |
| C | 53 | 25 | 113 |
| D | 60 | 41 | 153 |
| E | 70 | 51 | 172 |
| F | 80 | 100 | 225 |
| G | 100 | 167 | 281 |
Table 6.b Thermal efficiency of the heat exchanger and average production of condensation water.
| EXTERNAL | INTERNAL | 50m3/h | 100m3/h | 150m3/h | 200m3/h | 250m3/h | |||||||
| T (°C) | R.H. (%) | T (°C) | R.H. (%) | ƞ (%) | H2O (kg/h) | ƞ (%) | H2O (kg/h) | ƞ (%) | H2O (kg/h) | ƞ (%) | H2O (kg/h) | ƞ (%) | H2O (kg/h) |
| -18 | 60 | 20 | 30 | 95,3 | 0,16 | 92,2 | 0,29 | 89,0 | 0,41 | 85,0 | 0,51 | 81,5 | 0,58 |
| -18 | 70 | 20 | 40 | 96,0 | 0,22 | 92,6 | 0,42 | 90,0 | 0,61 | 86,8 | 0,78 | 83,3 | 0,88 |
| -18 | 80 | 20 | 50 | 96,8 | 0,28 | 94,0 | 0,55 | 90,6 | 0,79 | 88,0 | 1,02 | 84,5 | 1,16 |
| -10 | 60 | 20 | 30 | 95,1 | 0,10 | 91,3 | 0,18 | 87,6 | 0,24 | 83,6 | 0,29 | 80,1 | 0,32 |
| -10 | 70 | 20 | 40 | 96,1 | 0,16 | 92,5 | 0,30 | 89,6 | 0,42 | 87,1 | 0,53 | 83,6 | 0,60 |
| -10 | 80 | 20 | 50 | 96,8 | 0,21 | 93,6 | 0,41 | 91,2 | 0,59 | 88,1 | 0,76 | 84,6 | 0,86 |
| 0 | 50 | 20 | 30 | 94,6 | 0,01 | 88,8 | 0 | 84,6 | 0 | 80,1 | 0 | 76,6 | 0 |
| 0 | 60 | 20 | 40 | 95,3 | 0,06 | 90,4 | 0,10 | 86,6 | 0,13 | 83,4 | 0,13 | 79,9 | 0,15 |
| 0 | 70 | 20 | 50 | 95,8 | 0,11 | 92,8 | 0,20 | 89,5 | 0,28 | 86,7 | 0,34 | 83,2 | 0,38 |
| 10 | 50 | 20 | 40 | 94,0 | 0 | 88,8 | 0 | 84,3 | 0 | 80,3 | 0 | 76,8 | 0 |
| 10 | 60 | 20 | 50 | 93,9 | 0 | 88,9 | 0 | 84,4 | 0 | 81,2 | 0 | 77,7 | 0 |
| 10 | 70 | 20 | 60 | 94,8 | 0,02 | 90,3 | 0,03 | 85,1 | 0,03 | 80,9 | 0,01 | 77,4 | 0,01 |
| 35 | 60 | 26 | 50 | 94,4 | 0 | 88,8 | 0 | 84,4 | 0 | 82,0 | 0 | 78,5 | 0 |
| 35 | 70 | 26 | 55 | 95,7 | 0,04 | 92,2 | 0,08 | 88,9 | 0,10 | 85,4 | 0,11 | 81,9 | 0,12 |
| 35 | 80 | 26 | 60 | 97,4 | 0,09 | 95,0 | 0,18 | 93,1 | 0,26 | 91,6 | 0,33 | 88,1 | 0,37 |
| 40 | 60 | 26 | 50 | 96,4 | 0,08 | 92,6 | 0,15 | 89,9 | 0,19 | 85,7 | 0,23 | 82,2 | 0,26 |
| 40 | 70 | 26 | 55 | 97,5 | 0,14 | 94,9 | 0,27 | 92,6 | 0,39 | 91,0 | 0,50 | 87,5 | 0,56 |
| 40 | 80 | 26 | 60 | 98,5 | 0,20 | 97,2 | 0,38 | 95,4 | 0,57 | 93,3 | 0,73 | 89,8 | 0,83 |
Table 6.c. Sound level: dB(A) figures are average spherical free-field, for comparitive use only.
| Speed 100% | Lw dB – SOUND POWER OCTAVE BAND | Lp dB(A) | ||||||||
| 63 | 125 | 250 | 500 | 1K | 2K | 4K | 8K | Tot | @3m | |
| Intake | 76 | 64 | 70 | 72 | 62 | 59 | 53 | 46 | 78 | 50 |
| Supply | 75 | 64 | 66 | 68 | 59 | 53 | 44 | 34 | 77 | 46 |
| Extract | 76 | 63 | 66 | 68 | 60 | 54 | 45 | 34 | 77 | 47 |
| Exhaust | 76 | 64 | 69 | 70 | 61 | 58 | 52 | 44 | 78 | 49 |
| Breakout | 74 | 67 | 65 | 70 | 62 | 56 | 48 | 36 | 77 | 48 |
| Speed 80% | Lw dB – SOUND POWER OCTAVE BAND | Lp dB(A) | ||||||||
| 63 | 125 | 250 | 500 | 1K | 2K | 4K | 8K | Tot | @3m | |
| Intake | 67 | 63 | 70 | 69 | 60 | 58 | 51 | 43 | 74 | 48 |
| Supply | 65 | 61 | 65 | 66 | 57 | 51 | 42 | 31 | 71 | 44 |
| Extract | 66 | 61 | 65 | 65 | 58 | 53 | 43 | 32 | 71 | 44 |
| Exhaust | 66 | 62 | 68 | 69 | 59 | 56 | 50 | 43 | 71 | 47 |
| Breakout | 61 | 66 | 65 | 67 | 57 | 53 | 45 | 33 | 71 | 45 |
| Speed 60% | Lw dB – SOUND POWER OCTAVE BAND | Lp dB(A) | ||||||||
| 63 | 125 | 250 | 500 | 1K | 2K | 4K | 8K | Tot | @3m | |
| Intake | 57 | 57 | 69 | 57 | 51 | 49 | 42 | 33 | 70 | 41 |
| Supply | 55 | 55 | 64 | 54 | 49 | 43 | 34 | 24 | 65 | 37 |
| Extract | 60 | 54 | 62 | 53 | 49 | 44 | 34 | 24 | 65 | 36 |
| Exhaust | 57 | 56 | 68 | 57 | 51 | 49 | 42 | 33 | 69 | 41 |
| Breakout | 56 | 55 | 61 | 54 | 50 | 45 | 35 | 25 | 64 | 36 |
| Speed 40% | Lw dB – SOUND POWER OCTAVE BAND | Lp dB(A) | ||||||||
| 63 | 125 | 250 | 500 | 1K | 2K | 4K | 8K | Tot | @3m | |
| Intake | 51 | 51 | 58 | 47 | 40 | 38 | 28 | 21 | 60 | 31 |
| Supply | 53 | 51 | 57 | 44 | 37 | 31 | 23 | 16 | 59 | 29 |
| Extract | 53 | 48 | 55 | 44 | 38 | 32 | 22 | 16 | 58 | 27 |
| Exhaust | 52 | 50 | 56 | 48 | 40 | 37 | 29 | 22 | 59 | 30 |
| Breakout | 53 | 48 | 53 | 45 | 39 | 32 | 22 | 16 | 57 | 27 |
Before starting the system
When the installation is finished, check that:
- Filters are mounted correctly.
- The unit is installed in accordance with the instructions.
- The unit is correctly wired.
- Eventual outdoor and exhaust air dampers and silencers are installed and that the duct system is correctly connected to the unit.
- All ducts are sufficiently insulated and installed according to local rules and regulations.
- Outdoor air intake is positioned with sufficient distance to pollution sources (kitchen ventilator exhaust, central vacuum system exhaust or similar).
- The unit is correctly set and commissioned.
OPERATION
WARNING: Make sure that specific warnings and cautions in Chapter 2 “Precautions” are carefully read, understood and applied!
Three speed operation with COMANDO-S controller (accessory on request)
- The unit runs at the speed selected by activating the two-position switches “S1”, “S2” and “S3” of the COMANDO-S (accessory Fig. 5.k).
| “S1” | “S2” | Operation |
| O | O | OFF |
| I | O | Speed 1 |
| O | II | Speed 2 |
| I | II | Speed 3 |
| “S3” | Operation |
![]() | Heat recovery |
| Bypass |

- Factory setting of speed 1 is 40% (default): if needed it can be adjusted by turning the “V1” trimmer inside the terminal box.
- Factory setting of speed 2 is 70% (default): if needed it can be adjusted by turning the “V2” trimmer inside the terminal box.
- Speed 3 is the maximum speed achievable by the unit.
- S3 switch allows to activate the bypass – see § 7.3.
Anti-frost functionality
- The unit is equipped with a thermistor which, when necessary, reduces the speed of the intake fan to prevent the freezing of the heat exchanger, which could get damaged irreparably.
Bypass functionality
- The units are equipped with a physical bypass which allows to mitigate the heat exchange when the indoor and outdoor temperature combinates are such that the heat exchange is not recommended.
- Bypass can be activated through a dedicated switch “S3” integrated into the COMANDO-S.
MAINTENANCE AND SERVICE
WARNING: Make sure that specific warnings and cautions in Chapter 2 “Precautions” are carefully read, understood and applied!
- Maintenance can be carried out by the user.
- Service must be performed only by an authorized installer and in accordance with local rules and regulations.
- Questions regarding installation, use, maintenance and service of the unit should be answered by your installer or place of purchase!
Components lis
- G4 FILTER
- HEAT EXCHANGER
- CONDENSATION DRAINS
- THERMISTOR
- FAN, INTAKE AIR
- FAN, EXHAUST AIR
- ELECTRICAL CONNECTION CARD
- ADDITIONAL CABLE ENTRY
- CONTROL CABLE
- POWER SUPPLY CABLE
- LIGHTED BUTTON
Description of Components
Fans
- The fans have external rotor motors of EC type which can be steplessly controlled individually between 10-100%. The motor bearings are life time lubricated and maintenance-free. It is possible to easily disconnect and replace the fans if necessary.
Filters
- The filters are of filter quality G4 for both the supply air and extract air filter.
- The filters need to be cleaned regularly (and replaced when polluted) during maintenance. New sets of filters can be acquired from your installer or wholesaler.
Heat exchanger
- The unit is equipped with a highly efficient, counter-flow plate heat exchanger. Supply air temperature is therefore normally maintained without adding additional heat. The heat exchanger is removable for cleaning and maintenance during service.
Condensation drainage
- Depending on the relative humidity in the extract air, condensation may occur on the cold surfaces of the heat exchanger, on one side in winter time, on the other side in summer time (Table 6.b).
- The condensate water is led out through drainage pipe.
Thermistor
- Temperature probe to implement temperature dependent functions.
Maintenance
WARNING: Make sure that the mains supply to the unit is disconnected before performing any installation, service, maintenance or electrical work!

- Keep the unit surface free from dust.
- Once every 3 months (fixed period), the unit warns the user to perform the filter maintenance (red light). The actual need to perform this operation may vary depending on indoor and outdoor ambient conditions.
- Clean the filters with a vacuum cleaner (Fig. 8.b-c-d-e).
- Press the dedicated button for at least 3 seconds to reset the timing (Fig. 8.f).
- Replace the filters every year.
Service
WARNING
Make sure that the mains supply to the unit is disconnected before performing any installation, service, maintenance or electrical work!
The installation and service of the unit and complete ventilation system must be performed by an authorized installer and in accordance with local rules and regulations.

- Keep the unit surface free from dust.
- Once every 3 months (fixed period), the unit warns the user to perform the filter maintenance (red light). The actual need to perform this operation may vary depending on indoor and outdoor ambient conditions.
- Clean the filters with a vacuum cleaner (Fig. 8.g-h-i-j).
- Press the dedicated button for at least 3 seconds to reset the timing (Fig. 8.k).
- Replace the filters every year.

- Clean the heat exchanger every year with a vacuum cleaner. The actual need to perform this operation may vary depending on indoor and outdoor ambient conditions and on frequency of filter cleaning (Fig. 8.g-h-l-m).

- Clean the fans every year with a vacuum cleaner. The actual need to perform this operation may vary depending on indoor and outdoor ambient conditions and on frequency of filter cleaning. Do not move the motor balance clips (Fig. 8.g-h-l-n).
Troubleshooting
Fans do not start
- Check that main supply gets to the unit.
- Check that all connections are working (all connections in terminal box and fast couplings of intake and exhaust air fans).
- If only the supply fan is switched off and if the external temperature is below zero, maybe the no-frost thermostat is activated: wait until the thermostat is deactivated.
Reduced airflow
- Check setting of fan speed in the terminal box or on the remote controls.
- Check filters. Change of filters required?
- Check diffusers. Re-setting or cleaning of grilles and diffusers required?
- Check fans and heat exchange block. Cleaning required?
- Check if air intake and exhaust have been clogged.
- Check ducting system for damage and/or dirt accumulation.
Fan noise/vibrations
- Clean fan impellers. Cleaning required?
- Check that the fans are firmly in place within the unit.
Excessive air noise
- Check setting of fan speed in the terminal box or on the remote controls.
- Check grilles and diffusers. Re-setting or cleaning of grilles and diffusers required?
Gurgling noise
- Drain connections have not been installed correctly.
- Drain connection below the unit has a too low water level, fill it up with water.
Unpleasant smell
- Drain connections have not been installed correctly.
- Drain connection below the unit has a too low water level, fill it up with water.
- Check filters. Change of filters required?
- Check ducting system and grilles and diffusers. Cleaning required?
Water leakage near the unit
- Drain connections have not been installed correctly. Checking necessary?
- . Drain connections are dirty. Cleaning necessary?
DISPOSAL AND RECYCLING
Information on disposal of units at the end of life.
This product complies with EU Directive 2002/96/EC.
The symbol of the crossed-out dustbin indicates that this product must be collected separately from other waste at the end of its life. The user must, therefore, dispose of the product in question at suitable electronic and electro-technical waste disposal collection centres, or else send the product back to the retailer when purchasing a new, equivalent type device. Separate collection of decommissioned equipment for recycling, treatment and environmentally compatible disposal helps to prevent negative effects on the environment and on health and promotes the recycling of the materials that make up the equipment. Improper disposal of the product by the user may result in administrative sanctions as provided by law.
Direttiva ErP – Regolamenti 1253/2014 – 1254/2014
ErP Directive – Regulations 1253/2014 – 1254/2014
| a) | Mark | – | OLIMPIA SPLENDID | ||
| b) | Model | – | SITALI CXVM 280 | ||
| c) | SEC class | – | A | A | B |
| c1) | SEC warm climates | kWh/m2.a | -15,2 | -11 | -7,2 |
| c2) | SEC average climates | kWh/m2.a | -39,3 | -34,4 | -30,1 |
| c3) | SEC cold climates | kWh/m2.a | -76,8 | -70,7 | -65,5 |
| Energy label | – | Yes | |||
| d) | Unit typology | – | Residential – bidirectional | ||
| e) | Type of drive | – | Variable speed drive | ||
| f) | Type of Heat Recovery System | – | Heat recovery | ||
| g) | Thermal efficiency of heat recovery | % | 80 | ||
| h) | Maximum flow rate @100Pa | m3/h | 256 | ||
| i) | Electric power input at maximum flow rate | W | 160 | ||
| j) | Sound power level (LWA) | dBA | 56 | ||
| k) | Reference flow rate | m3/h | 179 | ||
| l) | Reference pressure difference | Pa | 50 | ||
| m) | Specific power input (SPI) | W/(m3/h) | 0,385 | ||
| n1) | Control factor | – | 0,65 | 0,85 | 1 |
| n2) | Control typology | – | Local demand control | Central demand control | Manual control (no DCV) |
| o1) | Maximum internal leakage rate | % | 1,5 | ||
| o2) | Maximum external leakage rate | % | 1,5 | ||
| p1) | Internal mixing rate | % | N/A | ||
| p2) | External mixing rate | % | N/A | ||
| q) | Visual filter warning | – | Visual warning | ||
| r) | Instructions to install regulated grilles | – | N/A | ||
| s) | Internet address for pre/disassembly instructions | – | www.olimpiasplendid.it | ||
| t) | Airflow sensitivity to pressure variations | % | N/A | ||
| u) | Indoor/outdoor air tightness | m3/h | N/A | ||
| v1) | AEC – Annual electricity consumption – warm climates | kWh | 2 | 3,5 | 4,8 |
| v2) | AEC – Annual electricity consumption – average climates | kWh | 2,5 | 3,9 | 5,3 |
| v3) | AEC – Annual electricity consumption – cold climates | kWh | 7,9 | 9,3 | 10,7 |
| w1) | AHS – Annual heating saved – warm climates | kWh | 20,3 | 19,7 | 19,3 |
| w2) | AHS – Annual heating saved – average climates | kWh | 44,9 | 43,6 | 42,6 |
| w3) | AHS – Annual heating saved – cold climates | kWh | 87,8 | 85,3 | 83,4 |
Olimpia Splendid SpA
- Via Industriale 1/3, 25060 Cellatica (BS)
- www.olimpiasplendid.it
- [email protected]
The technical data and the aesthetic characteristics of the products are subject to change. Olimpia Splendid reserves the right to modify them at any time without notice.






















