SERVER CW-DI Drop-In Conservewell with Timer

SETUP
OPTIONAL
- REMOVE OUTER SCREW from cord guard.
- INSERT ANTI-ROTATIONAL FOOT
- DRILL FOOT HOLE IN COUNTERTOP
UNIT & ANTI-ROTATIONAL FOOT WILL FIT INTO CORRESPONDING COUNTERTOP HOLES.

SELECT LOCATION BLOCK HARDWARE
to create proper fit within the countertop hole. Hole diameter determines which 3 location blocks to use. If size is between two listed dimensions, refer to smaller diameter.
COUNTERTOP HOLE DIAMETER LOCATION BLOCKS
- 5.5″ No location blocks needed
- 5.75″ BLUE, embossed with “1”
- 6″ BLUE, embossed with “1”
- 6.25″ RED, embossed with “2”
- 6.5″ RED, embossed with “2”

ATTACH 3 LOCATION BLOCKS
to the underside of rim. Place each location block peg into slot in the underside of rim. Screw-in each location block using 1 screw and Phillips-head screwdriver. Slide location blocks either away from or towards base. Refer to chart below.
COUNTERTOP HOLE DIAMETER LOCATION BLOCK FITTING
5.5″ Remove all location blocks
5.75″ BLUE, slide towards the base
6″ BLUE, slide away from the base
6.25″ RED, slide towards the base
6.5″ RED, slide away from the base

INSERT UNIT
and cord into countertop hole. Refer to CORD GUARD instructions below. Secure excess cord to prevent accidental damage.

CORD GUARD
DO NOT USE A CORD GUARD WHEN CORD IS PLUGGED IN ABOVE THE COUNTERTOP USE A CORD GUARD WHEN CORD IS PLUGGED IN BELOW THE COUNTERTOP
Affix cord guard using 2 screws and Phillips-head screwdriver.
- DETACH CORD GUARD Use a Phillips-head screwdriver to remove both screws.
- RELEASE CORD
- REATTACH CORD GUARD with both screws. Secure onto the unit in case of future need.

INSERT WATER PAN
- Insert green pan liner into the bottom of pan.
- Fill 28 oz. of HOT water up to fill line in pan. Refer to water temperature charts below.
- Insert pan of water into a basin.
Pour water into the pan only

BE AWARE OF THE WATER TEMPERATURE
Help prevent bacteria growth. The FDA warns that bacteria grow most rapidly in the range of temperatures between 40°F—140°F. (4°C—60°C.)
| INITIAL WATER TEMP. 70°F | TARGET TEMPERATURE 140°F 145°F 45 min. 50 min. | |
| 110°F | 30 min. | 40 min. |
| 120°F | 20 min. | 30 min. |
| 130°F | 20 min. | 25 min. |
| INITIAL WATER TEMP. 70°F | TARGET TEMPERATURE 140°F 145°F 35 min. 40 min. | |
| 110°F | 20 min. | 25 min. |
| 120°F | 10 min. | 15 min. |
| 130°F | 5 min. | 10 min. |
WATER CHANGE-OUT
REMOVE & EMPTY PAN OF WATER
Take proper care while removing pan. Carefully pour water down a drain. Keep the pan liner inside pan.

REFILL & RETURN WATER PAN TO BASIN
Fill 28 oz. of new HOT water up to fill-line in pan. Insert pan of water into basin. Never pour water directly into basin of unit. Pour water into pan only

USING THE COUNTDOWN TIMER
- PRESS RESET TO START THE COUNTDOWN CYCLE
- PRESS RESET TO STOP THE ALARM
- CHANGE OUT WATER Complete the “WATER CHANGE-OUT” steps listed above.
- PRESS RESET BUTTON to restart the countdown cycle.
PROGRAMMING TIMER
SET COUNTDOWN CYCLE TIME
ENTER TIME PROGRAM MODE: Simultaneously press and hold the UP and RESET buttons for 10 seconds. Red light indicates unit is in timer program mode. SELECT DESIRED COUNTDOWN TIME: Press the UP or DOWN buttons. LOCK IN TIME SETTING AND EXIT PROGRAM MODE: Press and hold the RESET button for 3 seconds
SET ALARM VOLUME
ENTER ALARM PROGRAM MODE: Simultaneously press and hold the DOWN and RESET buttons for 10 seconds. Beeping indicates unit is in alarm program mode. SELECT ALARM VOLUME: Press the UP or DOWN buttons. A beep accompanies each level to indicate the volume setting. The volume level is shown in display. Adjust number to desired volume level. LOCK IN VOLUME SETTING AND EXIT PROGRAM MODE: Press and hold the RESET button for 3 seconds
UNIT TAKE-DOWN
- PRESS SWITCH TO OFF
- UNPLUG CORD
- REMOVE PAN FROM THE BASIN

CLEANING
- CLEAN
Wash the water pan and pan liner with soap and hot water. - RINSE
fully with clear water. 2 - SANITIZE
all parts according to local sanitization requirements. All parts in contact with food must be sanitized. - DRY
pan fully with a clean soft cloth. Air dry pan liner fully
CARE OF STAINLESS STEEL
The water pan is constructed of stainless steel.
If you notice corrosion beginning on any stainless steel surface, you may need to change the cleansing agent, sanitizing agent, or the cleaning procedures you are using.
- Fully rinsing and drying all parts can help prevent corrosion. Elements and minerals in tap water can accumulate on stainless steel parts and create corrosion.
- Do not use abrasive, caustic or ammonia-based cleansers.
- Do not use products containing acids, alkalines, chlorine, or salt. These agents can corrode stainless steel.
- Do not use metal scrapers or cleaning pads that could scratch surfaces.
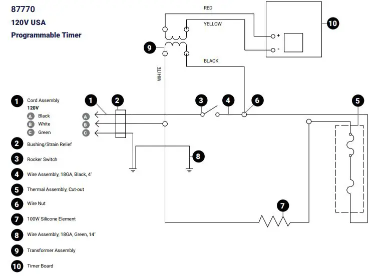
WIRING DIAGRAM


TROUBLESHOOTING
UNIT DOES NOT HEAT?
- Ensure the cord is securely plugged in.
- Ensure power is available from source.
- Ensure unit is on.
WATER NOT REACHING 140° F?
- Make sure to use HOT water in pan. Refer to the temperature charts on page 5.
- A damaged pan may not heat properly. Inspect and replace pan if needed. Use pan liner to protect pan bottom from damage.
UNIT OVERHEATING?
- Ensure water has not spilled or leaked from pan into the basin.
CAUTION:
WATER IN BASIN MAY STEAM & BURN. - Allow unit to cool. Pour out any water and dry the basin.
UTENSILS OR TOP OF PAN GETTING TOO HOT?
- Do not use liquid or gel-filled utensils. Handles become extremely hot. Only use utensils safe at high temperatures.
- Limit water volume to the fill line. (Do not exceed 28 oz. of water.)

GENERAL SERVICE, REPAIR OR RETURNS
Before sending any item to Server Products for service, repair, or return, contact Server Products customer service to request a Return Authorization Number. Merchandise must be sent to Server Products with this number. Service is extremely prompt. Typically, units are repaired and ship out within 48 hours of receipt. Merchandise being returned for credit must be in new and unused condition and not more than 90 days old and will be subject to a 20% restocking charge. Electrical parts (thermostats, heating elements, etc.) are not returnable. Servicing Cord: Specific tools are required for safe and proper power supply cord removal and installation. If cord must be replaced, only a representative of the OEM (original equipment manufacturer) or a qualified technician may replace cord. Cord must meet code designation H05 RN-F requirements.
CONSERVEWELL™ DROP-IN



















