systectherm Pamir 2500

Pamir 2500

2 m
PAF2500A
PAF2500W
PAF2500E
Fig.1


Fig. 2: PC board FC is integrated within the air curtain at delivery.


Fig.3: Open the unit.

Fig.4: Minimum distance.
Mounting with wall brackets


Fig. 6: Mounting with wall brackets
| PAF2510 | 2 pcs |
| PAF2515 | 2 pcs |
| PAF2520 | 3 pcs |
Accessories

| Item number | Type | Consists of | Length | |
| 18056 | PA34TR15* | PAF2510, PAF2515 | 4 pcs | 1 m |
| 18057 | PA34TR20* | PAF2520 | 6 pcs | 1 m |
| 19568 | PA2P15* | PAF2510, PAF2515 | 2 pcs | 1m |
| 19569 | PA2P20* | PAF2520 | 3 pcs | 1 m |
| 19415 | PA2PF15* | PAF2510, PAF2515 | 4 pcs | |
| 19417 | PA2PF20* | PAF2520 | 6 pcs | |
| 14875 | PA2EF10 | PAF2510W | ||
| 14876 | PA2EF15 | PAF2515W | ||
| 14877 | PA2EF20 | PAF2520W | ||
| 27279 | PAWAK | PAF2500W | ||
| 77179 | FHDN15 | PAF2500W |
*) See separate manual.
Valve systems

| Item number | Type | Connection | Flow range [l/s] |
| 238293 | VPFC15LF | DN15 | 0,012-0,068 |
| 238294 | VPFC15NF | DN15 | 0,024-0,13 |
| 238295 | VPFC20 | DN20 | 0,058-0,32 |
| 238296 | VPFC25 | DN25 | 0,10-0,60 |
| 238297 | VPFC32 | DN32 | 0,22-1,03 |
See separate manual.
Control systems
The air curtain must be supplemented with a control system.

| Item number | Type | Name | Dimensions |
| 74684 | FCDA | FC Direct | 89x89x26 mm (FCCF) |
| 74685 | FCSA | FC Smart | 89x89x26 mm (FCCF) |
| 74686 | FCPA | FC Pro | 89x89x26 mm (FCCF) |
| 74687 | FCBA | FC Building | 89x89x26 mm (FCCF) |
Accessories

| Item number | Type | Dimensions | |
| 74694 | FCRTX | 39x39x23 mm | |
| 74695 | FCOTX | 39x39x23 mm | |
| 74699 | FCLAP | 89x89x26 mm | |
| 74702 | FCWTA | for water heated units | |
| 17495 | FCDC | ||
| 74718 | FCBC05 | 5 m | |
| 74719 | FCBC10 | 10 m | |
| 74720 | FCBC25 | 25 m | |
| 74721 | FCSC10 | 10 m | |
| 74722 | FCSC25 | 25 m | |
| 74703 | FCTXRF | for FC Smart, FC Pro | 89x89x26 mm |
See separate manual for FC.

PAF2510E / PAF2515E / PAF2520E

Wiring diagrams for control system in the FC manual.
| Type | C1 Mid [mF] | C2 Low [mF] | C3 Run [mF] |
| PAF2510A/W | 10 | 6 | 4 |
| PAF2515A/W | 12 | 8 | 4 |
| PAF2520A/W | 10 | 6 | 4 |
PAF2510A / PAF2515A / PAF2520A
PAF2510W / PAF2515W / PAF2520W

Wiring diagrams for control system in the FC manual.
| Type | C1 Mid [mF] | C2 Low [mF] | C3 Run [mF] |
| PAF2510A/W | 10 | 6 | 4 |
| PAF2515A/W | 12 | 8 | 4 |
| PAF2520A/W | 10 | 6 | 4 |
PAF2510E05YD / PAF2515E08YD / PAF2520E10YD

| Type | C1 Mid [mF] | C2 Low [mF] | C3 Run [mF] |
| PAF2510E05YD | 10 | 6 | 4 |
| PAF2515E08YD | 12 | 8 | 4 |
| PAF2520E10YD | 10 | 6 | 4 |
Wiring diagrams for control system in the FC manual.
Technical specifications Pamir 2500
Ambient, no heat – PAF2500 A (IP21)
| Item number | Type | Output | Airflow*1 | Sound power*2 [dB(A)] | Sound pressure*3 [dB(A)] | Motor [W] | Amperage motor [A] | Weight [kg] |
| [kW] | [m3/h] | [dB(A)] | [dB(A)] | [W] | [A] | [kg] | ||
| 246826 | PAF2510A | 0 | 900/1300 | 70 | 43/53 | 115 | 0,5 | 16 |
| 246830 | PAF2515A | 0 | 1250/2100 | 71 | 44/54 | 155 | 0,7 | 24 |
| 246834 | PAF2520A | 0 | 1800/2600 | 72 | 44/55 | 230 | 1,0 | 32 |
Electrical heat – PAF2500 E (IP20)
| Item number | Type | Output steps [kW] | Airflow*1 [m3/h] | ∆t *4 [°C] | Sound power*2 [dB(A)] | Sound pressure*3 [dB(A) | Motor [W] | Amperage motor [A] | Voltage [V] Amperage [A] (heat) | Weight [kg] |
| 246823 | PAF2510E05 | 1,7/3,3/5,0 | 900/1450 | 17/11 | 68 | 42/51 | 115 | 0,5 | 400V3~/7,2 | 19 |
| 246824 | PAF2510E08 | 3,0/5,0/8,0 | 900/1450 | 27/17 | 68 | 42/51 | 115 | 0,5 | 400V3~/11,5 | 20 |
| 246827 | PAF2515E08 | 2,7/5,3/8,0 | 1400/2200 | 18/11 | 69 | 40/52 | 115 | 0,7 | 400V3~/11,5 | 30 |
| 246828 | PAF2515E12 | 4,0/8,0/12 | 1400/2200 | 26/17 | 69 | 40/52 | 155 | 0,7 | 400V3~/17,3 | 32 |
| 246831 | PAF2520E10 | 3,4/6,6/10 | 1800/2900 | 17/11 | 70 | 43/53 | 230 | 1,0 | 400V3~/14,4 | 36 |
| 246832 | PAF2520E16 | 6,0/10/16 | 1800/2900 | 27/17 | 70 | 43/53 | 230 | 1,0 | 400V3~/23,1 | 40 |
Water heat – PAF2500 W (IP21)
Item number | Type | Output*5 [kW] | Airflow*1 [m3/h] | ∆t *4,5 [°C] | 5 [°C] Water volume [l] | Sound power*2 [dB(A)] | Sound pressure*3 [dB(A)] | Motor [W] | Amperage motor [A | Weight [kg] |
| 246825 | PAF2510W | 4,7 | 900/1300 | 12/11 | 0,7 | 69 | 42/53 | 105 | 0,45 | 18 |
| 246829 | PAF2515W | 9,2 | 1250/2100 | 16/13 | 1,1 | 70 | 41/54 | 140 | 0,6 | 26 |
| 246833 | PAF2520W | 11 | 1800/2600 | 15/13 | 1,4 | 71 | 43/55 | 210 | 0,9 | 35 |
Electrical heat – PAF2500 E 230V3~ (IP20)
Item number | Type | Output steps [kW] | Airflow*1 [m3/h] | ∆t *4 [°C] | Sound power*2 [dB(A)] | Sound pressure*3 [dB(A)] | Amp. motor [A] | Voltage heat [V] | Amp. heat [A] | Weight [kg] |
| 246835 | PAF2510E05YD | 1,7/3,3/5,0 | 900/1450 | 17/11 | 68 | 42/51 | 0,5 | 230V3~/400V3~ | 12,6/7,2 | 19 |
| 246836 | PAF2515E08YD | 2,7/5,3/8,0 | 1400/2200 | 18/11 | 69 | 40/52 | 0,7 | 230V3~/400V3~ | 20,1/11,5 | 20 |
| 246837 | PAF2520E10YD | 3,4/6,6/10 | 1800/2900 | 17/11 | 70 | 43/53 | 1,0 | 230V3~/400V3~ | 25,1/14,4 | 40 |
* 1 ) Lowest/highest airflow of totally 3 fan steps.
* 2 ) Sound power (LWA) measurements according to ISO 27327-2: 2014, Installation type E.
* 3 ) Sound pressure (LpA). Conditions: Distance to the unit 5 metres. Directional factor: 2. Equivalent absorption area: 200 m². At lowest/highest airflow.
* 4 ) ∆t = temperature rise of passing air at maximum heat output and lowest/highest airflow.
* 5 ) Applicable at water temperature 60/40 °C, air temperature, in +18 °C. See www.frico.net for additional calculations.
Operating and installation instructions
General recommendations
Read these instructions carefully first to install and use the unit. To preserve this manual for future use. The product can only be used under the operating and installation instructions. Guarantee is valid only if the product is used as indicated and following the instructions.
Applications
Pamir 2500 has an installation height recommended of 2.5 meters. The door with blade air is available without heating, with electric heating and with heating water.
Protection class for units with electric heating: IP20. Protection class for units without heating and with water heating: IP21.
Operation
The air is sucked in from above and sent towards the bottom, in such a way as to create a screen on the door light and minimize the heat dispersion. To get the best efficiency, the unit should cover the whole door width. The air delivery grille is adjustable e it is normally tilted outwards to get the best protection from the air in entrance.
The efficiency of the air curtain depends the difference in temperature and pressure air between the rooms separated by the barrier itself and any pressure caused by the wind.
NOTE! A negative pressure inside building significantly reduces efficiency of the air curtain, therefore it is fine intervene to balance the flow of the ventilation.
Assembly
The air curtain is mounted horizontally with the air outlet grille facing down and as close as possible to the brings. The product must be mounted in such a way to allow future assistance interventions e maintenance. For units with heating electric, the minimum distance between the opening of delivery and the floor is 1800 mm. For other minimum distances, see figure 4.
Mounting with wall brackets (fig. 6)
- Mount the brackets on the wall, see Fig. 6A and the diagram of the dimensions in Fig. 1. It is need to offset the brackets to fit them on the wall, if the latter has one uneven surface.
- Hook the unit onto the bottom edge of the brackets. (Fig.6B)
- Tilt the top of the shelf above the drive and slide the drive screws along the guide until they are inserted into the shelf slots. (Fig. 6C) When the bracket bends, you need to replace it if for straighten it must be bent over 45 °.
- Tighten the nuts against the brackets. (Fig.6D)
Horizontal ceiling mounting
Threaded rods, suspension brackets and brackets for ceiling mount are available as accessories; see accessories pages and i specific manuals.
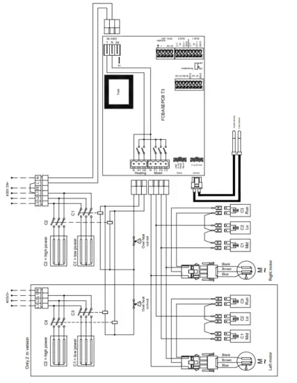
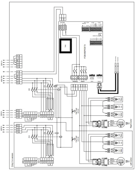
Electrical connections
The installation, which must include a suitably sized switch and in accordance with local regulations, must only be performed by a trained electrician and in compliance with the most recent edition of the IEE regulations on cabling.
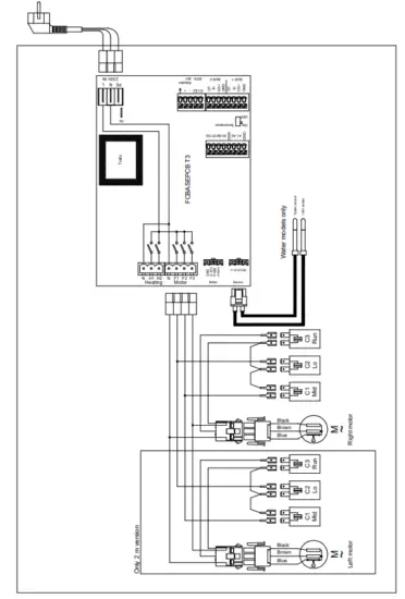
The air curtain features a tab Integrated PC connected to the control system external FC selected. The HR system must be ordered separately. The board PC is accessible via the cable glands on the side top of the unit. See Fig. 2. The system FC is supplied already programmed.
The cables of communication and sensors are connected to the PC card. In case you want to check out more of an air curtain with a single FC system, you will need a additional FCBC communication for each unit. See the FC manual.
Unit without heating or with heating ad water
Connection via the control board integrated with 1.5m cable and plug.
Unit with electric heating
The electrical connection is made on the top of the unit. Drill the cable gland with a screwdriver first to insert the cable. See Fig. 2. The power supply (230 V single-phase) and the power supply for the heating (400 V three-phase) must be connected to the terminals in the connection compartment. Units of length equal to or greater than 2 meters they require double feeding.
See dimension diagram The largest cable diameter for power is 16 mm². The grommets used must be comply with the requirements of the protection class. On the terminal board it must be indicated that “air curtains can be powered by more than one connection “.
Type | Power [kW] | Voltage [V] | Section min.* [mm2 ] |
| Adjustment | 0 | 230V~ | 1,5 |
| PAF2510E05 | 5 | 400V3~ | 1,5 |
| PAF2510E08 | 8 | 400V3~ | 2,5 |
| PAF2515E08 | 8 | 400V3~ | 2,5 |
| PAF2515E12 | 12 | 400V3~ | 4 |
| PAF2520E10*1 | 5 5 | 400V3~ 400V3~ | 1,5 1,5 |
| PAF2520E16*1 | 8 8 | 400V3~ 400V3~ | 2,5 2,5 |
* 1 ) The 2m units are connected with two power supplies.
* 2 ) The sizing of external wiring must be conforms to applicable standards and differences are possible a local level.
First start-up (E)
When the unit is used for the first time once or after a long period of inactivity, smoke or a slight smoke may develop odor due to dust or dirt accumulated on the element. This phenomenon is absolutely normal and disappears after a short time time. Battery connection of heating (W) The work must be carried out by an installer authorized. The heating battery consists of pipes copper with aluminum fins and is prepared for connection to a closed circuit system of water heating.
The battery of heating must not be connected to a general plumbing under pressure, either to an open circuit system.
Note that the drive must be preceded from a regulating valve, see the kit Frico valves. The water coil is connected to the side top of the unit with a copper pipe smooth ø15 mm, equipped with a suitable joint and internal lining. Welding is not recommended. The attacks on the battery of heating must be equipped with valves of interception to facilitate a possible uninstall. The water coil is provided of drain valve. Connect a valve of ventilation at a high point in the system of pipes. The air vent valves are not included.
NOTE: Be careful when doing piping connection. Use always an internal lining in the pipe fittings, so as to avoid damage to pipes and consequent water leaks
Direction and direction adjustment air flow
The direction and speed of the air flow they must be adjusted according to the forces which act on the entrance light. The forces of pressure affect the airflow, making it flex inward (when the insides are heated and the outside air is cold). To counter these forces, the flow of air it must be directed outwards. On line in principle, the greater the forces present e the greater the angle should be.
Basic adjustment of the speed of the fan
With the door open, the fan speed is adjustable via the control. Keep in mind that both the direction of the air flow and the fan speeds may require fine adjustments, based on the forces that act on the door area.
Filter (W)
The air heater is covered with a internal air filter that serves to protect the battery from dirt and to avoid blockages. In environments where cleaning is required filter frequently, it is advisable to use an external return filter (see pages accessories) which simplifies the operations of maintenance avoiding having to open the unit. When an external filter is used, the filter interior is removed.
Assistance, repairs and maintenance
For all assistance, repairs and maintenance, carry out these operations foreplay:
- Disconnect the power supply.
- Removing the front door will performs by removing the screws at the top of the unit and peeling off the folded edge from bottom. (Fig. 3) 3. After service operations, repairs and maintenance, reattach the door front. Place the folded edge of the door on the bottom of the unit, e fasten the screws on the top.
Maintenance
Unit with water heating The unit filter must be cleaned regularly to ensure operation effective of the air curtain and leakage heat from the device. The frequency of cleaning depends on the environment and the situation of use. A clogged filter is not a risk, but it can compromise functionality of the unit.
- Disconnect the power supply.
- Removing the front door will performs by removing the screws at the top of the unit and peeling off the folded edge from bottom. (Fig. 3)
- Remove the filter and clean it with a vacuum cleaner or wash it. If the filter is clogged or damaged, it may be necessary replace it.
All units
Fan motors and other components do not require maintenance, except regular maintenance cleaning. The level of cleaning may vary by to environmental conditions. Carry out cleaning at least twice a year. Return grids e flow, impeller and elements must be cleaned by suction or with a damp cloth. When vacuuming, use a brush to avoid damaging sensitive parts. Avoid using strongly acidic cleaners or alkaline.
Temperature control
The temperature control of the FC system maintains the flow temperature. If the temperature exceeds the default value, the overheating alarm is activated. For For more information, see the manual for FC system.
Overheating
Unit with electric heating Units with electric heating they are equipped with thermal protection. Self the protection intervenes due to a overheating, reset as follows:
- Remove electricity by turning off the breaker of isolation.
- Identify the cause of the overheating ed eliminate the problem.
- Remove the front door.
- Press the red button located inside the air curtain, on the side inside the connection box.
- Reattach the front door and connect drive again.
All units
All motors are equipped with thermal protection integrated. In case the temperature of the engine becomes too high, the protection intervenes by stopping the unit. The protection it resets automatically as soon as the engine temperature drops within limits normal operating.
Replacing a resistor electric / heating group (E)
- Tag and disconnect cables from group / from the heating elements.
- Remove the fixing screws that secure the unit (s) of the heating elements lift the latter until they are extracted.
- Install the new assembly (s) heaters following the directions above in reverse order.
Replacing the battery heating (W)
- Shut off the water supply to the unit.
- Disconnect the battery connections.
- Remove the fixing screws and take out the battery from the unit.
- Install the new battery following the disassembly instructions in reverse order.
Emptying the battery heating (W)
The drain valve is located on the part bottom of the battery, on the attachment side. You can be accessed through the front door.
Motor or impeller replacement
- Remove the front part.
- Remove the side of the barrier.
- Remove the screw between the motor and the fan.
- Disconnect the cables from the motor.
- Remove the screws that secure the motor and remove it together with the impeller.
- Fit the new motor and / or new impeller as above, in reverse order.
PC Card Replacement
- The PC card is inside the box of the terminals. Fig. 2 2. Tag and disconnect cables from PC card.
- Remove the screws that secure the board and pull it out.
- Mount the new PC card following the previous steps in reverse order.
Troubleshooting
If the fans are stopped or not working correctly, check:
- The power supply.
- That the return grille / filter is not dirty.
- That the integrated safety switch of the engine has not intervened.
- Check the functions and settings of the FC control system, see the manual for FC.
In the absence of heat, check the following:
- Check the functions and settings of the FC control system, see the manual for FC.
For units with electric heating, check also:
- •The fuses and the circuit breaker (if present) between the power supply and the resistance electric heating.
- That the thermal protection has not intervened. For water coil units, check also:
- That is not inside the water coil air present.
- That the water flow and pressure are sufficient.
- That the incoming water is heated properly adequate.
Differential switch (E)
If the system is protected by a switch differential, which clicks when the unit comes connected to the power supply, the cause may be the presence of moisture in the element heating. If a unit with element heater has not been used for a long time time or has been stored in an environment damp, moisture may have penetrated inside the element.
This shouldn’t be considered a breakdown; the unit can be put in function simply by connecting it to the main line through a socket without safety switch, so that moisture can be deleted from the element. The weather drying time can vary from a few hours to some days. If the unit is to stand still for a long time, from time to time it is good normally activate it temporarily.
Packaging
Packaging materials are selected taking into account in consideration of the environment and therefore are recyclable.
Disposal of the product when finished of the operational duration.
This product may contain substances necessary for its functionality but potentially dangerous for the environment. The product must not be disposed of with i general household waste but delivered to a designated collection point for recycling environmental. Contact your local authorities for more details on the designated collection point closer.
- When installing any product for the electric heater you should use a 300 mA differential switch for the purpose of fire protection.
- Make sure the area around the grills return and delivery is free from any obstruction.
- The unit must not be fully covered or partially, as overheating could give rise to a risk of fire.
- Means must be used to lift the unit lifting.
- The unit can be used by older children 8 years or older and people with capacity physical, sensory or mental reduced or lacking the necessary experience and knowledge, a provided they are supervised or have received instructions on how to use the unit in a safe way and that they understand the possibilities risks. The unit must not be used as a toy from children. Cleaning and the user maintenance does not need to be performed as children without supervision.
- Keep children away from the appliance age less than 3 years, albeit constantly supervised.
- For children between the ages of 3 and 8 it is only allowed to turn on / off the appliance, provided that it is placed or installed in the usual operating position and they are carefully supervised and instructed on how to use the appliance safely on the dangers that this entails.
- To children between the ages of 3 and 8 years not it is allowed to plug in, adjust and clean the appliance or carry out maintenance.
ATTENTION: Some parts of the appliance they can get very hot and provoke burns. Particular attention must be paid attention in the presence of children or people disabled.
Translation of introductory pages
| = Cable glands = The FC card for PC is integrated inside thebarrier to the air ma to I delivers it. = Open the unit = Minimum distances = Mounting with wall brackets = Accessories = Consists of = Pieces = See the specific manual. = The air curtain must be integrated with aregulation system. = Wiring diagrams for the control system included in theFC system manual. |
Technical data
| Output steps [kW] Output*5 [kW] Airflow*1 [m3 /h] Sound power*2 [dB(A)] Sound pressure*3 [dB(A)] Voltage motor [V] Amperage motor [A] Voltage / Amperage heat Water volume [l] Length [mm] Weight [kg] | = Power stages = Power = Air flow = Sound power = Sound pressure = Motor voltage = Motor current = Heating voltage / current = Water volume = Length = Weight |
* 1 ) Minimum / maximum air flow over a total of 3 fan stages.
* 2 ) Measurements of sound power (LWA) in accordance with ISO 27327-2: 2014, Installation type E.
* 3 ) Sound pressure (LpA). Conditions: distance from the unit 5 meters. Directional factor: 2. Absorption surface equivalent: 200 m². At the minimum / maximum flow rate.
* 4 ) ∆t = increase in the temperature of the air in transit at maximum heat output and minimum air flow / maximum.
* 5 ) Applicable for a water temperature of 60/40 ° C, and an air temperature of +18 ° C. For further calculations, see www.frico.net.

Systec Therm AG · Letzistrasse 35 · CH-9015 San Gallo
Telefono +41 71 274 00 50 · [email protected] · www.systectherm.ch



















