SERVER IS-1-3 1/3-Size Pan Warmer

Product Information
- Model: IS-1/3
- Voltage: 120V USA 86090, 120V USA 86254 (custom), 120V USA 100419 (custom), 120V Canada 86481, 230V
- Continental Europe 86338, 230V United Kingdom 86341
Product Usage Instructions
Unit Set-Up
- Wash all parts properly before every use. Refer to page 5 for more information.
- Fill the unit basin with water. It is recommended to use filtered water to deter corrosion. Ensure even heating by checking water levels throughout the holding period.
- Put the pan(s) into the basin.
- Plug the cord into a power source.
- Press the power button to turn the unit on. If the unit has 230 volts, there will also be a power switch that needs to be pressed to the ON position.
Safety
Warning: Electrical shock could occur. This unit must be earthed or grounded. Make sure all three prongs (terminals) on the cord plug are plugged into the power source. Check with local food and safety regulators for specific guidelines on storing and serving foods at certain temperatures to avoid potential hazards.
Note: Server Products, Inc. cannot be held responsible for the serving of potentially hazardous products.
Rethermalization and Hot Food Holding
Cold food should not be added to the unit for thermalization while hot food is being held. This unit is listed as a Rethermalization and Hot Food Holding unit (Standard 4) by NSF International and ANSI (American National Standards Institute).
Unit Take-Down
- Press the power button to turn the unit off. If the unit has 230 volts, there will also be a power switch that needs to be pressed to the OFF position.
- Unplug the cord.
- Remove the pan(s) from the basin. Take caution as the unit may still be hot.
- Allow the unit to cool before proceeding.
- Empty the water from the basin after each use. It is recommended to empty the water each day to extend the life of the warmer.
- Dry all parts thoroughly with a soft dry cloth. Proper drying after each use helps maintain the heat plate and stainless steel.
Cleaning
Warning: Electrical shock could occur. Allow the unit to cool before cleaning. Do not use abrasive brushes or pads on the heat plate to avoid compromising the TeflonTM coating.
- Rinse all parts fully with clear water.
- To remove the limescale, use a non-corrosive limescale remover on the interior of the basin.
- It is recommended to do this once a month or as needed. After treatment, clean thoroughly with soap and hot water.
- Sanitize all parts according to local sanitization requirements. All parts in contact with food must be sanitized.
- Dry all parts fully with a clean soft cloth.
Care of Stainless Steel
If you notice corrosion beginning on any stainless steel surface, you may need to change the cleansing agent, sanitizing agent, or cleaning procedures you are using.
Control Functions
Display Messages: COL = COOL. This indicates that the heating element is off and cooling down to the set temperature.
Thank You
for purchasing our IntelliServ® warmer. Its digital temperature control ensures accurate holding of toppings and sauces from the first serving to the last.
DON’T COMPROMISE YOUR MENU—INTELLIGENT
UNIT SET-UP WASH ALL PARTS PROPERLY BEFORE EVERY USE. See page 5.
- FILL UNIT BASIN WITH WATER Fill 1 liter of water up to fill-line-ridge inside basin.
TIP: Check water levels throughout the holding period to ensure even heating. - Filtered water is recommended to deter corrosion.
PUT PAN(S) INTO THE BASIN
- The product being served must always be inside the pan(s).

- Never place food directly into the basin of the unit.

TIP: Food pan(s) not included– modular design lets you choose pan(s), pump(s), or high-temp squeeze bottles for your food application. See page 11.
PLUG CORD
into a power source.
PRESS the POWER BUTTON
to turn the unit on.
UNITS WITH 230 VOLTS
also have a power switch. Press to ON position.
SET THERMOSTAT
to recommended serving temperature.
- Press the Down or Up buttons to set the temperature.
- See page 6 for control function details.
SAFETY
WARNING ELECTRICAL
SHOCK COULD OCCUR
This unit must be earthed or grounded. This requires all three prongs (terminals) on the cord plug to be plugged into the power source According to food and safety regulations, most foods must be stored and/or served at certain temperatures or they could become hazardous. Check with local food and safety regulators for specific guidelines. Be aware of the product you are serving and the temperature the product is required to maintain. Server Products, Inc. can not be responsible for the serving of potentially hazardous products.
RETHERMALIZATION
Rethermalization of food products is achieved by this appliance when it elevates the food product temperature from a refrigerated 40°F (4°C) to a safe serving temperature of 165°F (74°C) within a period of 2 hours.
PRE-HEAT UNIT
for at least 5 minutes with:
- The correct amount of water in the basin.
- Lid(s) closed.
- Temperature set at maximum setting.
ADD FOOD PRODUCT
- Put food into pans.
- Do not overfill.
MAINTAIN SAFE HOT FOOD HOLDING
- After food reaches a safe serving temperature of 165°F (74°C), maintain product temperature at or above 150°F (66°C).
- Adjust the controller if needed to avoid overheating food.
- Hot Food Holding is achieved with this appliance when it maintains a food product temperature at or above 150°F (66°C), in all locations throughout the product, for a minimum of 2 hours, even if any lid, cover, or pump is removed.
- The lid, cover, or pump is recommended to help maintain product temperature.
PRE-HEAT UNIT
for at least 5 minutes with:
- The correct amount of water in the basin.
- Lid(s) closed.
- Temperature set at maximum setting.
ADD FOOD PRODUCT
- Put food that has already been preheated to 150°F (66°C) into pans.
- Do not overfill.
MONITOR FOOD CLOSELY FOR FOOD SAFETY
The United States Public Health Service recommends that hot food be held at a minimum of 140°F (60°C) to help prevent bacteria growth. COLD FOOD IS NOT TO BE ADDED TO THE UNIT FOR THERMALIZATION WHILE HOT FOOD IS BEING HELD. NSF International and ANSI (American National Standards Institute) list this unit as a “Rethermalization and Hot Food Holding unit (Standard 4).”
UNIT TAKE-DOWN
PRESS POWER BUTTON
to turn the unit off.
UNITS WITH 230 VOLTS
also have a power switch. Press to OFF position
UNPLUG CORD
REMOVE PAN(S) FROM THE BASIN
CAUTION- HOT
Allow the unit to cool before continuing.

EMPTY WATER FROM BASIN after each use.
TIP: Remember to empty the water each day rather than add— This will greatly extend the life of you’re warmer.
DRY
thoroughly with a soft dry cloth.
UNITS WITH 230 VOLTS
also have a power switch. Press to OFF position.
CLEANING
Proper drying after each use helps maintain the heat plate and the stainless steel.
WARNING ELECTRICAL
SHOCK COULD OCCUR
- The electrical components of the unit could be damaged from water exposure or any liquid.
- Never immerse the unit in water or any liquid.
- Never use any water jet or pressure sprayer on the unit.
- Ensure the unit is “OFF” and unplugged.
CAUTION- HOT
Allow the unit to cool before cleaning
REMOVE LIMESCALE
RECOMMENDED ONCE A MONTH OR AS NEEDED
Use a non-corrosive limescale remover to eliminate mineral buildup on the interior of the basin. This will greatly extend the life of your warmer.
AFTER TREATMENT
Clean thoroughly with soap and hot water. Prolonged exposure to caustic chemicals can negatively affect the performance of the heat plate
CLEAN
- Before first use and after use daily, disassemble and clean the unit.
- Ensure the unit is “OFF” and unplugged.
- Wash with dishwashing soap and hot water.
- Do not use abrasive brushes or pads on the heat plate. Scratching the heat plate surface would compromise the Teflon™ coating.
- Teflon is a registered trademark of the Chemours Company.
RINSE fully with clear water. SANITIZE all parts according to local sanitization requirements. All parts in contact with food must be sanitized
DRY all parts fully with a clean soft cloth
CLEAN EXTERNAL SURFACES
- Wipe daily with a clean damp cloth.
- Dry with a clean soft cloth.
- Glass and surface cleaners approved for use in food contact areas may be used
CARE OF STAINLESS STEEL
This warmer is constructed of stainless steel— one of the best materials for food serving and storage. If you notice corrosion beginning on any stainless steel surface, you may need to change the cleansing agent, sanitizing agent, or cleaning procedures you are using.
- Fully rinsing and drying all parts can help prevent corrosion. Elements and minerals in tap water can accumulate on stainless steel parts and create corrosion.
- Do not use abrasive, caustic, or ammonia-based cleansers.
- Do not use products containing acids, alkalines, chlorine, or salt. These agents can corrode stainless steel.
- Do not use metal scrapers or cleaning pads that could scratch surfaces
CONTROL FUNCTIONS
DISPLAY MESSAGES
COL = COOL
The heating element is off and cooling down to set temperature.
![]()
PRE = HEAT
The heating element is on and warming up to set temperature.

ERR = ERROR
The control board is not functioning. Repair is required. (Please see page 12 for repairs.)
![]()
The temperature differential between cool and heat is 10°F (5.5°C) of the set temperature. The display will switch between control functions and set the temperature until the unit stabilizes
DOWN & UP BUTTONS
Press and hold the Down or Up buttons to cycle through the temperature range.

TEMPERATURE RANGES
For most units: 100°F (37°C)—220°F (104°C)
For unit 86254: 135°F (57°C)—220°F (104°C)
POWER BUTTON On/Off
HEATING INDICATOR
Light indicates the heating element is active
CELSIUS INDICATOR
Light indicates temperature display mode is °C.
No light indicates temperature display mode is °F.
TO SET DISPLAY °F OR °C
- Turn the unit off.
- Press and hold the Down button, then simultaneously press and hold
- The power button for 30 seconds.
- The Celsius indicator will activate to display °C or deactivate to display °F.
WIRING UNITS 86090, 86254, 86481, 100419 (120V)

- Cord Assembly
- 120V USA White
- Black Green
- Bushing/Strain Relief
- Wire Nut White Wire Assembly
- White Wire Assembly 500W Heating Element
- Black Wire Assembly
- Thermal Cutout
- Thermistor Assembly
- Temperature Controller Bushing
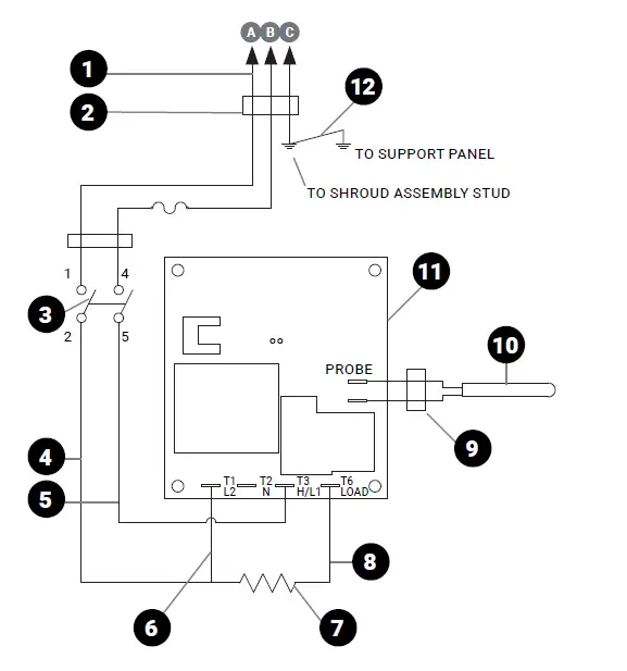
WIRING UNITS 86338, 86339, 86341 (CONT. EURO & UK)

- Cord Assembly
- 230V Blue
- Brown Yellow/Green
- Bushing/Strain Relief
- Rocker Switch
- White Wire Assembly Black Wire Assembly
- White Wire Assembly 500W Heating Element
- TO SUPPORT PANEL
- TO SHROUD ASSEMBLY STUD
- PROBE Black Wire Assembly
- Bushing Thermistor Assembly Temperature Controller
- Green Wire Assembly
ACCESSORY ITEMS
Customize your IntelliServ® warmer with pans, pumps, ladles or squeeze bottles for topping, finishing or plat-escaping

Stainless Steel FP-1/6 Pump, 86312
- 1 oz (30 mL)
- 1/6-Size Squeeze Bottle Holder 87530
- w/(3) 16 oz Bottles
- 1/3-Size, 6″ (150mm) Deep Pan, 90083
- 6 qt (5.7 L)
- 1/6-Size, 6″ (150mm) Deep Pan, 90089
- 2¾ qt (2.6 L)
- 1/6-Size Pan Lift-off Lid 90094
- Stainless Steel 6″ Ladle, 87213
- 1 oz (30 mL)
TROUBLESHOOTING
UNIT DOES NOT HEAT?
- Ensure the cord is securely plugged in.
- Ensure power is available from the source.
- Ensure the unit is on.
- Ensure the thermostat is set correctly.
- Ensure that the correct amount of water is in the basin.
UNIT TRIPS THE BREAKER? (GROUND
FAULT INTERRUPTER)
- Never expose electrical components to water or liquid. This may result in damage.
- The unit may not function.
- If electrical components have gotten wet:
- Turn off the unit and unplug it.
- Allow the unit to dry completely.
SERVER PRODUCTS
LIMITED WARRANTY
This Server product is backed by a two-year limited warranty against defects in materials and workmanship. See Server-Products.com for details.
GENERAL SERVICE, REPAIR, OR RETURNS NEED HELP?
Before sending any item to Server Products for service, repair, or return, contact Server Products customer service to request a Return Authorization Number. Merchandise must be sent to Server Products with this number. Service is extremely prompt. Typically, units are repaired and shipped out within 48 hours. Merchandise being returned for credit must be in new and unused condition and not more than 90 days old and will be subject to a 20% restocking charge. Electrical parts (thermostats, heating elements, etc.)are not returnable. Servicing Cord: Specific tools are required for safe and proper power supply cord removal and installation. If the cord must be replaced, only a representative of the OEM (original equipment manufacturer) or a qualified technician may replace the cord. The cord must meet code designation H05 RN-F requirements.
NEED HELP?
ServNEEDer Pr HELPoducts Inc.?
3601 Pleasant Hill Road
Richfield, WI 53076 USA
Chat with us!
[email protected]
262.628.5600 | 800.558.8722 Please be prepared with your Model, P/N, and Series located on the lid or base of the unit.
Manual #EM_01908_RevG 120222




















