SERVER IS-1/3 IntelliServ 1/3-Size Pan Warmer
UNIT SET-UP
WASH ALL PARTS PROPERLY BEFORE EVERY USE.
- FILL UNIT BASIN WITH WATER

- Fill 1 liter of water up to fill-line-ridge inside the basin.
- TIP: Check water levels throughout the holding period to ensure even heating.
Filtered water is recommended to deter corrosion.
- PUT PAN(S) INTO THE BASIN

- The product being served must always be inside pan(s).
Never place food directly into basin of unit. - TIP: Food pan(s) not included– modular design lets you choose pan(s), pump(s) or high-temp squeeze bottles for your food application.
- The product being served must always be inside pan(s).
- PLUG CORD into power source
. - PRESS POWER BUTTON
to turn unit on. UNITS WITH 230 VOLTS also have a power switch. Press to ON position. - SET THERMOSTATto recommended serving temperature.
- Press the Down or Up to buttons set the temperature.
- See page 6 for control function details.
SAFETY
WARNING-
ELECTRICAL SHOCK COULD OCCUR This unit must be earthed or grounded. This requires all three prongs (terminals) on cord plug to be plugged into power source.
RETHERMALIZATIONRETHERMALIZATION
Rethermalization of food products is achieved by this appliance when it elevates the food product temperature from a refrigerated 40°F (4°C) to a safe serving temperature of 165°F (74°C) within a period of 2 hours.
- PRE-HEAT UNIT for at least 5 minutes with:
- Correct amount of water in basin.
- Lid(s) closed.
- Temperature set at maximum setting.
- ADD FOOD PRODUCT
- Put food into pans.
- Do not overfill.
- MAINTAIN SAFE HOT FOOD HOLDING
- After food reaches safe serving temperature of 165°F (74°C), maintain product temperature at or above 150°F (66°C).
- Adjust controller if needed to avoid overheating food.
According to food and safety regulations, most foods must be stored and/or served at certain temperatures or they could become hazardous. Check with local food and safety regulators for specific guidelines. Be aware of the product you are serving and the temperature the product is required to maintain. Server Products, Inc. can not be responsible for the serving of potentially hazardous product.
HOT FOOD HOLDING
Hot Food Holding is achieved with this appliance when it maintains a food product temperature at or above 150°F (66°C), in all locations throughout the product, for a minimum of 2 hours, even if any lid, cover, or pump is removed. The lid, cover, or pump is recommended to help maintain product temperature.
- PRE-HEAT UNIT for at least 5 minutes with:
- Correct amount of water in basin.
- Lid(s) closed.
- Temperature set at maximum setting.
- ADD FOOD PRODUCT
- Put food which has already been preheated to 150°F (66°C) into pans.
- Do not overfill.
MONITOR FOOD CLOSELY FOR FOOD SAFETY.
The United States Public Health Service recommends that hot food be held at a minimum of 140°F (60°C) to help prevent bacteria growth. COLD FOOD IS NOT TO BE ADDED TO THE UNIT FOR THERMALIZATION WHILE HOT FOOD IS BEING HELD.
NSF International and ANSI (American National Standards Institute) list this unit as a “Rethermalization and Hot Food Holding unit (Standard 4).”
UNIT TAKE-DOWN
- PRESS POWER BUTTON to turn unit off. UNITS WITH 230 VOLTS also have a power switch. Press to OFF position.
- UNPLUG CORD

- REMOVE PAN(S) FROM BASIN CAUTION- HOT Allow unit to cool before continuing.

- EMPTY WATER FROM BASIN after each use. each day rather than add—
This will greatly extend the life of your warmer. - DRY
thoroughly with a soft dry cloth. Proper drying after each use helps maintain the heat plate and the stainless steel.
CLEANING
WARNING-
ELECTRICAL SHOCK COULD OCCUR
- Electrical components of unit could be damaged from water exposure or any liquid.
- Never immerse unit into water or any liquid.
- Never use any water jet or pressure sprayer on unit.
- Ensure unit is “OFF” and unplugged.
CAUTION- HOT
Allow unit to cool before cleaning.
REMOVE LIME SCALE
RECOMMENDED ONCE A MONTH OR AS NEEDED: Use a non-corrosive lime scale remover to eliminate mineral buildup on the interior of the basin. This will greatly extend the life of your warmer.
AFTER TREATMENT:
Clean thoroughly with soap and hot water. Prolonged exposure to caustic chemicals can negatively affect the performance of the heat plate.
- CLEAN

- Before first use and after use daily, disassemble and clean unit.
- Ensure unit is “OFF” and unplugged.
- Wash with dishwashing soap and hot water. Do not use abrasive brushes or pads on the heat plate. Scratching the heat plate surface would compromise the Teflon™ coating. Teflon is a registered trademark of the Chemours Company.
- 2 RINSE fully with clear water.
- SANITIZE all parts according to local sanitization requirements. All parts in contact with food must be sanitized.
- 4 DRY all parts fully with a clean soft cloth.
- CLEAN EXTERNAL SURFACES
- Wipe daily with a clean damp cloth.
- Dry with a clean soft cloth.
- Glass and surface cleaners approved for use in food contact areas may be used.
CARE OF STAINLESS STEEL
This warmer is constructed of stainless steel— one of the best materials for food serving and storage. If you notice corrosion beginning on any stainless steel surface, you may need to change the cleansing agent, sanitizing agent, or the cleaning procedures you are using.
- Fully rinsing and drying all parts can help prevent corrosion. Elements and minerals in tap water can accumulate on stainless steel parts and create corrosion.
- Do not use abrasive, caustic or ammonia-based cleansers.
- Do not use products containing acids, alkalines, chlorine, or salt. These agents can corrode stainless steel.
- Do not use metal scrapers or cleaning pads that could scratch surfaces.
CONTROL FUNCTIONS
DISPLAY MESSAGES
- COL = COOL
Heating element is off and cooling down to set temperature. - PRE = HEAT
Heating element is on and warming up to set temperature. - ERR = ERROR
Control board is not functioning. Repair is required.(Please see page 12 for repairs.)Temperature differential between cool and heat is 10°F (5.5°C) of set temperature.
Display will switch between control functions and set temperature until unit stabilizes. - DOWN & UP BUTTONS

TO SET DISPLAY °F OR °C
- Turn unit off.
- Press and hold Down button, then simultaneously press and hold Power button for 30 seconds.
- Celsius indicator will activate to display °C or deactivate to display °F.
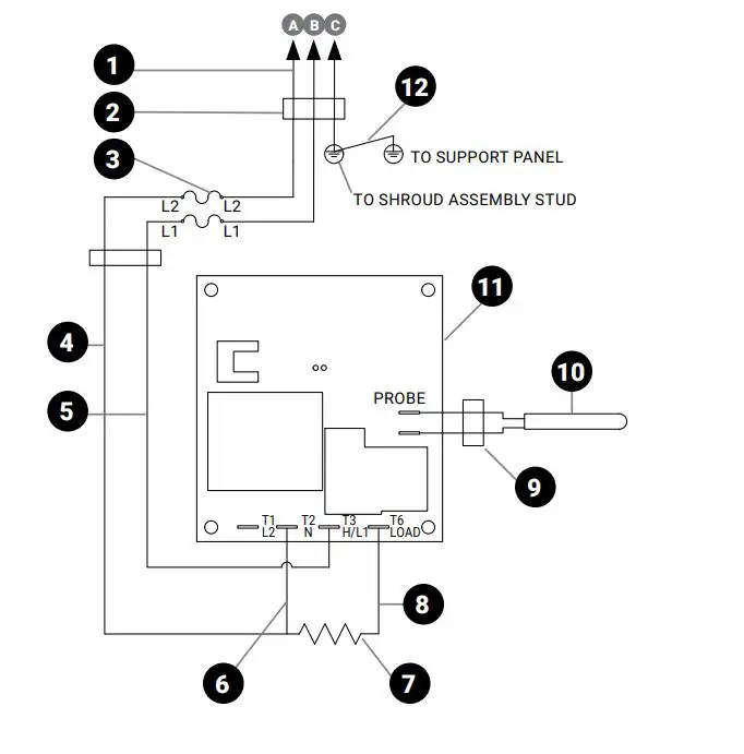
WIRING 
- Cord Assembly 120V USA
- White
- Black
- Green
- Bushing/Strain Relief
- Wire Nut
- White Wire Assembly
- White Wire Assembly
- 500W Heating Element
- Thermal Cutout
- Black Wire Assembly
- Thermistor Assembly
- Temperature Controller
- Bushing
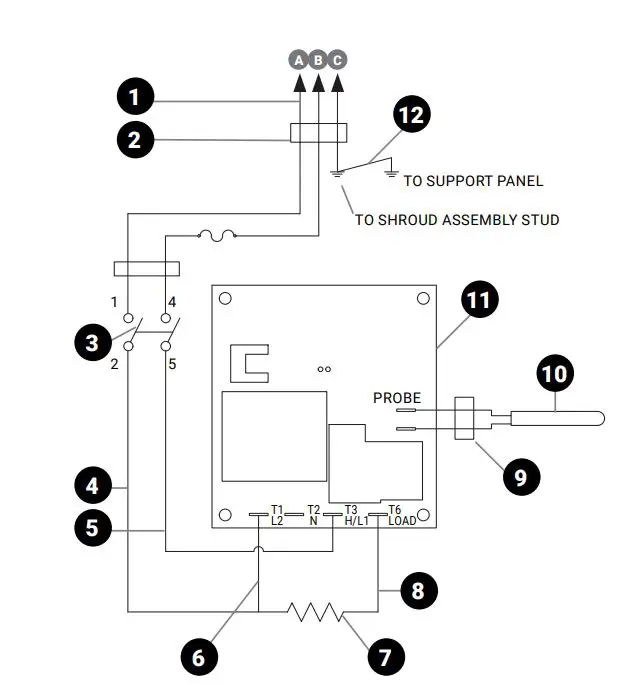
WIRING UNIT 86479 (100V JAPAN)
- Cord Assembly 100V JAPAN
- Blue
- Brown
- Yellow/Green
- Bushing/Strain Relief
- Thermal Cutout
- White Wire Assembly
- Black Wire Assembly
- White Wire Assembly
- 500W Heating Element
- Black Wire Assembly
- Bushing
- Thermistor Assembly
- Temperature Controller
- Green Wire Assembly
WIRING UNITS 86338, 86339, 86341 (CONT. EURO, AU, UK)
- Cord Assembly 230V
- Blue
- Brown
- Yellow/Green
- Bushing/Strain Relief
- Rocker Switch
- White Wire Assembly
- Black Wire Assembly
- White Wire Assembly
- 500W Heating Element
- Black Wire Assembly
- Bushing
- Thermistor Assembly
- Temperature Controller
- Green Wire Assembly
WIRING UNIT 86478 (230V BRAZIL)
- Cord Assembly 230V BRAZIL
- Blue
- Brown
- Yellow/Green
- Bushing/Strain Relief
- Rocker Switch
- White Wire Assembly
- Black Wire Assembly
- White Wire Assembly
- 500W Heating Element
- Black Wire Assembly
- Bushing
- Thermistor Assembly
- Temperature Controller
- Green Wire Assembly
ACCESSORY ITEMS
Customize your IntelliServ® warmer with pans, pumps, ladles or squeeze bottles for topping, finishing or plate scraping.
PART NUMBER
- 86312 Stainless Steel FP-1/6 Pump, 1 oz (30 mL)
- 87530 1/6-Size Squeeze Bottle Holder w/(3) 16 oz Bottles
- 90083 1/3-Size, 6″ (150mm) Deep Pan, 6 qt (5.7 L)
- 90089 1/6-Size, 6″ (150mm) Deep Pan, 2¾ qt (2.6 L)
- 90094 1/6-Size Pan Lift-off Lid
- 87213 Stainless Steel 6″ Ladle, 1 oz (30 mL)
TROUBLESHOOTING
UNIT DOES NOT HEAT?
- Ensure cord is securely plugged in.
- Ensure power is available from source.
- Ensure unit is on.
- Ensure thermostat is set correctly.
- Ensure that the correct amount of water is in basin.
UNIT TRIPS THE BREAKER? (GROUND FAULT INTERRUPTER)
- Never expose electrical components to water or liquid. This may result in damage. Unit may not function. If electrical components have gotten wet:
- Turn off unit and unplug.
- Allow unit to dry completely.
SERVER PRODUCTS LIMITED WARRANTY
This Server product is backed by a two-year limited warranty against defects in materials and workmanship. See Server-Products.com for details.
GENERAL SERVICE, REPAIR OR RETURNS
Before sending any item to Server Products for service, repair, or return, contact Server Products customer service to request a Return Authorization Number. Merchandise must be sent to Server Products with this number. Service is extremely prompt. Typically, units are repaired and ship out within 48 hours. Merchandise being returned for credit must be in new and unused condition and not more than 90 days old and will be subject to a 20% restocking charge. Electrical parts (thermostats, heating elements, etc.) are not returnable. Servicing Cord: Specific tools are required for safe and proper power supply cord removal and installation. If cord must be replaced, only a representative of the OEM (original equipment manufacturer) or a qualified technician may replace cord. Cord must meet code designation H05 RN-F requirements.
NEED HELP?
ServNEEDer Pr HELPoducts Inc.?
3601 Pleasant Hill Road
Richfield, WI 53076 USA
Chat with us!
[email protected]
262.628.5600 | 800.558.8722
UNIT SET-UP

.






















