Quick Mount PV QM-QBP-11.5-M1 QBase Post Instruction Manual
Product Descriptions

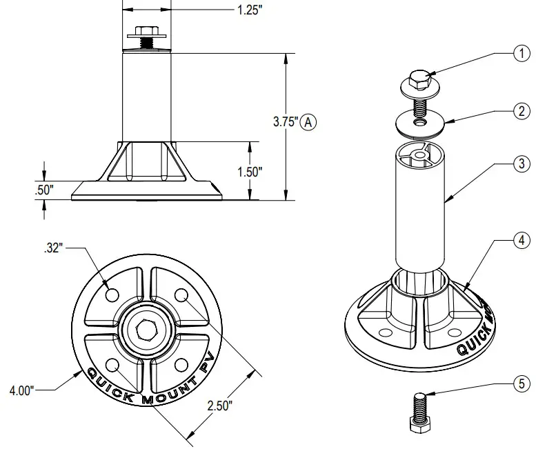
MOUNT HEIGHT IS POST LENGTH + 1/2″ POST LENGTHS AVAILABLE IN THE FOLLOWING SIZES:
3.25″, 4.5″, 6.5″, 8.5″, 11.5″, 12.5″, 14.5″, 17.5″
- CAP SCREW, 5/16″X1″ W/ 1″ CAPTIVE WASHER
- WASHER, SEALING, 5/16″ ID X 1-1/4″ OD, EPDM BONDED
- POST, 1-1/4″ OD X *VARIED HEIGHT
- QBASE, 1-1/4″ID
- CAP SCREW, HEX HEAD, 5/16″X3/4″
QBASE MOUNT
DO NOT SCALE DRAWING
WEIGHT: 1.161 lbs
SHEET 1 OF 1
Installation Tools Required: Drill and impact gun with appropriate bit and driver for selected fasteners, one tube of sealant compatible with roofing materials, pencil,chalk line.
Note: The QBase Mount ships without fasteners, allowing the project engineer to specify the fastener that best fits the project requirements. Prior to installation insure you procure the appropriate type, size and quantity of fasteners for your application. For rafter attachment, use two 5/16” x 3” Stainless Steel lag screws, ensuring minimum penetration of 2” into the structural members
Assembly Instructions
- Locate the desired mount placement per the plan set. The mount can be attached to structural members or direct to the roof deck based on site-specific criteria. Using the base as a template, mark the penetration points with either a pen or light drilling. When attaching to a structural member, use two opposing holes on the base plate, parallel to the structural member.

- Drill pilot holes for the fasteners based on American Wood Council recommendations. Make sure to drill perpendicular to the roof. Backfill the pilot holes with a sealant compatible with roofing materials.

- Prior to attaching the base to the roof, place the grade-8 hex bolt into the bottom of the base. Fully seat the post into the base, using slip-joint pliers if necessary. Attach the base and post assembly to the roof with the fasteners specified for the project.

- Attach the top hardware to the top of the post. This ensures the post will be sealed from weather exposure before racks are installed. You are now ready to flash the mount, roof around it, and attach racking. For built-up roofs and membrane roofs, be sure to use manufacturer-specified flashing methods or utilize the services of a certified roofer.

















